- 易迪拓培训,专注于微波、射频、天线设计工程师的培养
自适应可变磁阻传感器放大器应用简介
自适应可变磁阻传感器放大器及其应用
LM1815是省略门电路的自适应传感放大器,适用于马达控制。LM1815提供一次性脉冲输出,其前沿与反向过零基准输入信号恰好一致。正常工作时,计时基准信号在外部被处理(延迟)并且返回 LM1815,然后逻辑输入可以用作传送到输出驱动极的定时基准或处理信号。
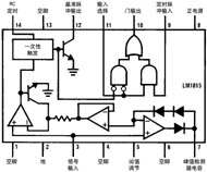
图1:LM1815内部结构
结构特点
LM1815内部结构如图1所示,特点如下:自适应磁滞、单电源工作、采用2~12V供电电压、基准输入、准确的过零定时基准、通过外部电阻输入从100mV到高于120V的信号、CMOS逻辑兼容。
LM1815的引脚功能如下。
2脚:接地 3脚:信号输入
5脚:阈值调节 7脚:峰值检测器电容
8脚:电源 9脚:定时脉冲输入
10脚:门控输出 11脚:输入选择
12脚:基准脉冲输出 14脚:RC定时
1、4、6、13脚:空脚
|
信号输入 (3脚) |
RC定时 (14脚) |
输入选择 (11脚) |
定时输入 (9脚) |
门输出 (10脚) |
|
正负脉冲
|
RC
|
L
|
X
|
脉冲=RC
|
|
X
|
X
|
H
|
H
|
H
|
|
X
|
X
|
H
|
L
|
L
|
|
正负脉冲
|
L
|
L
|
L
|
过零
|
LM1815的真值表见表1。使用LM1815时需要注意以下几个问题。
1.输入电压箝位
信号输入电压通过3脚被内部箝位。正常工作时,输入端电流限制由外部电阻决定。正向输入由1千欧电阻和串联二极管被箝位,反向输入活动箝位限制3脚到地的典型值在350mV以下。因此输入信号转换超过350mV,输入端电流将由V+电源提供。如果V+端不能充分旁路其产生的电压纹波,将破坏设备的正常运行。同样,输入信号转换超过500mV时,输入端电流将通过2脚被切断。设备2脚接地可实现微动转换,由于接地技术不良与输入信号地有关,会导致设备运行的不稳定。
2.输入电流限制
为了使输入端到地的阻值被确定为零,必须选择适当的电阻。应用时,若输入电压信号到地不是对称关系,应采用最小的电压峰值。最小的Rext=Vinmax/3mA,在图2中,Rext=18kΩ,建议使用的最大输入信号电压是±54V。
3.过零检测器的工作
LM1815内部有一个过零检测器,在输入信号的反向沿触发一个内部开关。不象其他过零检测器, LM1815在波形的正向部分输入信号超过阈值时才能被触发。芯片被触发时电路复位,并且后来的零交叉点被忽略,直到阈值被再次超过。这个阈值的改变取决于5脚的连接方式,共有三种不同的工作方式。
一是5脚开路。自适应方式的选定是通过断开5脚。对输入信号小于±135mV(即270mVp-p)和大于典型的±75mV(即150mVp-p),输入阈值为典型值45mV。在这些条件下,输入信号正向必须首先通过45mV阈值来支持过零检测器,然后反向通过零点去触发它。如果信号小于30mV峰值,就不会去触发开关。
输入信号大于±230mV(即460mVp-p)将引起阈值在峰值输入电压80%处跟踪目标。在7脚峰值检测器电容储存正的输入电压,建立阈值。输入信号在正向必须超过这个阈值以便支持过零检测器,然后由反向零交叉点决定哪一个能被触发。
随着输入信号幅度的增加,峰值检测器迅速地跟踪,并且随着输入信号减弱,峰值检测器电容电压通过与7脚外部连接的电阻而衰减。如果输入信号幅度比储存到峰值检测器电容上的电压下降得快,输出信号将消耗,直到电容电压减小到适当的电平。
需要注意的是,由于输入电压被箝位,在3脚观察到的波形和在可变磁阻传感器上观察到的波形并不相同。同样,在7脚储存的电压和在3脚呈现的峰值电压也不相同。
二是5脚连接到V+。当5脚被连接到正电源时,输入装备阈值被固定在200mV的最小值。芯片没有小于±200mV(即400mVp-p)的信号输出,当阈值被超过时,在下一个反向过零点被触发。
三是5脚接地。随着5脚接地,输入阈值从开始的0V到最大值±25mV。正向过零点使芯片开始工作,并且在下一个反向过零点触发它。这是过零检测基本的工作形式。
4.一次性定时
一次性定时由接到14脚的电阻和电容设置。建议最大电阻值为150kΩ。只要电容器没有任何影响RC时间常数的泄漏,电容值能根据需要而改变。
输出脉宽=0.673RC
为了给定一次性脉冲宽度,建议最大输入信号频率为1/(1.346RC)
图2中,R=150kΩ,C=0.001μF,最大输入频率典型值是5kHz。输入频率在所建议的频率最大值以上时可导致电路工作异常。如应用时不需要,设备的14脚能直接接地。
5.逻辑输入
某些系统中,需要产生外部脉冲。输入选择11脚拉高时,9脚外部的脉冲输入到内部门电路以控制10脚输出。输入/输出9、11、10和12脚是CMOS逻辑兼容的。另外,9、11和12脚是TTL兼容的。10脚不能保证用于驱动TTL负载。1、4、6和13脚没有内部连接并且可接地。
应用领域
图2是LM1815的典型应用电路。采用LM1815芯片设计的自适应传感器放大器可广泛应用于转速计、过零切换、马达转速控制、锯齿轮位置感测、发动机测试等领域。

图2:LM1815典型应用电路
上一篇:基于Pspice的放大器环路的稳定性分析
下一篇:二阶动态电路的仿真


