- 易迪拓培训,专注于微波、射频、天线设计工程师的培养
通道多路复用时运送工作异常,原因何在?
在进行通道多路复用时 ,很多工程师的放大器可能会出现工作异常。究竟是什么导致的呢?
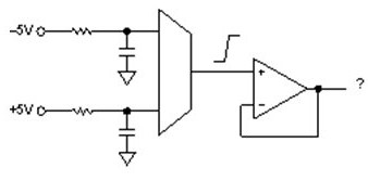
在一些应用中,工程师可能忘记了放大器输入与具有超快速瞬变的设备相连。例如,由图1所示的电压跟随器(或仪器仪表放大器)对多路复用器进行缓冲。输入信号是静态的,并且由RC网络进行滤波,从而降低了噪声带宽或RF干扰。放大器必须足够快以便在转换之间建立,所以选择时必须考虑压摆率和带宽。然而,在实验室中,结果却并不如预期: 放大器输出移动缓慢,并且波形不正常,有建立长尾现象。建立时间远不及规格。问题可能在哪里

图1 具有多路输入的电压跟随器
许多事情可能出错,但根本问题是通道转换时放大器输入过载。如果输出的移动速度不及输入(或者至少在输入移动前其没有移动),那么两个输入间会出现较大的差分电压。 这种状况可能使输入晶体管饱和、增加输入偏置电流、正偏内部保护二极管,或者造成其它意想不到的影响。 这种通道切换的实际反应取决于输入拓扑结构、工艺技术和内部保护电路,并且还取决于瞬变速度和相邻通道间的电压差异。 除了放大器对过载状况有所反应外,增加的输入偏置电流(即使它仅在多路复用器和运算放大器间的寄生电容中流动)还会对多路复用器输入端的电容充电或放电。这种干扰改变了原电平,只能通过连接在干扰源与电容之间的电阻来恢复。如果滤波器的时间常数很大,那么放大器的输出端就会出现较长的建立长尾现象。
根据问题的来源,可以做几件事来补救解决。在这种情况下,低成本解决方案就是在与快速源(多路复用器)相连的各输入端添加串联电阻。 这有助于在瞬变过程中通过增加源的阻抗来避免使输入饱和。 在DAC输出中,或者如果放大器用于调理来自微处理器或FPGA的方波,则简单的RC有助于降低边沿速度,从而使放大器正常运行。 具体情况需要具体分析以确定最佳解决方案,但是请关注瞬变条件。并且记住,远离麻烦的最好方法就是减速!
上一篇:HIOKI发布高精度的功率转换效率测量
下一篇:运算放大器使用六规则,你知道吗?


