- 易迪拓培训,专注于微波、射频、天线设计工程师的培养
两款新器件重塑信号发生器
过去,任意波形发生器最棘手的部分是输出级的设计。典型信号发生器的输出范围在25 mV 到5 V 之间。为了驱动一个50 Ω 的负载,传统设计采用高性能分立式器件,并联大量集成器件,或者成本昂贵的ASIC,而要构造出稳定且可编程范围较宽的高性能输出级,设计师往往要投入无数小时的时间。现在,技术进步带来的放大器可以驱动这些负载,降低输出级的复杂性,同时还能减少成本、缩短上市时间。

图1. 典型信号发生器模型
在使用通用信号发生器时,先输入一个频率,然后按下一个按钮,最后仪器产生一个新的频率。接下来,输入所需输出功率,再按下另一个按钮。在切换内部网络、调整输出电平时,继电器发出咔哒声。这种非连续运行模式是补偿宽可编程范围缺失问题的必要条件。本文提出一种新的架构,它可以解决输出级设计中的一半问题。
克服这个前端设计挑战的两个关键组件是:提供高速、高电压和高输出电流的高性能输出级;以及带连续线性dB 调谐的可变增益放大器(VGA)。这种设计以20MHz 的性能为目标,幅度为22.4 V(+39 dBm),负载为50 Ω。

图2. 更小、更简单的信号发生器输出级
新型紧凑式输出级
初始信号可能来自数模转换器(DAC)以产生复杂波形,也可能来自直接数字频率合成(DDS)器件以产生正弦波。任一情况下,其规格和功率调整能力都可能达不到理想状态。第一个要求是用VGA提供衰减或增益。但许多VGA 提供的增益是有限的,往往不足以在本应用中发挥作用。
如果VGA 的输出可以设为目标电平,则无论输入为何,都可以强制输出已知幅度。例如,如果所需输出幅度为2 V,且功率输出级的增益为10,则VGA 的输出幅度应调节至0.2 V。当输出级设计正确时,输出幅度最终由VGA 输出设定。不幸的是,多数VGA因可编程范围有限而成了瓶颈问题。
AD8330 是实现50 dB 范围的首款VGA,但AD8338 则树立了新的标杆,这款新型低功耗VGA 拥有高达80 dB 的可编程范围。典型的高品质信号发生器的输出幅度范围为25 mV 至5 V。高达46 dB的可调范围超过了市面上多数现有VGA 的能力范围。理想条件下,经典信号发生器的输出幅度可能为0.5 mV 至5 V,无需使用继电器或开关网络。满量程连续可调,不存在开关和继电器的非连续性问题。另外,不用继电器还可以延长仪器寿命,提高系统可靠性。
现代DAC 和DDS 器件一般搭载差分输出,要求设计师使用一个变压器,用单端连接损失一半信号,或者添加一个差分转单端转换器。AD8338 具有天然的适用性,提供全差分接口,如图3 所示。对于正弦波应用,用DDS 取代DAC。

图3. 把DAC 连接至AD8338 的网络示例
AD8338 的一个主要特点是灵活的输入级。作为一款输入VGA,它通过ADI 研究员Barrie Gilbert 发明的"H-amp"拓扑结构来控制输入电流。该设计用反馈来平衡输入电流,同时使内部节点电压维持于1.5 V。正常条件下,使用500 Ω 输入电阻,最大1.5 V输入信号会产生3 mA 的电流。如果输入幅度较大,比如15 V,则将一个较大的电阻连接至"直接"输入引脚。该电阻的大小必须合适,以得到相同的3 mA 电流:

(1)
单端15 V 信号将以差分方式输出1.141 V。此时,最小增益条件下,AD8338 提供28.4 dB 衰减,因此,最大可能增益为+51.6 dB。作为一种低功耗器件,在1 kΩ 负载条件下,典型输出摆幅为1.5 V。
输入VGA 的功率必须满足以下条件:其总增益范围在不同设定点周围。首先,确定信号发生器产生最大输出需要的输出电平。许多商用发生器为50 Ω 负载(正弦波)只提供250 mW rms (+24 dBm)的最大输出功率。这无法满足需要更多输出功率的应用需求,比如测试高输出高频放大器、超声脉冲发生等。
电流反馈放大器(CFA)技术的进步意味着,这不再是个问题。ADA4870 CFA 可以用±20 V 电源驱动1 A(17 V)。对于正弦波,可以在满负载条件下输出最高23 MHz 的频率,使其成为新一代通用任意波形/信号发生器的理想前端驱动器。
对于反射敏感型50 Ω 系统来说,ADA4870 要求一些无源器件使源阻抗与50 Ω 负载相匹配:一个阻性焊盘和一个1.5:1 RF 自动变压器。在1 V 裕量条件下,当放大器有效负载为16 Ω 时,可取得8 W 峰值功率。另外,如果反射不构成问题,则可移除阻性焊盘,并用匝数比为0.77:1 的变压器代替自动变压器。无阻性焊盘地,输出功率增至16 W峰值(28.3 V 幅度)。

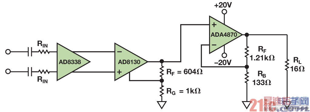
图4. ADA4870 驱动16 Ω(增益= 10)时的基本连接
为优化输出信号摆幅,我们将ADA4870 的增益倍数配置为10,因此,所需输入幅度为1.6 V。ADA4870 有一个单端输入,AD8338有一个差分输出,因此,AD8130 差分接收放大器及其270 MHz增益带宽积和1090 V/μs 压摆率可同时提供差分至单端转换和所需增益。AD8338 的输出限制为±1.0 V,因此,AD8130 必须提供1.6 V/V 的中间增益。组合起来时,三个器件形成一个完整的信号发生器输出级。

图5. 信号发生器输出级
完成整个设计还需要最后两个步骤:配置输入网络以实现最大输入信号和抗混叠,设计输出网络以实现阻抗转换。
AD8338 输入网络
对于该设计,差分输出幅度为±1.0 V。在工厂默认设置、内部500 Ω电阻和最大增益条件下,输入幅度一定是100 μV。通过向直接输入引脚增加电阻,设计师可以调节该要求。由输入电阻决定的增益范围为:

(2)
在各输入端使用40.2 kΩ 的电阻,可以在噪声功率与输入衰减之间 实现良好平衡。当VGAIN = 1.1 V(最大增益)时,增益为:

(3)
此时,差分输入只需为21 mV。
当VGAIN = 0.1 V 时,增益为:
(4)
对于相同的21 mV 输入,输出约为100 μV。
考虑AD8130 和ADA4870 的总增益,约为24.1 dB,ADA4870 的输出幅度范围为1.6 mV 至16 V。在阻性焊盘和自动变压器之后,输出端的电压将在2 mV 到20 V 之间。
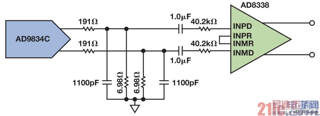
把AD8338 连接至DDS 等器件,要求考虑抗混叠和输入衰减。例如,差分输出AD9834C DDS 要求200 Ω 电阻接地,以实现正确的摆幅。每个输出只会产生一半的正弦波信号,如图6 所示。
每个输出峰值为0.6 V,使得有效输入为±0.6 V,所需衰减为26 dB。在使用200 Ω 电阻时,通过构建简单的电阻分压器,可以轻松实现衰减。由于信号摆幅并不统一,因此,信号峰值应该会达到预期衰减值。

图6. 9834C IIOUT 和IIOUT的输出摆幅。未显示混叠伪像

(5)
使用标准的6.98 Ω 和191 Ω 电阻值,结果会产生0.7%的误差。
最后,需要一定的抗混叠处理。在75-MSPS 采样速率下,奈奎斯特速率输出为37.5 MHz,超过了该设计的20 MHz 带宽。将抗混叠极点设为20 MHz,则所需电容为:

(6)
这是一个标准值,因此,完整的输入网络如图7 所示:

图7. DDS + 衰减和滤波器网络 + AD8338
构建该级并进行测量。总体变化在±0.6 dB 之内,如图8 所示。

图8. AD8338 配置的计算所得增益和实测增益
ADA4870 输出级
在单端输出由AD8130 提供的情况下,ADA4870 将执行最终10倍增益。设置该增益需要两个电阻,无外部补偿情况下,该级很稳定。未完成的唯一工作是调整输出网络,以满足应用需求。有三种通用实现方案:
1. 从放大器直接输出至50 Ω
2. 填充自动变压器输出至50 Ω
3. 未填充自动变压器输出至50 Ω
对于直接输出,放大器输出直接连接输出连接器,无需用任何网络来转换源,如图9 所示。这种方法是真直流连接源的完美选择,虽然不能发挥出器件的全部潜力,但仍然比典型信号发生器的10 V输出幅度要好得多。在这种情况下,最大峰值功率为5.12 W。

图9. 直接输出驱动连接
对于焊盘式设计,16 Ω 负载在一个8 Ω 的串联焊盘与经滤波处理的1.5:1 自动变压器之间分配,如图10 所示。在该模式下,由于设计具有低阻抗特性,因此,设计师使用的电感值可以比用于50 Ω设计的电感小6.25 倍。低通滤波器和自动变压器把8 Ω 有效源阻抗转换成匹配良好的50 Ω 负载。这种设计方法的总峰值输出功率为8 W,最适合需要50 Ω 匹配源的应用,在这类应用中,反射可能成为一个问题,比如,传输线路较长时。

图10.焊盘式输出设计的ADA4870 连接
在目标频段内,对于任何反射, 输入阻抗均表现为50 Ω
最后一个选项,也可能是信号发生器最有用的选项,不使用8 Ω焊盘,而且输出功率提高了一倍。我们仍然建议使用LC 阶梯式滤波器,如图11 所示,但阶梯值比用于50 Ω 系统(设计的标称阻抗为16 Ω)的值小3.125 倍。在这种情况下,自动变压器使用的匝数比为0.77:1。该模式下,峰值正弦波输出幅度为28.3 V,ADA4870 将驱动约16 W 至50 Ω 负载(8 W rms 或39 dBm)。

图11. 用于驱动50 Ω 负载的最佳功率输出连接
整体解决方案
在现实世界中,如果与真实世界不相符,仿真和等式毫无意义。因此,有必要构建一个完整的系统,基于预期值测量其性能。图12 所示为一种实际焊盘式输出设计的原理图。

图12. 完整的简化原理图
图13 所示为无滤波器条件下的实测结果。系统增益一致性误差为±1 dB,最差条件下输出功率高达2.75 W rms(5.5 W 峰值)(P1dB压缩点,34 dBm)。值得注意的是,总增益范围超过62 dB,范围比许多标准发生器多16 dB。

图13. 焊盘式、未滤波输出功率结果。无滤波器时,
系统在36 dBm时出 现一个P1dB 点。FTEST = 14.0956 MHz
增益范围可通过改善DDS 输出端滤波机制以及降低系统噪声的方式提高。图14 所示为采用滤波器时的相同测量值。滤波输出不存在同样的P1dB 问题,结果将满量程+36 dBm 输出转换成50 Ω负载。总增益线性度更佳(≤0.65 dB),误差仅出现在中间电平周围。

图14. 5 阶低通滤波器的实测输出(fc = 20 MHz)。FTEST = 14.0956 MHz
如果具体运行模式需要甚至更高的输出功率,则针对给定应用,可以将多个输出放大用于驱动专业变压器。或者,可以将这里描述的设计方法用于电源较低的系统,但这些方法必须符合替代设计的限制要求。
注意,受累积输入衰减和增益误差影响,测量上限止于VGAIN =0.9375 V。通过调整初始衰减网络,充分考虑总系统误差,可以解决这个问题。校正后,总系统增益范围将增至74 dB。
结论
配合高性能VGA 使用高性能、高输出CFA,可以为新一代信号发生器构建出一种简单前端。这些器件的高度集成可以降低PCB电路板的总面积和成本。
要获得更多功能,可以在闭环反馈系统中使用AD8310 等对数放大器。增加对数放大器后,配合AD9834C 等DDS,设计师可以集成各种形式的包络调制,如频移键控(FSK)、开关键控(OOK)和相移键控(PSK),将其作为一项内在功能;通过创造性地使用两个基本模块,实现不尽其数的选项。
上一篇:WHPTC在多功能电能表中的RS-485接口保护应用
下一篇:RF
至位解决方案可为材料分析应用提供精密的相位和幅度数据


