- 易迪拓培训,专注于微波、射频、天线设计工程师的培养
两线制智能仪表的信号隔离方案
摘 要:两线制智能仪表以其应用简单,成本低廉的特点大量地应用于压力、温度等过程参数检测的一次仪表中。然而两线制回路需要同时传输能量和高精度信号,这就使得信号的隔离变得非常困难。本文介绍了两线制回路的基本工作方式。并以此为基础分析了现有无源电流信号隔离器在两线制信号隔离电路中的不足,进而介绍了传输精度更高的基于TS107L-F-2两线制隔离转换器的信号隔离方案及其配电扩展方案。最后针对智能仪表的通信要求介绍了TS107HL-F-2在两线制回路中的Hart信号隔离传输方案。
关键词:智能仪表、两线制、信号隔离、Hart通信
1、两线制信号传输的基本方式

图1 两线制典型应用框图
两线制信号传输方式的典型电路如图1所示。在信号检测端主要包括传感器和二线制转换器两部分组成。在信号接收端包括两线制回路供电电源VL和电流检测电路组成。一般电流检测电路由精密电阻RL将电流信号转换成电压信号再通过AD转换传送到控制系统中。
两线制转换器的功能是将两线制回路的电压Vin转换成传感器的供电电压Vcc,同时根据传感器的输入信号Sin控制两线制回路Vin的负载电流Is。这里Is就是两线制电路传输的4~20mA电流信号。
在两线制回路中,只有唯一的电压源VL,负载分别为Vin和VRL。由于电流检测电阻流过电流信号Is,因此在电阻不变的情况下电压VRL由Is决定。根据基尔霍夫电压定律,两线制接口的电压Vin应当是随着VRL的变化而变化的,并且满足以下等式(1):
Vin=VL-VRL(不考虑线路阻抗的压降) (1)
由于Is由电路信号决定,因此Vin决定了二线制转换器的输入能量,进而也决定了二线制转换器Vcc的最大输出能量。
2、两线制应用的常规隔离方案
在一次仪表现场过程信号检测的应用中,信号检测端和信号收集端需要通过较长的信号传输线传输信号。由于一次仪表多为金属外壳,使用时需要接地处理,因此信号传输线也会通过两线制接口和大地相连。这时的信号传输线就像是一根接地天线,可以有效地接收各种电磁波信号。同时各种累积到传输线的电荷均会通过两线制接口导入大地,这会对两线制电路的信号传输带来极大的干扰。
为了抑制信号传输线接地对信号的干扰,实际应用中一般需要将信号传输线连入传感器之前先进行隔离处理。常规的解决方案如图2所示,在两线制回路和二线制转换器中间加一个无源的电流信号隔离器即可实现信号的隔离传输。图中使用的无源电流信号隔离器是金升阳的T1100L-F。

图2 现有两线制回路隔离方案
T1100L-F可以在不需要外界供电的情况下将4~20mA的电流信号等比隔离传输。能量的输入端电压最高达到30V时,输出端可以实现最高25V电压以及信号电流的输出,有效的实现了信号和能量的隔离传输。该方案使用简单,适用于各种需要4~20mA电流信号隔离的场合,但是依然存在不足,主要包括以下两点:
1)信号传输精度低
由于同时隔离传输电流和能量,无源信号隔离器的信号传输精度一般在0.3%以下。
2)存在回路压降
无源电流信号隔离器的电流等比传输,自身电路工作的能量来自于电流信号的输入输出电压差,即两线制回路压降。T1100L-F的电压差最大为5V,这时上述等式(1)就增加了一个隔离器的电压降,如下述等式(2):
Vin=VL-VRL-5V(不考虑线路阻抗的压降) (2)
由于Vin决定了二线制转换器的输出能量,因此Vin的降低意味着二线制转换器的配电功率降低。一般集成了两线制转换器的两线制传感器会有最小输入电压要求,Vin的降低也容易导致两线制传感器供电电压不足。
3、基于TS107L-F-2的两线制信号隔离方案

图3 TS107L-F-2两线制信号隔离方案
为了进一步提高两线制信号隔离传输电路的信号传输精度,同时简化两线制接口电路,可以采用集成二线制转换器和信号隔离电路的TS107L-F-2。TS107L-F-2是金升阳专为两线制信号传输电路设计的两线制隔离转换器,主要的性能参数如下表:

和采用无源电流信号隔离器的两线制隔离方案相比,TS107L-F-2的信号传输精度高,回路压降低,同时26*9.5*12.5mm的小体积为两线制传感器的设计留出了更加广阔的空间。
由于两线制回路供电的能量有限,在传感器检测电路的设计中应当尽量选择功耗低的元器件。如果采用低功耗的元器件时TS107L-F-2依然不能满足供电要求,可以采用增加HK电源模块的方式提高两线制回路的供电能力。具体的连接方案入图4所示。

图4 HK电源扩展方案
由于TS107L-F-2的最低输入电压只有10V,远低于一般两线制回路能够提供的电压,因此在两线制回路中还可以串联一个乃至多个HK电源。HK5S03B的输入电压为5V,这时两个模块的回路压降为15V,电源输出端则有了两个电源端Vcc1和Vcc2。通过用Vcc1和Vcc2给传感器的不同电路供电,就可以有效的解决两线制回路配电电源功率不足的问题。根据配电功率和电压要求的不同,可以选择以下不同的HK电源给两线制传感器提供额外的电源。

以上输出电流能力是输入端电流为4mA时的值,如果输入电流减小,输出电流能力也会相应降低,因此使用时应当注意两线制回路电流小于4mA时对配电输出电流的影响。
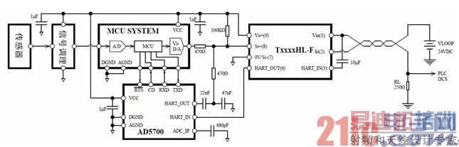
4、两线制应用的Hart通信隔离方案

图5 带Hart通信功能的两线制应用方案
在智能仪表中,除了要传输4~20mA的模拟量信号,还要求具备Hart通信功能。这时可以采用TS107L-F-2的Hart版TS107HL-F-2。和TS107L-F-2的主要区别在于,TS107HL-F-2多了一路Hart信号隔离传输接口,如图5所示。由于TS107HL-F-2本身具备电压信号转4~20mA电流信号的功能,类似于ADI的AD5421,因此只要采用AD5700在电压信号输入端耦合进Hart信号就可以实现Hart信号的发送。Hart信号的返回则通过TS107HL-F-2的自带Hart信号隔离接口实现信号的回传。
另外,为了有效的实现Hart信号的隔离传输,TS107HL-F-2的模拟输入信号变成了0.4V~2V。
5、总结
在一次仪表端的两线制信号隔离方案中,采用无源电流信号隔离器T1100L-F,可以在不改变两线制转换电路的情况下实现电气隔离,适合现有两线制仪表的升级。采用集成二线制转换器和信号隔离电路的TS107L-F-2产品,可以简化两线制接口电路并满足高精度的两线制信号传输,配合HK电源还可以提高两线制仪表的电源功率,满足不同配电功率的要求。在需要Hart通信功能的智能仪表行业,可以选用同时隔离传输模拟信号和Hart信号的TS107HL-F-2。
原文地址:http://www.mornsun.cn/news/NewDetail.aspx id=232


