- 易迪拓培训,专注于微波、射频、天线设计工程师的培养
一种实用的线性隔离检测电路
1 引言
随着电源技术的发展,电力系统、通信系统中越来越广泛地使用开关电源、UPS等电源设备。这些设备无一例外地要检测主电路的电压、电流信号。检测电路是主电路与控制电路的接口,是电源设备必不可少的一个重要组成部分。检测电路必须满足如下几方面的要求:
(1)要有很高的精度和线性度。现代电源为了达到很高的稳压稳流精度并具有很好的动态响应特性,大多都引入电压电流参与系统的反馈控制。检测电路的精度和线性度,在某种程度上决定了整个电源的输出精度和稳定性。
(2)必须具有隔离功能。大多数电源的主电路和控制电路之间在电气上相互绝缘。否则电源会由于主电路对控制电路的干扰而不能正常工作,甚至会危及调试人员的人身安全。
目前,市场上有许多隔离传感器供用户使用,如隔离放大器(TPS5904,AD202)、电压霍尔、电流霍尔等。在上述器件中,AD202、霍尔元件有性能好、可靠性高、测量精确、应用范围广的优点。但它昂贵的价格却使大多数使用者望而却步,TPS5904虽然价格比较便宜,但相对来讲,线性度较差。只有TI公司的TIL300精密线性光耦,可以很精确地检测直流信号,隔离效果好,价格又便宜。因此,许多设计人员在选择器件时都偏重于选择TIL300作为检测、反馈直流电压、电流用的检测元件。
但是,随着TIL300生产线的停产,以前使用TIL300的用户不得不选择其它器件,而目前电子元器件市场上又没有其它价格、性能可与TIL300相媲美的元件,这就给使用者带来很大不便。本文基于此现状,提出了一种可以代替TIL300的检测电路。该电路使用普通光耦,应用反馈控制原理,具有价格便宜,线性度好的特点,在一定程度上可以替代原有的TIL300。
2 TIL300简介[1]
TIL300精密线性光耦的内部结构如图1所示。

图1 TIL300结构示意图
TIL300精密线性光耦合器是由一个红外光LED照射分叉配置的一个隔离反馈光二极管和一个输出光二极管组成,反馈光二极管吸收LED光通量的一部分而产生控制信号,该控制信号可通过一个调节电路来调节LED的驱动电流,最终使得LED发出的光通量满足输入信号和反馈信号相等。TIL300精密线性光耦合器是以电流方式工作的,在一定输入电流范围内,它的电流传输比保持不变,此时输出光二极管产生的电流信号与反馈光二极管产生的电流信号成线性比例,所以输出信号与输入信号成一定的线性比例关系。
3 检测电路
3.1 电路结构
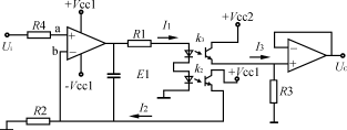
本文提出的检测电路如图2所示。

图2 检测电路构成
检测电路主要由两个普通光电耦合器、两个运放和电阻、电容构成。两个光电耦合器可以起到TIL300中隔离反馈光二极管和输出光二极管的作用。其中一个用作输出,另一个作为反馈,反馈是用来补偿发光二极管时间、温度特性的非线性。为了保证输出光二极管产生的输出信号与LED发出的伺服光通量呈线性比例,在选择器件时,两个光耦合器的特性应尽量保持一致。输出端所接的电压跟随器是为了保证输出电压的稳定性。
3.2工作原理分析
由图2可知:输出电流、输出电压的表达式分别为:
I3=k3I1(1)
UO=R3I3=k3R3I1(2)
反馈电流为:I2=k2I1(3)
式(1)、(2)、(3)中k3、k2分别为电路中两个光耦的电流传输比(非线性)。两个光耦的特性近似一致,可认为k2=k3,也即I2=I3。
此电路的工作原理如下:
在检测电路调节过程中,Ui有两种变化趋势,当输入电压Ui升高时,有Ui>R2I2,导致运放输出端电压升高,通过发光二极管的电流I1也随之增大,由于I2=k2I1,I3=kI1,I2、I3也增大,最终调节的结果是Ub=Ua=Ui,又因为I2=I3,因此输出电压UO与输入电压Ui相等,UO随着Ui的增大而线性增大。
反之,当输入电压Ui降低时,运放输出端电压降低,通过发光二极管的电流I1也随之减小,与上类似,输出电压UO=R2I2也随输入电压Ui的降低成比例地减小。
光耦的选择对电路的影响非常大,当光耦选择不适当时,k2与k3之间的差别比较大,但若此时k2与k3的变化是随着通过光耦电流的大小变化成比例的,即:k2=αk3,如果α为常量,输出电压与输入电压仍然保持线性关系,检测电路仍然能正常工作。但在一般情况下,α不是常量,导致检测电路的输出与输入电压不是线性关系,输出电压不会随着输入电压的变化而线性变化[2]。此时检测电路就不能正常工作。为了避免这种情况,应尽量选用特性一致的光耦。
4 实验结果及其分析
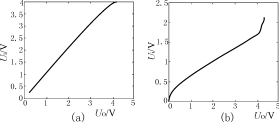
根据所设计的检测电路进行实验,实验时,调节输入电压Ui的大小,并检测与之对应的输出电压UO的大小,实验结果如表1(a)所示。为了进行对比,同时测出没有反馈的光耦的输入与输出电压关系,并列在表1(b)。根据表1中(a)、(b)的数据分别绘出检测电路与单个光耦的传输特性,分别如图3(a)、(b)所示。
表1 检测电路与单个光耦的传输特性

图3检测电路与单个光耦的输入输出特性

(a)检测电路的传输特性(b)单个光耦的传输特性
由表1可知,在一定范围内,检测电路的输出电压与输入电压是成正比地变化的。输出与输入电压的比例系数几乎保持不变。表1(a)中最后一行的比例变化比较大,之所以有如此大的变化,是因为此时光耦的输出电流已经达到了饱和值,无论怎样增加输入电流,输出电流都不会有大的改变[3]。图3(a)也能很清楚地看出检测电路中输出与输入电压的比例关系是线性的。而表1(b)中的数据则表明单个光耦隔离时输出电压与输入电压之间的关系比较复杂,只有在中间一部分有近似的线性关系。图3(b)也表明了单个光耦的输出输入关系是非线性的。
由图3(a)和表1(a)可知,检测电路的输出可以很好地跟随输入电压的变化,并且实现了输入与输出之间的隔离,精度较高,线性度较好(<1% ), 在要求不是很精确的情况下,可以选用此检测电路来检测、反馈主电路的电压、电流信号。
5 结语
根据目前电子产品市场的变动,本文提出了一种检测电路,此电路具有隔离功能,并且隔离后的输出电压与输入电压成正比。因此这种检测电路可用于检测需要隔离的电压、电流信号。此电路可代替原有的TIL300。实验结果证明该检测电路的可行性。此电路具有结构简单、价格便宜、精度高、线性度好的特点,可广泛用于对精度要求不是很高、需要隔离并检测、反馈电压、电流信号的领域,如电力、化工、通信、冶金等行业。


