- 易迪拓培训,专注于微波、射频、天线设计工程师的培养
如何从以太网供电(PoE)获得更大功率
PoE藉由以太网联机来传输电源。在PoE供电网络中,由供电端设备(PSE)提供电源,在以太网络联机产生44~57V的输出电压;在以太网联机的另一端,受电端设备(PD)会消耗这些功率。虽然目前正在定义较高功率的以太网络供电标准,不过现在受电端设备可用的功率,在单一以太网联机的情况下限制在13W左右。遗憾的是,这样的功率往往不足以支持复杂的应用,因此某些高功率的受电端设备,需要将多个连接埠的功率转换为可用电压,并与48V输入电压的电流隔离。目前有多种技术,可由多重输入来源提供隔离的功率转换。
以太网供电(PoE)已经是一种普遍的概念,并被应用于*、保全监控系统、收款机等产品。
下降法
DC/DC并联电源普遍使用的一项技术,就是所谓的下降法。如果并联电源的输出电压降低,负载电流升高,并联电源将会分享电流。这种方式不需要在电源之间通讯,也不会出现单一错误失效的情形,而且需要的附加零件非常少。如果使用电流模式控制,只需要限制控制回路的直流电增益,就能产生与负载电流的增减成正比的输出电压下降。
遗憾的是,下降分享方式并非十分精确。如果将这些电源以并联方式连接,在没有负载的情况下,一般会由输出最高的电源调节输出电压。如果电源使用如图1所示的二极管调节,最低输出的电源将不会输出任何电流。随着负载电流增加,输出电压开始下降,由具有最高输出电压的电源提供所有电流,直到输出值下降至5.25V,之后输出第二高的电源开始提供电流。以上述假设的最差情况公差来看,在最低输出电压电源开始作用之前,第一个电源已提供70%左右的输出功率,这种现象并不理想,因为不够可靠,不过在某些状况下可能可以接受。随着负载电流进一步增加,第一个电源可能到达极限,之后由剩余的两个电源负责增加电流,从而达到全功率操作。
具有同步整流功能的电源架构,可以让电源供应或吸入输出电流,这对于此种控制方法会造成很大的问题。在极端的情况下,单一电源可能会试图调节高电流端与低电流端。如果在没有负载时发生这种情况,有些电源会供应电流至输出,同时有些电源则会由输出端吸入电流,这样会从某个电源获得功率,再馈电至第二个电源,而不会将功率传送至负载;因此建议在零安培时停用同步整流。
交错式返驰
平衡多重输入功率的另一项技术为交错法。交错法和下降法一样,它针对每个输入使用不同的功率级,并将电源供应至一个共同输出。和下降法不同之处,在于交错功率级(或称相位)共享一个通用的一次侧(primary side)控制器,这种方式可以降低成本,每个功率级也可在反相位(out of phase)时同步。同步可以降低输出电容器的涟波电流,因此可使用较小的输出滤波器。在交错法中,所有功率输入必须共享同一回路,因此在某些应用中无法使用这种方法。

图1:推挽式控制器驱动交错式返驰。
许多脉宽调变(PWM)控制器专门针对交错法进行设计,如果只需要两种相位,可以使用推挽式控制器(push-pull controller)执行交错法,以大幅降低成本。图1为二相位交错式返驰电源,使用类似UCC2808的推挽式控制器,这种芯片会限制每个相位的负载周期至50%,并将两个功率级以180度的反相位方式进行转换。这种推挽式控制器使用峰值电流模式控制,可以让两种相位保持在接近相同的峰值电流值。在非连续返驰中,每个相位的输出功率,与初级峰值电流的平方值成正比,因此可自然平衡由两个输入电源获得的功率。这种技术可以使两个输入电源的功率差距缩减到5%以内。初级金氧半场效晶体管(MOSFET)的切换延迟是造成不均衡状态的主要原因,在两个输入电压不相等时情况最糟。由控制器所提供的峰值电流限制,会限制由二个输入端获得的最大功率,而负载周期箝位会在欠压与失效状况下限制输入电流。
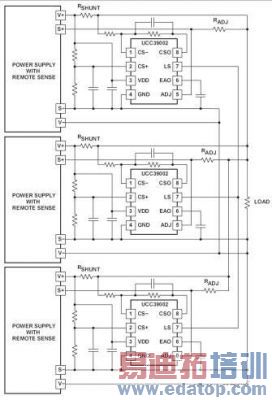
使用二次侧负载分享控制器来分享功率
在多个输入间分享功率的第三种方式,是透过二次侧负载分享芯片来实现。采用这种方式,具有远程感测能力的独立电源,不管数量多寡,均可共享同一输出。负载分享芯片常与电源模块共享,请参考图2的范例。一个分流电阻被用来测量每个转换器所供应的电流。因为公差与寄生阻抗,其中一个电源将供应较多的电流,此电源会作为主电源,并将在负载分享(LS)总线上设定电压,从属单元使用此负载分享总线电压作为输入参考,以控制自己的输出电流。如果要调整从属单元,可以在从属转换器的远程感测导线上注入电压,这样可从主电源控制负载的输出电压,保持良好的负载调节。使用这种主/从方式,可以产生非常好的电流分享准确度,一般来说在完全负载时优于3%。

图2:UCC39002负载分享控制器可以并联独立电源。
由于每个并联电源都需要一个负载分享控制器,以及外部的分立组件,因此这种方法的组件数量与成本略高于下降法与交错法。此外,不建议同时使用负载分享控制器与同步整流器,因为可能在启动或加入、移除个别电源时发生问题。
主/从隔离一次侧电流分享
另一项可使用于并联电源的技术,就是感测一个初级电流(主),然后与另一个电流比较(从)。不论使用光耦合器或电流变压器,都可以在电源间传输电流信息,同时维持隔离状态。电流变压器是最佳选择,因为可以用最低的成本达到良好效能。此外,相较于光耦合器,电流变压器具有良好的准确度。电流变压器的准确度由圈数比公差与电阻公差所决定,前者优于2%,后者数值一般为1%。光耦合器的准确度则依赖电流转换率公差,最好的状况为30%。
本文小结
下降法是最简单的方式,也是成本最低廉的方式之一,不过效能最差,但不会发生单点失效情形。一般而言,效能最佳的技术是负载分享控制器,也是最昂贵的解决方案。使用交错初级控制器或光耦合器/电流变压器技术,可以在成本与效能间取得平衡。此外像是同步整流器的使用、以太网络供电输入数目、以太网络供电输入是否需要彼此隔离,这些额外因素都需要考虑,才能决定应该选用何种方法。为你的应用使用适当的技术,可由以太网络供电获得最大功率。
上一篇:利用新一代以太网技术构建节能系统
下一篇:用于遥控器的射频测试站


