- 易迪拓培训,专注于微波、射频、天线设计工程师的培养
基于AT27C1024的可变信号源设计
引言
随着工业测试领域对信号源灵活性要求的不断深入,各种利用当前先进技术所设计的信号发生器也有了较为成熟的发展,但因体积较大使得携带不便,同时也没有相应针对某一特定测试系统的信号源。为了适应这一需求,采用由ATMEL公司生产的1Mbit的大容量存储器AT27C1024,通过C8051F060控制,并充分利用其可以闪速读取的优势通过查表方式设计出了针对检波器测试仪所用的可变信号源。
AT27C1024主要特性
AT27C1024概述
AT27C1024是由ATMEL公司所生产的低功耗、高性能64K 16位的一次性快速可编程只读存储器,采用高可靠性的CMOS工艺,具有2000V静电放电保护功能,200mA的封锁免疫措施,主要采用了PDIP、PLCC和VSOP三种封装形式。AT27C1024在正常工作模式下只需5V供电,读取任何地址字的时间少于45ns,从而消除在了读取速度上的延时等待问题。在读模式下,所消耗电流的典型值是15mA,由于采用两线的控制方式也减少了高速系统中对总线的竞争。由于自身高密度64K的字容量,AT27C1024允许固件在没有其他大容量存储介质所存在的延时情况进行存储和读取。另外为了保证AT27C1024的高性能和高效率,采用了“快速编程算法”以减少编程所需时间并确保对器件的可靠编程,典型的编程时间每个字单元仅100μs。
AT27C1024控制方式
AT27C1024有多种操作模式,其中最常用的是编程模式和读模式。在编程模式下,即写入数据时,AT27C102采用“快速编程算法”,写入之前必须保证VCC供电6.5V左右,VPP端供电在13V左右。先确定器件的起始地址,对每个地址在没有验证的情况通过一个100μs的PGM脉冲将连续的字数据写入芯片,紧接着对所写入对应地址的数据执行验证和重新编程的循环操作。验证过程中任一字单元需要10个连续100μs的PGM脉冲,之后如果该字单元未通过验证将被丢弃,反之则增加地址对下一个字单元进行验证直至整个数据信息通过验证。验证到最后一个地址后,将VCC和VPP均降至5V供电,连续读取所有数据并与原始数据进行比较,完全相同则认为操作成功;读模式下PGM和CE端口均应为高电平,通过地址线稳定要读取数据的地址后,产生一个大于2μs的低电平脉冲信号就可以实现快速读入数据,这一过程的VCC和VPP均可采用5V供电,本设计就是充分利用这一特性,实现快速查表功能。操作流程图如图1所示。

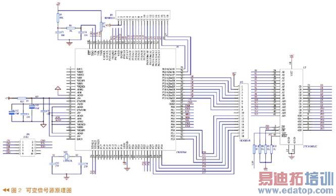
可变信号源原理
整体方案
为了充分满足在检波器测试仪所需的多种信号,先通过在外围电路中利用ADS1255以3K的采样率采集若干周期的1Hz、3Hz、6Hz、10Hz、12Hz、15Hz、18Hz、20Hz、30Hz、40Hz、50Hz的标准正弦信号,通过C8051F060进行控制将上述数据写入AT27C1024对应地址段;同样在实际应用于检波器测试仪时为了得到所需频率信号,可以通过查表方式读取AT27C1024对应地址段的数据,并利用C8051F060自带的D/A转换器对信号进行还原,整个系统的硬件电路如图2所示,这种设计结构充分利用AT27C1024能够闪速读取的特性,从而极大程度上降低了查表的时间,读取的数据不经其他操作直接传送至D/A,保证了整个还原过程的时间缩至最短。

降低系统误差措施
为了尽量消除系统中C8051F060在执行写操作和读取数据通过自带D/A进行转换的干扰和误差,其供电部分接入AS1117对5V电源进行转换和稳压,并且各部分均并联连接10μF和0.1μF电容,用于滤除地线干扰和电源纹波,详细电路设计分别如图3和图4所示。同样对于AT27C1024为了极大程度消除外围电路干扰,设计中采用独立的电源和并入滤波电容,同时采用电压转换芯片7805对接入的13V电压进行转换以稳定和满足AT27C1024在读取数据时所需的5V电压,具体电路如图5所示。



系统软件设计
为了实现对信号源的有效控制,尤其是对不同频率信号的选择,加之为方便在检波器测试仪的触摸屏中进行选操作,设计中主要通过编程利用合理的算法实现上述功能。此部分为了尽量减少代码空间,主要通过定义各频率信号在AT27C1024的起始地址为元素的指针数组,由于各频率信号在AT27C1024中对应的是互不干扰的地址段,因此可以连续读取的方式直接送入C8051F060自带D/A,详细的程序流程如图6所示。

系统应用与测试
由于本信号源的应用对象是检波器测试仪,它主要通过选择特定频率的信号输入检波器回路,由于是通过查表读取标准信号源输入D/A还原的,从而排除了系统中外围硬件电路的各种干扰,极大程度上满足了检波器测试仪对信号源稳定性的高要求。为了不受检波器自身的微小震动带来的杂波信号干扰,需要在硬件中接入适当的滤波器。对整个系统各频率信号源的测试结果如表1所示。

结论
本设计电路体积小、速度快、稳定性高、抗干扰能力强,完全满足检波器测试仪的需求条件。针对这一设计方式,可以利用AT27C1024的大容量、可快速读取的特点,设计出适合各种设备的专用信号源,从而解决普通信号源与系统配合使用时抗干扰能力差、携带不便的缺点。
上一篇:用光电倍增管进行光测量
下一篇:采用仿纹波模式轻松实现降压转换


