- 易迪拓培训,专注于微波、射频、天线设计工程师的培养
测量MAX999比较器的输出抖动
摘要:在某些应用中,采用MAX999等高速比较器将输入正弦信号转换成方波,产生时钟输出,对于这些应用,了解所生成时钟的抖动非常重要。本应用笔记回顾了抖动的基本理论,介绍用于判断MAX999抖动的电路。所测量的抖动与比较器的参考输入电压噪声有关。
抖动基本理论简介¹
光纤通道标准把抖动定义为“对事件理论定时的偏离”。抖动从根本上描述了系统的定时误差,它基本有两种类型:确定性抖动和随机性抖动。
确定性抖动(DJ)定义为具有非高斯概率密度函数的抖动。确定性抖动表现为时间边界,有一定的产生原因:占空比失真(由上升沿和下降沿的时差产生)、EMI、串扰、接地和电源供电问题等。确定性抖动一般采用边界的峰值表示。
随机性抖动(RJ)定义为具有高斯概率密度函数的抖动。随机性抖动不受振幅的限制,由RMS (均方根)值表示,它是均值等于零时的标准方差。随机性抖动的主要来源是系统元件的高斯热噪声(白噪声)。例如,比较器中,热噪声和摆率相互影响,在输出切换点产生定时误差。
确定性和随机性抖动之和或卷积后得到总抖动(TJ),它一般表示为测量峰值。将随机性抖动的RMS值转换为峰值引入了误码率(BER)的概念。对于高斯概率密度函数,峰值在理论上意味着无穷大的振幅。然而,通过选择极端峰值的概率或总抖动超过抖动预算时产生误码的概率,可以由RMS值计算得出实际的峰值。例如,小于10-12的峰值随机性抖动是RMS值的14.1倍。表1列出了峰值和RMS随机性抖动与BER的关系。
表1. 峰值和RMS随机性抖动与BER的关系
| Probability of Data Error (BER) | Peak-to-Peak (N × RMS) |
| 10-10 | 12.7 × RMS |
| 10-11 | 13.4 × RMS |
| 10-12 | 14.1 × RMS |
| 10-13 | 14.7 × RMS |
| 10-14 | 15.3 × RMS |
测量MAX999的抖动
某些应用中,MAX999等高速比较器用来对输入正弦波进行整形,产生时钟信号。由于比较器的输出抖动决定了时钟抖动,因此,掌握比较器的抖动指标非常重要,以便准确计算时钟抖动。
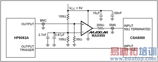
本应用笔记利用图1所示电路测量MAX999的输出抖动。通过小电阻分配网络,将反相输入端连接至固定的2.5V基准电压,选择较小的100Ω电阻是为了降低噪声。同相输入通过BNC连接器连接至HP8082A脉冲发生器,靠近同相端安装了一个50Ω匹配电阻。
通过一个200Ω串联电阻和一个SMA连接器,将MAX999输出连接至Tektronix® CSA8000信号分析仪。200Ω串联电阻和CSA8000的50Ω输入阻抗构成了一个分压网络,将CSA8000的输入信号衰减至略小于1VP-P。因此,该信号在仪表的最大输入范围之内。在电源以及比较器反相输入的2.5V基准处放置旁路电容。
图1. 测量MAX999比较器输出抖动的电路
CSA8000的随机性抖动规定为1.0ps RMS (典型值)和1.5ps RMS (最大值)。HP8082A脉冲发生器定义输出抖动为周期的0.1% + 50ps (峰值)。选择输出频率为80MHz,输出摆幅为1VP-P (终端匹配50Ω),中心点为2.5V。将脉冲发生器和CSA8000直接连接,能够测量7.7ps RMS的抖动。
送入上述输入信号时,图1电路可测量11.2ps的RMS抖动。考虑到电路的简单结构、严格的电源滤波和较低的EMI环境,可以假设MAX999和外围元件引入的主要抖动是随机性抖动。
假设脉冲发生器引入的抖动和MAX999的抖动不相干,可以根据
(RJ_PG)2 + (RJ_MAX999)2 = (RJ_MEAS)2
(式1)
图2提供了式1的参数。
图2. 按照这一流程图,可以推导出MAX999的抖动。已知HP8082A脉冲发生器有7.7ps RMS,在CSA8000测量到11.2ps RMS,利用式1推算MAX999的抖动。
从该式可以确定MAX999的RMS随机性抖动为8.1ps。
抖动测量的基本假设以及误差源
8.1ps RMS是对MAX999实际抖动的估算,如上所述,这一估算基于一定的假设条件,并受以下误差源的影响:- CSA8000的1ps RMS抖动对测量产生影响,导致9%的不确定性。
- 假设MAX999的抖动只与比较器本身以及周围电阻的热噪声的随机抖动有关,忽略了确定性抖动。
- 忽略了两个在MAX999反相输入提供2.5V电压的100Ω电阻的噪声(0.9nV/
),假设由并联电容构成的7kHz低通滤波器滤掉。 - 200Ω输出串联电阻产生的噪声(1.8nV/
)可能会形成另一误差源,因为它不受带宽的限制。但是,在下一节的讨论可以看出,与MAX999相比,它的影响也可以忽略。 - HP8082A脉冲发生器的抖动和MAX999的抖动不相干。
抖动和噪声的关系
随机性抖动是由MAX999和电阻热噪声(白噪声)引起的。请参考应用笔记3631:随机噪声对时序抖动的影响—理论与实践,了解随机性抖动和输入白噪声在放大器中相互作用的背景。在切换点,比较器和放大器的作用相似;特别是,比较器增益级使得两路输入不平衡时导致输出切换。应用笔记3631说明了随机性抖动的RMS值和白噪声与输入(正弦)信号摆率有关,由式2表示:
JitterRMS = VnRMS/SR
(式2)
HP8082A脉冲发生器带宽有限,使得80MHz脉冲表现为正弦波。对于正弦波,由式3给出接近过零点的摆率:
SR = A × 2 × π × ƒ
(式3)
其中,A是正弦波的振幅(本例中为0.5V或1VP-P),ƒ是频率(本例中为80MHz)。由此得出摆率大约为250V/µs = 250µV/ps。可以采用式4计算80MHz输入导致的电压噪声:
VnRMS = 250µV/ps × 8.1ps = 2025µVRMS
(式4)
200Ω串联电阻在同一带宽内产生的噪声为14.3µVRMS,可以忽略。因此,总的随机噪声主要来自MAX999本身。
结论
在某些应用中,采用比较器对高速正弦信号进行整形,以产生时钟信号,因此,了解比较器输出抖动指标非常重要。本应用笔记介绍了在使用非理想信号发生器时,怎样推导MAX999的输出抖动,讨论了测量限制及其误差源。最后,得出了输出抖动与输入参考电压噪声的关系。
上一篇:简单的、输出锁定的过流故障检测器,具有快速的响应时间
下一篇:TekExpress一致性自动测试平台为满足串行数据自动测试需求提供优秀的架构


