- 易迪拓培训,专注于微波、射频、天线设计工程师的培养
一种虹吸式传感器的降水量采集系统的设计方案
降水量是衡量一个地区降水多少的数据。它是指从天空降落到地面上的液态和固态(经融化后)降水,没有经过蒸发、渗透和流失而在水平面上积聚的深度,单位是毫米。
气象学中常有年、月、日、12 h、6 h甚至1 h的降水量,6 h中降下来的雨雪统统融化为水,称为6 h降水量,24 h 降下来的雨雪统统融化为水,称为24 h 降水量,一年中,降下来的雨雪统统融化为水,称为“年降水量”。单位时间的降水量称为降水强度,常用mm/h或mm/min为单位。单位时间的雨量称为雨强。
降水量资料提供了关于水分资源的依据,是国民经济建设、科学研究各部门,特别是农业、水利部门不可缺少的资料。其观测方法有人工观测和仪器自动记录两种。本设计实现了降水量的自动采集和数据统计功能,因其具备低功耗、高稳定性、高精度、可无人值守的特点,可应用于各种气象观测站。
1 硬件设计
1.1 方案设计的原理框图
降水量采集系统由降水量传感器、信号采集器和作为数据处理终端的计算机三部分组成。其组成与原理框图如图1所示。

1.2 降水量传感器
常用的降水量传感器有翻斗式和虹吸式两种。本设计采用的是R.M.YOUNG公司生产的50202 型虹吸式传感器,该传感器无活动部件,敏感器件为电容传感器。传感器的测量腔体和采集漏斗外部均有保温和加热装置,用于融冰或化雪。雨或雪通过采集漏斗进入测量腔体。测量范围为0~50 mm,测量精度为±1 mm,输出信号为0~5.00 V DC,对应0~50 mm的液位高度。
进行观测时,降水通过传感器的采集漏斗进入测量腔体,使测量腔体内的液位高度发生变化,液位高度的变化值即为观测时段的降水量。当传感器的液位高度达到50 mm 时,传感器自动产生虹吸,虹吸时间为30 s左右,虹吸后,传感器的液位高度回到零。
1.3 信号采集器
信号采集器由电源模块和数据采集板组成。电源模块为降水量传感器和数据采集板提供工作电源,数据采集板采集测量降水量传感器的0~5.00 V DC 输出模拟量信号,并将模拟信号转换为液位高数字信号发送给数据处理终端。
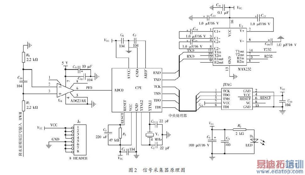
数据采集板原理图如图2所示。

数据采集板由中央处理器、模/数转换电路和RS 232 通信接口电路组成。中央处理器采用AVR系列单片机,该系列单片机具有高性能、低功耗的特点,处理器本身集成了10 位模/数转换器和可编程串行通信接口,这使得数据采集板的外围电路更为简单。模/数转换电路中采用的AD623 是一个集成单电源仪表放大器,它能在单电源(+3~+12 V)下提供满电源幅度的输出,AD623允许使用单个增益设置电阻进行增益编程,以得到良好的用户灵活性。在无外接电阻的条件下,AD623被设置为单位增益,外接电阻后,AD623可编程设置增益,其增益最高可达1 000倍 .AD623放大器对降水量传感器输出的0~5.00 V DC信号进行预处理,处理后接入中央处理器的模/数转换通道,对信号进行读取。RS 232通信接口电路采用了MAX232芯片,这是一款兼容RS 232标准的芯片,由于电脑串口RS 232的电平是-10~+10 V,而单片机应用系统的信号电压是TTL电平(0~+5 V),MAX232 就是用来进行电平转换的。
CPU 通过模/数转换通道读取到的液位高值再通过RS 232通信接口发送给数据处理终端。
1.4 数据处理终端
数据处理终端为安装有专用观测软件的PC机。专用观测软件用来自动统计计算和存储各时段(分钟、小时、天、月和年)降水量。作为数据处理终端的计算机通过串行接口与信号采集器连接,自动接收来自信号采集器的液位高数据。
2 软件设计
2.1 信号采集器软件
信号采集器软件由定时器子程序、模/数转换子程序和数据发送子程序构成。该软件由单片机C语言进行编制,实现了模/数转换通道定时读取,并通过可编程串行接口发送读取结果的功能。信号采集器软件流程图如图3所示。

2.2 数据处理终端软件
数据处理终端软件由获取本地时间子程序、数据接收及奇异值剔除子程序、降水量统计及存储子程序和降水强度统计及存储子程序构成。该软件由Qt4 进行编制,实现了观测地区降水量统计和降水强度统计的功能。软件流程图如图4所示。

在进行液位高数据奇异值剔除时,应充分考虑传感器虹吸、传感器内的积水挥发等各种不同情况,水挥发和传感器发生虹吸都会引起液位高度的减小,可将“传感器的虹吸时间为30 s左右”作为依据进行区别判断,并进行不同的数据处理。在进行分钟、小时、天降水量统计时,采用当前液位高度与基准液位高度进行差值计算的方法进行统计,而不采用分钟降水量的累计计算的方法。实际应用证明该方法可有效消除因传感器本身误差和模拟信号转化误差带来的累积误差。
3 结语
基于以上本方案所设计的降水量采集系统已于2012年3月在广东湛江进行了为期一个月的降水量比对试验。该采集系统维萨拉公司生产的雨量采集器安装在同一场地,将两者的采集数据和统计结果进行了对比,两者数据基本吻合。从而证实了本方案所设计的降水量采集系统具备低功耗、高稳定性、高精度、可无人值守的特点,可应用于各种气象观测站。
上一篇:如何管理模拟世界的大规模测量数据
下一篇:有源模拟滤波器的快速设计


