- 易迪拓培训,专注于微波、射频、天线设计工程师的培养
MTK平台手机重启问题的解决
目前在中国大陆市场有许多方案公司都是采用台湾MTK公司的MTK6226、MTK6225、MTK6223等芯片方案进行手机设计,但是不管使用综上的哪个方案平台射频IC都是使用MT6129和MT6139芯片来实现信号接收和发射等。
目前采用MTK平台开发的GSM单卡单待机器和双卡双待机器的设计过程中经常出现手机重启(重新搜索网络)的现象。
尽管中国工程师在手机RF方面的设计能力近年来不断提升,但具体RF设计过程中的一些“老大难”问题依然困扰着广大工程师。对于超外差变频、低噪声设计、PLL电路、本振电路、信号处理、电源管理等实际上是相互关联的,电路匹配和PCB布局布线也是解决重启问题的关键一步,这些都是和理论基础和经验积累分不开。当然,“老大难”还常常意味着我们将更多的增加研发成本和投入,因此我们需要有一些新思路和新方法来有效的解决此设计中存在的重启问题。
首先分析MTK平台手机产生重启的原因:
当MTK平台手机系统从睡眠状态到唤醒状态的时候,TCXO,CLKSQ&PLL 将在这个时间中断,将使TCXO的晶体时钟和PLL输出的信号产生谐波和噪声干扰,造成机器重启。
我这里所要介绍的是在MTK平台中解决重启问题的二种方法:
首先我们先分析一下MT6129 RF IC的基本工作原理
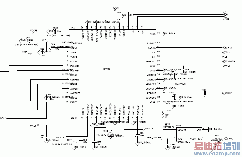
MT6129提供了GSM900/ DCS1800/ PCS1900MHz三频段的收发通道,包括接收电路、 发射电路 、频率合成电路(PLL)、本振电路和TX VCO以及相应的控制电路,通过这些电路的内部合成由MT6129 RF REFOUT脚直接输出信号到BBP SYSclk部分,正是由于输入到BBP SYSclk的关键信号我们才需要进一步的分析。具体电路框图请见图1。

图1:MT6129无线传输框图(点击放大该图)。
二、硬件电路的具体应用和实现说明

图2:RF6129具体应用电路。(点击放大该图)。

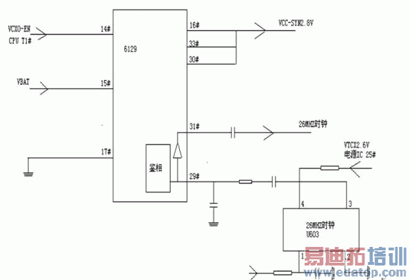
图3:MT6129内部简单原理框图。
26MHZ时钟由u603 4#输出送入MT6129的29#在6129内部分两路.一路经内部运算放大器放大从31#输出送入CPU(BB IC)的A2#作为主时钟.另一路作为基本脚参考频率送至内部的鉴相电路.但是如果从MT6129 31#或MT6139 22#输出的26MHZ主时钟信号存在杂波和噪声干扰将会使手机的信号接收不良造成机器重启。为了有效的解决此问题目前有二种解决方法:
第一种方法:

图4(点击放大该图)。
在22#处的输出线上增加一个39PF的电容,MT6139 22#输出时产生了一个高次谐波,加一个39P的电容就可以滤掉这个高次谐波这样就可以增加输出的滤波功能使输出的波形变的平滑减少谐波干扰。因此通过此种方式可以解决重启问题。
第二种方法:


图5(点击放大该图)。
将C209 1NF的电容换成Murata的磁珠BLM15HD182SNE,因为26MHZ的信号送入BB IC中存在噪声系数的干扰,正是因为这种干扰使的机器产生重启现象。
将电容换成磁珠(电感)主要是改善噪声系数干扰。
综上所述:
此二种解决方案都是滤除和改善高次谐波和杂波及噪声系数的干扰,同时这二种解决方案的差异在:第一种方式直接从RF IC REFOUT脚输出信号的时候滤除杂波,第二种方式通过磁珠使RF IC输出信号的噪声干扰降低使输出信号更平滑。如果在实际开发还处在EVT,DVT,PVT阶段时采用第一种方式比较理想.如果所开发的机器是在量产阶段请采用第二种方式比较好. 此两种解决重启问题的设计方案已经通过实际量产验证,值得推广。
参考文档:
1、 MT6129 RF Transceiver IC Data sheet
2、 MTK Design Changed Note for RF REFout to BBP Sysclk part
3、 MTK MT6129,MT6139,MT6140 REFout add 39P CAP Issue (2008 3 4,MTK/ WCP/HW)
4、 MTK WIREless RF Solutions (2005 722)


