- 易迪拓培训,专注于微波、射频、天线设计工程师的培养
电桥测量基础(图)
电桥是精密测量电阻或其他模拟量的一种有效的方法。本文介绍了如何实现具有较大信号输出的硅应变计与模数转换器(ADC)的接口,特别是Σ-Δ ADC,当使用硅应变计时,它是一种实现压力变送器的低成本方案
硅应变计
硅应变计的优点在于高灵敏度,它通过感应由应力引发的硅材料体电阻变化来检测压力。相比于金属箔或粘贴丝式应变计,其输出通常要大一个数量级。这种 硅应变计的输出信号较大,可以与较廉价的电子器件配套使用。但是,这些小而脆器件的安装和连线非常困难,因而增加了成本,限制了它们在粘贴式应变计应用中 的使用。
不过,用MEMS工艺制作的硅压力传感器却克服了这些弊病。这种MEMS压力传感器采用了标准的半导体工艺和特殊的蚀刻技术。这种特殊的蚀刻技术可 选择性地从晶圆的背面除去一部分硅,从而生成由坚固的硅边框包围的、数以百计的方形薄膜。而在晶圆的正面,每一个小薄膜的每个边上都植入了一个压敏电阻, 用金属线把小薄片周边的四个电阻连接起来就形成一个惠斯登电桥。最后,使用钻石锯从晶圆上锯下各个传感器。这时,硅传感器已经初具形态,但还需要配备压力 端口和连接引线方可使用。这些小传感器便宜而且相对可靠,但受温度变化影响较大,而且初始偏移和灵敏度的偏差很大。
压力传感器实例
在此给出一个压力传感器的实例,其所涉及的原理适用于任何使用类似电桥的传感器。公式1给出了一个原始的压力传感器的输出模型。其中,VOUT在给定压力P下具有很宽的变化范围,不同传感器在同一温度下,或者同一传感器在不同温度下,其VOUT都 有所不同。因此要提供一个一致的、有意义的输出,每个传感器都必须进行校正,以补偿器件之间的差异和温度漂移。长期以来,校准都是通过模拟电路进行的。然 而,现代电子学的进展使得数字校准比模拟校准更具成本效益,而且其准确性也更好。此外,利用一些模拟技术“窍门”,可以在不牺牲精度的前提下简化数字校准。
VOUT=VB(PS0(1+S1(T-T0))+U0+U1(T-T0)) (1)
式中,VOUT为电桥输出,VB是电桥的激励电压,P是外加压力,T0是参考温度,S0是T0温度下的灵敏度,S1是灵敏度的温度系数(TCS),U0是在无压力情况下电桥在温度T0时的输出偏移量(或失衡),而U1则是偏移量的温度系数(OTC)。公式(1)使用一次多项公式来对传感器进行建模,而有些应用场合可能会用到高次多项公式、分段线性技术或者分段二次逼近模型,并为其中的系数建立一个查寻表。无论使用哪种模型,数字校准时都要对VOUT、VB和T进行数字化,同时要采用某种方公式来确定全部系数并进行必要的计算。公式(2)由公式(1)变化所得,从中可清楚地看到,通过数字计算(通常由微控制器(MCU)执行)而输出精确压力值所需的信息。
P=(VOUT/VB-U0-U1(T-T0))/(S0(1+S1(T-T0)) (2)
电压驱动
|
|
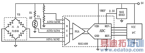
| 图1 该电路直接测量计算实际压力所需的变量(激励电压、温度和电桥输出) |
在图1所示的电路中,一个高精度ADC先对VOUT (AIN1/AIN2)、温度(AIN3/AIN4)和VB (AIN5/AIN6)进行数字化,这些测量值随后被传送到MCU,在那里转换成实际的压力。电桥直接由电源驱动,电源同时也为ADC、电压基准源和 MCU供电。电阻公式温度检测器Rt用来测量温度,ADC内的输入复用器同时测量电桥、RTD和电源电压。为确定校准系数,整个系统(或至少是RTD和电 桥)被放到恒温箱里,在多个不同温度下进行测量。测量数据通过测试系统进行处理,以确定校准系数,最终的系数被下载到MCU并存储到非易失性存储器中。
设计该电路时主要考虑的是动态范围和ADC的分辨率,最低要求取决于具体应用和所选的传感器和RTD的参数。 在本例中,传感器的具体参数如下。
系统规格
· 满量程压力:100psi
· 压力分辨率:0.05psi
· 温度范围:-40~+85℃
· 电源电压:4.75~5.25V
压力传感器规格
· S0 (灵敏度): 150~300μV/V/psi
· S1(灵敏度的温度系数): 最大为-2500×10-6/℃
· U0 (偏移): -3~+3mV/V
· U1 (偏移的温度系数): -15~+15μV/V/℃
· RB (输入电阻): 4.5kΩ
· TCR (电阻温度系数): 1200×10-6/℃
· RTD: PT100
o α: 3850×10-6/℃
o -40℃时的阻值: 84.27Ω
o 0℃时阻值: 100Ω
o 85℃时阻值: 132.80Ω
电压分辨率
ADC能够接受的最小电压分辨率可根据传感器能够检测到的最小压力变化所对应的VOUT得到。极端情况为使用最低灵敏度的传感器,在最高温度和最低供电电压下进行测量。注意,公式(1)中的偏移项不影响分辨率,因为分辨率仅与压力响应有关。使用公式(1)以及上述假设可得:
VOUTmin=4.75V×(0.05psi/count×150μV/V/psi×(1+(-2500×10-6/℃)×(85℃-25℃))
≈30.3μV/count
所以,最低ADC电压分辨率为30μV/ count。
ADC的输入范围
ADC的输入范围取决于最大输入电压和最小电压。根据公式1,产生最大VOUT的条件:最大压力100psi、最低温度- 40℃、最大电源电压5.25V和3mV/V的偏移、-15μV/V/℃的偏移温度系数、-2500×10-6/℃的TCS以及 300μV/V/psi的最高灵敏度。最小信号一般都在无压力(P=0),电源电压为5.25V、-3mV/V的偏移、-40℃的温度以及OTC等于+ 15μV/V/℃的情况下出现。
再次使用公式(1)以及上述假设可得:
VOUTmax=5.25V×(100psi×300μV/V/psi×(1+(-2500×10-6/℃)× (-40℃-25℃))+3mV/V+(-0.015mV/V/℃)×(-40℃-25℃))=204mV
VOUTmin = 5.25×(-3mV/V + ( 0.015mV/V/℃×(-40℃-25℃)))=-21mV
因此,ADC的输入范围是-21~+204mV。
分辨率
适用于本应用的ADC应具有-21~+204mV 的输入范围和30μV/count的电压分辨率。该ADC的编码总数为(204mV + 21mV)/(30μV/count)=7500,动态范围稍低于13位。如果传感器的输出范围与ADC的输入范围完全匹配,那么一个13位的转换器就可 以满足需要。由于-21~+204mV的量程与通常的ADC输入范围都不匹配,因此要么对输入信号进行电平移动和放大,要么选用更高分辨率的ADC。幸运 的是,当前Σ-Δ转换器的分辨率很高,具有双极性输入和内部放大器,使高分辨率ADC的使用变为现实。这些Σ-ΔADC提供了更为经济的方案,而不需要增 加其他元器件。这不仅减小了电路板尺寸,还避免了放大和电平移位电路所引入的漂移误差。
工作于5V电源的典型Σ-Δ转换器,采用2.5V参考电压,具有±2.5V的输入电压范围。为了满足我们对于压力传感器分辨率的要求,这种ADC的 动态范围应当是:(2.5V - (- 2.5V)) /(30μV/count)=166 667,这相当于17.35位的分辨率,很多ADC都能满足该要求,例如18位的MAX1400。如果选用SAR ADC,则产生很大的浪费,因为这是将18位转换器用于13位应用,且只产生11位的结果。然而,选用18位(17位加上符号位)的Σ-Δ转换器更为现 实,尽管三个最高位其实并没有使用。因为除了廉价外,Σ-Δ转换器还具有高输入阻抗和很好的噪声抑制特性。
18位ADC可以用内置放大器的低分辨率转换器来代替,例如16位的MAX1416。其8倍的增益相当于将ADC转换结果向高位移了3位,从而利用 了全部的转换位并将转换需求减少到15位。不过要选用无增益的高分辨率转换器,还是有增益的低分辨率转换器,就要看具体情况下的增益和转换速率下的噪声规 格。Σ-Δ转换器的有效分辨率通常受到噪声的限制。
温度测量
如果测量温度仅仅是为了对压力传感器进行补偿,那么温度测量不要求十分准确,只要测量结果与温度的对应关系具有足够的可重复性即可,这样将会有更大 的灵活性和较宽松的设计要求。对于硅压力传感器,有三个基本的设计要求:避免自加热,具有足够的温度分辨率,保证在ADC的测量范围之内。
使最大Vt电压接近于最大压力信号有利于采用相同的ADC和内部增益来测量温度和压力。本例中的最大输入电压为+ 204mV,考虑到电阻的误差,最高温度信号电压可保守地选择为+180mV。将Rt上的电压限制到+180mV也有利于避免Rt的自加热问题。一旦最大 电压选定,根据在85℃ (Rt=132.8Ω),VB=5.25V的条件下产生该最大电压可以计算得到R1。R1的值可通过公式(3)进行计算,公式中的Vtmax是RT上所允许的最大压降。温度分辨率等于ADC的电压分辨率除以Vt的温度敏感度。公式(4)给出了温度分辨率的计算方法。(注意:本例计算的是最小电压分辨率,是一种较为保守的设计。你也可以使用实际的ADC无噪声分辨。)
R1= Rt×(VB/Vtmax-1) (3)
R1=132.8Ω×(5.25V/0.18V-1)≈3.7kΩ
TRES=VRES×(R1 + Rt)2/(VB×R1×ΔRt/℃) (4)
这里,TRES是ADC所能分辨的摄氏温度测量分辨率。
TRES=30μV/count×(3700Ω+ 132.8Ω)2/(4.75V×3700Ω×0.38Ω/℃)≈0.07℃/count
0.07℃的温度分辨率足以满足大多数应用的要求。但是,如果需要更高的分辨率,有以下几个选择:使用一个更高分辨率的ADC;将RTD换成热敏电阻,或将RTD用于电桥,以便在ADC中能够使用更高的增益。
注意,要得到有用的温度结果,软件必须对供电电压的变化进行补偿。另外一种代替方法是将R1连接到VREF,而不是VB。这样可使Vt不依赖于VB,但也增加了参考电压的负载。
结论
硅压阻公式应变计比较高的输出幅度使其可以直接和低成本、高分辨率Σ-ΔADC接口。这样避免了放大和电平移位电路带来的成本和误差。另外,这种应变计的热特性和ADC的比例特性可被用来显著降低高精度电路的复杂程度。



