- 易迪拓培训,专注于微波、射频、天线设计工程师的培养
PIC16LF874单片机在电容测量模块中的应用
电容式传感器已广泛应用于工业、医学、军事等领城。但目前大部分电容测量方法集成化水平低、精度低,因而对电容特别是对微小电容的精确测量始终是一个很重要的内容。振荡法电路结构简单、抗干扰能力差,板间内电容影响测量结果;电桥法利用电桥平衡原理测量电容,测量结果受桥臂电容性能影响较大。本文用到美国Micmchip公司PICl6LF874单片机,该单片机采用RISC精简指令集、哈佛总线结构、流水线指令方式,具有抗干扰能力强、功耗低、高性能、价格低等特性。
1 PIC16LF874单片机
PIC16系列单片机采用精简指令集(Reduced InSTructiON Set Computer,RISC)结构,突破了传统单片机对PC机在结构上存在的自然依赖性;加上哈佛总线的存储器结构、两级流水线指令结构、单周期指令等技术,从而在单片机硬件结构上独辟蹊径,大大提高了系统运行的效率。除此之外,针对单片机机应用的特点,从功耗、驱动能力、外围模块设计等方面,PIC单片机也有一些独到之处,从而使得PIC成为一款方便实用的高性价比的单片机。
PIC16LF874系列单片机包括一系列不同型号的器件。主要特点有:
1)精简指令集技术 PIC指令系统是专门根据小型机特点设计的,力求每一条指令达到更高的效率,减少指令功能的重复。高中低档的门PIC单片机指令数分别为58条、35条和 33条。这就带来了两方面的好处,一方面可以使代码的利用率大大提高,有利于提高执行速度。另一方面给用户学习、记忆和应用带来了极大的好处,编程和调试相对就更加容易,而且同样的功能所需的编码减少,节约了开发时间。
2)哈佛(Harvard)总线结构 哈佛结构是程序存储器和数据存储器独立编址,即两者位于不同的物理空间。PIC系列单片机不仅采用哈佛体系结构,而且采用哈佛总线结构,从而充分发挥了哈佛结构的潜在优势。大大提升了系统的运行效率和数据可靠性。
3)单字节指令 单字节指令对单片机系统是革新性的变化。高中低档的PIC单片机的指令位数分别为16位、14位、12位。ROM和RAM的寻址相对独立,所有的指令实现了单字节化,不仅使数据的存取更加安全,其运行速度也得到了显著的提高。
4)两级流水线指令结构 由于采用了哈佛总线结构,在器件内部将数据总线和指令总线分离,并且采用了不同的总线宽度。当一条指令被执行时,下一条指令同时被取出,使得在每个时钟周期可以获得更高的效率。
5)寄存器组结构 PIC的所有寄存器,包括I/O端口、定时器和程序计数器等都采用RAM结构形式,并且只需要一个指令周期就可以完成访问和操作。
6)一次性可编程(OTP)技术 OTP可以实现产品上市零等待(Zero time to market),并且可以根据用户定制,满足特定需要。产品定制可以显著提高产品的生命周期,增强产品的市场竞争力。
7)功耗低 供电电压为2.0~5.5V,当使用4 MHz晶振,供电电压为3V时,耗电电流典型值不超过6 mA:当用32 kHz晶振,供电电压力3 V时,耗电电流典型值为20 mA,睡眠模式耗电电流更是低于lμA。
8)品种齐全、方便选择 PIC系列单片机目前已形成具有高、中、低3档共50多种型号的庞大家族,功能灵活多样,能适应多种应用场合的不同需要。
2 电容测量模块工作原理
电容测量模块总体设计原理框图如图l所示,包括电源管理电路、PICl6LF874单片机、电容式传感器、信号调理电路、PS021电容数字转化器以及与计算机连接的接口电路。

图1 电容测量模块原理图
电容测量模块工作原理为:电容式传感器输出微弱的电容信号,电容信号通过信号调理电路。进入PS02l型电容数字转换器,该器件的测量电容测量范嗣从0到几十nF(无限制),经过器件内部转换,通过对PS02l内部寄存器的设置,得到需要的值;通过SPI把数据传送到PICl6LF-874单片机,测得的数据再通过单片机异步串行通信接口USART送到上位机(计算机),最后由上位机应用程序来显示测量结果以及保存测试数据。
3 系统硬件连接
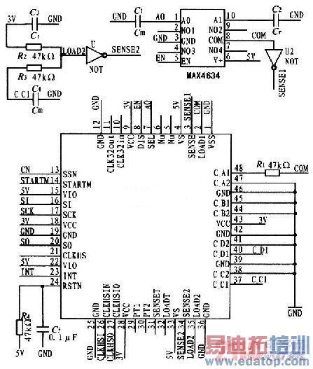
本测量电路需要控制器件来控制数据的读取和写入,选用结构简单,功能强大,并且兼容SPI串行接口的PICl6LF874单片机。由于PS02l的外围接口是SPI,因此单片机能很好的控制PS02l工作,同时测量数据可以通过USART串行接口送入到上位机中。单片机的连接如图2所示,PS02l的连接图如图3所示。

图2 PIC16LF874单片机的连线

图3 PSO21测量电容连线
4 系统软件功能的实现
基于PS021设计的应用软件包括检测、控制、数据处理、数据库管理和系统界面等程序。在程序运行速度和存储容量许可的条件下,尽量用软件实现传统仪器系统的硬件功能,简化硬件配置。此外,界面是测试系统和虚拟仪器的“窗口”,是系统显示功能信息的主要途径。软件设计不仅要实现功能,而且要界面美观。在确定测试系统的硬件平台后,关键是选择合适的软件开发工具编写相应的应用软件。以图形化编程语言开发该测试模块。该开发环境能提供一个集成的开发环境,与仪器硬件连接方便,具有良好的用户界面。根据上位机应用程序设计的原理,得到测试系统的软件,通过在软件的主界面设置一些参数,硬件电路和上位机相连,就能显示测量结果。测量结果在数据显示界面显示,如图4所示。

图4 测量数据显示页面
5 试验与结果
运用上述软件测量。在测量之前,必须对测量系统进行标定,标定时PS02l要求参考电容Cref与被测电容Cmeas在同一电容值范围,即确保 Cmeas/Cref比率不会超过25%(PS02l的极限值)。参考电容是一个非常重要的部分,对于测量的质量以及测量的温度稳定性有直接的影响。推荐的电容材料:CFCAP(太阳诱电Taiyo Yuden公司的多层陶瓷电容)系列,COG或者NPO陶瓷电容。放电电阻Rdis与放电时间密切相关,放电时间τ=0.7R(C+20 pF),时间常数τ范围为2~10μs(推荐5μs)。根据公式计算之放电电阻阻值。
试验中,分别选取1、2、3、5.1、6.8、8.2、9.1、12、13、15、16.5、18 pF的固定电容作为被测电容。根据被测电容的范围确定参考电容的大小,然后根据被测电容和参考电容值,并结合放电时间来确定放电电阻阻值,最后选择适当的测量模式进行测量。在标定好的系统下,在参考端和被测端分别接一只参考电容,此时在数据显示界面显示的值为参考电容值以及寄生电容值的和(图3中 Sensor l显示的数据);然后在被测端参考电容的基础上再并联被测电容,此时测得的数据为被测电容值、参考电容值以及寄生电容值的总和,以上两步所测值相减就是被测的电容值,最后得到的被测电容值统计如表l所示。

表1反映了被测电容测量值和标称值之间的相对误差,同时也得知被测电容电容值越大,测量值和标称值相对误差越小。由于被测电容受到环境温度、焊锡量多少以及被测电容质量等因素的影响,存在一定的误差。通过多次测量进行平均,以获取更稳定的电容值。在标定好的系统下,对固定电容进行测量来验证测量模块的精确度,测量值和标称值非常接近,可认为被测电容标称值误差较小,进一步得知电容测量模块测量精度较高。
6 结束语
PlCl6LF874单片机能够很好的控制电容测量模块,对研究电容式传感器有很好的促进作用,该单片机简化了电路设计,使测量结果达到较高的精度;同时这种测量模块可以减小电路板的体积,从而减小整个装置的体积;大大简化了电路设计过程、降低产品的开发难度、对加速产品的研制、降低生产成本具有非常重要的意义。实验结果证明,此测量模块具有较好的实用性。


