- 易迪拓培训,专注于微波、射频、天线设计工程师的培养
应对5G WiFi新一代无线测试的挑战
被业界认为是第五代WiFi的802.11ac正在呼之欲出,它与之前的WiFi标准制式有哪些方面的不同,为什么会被业界如此看好,让我们先来了解一下WiFi和WLAN的历史。
无线局域网(WLAN)推行之初被普遍认可的两个国际标准是IEEE802.11a和802.11b。最初设计这些标准的目的是为满足便携式电脑在家和办公室环境中可随意移动的要求。随后,在一些机场、酒店、咖啡屋和购物广场也开始允许通过无线接入(商业命名为Wi-Fi),随时随地上网、查询电子邮件等,扩展了无线宽带的功能。虽然无线宽带连接的数据速度曾经很有限,例如,802.11a在5 GHz频段可提供的最高速率是54 Mbps,而 802.11b在2.4 GHz只有11 Mbps,但这两个频段都是免费的,即不需要授权的。为了尽量减少来自其它同频设备的干扰,这两个标准都采用了扩频传输技术和比较复杂的编码技术。2003年, IEEE(美国电气及电子工程师学会)颁布了802.11g,依旧工作在2.4 GHz频段,但是数据速率可以达到54 Mbps。与此同时,一种新的应用模式即在家庭和小型办公室里可连接多个设备并在设备间进行数据共享,对无线局域网的数据传输速率提出更高要求,从而使得一个新的研究项目应运而生,这就是于2009公布的802.11n的由来。为了使单信道的数据速率最高可以超过100 Mbps,在802.11n标准中引入的MIMO (即多输入-多输出,或空间数据流)技术,利用物理上完全分离的最多4个发射和4个接收天线,对不同数据进行不同的调制/解调,来达到传输较高的数据容量的目的。
在表1中例举出了当前一些比较超前的应用模式,这些模式需要更高的数据传输量来支持“无线办公”的要求。
表1,新型WLAN应用模式
种类 | 使用模式 |
无线显示 | · 台式机的存储和显示 · 会议室或礼堂电视或投影仪连接 · 室内游戏 · 摄像机到显示器的媒体播放 · 专业高清电视播放显示 |
分布式高清电视 | · 家庭内视频传播 · 大型运输设备内部应用(如飞机,轮船等) · 办公室内无线网络 · 远程医疗 |
快速上传和下载 | · 快速文件传输/同步 · 图像浏览 · 飞机停靠时相关数据的传输(如旅客名单,油量,餐食等等) · 向移动设备下载电影 · 警用监控数据传输 |
回程 (Backhaul) | · 多媒体网络回程传输 · 点对点的回程传输 |
室外广场或室内礼堂 | · 室外的视频演示/室内礼堂的远程视频(远地视频)传输 · 公共安全网络 |
制造平台 | · 自动化测试 |
为了满足以上这些需要,IEEE内部设立了两个项目工作组,以“极高吞吐量(Very High Throughput)”为目标进行立项研究。其中一个工作组 (Working Group) TGac是以802.11n标准为基础并进行扩展,制定出802.11ac,即在5GHz的频段上,数据吞吐量目标为:在单通道链路上的最低速率为500 Mb/s,最高可达到1Gbps。另一个工作组 TGad与无线千兆比特联盟(Wireless Gigabit Alliance)联合提出802.11ad的标准,即在60GHz的频段上使用大约2 GHz频谱带宽,这一尚未使用的频段可以在近距离范围内实现高达7 Gbps 的传输速率。(60GHz频率的载波穿透能力差,信号衰减严重,传输距离与覆盖范围都受到限制)。另外还有与现有设备的兼容性,在相同频段上与现有标准的后向兼容都是标准组织“必须”考虑的问题。802.11系列标准的目标之一就是后向兼容,对于802.11ac和ad来说主要考虑媒介控制层(MAC)或数据链路层与之前的标准的兼容性,而不同的只能是物理层上的特性。 (如图1)。 对于WLAN的设备可以支持三种无线制式:一般用途的使用在2.4GHz频段,但会受到同频干扰的问题,更稳定和较高速率的应用在5 GHz频段,使用60GHz频段用于室内的超高速率的应用,同时还能支持在这三种制式之间的转换。这两个新的标准目前都有技术草案。802.11ad的标准计划于2012年底完成,而208.11ac于2013年底完成。不管怎样,预计依照这些草案标准而设计的产品都会先于最终标准在市场上出现。
由于这两个标准分别基于5GHz 和60 GHz,将会体现在物理层的属性完全不同,所以,本片文章主要是针对802.11ac进行介绍。
802.11ac与802.11n的技术区别
802.11ac的物理层是对802.11n标准的延续,而且要满足后向兼容。下面我们来着重探讨一下在802.11ac上的变化。表2列出802.11n的物理层的主要特点,表3则列出了在802.11ac上主要扩展的方面。理论上说802.11n在使用了40MHz带宽和4个空间流可以达到最高600 Mbps的数据速率,尽管目前很多无线设备只能支持2路空间流。对于802.11ac来说,理论上使用160 MHz带宽,8个空间流,MCS9编码,256QAM调制,最高速率能达到6.93 Gbps。而真正可以使用的数据速率大概是1.56 Gbps。
表2,IEEE802.11n 主要特性
特征 | 必选项 | 可选项 |
传输方式 | OFDM | |
信道带宽 | 20 MHz | 40 MHz |
FFT 大小 | 64 | 128 |
数据子载波/导频个数 | 52/4 | 108/6 |
子载波间隔 | 312.5 kHz | |
OFDM符号持续时间 | 4 us (800 ns,ぜ涓簦 | 3.6 us (短,ぜ涓) |
调制方式 | BPSK,QPSK, 16QAM,64QAM | |
前向纠错编码 | 二进制卷积编码(BCC) | 低密度奇偶校验编码 (LDPC) |
编码速率 | 1/2, 2/3, 3/4, 5/6 | |
MCS支持 | 0 到7, 0 到15 用于接入点 | 8到76, 16 到76用于接入点 |
空间流和 MIMO | 1,2用于接入点 直接映射 | 3或4, 发射波束赋形,时空块编码 |
运行模式/PPDU 格式 | HT/non-HT(802.11a/b/g)/ Mixed HT-mixed(802.11a/b/g/n) | Greenfield/HT-Greenfield(仅802.11n) |

表3, IEEE802.11ac 的主要特性(黑体字是ac新增加的)

如图1.所示,这是在美国地区针对新宽带信道需求的一个频谱的图,其中也包括了一个80+80MHz的非连续带宽的模式。主要原因是从5490 MHz到5730 MHz的这段频谱中有一部分已经被气象雷达占用,为了避免相互的干扰,只能选用不连续的两个80 MHz带宽组合成160 MHz的带宽。这两种情况都被列入标准中作为可选项。

图1. IEEE 802.11 ac在美国地区的频带分布
802.11ac对于20和40 MHz带宽的定义与802.11n是一致,即子载波和导频数和它们的位置都不变,这也是这两种标准相兼容所必须的条件。对于802.11ac标准中新的内容,不管是80MHz,160MHz还是80+80 MHz,与80 MHz有着同样的定义方法,只不过后两者考虑是的是2个80 MHz信道的载波分配。
从帧结构上看,802.11ac的系统能够探测接入设备的帧结构里所包含的前导码(preample)和导频信号 (pilot),来区分接入设备使用的是何种标准,并自适应,这就是后向兼容。802.11n和802.11ac的帧结构如下图 (图2)。

图2. 802.11n 与802.11ac的帧结构的对比
从这两个帧结构里可以看到,最前面的3个部分:短码部分(short training field-STF),长码部分(long training field-LTF)和信号部分(signal field-SIG) 是用来兼容现有标准的(即802.11a/b/g/n),也就是它们都有一个开头字母L,代表的Legacy的含义。第四个部份VHT-SIG-A第一个码字是BPSK调制信号,而第二个码字则旋转了90°,为QBPSK,用来区分HT 和VHT模式。在802.11ac中的VHT-STF用来改善在MIMO传输中的自动增益控制。紧跟在VHT-STF后面的是VHT-LTF,即长训练序列,它为接收机提供了在发射天线和接收天线之间进行MIMO预估信道测算的比特。根据空分码流的总数可以分为1,2,4,6 或者8 个VHT-LTF。在802.11ac中,1, 2 或者4个VHT-LTF进行直接映射,又增加了6或者8个VHT-LTF用于最大8 个空分码流的应用。VHT-SIG-B描述了所要传输的数据长度、调制方式和编码方式(即MCS)是单个用户还是多用户的模式。
802.11ac的测试需要
表4中列举了802.11ac标准规范中对发射机和接收机的测试要求,这些要求跟802.11n很类似,并增加了一些针对802.11ac的新的测试项目和规范。这些规范目前还在不断地完善过程中, 针对发射机的测试规范请参见章节22.3.19, 针对接收机的规范可参见章节22.3.20. 除此之外,还要考虑通过产品设计的功能测试和性能测试,以保证产品的性能和互通性等。
表4, 802.11ac的发射机和接收机的测试要求

802.11ac对设计和测量的挑战
802.11ac的一些新的特性使得测试这些产品出现新的挑战,256QAM技术要求在接收和发射电路中有良好的矢量误差(EVM),在星座图测量中要求也更为复杂、精确。矢量信号分析设备,安捷伦89600 VSA软件提供了详细分析802.11 ac信号矢量信号的分析,以便洞察其信号出错情况,做出更好的调整和更改,同时还支持4x4的MIMO测量。
另一个测量挑战出现在测量数字预失真(DPD),为了改善失真,需要产生和测量占用带宽高出3-5倍带宽范围内的功率放大器的线性特征。安捷伦SystemVue W1716 DPD Builder软件能够提供一个自动数字线性失真设计测试应用。该软件产生一个激励波形,下载到信号源,信号源产生的信号通过功率放大器后使用信号分析仪接受放大后的信号,并将信号解调出来,传输给测试电脑,软件通过对比激励波形和接收到的波形判断失真情况,从而达到测量和分析功能。如下图:

图3. 数字预失真构建的系统配置图

图4. 数字预失真的实例
图4显示了一个802.11ac 80MHz信号经过预失真的实例。绿色波形是发射的激励信号,蓝色波形是没有经过预失真处理的从功放输出的信号,而红色波形是经过预失真的结果。
设计和研发中更具挑战的是如何能产生和分析802.11ac这样更宽的信号。尤其在考虑器件测量、发射机测量和接收机测量时,常常用到80MHz 和160MHz的宽带信号。
由于许多RF信号发生器并不具有足够高的采样率,要达到最低2倍过采样的基本要求,在产生80MHz带宽信号时,由于混叠现象会在信号上产生“鬼影”。然而,采用合适的滤波器和对波形文件进行过采样这项技术,就能够产生具有良好频谱特性和EVM的80MHz的信号。使用Agilent N5182A MXG或者E4438C ESG信号发生器就能满足以上需求。
要产生160MHz的信号,则要利用一个宽带的任意波形发射器(AWG),如Agilent 81180A, M8190A, 或者M9330A,利用它们产生模拟的I/Q信号,送到一个具有外部I/Q输入端的矢量信号发生器,如Agilent MXG, ESG 或者E8267D PSG 进行上变频,然后通过RF频率发射出来。同样,利用这种方式也可以产生80+80 MHz的信号,即在两个MXG或ESG里分别生成两个80 MHz的信号,然后在合并在一起成为一个160MHz带宽的RF信号。
而对于160MHz带宽的信号分析,则可以使用Agilent 89600 VSA软件配合Agilent N9030A PXA信号分析仪,M9392A PXI微波矢量分析模块,M9202A PXI Digitizer,或者Agilent 示波器这些硬件前端进行分析。M9392A可以分析的信号带宽达到250 MHz, 而M9020A可以达到800MHz。 示波器可分析的信号带宽则更宽,可以达到1GHz以上。这些宽带分析仪能够满足数字预失真的测试应用,也就是通常意义上要求的测试信号的带宽是被测信号带宽的3到5倍。
对于MIMO设计的测试检验也是另一挑战。MIMO功能性的优劣取决于对802.11设备的设计功能要求。多信道信号的产生和分析有助于更加深入地了解MIMO设备的内在性能,并且可以帮助设计工程师进行故障查找和设计检验等。
对于MIMO接收机的测试, Agilent 的SystemVue WLAN 仿真库和信号波形产生软件(Signal Studio) 都可以产生MIMO信号。在硬件平台上,可以同步多台Agilent MXG或者ESG信号源仿真MIMO发射机输出多通道的信号。信道衰落的作用也可以包含在波形文件里,进行仿真并提供给接收天线。对于MIMO发射机的测试,可以使用Agilent的Infiniium 或者Infiniivisiion 示波器配合89600B VSA分析软件,可以分析多达4个信道的MIMO信号,具体包括每个信道的EVM和IQ测量结果,以及交叉矩阵,如频率响应和信道特性等。Agilent 还提供了基于PXI系统的模块化测试仪,包括M9392A PXI微波矢量测试模与M9202A数字处理模块和下变频模块可以处理分析高达1GHz分析带宽信号。

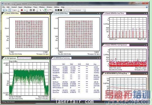
图5.两个信道-MIMO信号的测量结果
图5显示的是用Agilent 示波器和VSA软件测试一个2-ch 802.11ac信号的结果。这个测试中的被测MIMO信号是用Signal Studio配合两台MXG信号源产生的。从图上可以看到两组信号流的EVM和IQ误差(中下部的图像)和频道响应(左下部的图像)同时显示的结果。
结束语
随着无线技术的发展,和人们对使用无线设备的体验的持续要求,对无线本地网的连接,也提出同样的要求:更快的速度和更宽的带宽。满足这些商业需求的同时,也增加对产品和保证规范各类产品性能及互联互通的国际标准的复杂性,对测试测量也提出了更高的挑战。要让VHT WLAN产品在主流市场上取得成功,综合的考虑设计和测量能力是非常重要的。从系统仿真工具,到能够支持80 和160 MHz信号带宽和256QAM调制信号的产生和分析的测量仪器,这些针对器件测量、发射机和接收机测量都非常重要。另外,以生产为设计指导方向的产品战略将全面帮助企业达到降低测试成本、设计并生产出满足商业用户需求的高性价比的产品。
上一篇:如何进行2.5G/3G核心网络测试
下一篇:下一代蜂窝测试技术


