- 易迪拓培训,专注于微波、射频、天线设计工程师的培养
PCB中防止共阻抗干扰的地线设计
电子电路中,共阻抗干扰对电路的正常工作带来很大影响。在PCB电路设计中,尤其在高频电路的PCB设计中,必须防止地线的共阻抗所带来的影响。通过对共阻抗干扰形式的分析,详细介绍一点接地在电子电路中,特别是在高频电路中对共阻抗干扰的抑制作用,以及采用一点接地防止共阻抗应注意的问题。
同时对PCB板内地线布局的主要形式和要求进行了简要阐述。
0前言
在电子电路中,多数元器件都要通过地线形成回路,线设计合理与否,直接影响电路的工作。尽可能地降低由于地线设计不和理产生对信号传输的干扰。
在电路图中,接地常用符号
来表示,表示电路中的零电位,并用来作为电路的其他各点的公共参考点。电路的各点电压、电流和信号电平的大小均是以地线作为基准电压来表示的。在阅读电路图和理解电路工作状态时,常把地线和各接地点之间视作无电位差的零电位点。而在实际电路工作中,由于地线的阻抗(电阻、电感)的存在,会产生一定的电位差。这些电位差的存在,必然对电路的工作带来影响。在PCB设计中必须注意和消除地线阻抗的影响。
1地线对电路产生干扰的形式
1. 1全电流共阻抗干扰
如图1中,电路1和电路2通过公用地线AB与电源形成回路。线段AB可等效为一个电阻和电感的串联回路,因而形成共阻抗效应。在工作时,电路1、2的电流变动,将引起A点电位变化,使电路1、2相互产生干扰。如电路2有输出至电路3,干扰也将窜入电路3中,因此形成全电流共阻抗干扰。
例如有一段长为10cm,宽为1. 5cm的印制导线,其铜箔厚度为50微米,导线电阻为:

若ρ= 0. 02,则R约为0. 026Ω。当电路1工作在低频时,电路的交变电流为1A,则在这段印制导线上约产生0.026V的交变电压降而作用在电路2上。在高频时,地线的共阻抗干扰,主要以导线的电感为主。当一段导线长度远大于其宽度时,导线的自感量可按0. 8微亨/米计算。同样一段长10cm的导线,当其通过的工作频率为30MHz时,此段导线所呈现的感抗RL= 2πL≈16Ω。可见在频率升高时,导线的感抗将比导线本身的电阻要大几个数量级。即使导线中流过很小的高频电流,如为10mA,在导线上将产生0.16V的高频电压。因而,对于高频电路,在制作PCB时,印制导线要尽可能短,以减少导线感抗对电路带来的损耗与干扰。

图1地线共阻抗干扰
1. 2局部电流共阻抗干扰
如图2所示,当印制板采用环形地线,各接地元件按就近分散接地。这样末级的交流信号一部分通过地线AD形成回路,在导线AD上产生交流压降。
由于前级的晶体管发射极和基极与末级共用导线BC,在导线BC上产生共阻抗干扰。这种干扰是以局部电流的形式在公共地线上产生耦合,形成局部电流共阻抗干扰。

图2另一种共阻抗干扰
全电流共阻抗干扰主要存在于级与级之间。局部电流共阻抗干扰则是指部分和个别元件与导线的接地点不良而对其他电路引起的干扰。
2防止共阻抗干扰的方法
各级内部接地。各级内部接地是防止局部电流共阻抗干扰的主要方法。即有效地防止了本级的交流信号通过各接地元件而逸出至本级以外的电路中去,或其他电路的交流信号,通过本级的各接地元件而检拾进来。
无论对于低频、中频、还是高频各级电路,防止局部电流的共阻抗干扰,唯一有效的方法是采用一点接地。
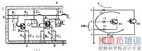
一点接地的形式如图3所示。图中将各级内部的接地元件,即本级电路的发射极基极和集电极的所有接地元件,均安排在一个接地点上与地线相接。
这样,就能有效地防止交流信号通过接地元件的发散和接收,使接地纯净。

图3一点接地
在实际电路中,各级的接地元件较多,不可能将这些元件同时穿入一个穿线孔内,而是将本级接地元件尽可能就近安排在公共地线的一段或一个区域内,如图4a所示。有时遇到元件体积限制或排列上的原因,就近安排有困难时,可采用图4b所示的接地形式,同样可达到一点接地的效果。

图4排版中的一点接地
3一点接地应注意的问题
3. 1本级接地元件的范围
本级接地元件的范围是指与本级晶体管直接连接,或是通过电容耦合的元件。由电感耦合的次级及元件不属于本级。如图5a、图5b所示。

图5分组检波器的一点接地
3. 2采用接地分支作一点接地
在元件不多、体积不大时,一点接地的布局比较好处理;在元件较多,且体积较大时可采用较长的接地分支。在排版中也可以沿印制版周围布设,但不应使其他级的元件接入此接地分支上,接地分支的远端不应再和其他地线相接。
3. 3一点接地也包括本级的板外元件在内
一点接地除了本级的板内元件外,还包括与本级直接或通过电容耦合的板外元件。这一点在PCB设计中常被忽略,而造成局部电流的共阻抗干扰。
3. 4高频电路的一点接地
高频电路的地线一般采用大面积覆盖接地,但这并不意味着各级内部元件的接地可以分散接地。
4板内地线布局
印制版内地线是用来连接电路各级或各部分之间的接地的。板内地线布局,主要应防止各级和各部分之间的全电流共阻抗干扰。
4. 1板内地线布局的要求
当板内的电路数量较多,地线的布局必须做到下列几点:
各部分的地线必须分开。
为消除或尽量减少各部分的公共地线段,总地线的引出点必须合理。
为防止各部分通过总地线的公共引出线而产生共阻抗干扰,在必要时可将某些部分的电路的地线单独引出。如图6a、图6b、图6c三种板内地线布局。

图6板内的三种地线布局。
4. 2板内地线布局的形式
并联分路式。如图7所示。这是采用并联分路式接地方式。板内的总地在印制板的右下角。对于板内的总地引出点,应根据板内地线布局统一考虑,要尽可能使总地选择在与各部分地线较近的点上,同时也要考虑使总地引至电源之间的地线较短。

图7板内的并联分路接地
在数字电路中,由于大量的触发器和门电路对干扰信号很敏感,各电路在开关状态时,会产生一定的脉冲干扰,使触发器和门电路产生误触发。这将直接影响电路工作的稳定,其可以按级、按工作状态或按一个集成块设计地线。
汇流条式:汇流条是条形对称传输线。由于其本身的厚度和宽度增加而使直流电阻下降,更主要的由于这种对称传输方式比单线传输具有良好的低阻抗特性,同时克服了单线传输时的电感分量对电路的影响。
大面积覆盖接地:在电路的工作频率较高和高速开关的数字电路中,地线不能采用条形分布,宜采用大面积覆盖的接地方式。
大面积覆盖地线(如图8所示)是当板内导线较多时,为避免接地受导线切断而影响接地效果,而采用双面印制版,其中一面为接地用。采用大面积接地,要防止各接地元件的局部电流耦合而造成共阻抗干扰。因而对各级元件布设要尽量以本级的晶体管、集成块为中心,元件按级集中,并在本级元件的中心部位设立接地区域。

图8大面种覆盖地线
一字形地线。当板内的级数不多时,可以采用一字形地线。各级电路可按先后顺序排列,每级电路的接地元件要相近接在地线上。板上地的引出点应放置在末级附近,如有引出至板外的输入、输出的要分开。
5结束语
总之,在PCB电路设计中,尤其在高频电路中必须重视共阻抗干扰的影响。只有通过良好的地线设计,合理的布局结构,才能保证电子电路工作稳定。以上对PCB电路设计中,防止共阻抗干扰的一些方法和对策作了系统总结,供PCB电路设计人员参考。
射频工程师养成培训教程套装,助您快速成为一名优秀射频工程师...
天线设计工程师培训课程套装,资深专家授课,让天线设计不再难...
上一篇:低功率芯片技术或影响整个芯片设计流程
下一篇:如何在PCB板上创建沟槽?

