- 易迪拓培训,专注于微波、射频、天线设计工程师的培养
RF电路设计讲座射频、微波天线技术探微
天线在无线电系统里的功能是什么呢?答案是,它是一个「门」、一个接口,透过它,射频能量可以从发射机辐射到外面世界;或从外面世界到达接收机。底下将讨论各种天线系统的技术。
天线特性
天线具有以下的特性和参数:
1. 辐射极场图型(radiation polar pattern):天线会向四周辐射电磁波,以天线为中心,电磁场在各方向的强度可以用图形描绘出来。
2. 指向性(directivity)
3. 效率
4. 增益
5. 等效面积
6. 相互性(reciprocity):也叫作Rayleigh-Carson定理。当电压E作用在A天线上,促使B天线产生电流I。此时,使用相同的电压E作用在B天线上,会在A天线上产生振幅和相位都相同的电流I。
7. 接收的噪声功率
8. 终端阻抗,包括辐射电阻。
9. 接收系统的效益指数(G/T):G是天线的增益,T是噪声温度(noise temperature)。天线的接收灵敏度和G/T值大小有关,若G/T愈高,表示天线对微弱讯号愈敏感,接收效果也愈好。「噪声温度」是很抽象的观念,它的定义应该用数学公式表示。但若要以纯文本描述的话,可以这么说:在一个通讯系统或被测组件里,当频率不变时,被动组件系统的温度会使每单位带宽的噪声功率(noise power)ρ增加,当被动组件系统的ρ值等于此通讯系统的ρ值时,所得到的温度就是「噪声温度」。请注意,被动组件是包含在此通讯系统或被测组件里面,有时此被测组件也被称作「网络的真正终端装置(actual terminals of a network)」。例如:一个单纯电阻的「噪声温度」就是此电阻的真正温度;但是,一颗二极管的「噪声温度」可能是此二极管(真正的终端装置)的真正温度(接脚测量到的温度)之数倍之多。噪声温度是以绝对温度(-273oC)为零度,单位是K(Kelvin )。
天线类型
辨别下列数种分类法有助于为天线分类:
*辐射元素
*反射器天线
*辐射元素数组
辐射元素包括:
*产生外场的电流天线
*拥有特定场分布的孔径天线(aperture antenna)
电流天线
电流天线的形式包含了:
*线形双极(wire dipoles)
*线形单极(wire monopoles)
*线形环路(wire loops)
*螺旋辐射器(helical radiators)
*槽型天线 (slot antenna,双线形天线)
*微带补片天线(microstrip patch antenna)
共振半波双极
线形双极具有普遍的外型与大小,如下图所示:
双极是双极数组的基本元素,一个圆柱状双极(cylindrical dipole)是大约在 l = 0。95(λ/2) 处共振。一个双极近共振的馈点电抗,大约与缩短过的四分之一波长的Z0 =1000奥姆之电线相同。等效传输的阻抗是天线大小的函数,如下图所示:
取得共振(X = 0),从正确的半波长缩短之百分比,显示如下。
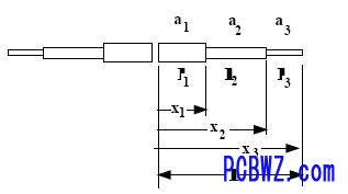
逐步缩减半径(step-tapered)之双极天线的自我阻抗,是和双极元素直接相关,这是由「套迭式管(telescoping tubing)」构成,如下图。套迭式管是一种使用在较大型天线中的物理设计,能在不产生过度风阻和增加额外重量的情况下,提供机械强度。
一般来说,圆柱状双极的全长具有相同的共振频率,而且一个渐缩的双极(tapered dipole)之电抗的斜率曲线,实质上是比较短的。亦即,一个逐步缩小的双极天线之全长必须要比较长一点,以达到相同的共振。为这个计算所导出的算法是一些参考书籍的主题,不在本文中谈论。可以利用这个算法来设计八木(Yagi)天线,在数值分析软件中,就含有这个算法。
射频工程师养成培训教程套装,助您快速成为一名优秀射频工程师...
天线设计工程师培训课程套装,资深专家授课,让天线设计不再难...
上一篇:RF电路设计讲座(5)射频转换函式和周期性固定噪声之特性介绍
下一篇:讯号路径设计讲座(7)高画质世界的频率挑战(II):系统应用观

