- 易迪拓培训,专注于微波、射频、天线设计工程师的培养
开关电源PCB布局布线教材
SIMPLE SWITCHER PCB布局指南
——美国国家半导体 1229 Sanjaya Maniktala
撰写关于PCB布局应用注释所遇到一个难题是,阅读文章的工程师并不是打算使用它的人。即使设计者在电磁场、EMC、EMI、电路板寄生效应、舆线效应、接地等作了很大努力。他很可能致力于主要的设计任务,而将布局的任务留给专门的CAD/布局人员。不幸地是,尤其是对于开关稳压器,仅考虑基本的布局,连接性和机械问题是远远不够的。设计师和CAD人员都需注意的是,开关电源转换器的设计与其布局的好坏紧密相关。这可以解释为什么接到大量的客房电话都涉及到开关电源的应用,它们最终都归结到糟糕的实际布局。其实这些问题在最初的原型电路板设计时就应该而且也可以避免,可以在各方面节省时间和金钱。
PCB设计的整个论题是个相当宽泛的课题,包括一些测试的,机械的,和生产的问题,同样也包括某种程度上的兼容和控制问题。如果可以理解得更清楚和更深入一些,还存在特定数量的物理和电磁问题。但是本应用注释的目的是面向那些最可能使用它的读者。尽管有经验的设计者/CAD人员已经具备了足够的设计信息,但本应用注释包含了一系列快速设定的清楚明了的基本规则,小心谨慎地遵循这些规格可以避免大量问题的出现。我们还特别提供应用LM267X,LM259X和LM257X系列时推荐的初始布局。关注的焦点是美国国家半导体的降压型SIMPLE SWITCHER芯片,但是相同的原理适合于任何拓扑结构和开关电源应用。
本应用注释讨论的大多数问题只是围绕着确保基本的电气功能达到所需的性能指标。幸运地是,正如烦恼的开关电源设计师将会很高兴的得知,通常所有涉及的电气性能都是相关联的,而且影响趋势具有相同的“方向”。举例而言,一个“理想”的布局不仅有助于正确地实现芯片功能,而且也能减少电磁辐射,反之亦然。例如,采用减少开关电流的环路面积将有助于提高EMI的指标和性能。然而设计师要注意,这种通常的“趋势”会存在一些例外。这里将会着重描述“覆铜”工艺,这将帮助减少寄生电感和减少噪声引起的IC问题,但这也会增加EMI。
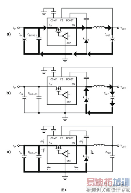
(降压)SIMPLE SWITCHER PCB布局规则的快速设定:
1、放置钳位二极管和输入电容,如图2所示;
2、对于高速器件(例如LM267x)不能遗漏放置输入退藕/旁路陶瓷电容(0.1μF-0.47μF),如图2所示;
3、如果有条件,将通孔连接到接地层(可选,在图2中标记“X”)
4、如果通孔落在表面贴装(SMT)的电源器件 焊盘下方,可以称它们为散热孔。使用正确的尺寸,可以避免出现生产问题。或者将通孔紧靠焊盘放置,但是不要直接置于其下方;
5、如讨论的那样,正确的布置反馈线,远离噪声源,如电感和二极管;
6禁止在开关节点上错误的增加铜箔宽度;
7、如果钳位二极管需要一个非常大的散热区(已经正确的预计散热区要求),如讨论所示,需要使用隔离。
8、对于更高功率的SMT应用,为了更少的铜箔面积而获得更少的散热管理,要求使用2盎司的电路板。

点击下载全文:SIMPLE SWITCHER PCB布局指南
射频工程师养成培训教程套装,助您快速成为一名优秀射频工程师...

