- 易迪拓培训,专注于微波、射频、天线设计工程师的培养
EMI/EMC设计讲座:传导式EMI的测量技术(上)
「传导式(conducted)EMI」是指部分的电磁(射频)能量透过外部缆线(cable)、电源线、I/O互连界面,形成「传导波(propagation wave)」被传送出去。本文将说明射频能量经由电源线传送时,所产生的「传导式噪声」对PCB的影响,以及如何测量「传导式EMI」和FCC、CISPR的EMI限制规定。
差模和共模噪声
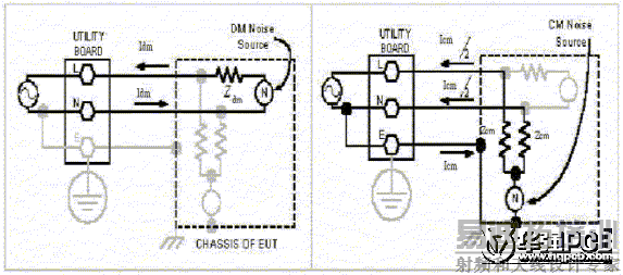
「传导式EMI」可以分成两类:差模(Differential mode;DM)和共模(Common mode;CM)。差模也称作「对称模式(symmetric mode)」或「正常模式(normal mode)」;而共模也称作「不对称模式(asymmetric mode)」或「接地泄漏模式(ground leakage mode)」。 由EMI产生的噪声也分成两类:差模噪声和共模噪声。简言之,差模噪声是当两条电源供应线路的电流方向互为相反时发生的,如图1(a)所示。而共模噪声是当所有的电源供应线路的电流方向相同时发生的,如图1(b)所示。一般而言,差模讯号通常是我们所要的,因为它能承载有用的数据或讯号;而共模讯号(噪声)是我们不要的副作用或是差模电路的「副产品」,它正是EMC的最大难题。从图一中,可以清楚发现,共模噪声的发生大多数是因为「杂散电容(stray capacitor)」的不当接地所造成的。这也是为何共模也称作「接地泄漏模式」的原因。
在图二中,L是「有作用(Live)」或「相位(Phase)」的意思,N是「中性(Neutral)」的意思,E是「安全接地或接地线(Earth wire)」的意思;EUT是「测试中的设备(Equipment Under Test)」之意思。在E下方,有一个接地符号,它是采用「国际电工委员会(International Electrotechnical Commission;IEC)」所定义的「有保护的接地(Protective Earth)」之符号(在接地线的四周有一个圆形),而且有时会以「PE」来注明。DM噪声源是透过L和N对偶线,来推挽(push and pull)电流Idm。因为有DM噪声源的存在,所以没有电流通过接地线路。噪声的电流方向是根据交流电的周期而变化的。
电源供应电路所提供的基本的交流工作电流,在本质上也是差模的。因为它流进L或N线路,并透过L或N线路离开。不过,在图二中的差模电流并没有包含这个电流。这是因为工作电流虽然是差模的,但它不是噪声。另一方面,对一个电流源(讯号源)而言,若它的基本频率是电源频率(line frequency)的两倍----100或120Hz,它实质上仍是属于「直流的」,而且不是噪声;即使它的谐波频率,超过了标准的传导式EMI之限制范围(150 kHz to 30 MHz)。然而,必须注意的是,工作电流仍然保留有直流偏压的能量,此偏压是提供给滤波抗流线圈(filter choke)使用,因此这会严重影响EMI滤波器的效能。这时,当使用外部的电流探针来量测数据时,很可能因此造成测量误差。

图一:差模和共模噪声

图二:差模和共模噪声电路
CM噪声源有接地,而且L和N线路具有相同的阻抗Z。因此,它驱动相同大小的电路通过L和N线路。不过,这是假设两者的阻抗大小相等。可以清楚地观察出,假使双方的阻抗不均衡(unbalanced),「不对称的」共模电流将分布在L和N线路上。这似乎是「用词不当」或与原定义不符,因为CM本来又称作「不对称模式」。为了避免混淆,此时的模式应该称作「非对称(nonsymmetric)模式」,好和「不对称模式」做区分。在大多数的电源供应电路中,在这个模式下所发出的EMI是最多的。
利用不等值的负载或线路阻抗,就能够有效地将CM电流转换成一部分是CM电流,另一部分是DM电流。例如:一个DC-DC转换器(converter)供应电源给一个次系统,此次系统具有不等值(不均衡)的阻抗。而且在DC-DC转换器的输出端存在着尚未被察觉的共模噪声,它变成一个非常真实的(差动)输入电压涟波,并施加给次系统。没有次系统内建的「共模拒斥率(common mode rejection ratio;CMRR)」可以参考,因为此噪声不完全是共模的。到最后,此次系统可能会发生错误。所以,在产生共模电流时,就要马上降低它的大小,这是非常重要的,是第一要务。使阻抗均衡则是第二要务。此外,由于共模和差模的特性,共模电流的频率会比差模的频率大。因此,共模电流会产生很大的射频辐射。而且,会和邻近的组件和电路发生电感性与电容性的耦合。通常,一个5uA的共模电流在一个1m长的导线中,所产生的射频辐射量会超过FCC所规范的B类限定值。FCC的A类规范限制共模电流最多只 能有15uA。此外,最短的交流电源线,依照标准规定是1m,所以电源线的长度不能比1m短。
在一个真实的电源供应电路里,差模噪声是被一个「摆动电流(swinging current)」,或「脉冲电流(pulsating current)」启动的。但是,DM噪声源很像是一个电压源。另一方面,共模噪声是被一个「摆动电压(swinging voltage)」启动的。但CM噪声源的行为却比较像是一个电流源,这使得共模噪声更难被消除。它和所有的电流源一样,需要有一个流动路径存在。因为它的路径包含底盘(chassis),所以外壳可能会变成一个大型的高频天线。
返回路径
对噪声电流而言,真正的返回路径(return path)是什么呢?
实体的电气路径之间的距离,最好是越大越好。因为如果没有EMI滤波器存在的话,部分的噪声电流将会透过散布于各地的各种寄生性电容返回。其余部分将透过无线的方式返回,这就是辐射;由此产生的电磁场会影响相邻的导体,在这些导体内产生极小的电流。最后,这些极小的返回电流在电源供应输入端的总和会一直维持零值,因此不会违反「Kirchhoff定律」—在一封闭电路中,过一节点的电流量之代数和为零。
利用简单的数学公式,就可以将于L和N线路上所测得的电流,区分为CM电流和DM电流。但是为了避免发生代数计算的错误,必须先对电流的「正方向」做一定义。可以假设若电流由右至左流动,就是正方向,反之则为负方向。此外,必须记住的是:一个电流I若在任一线路中往一个方向流动时,这是等同于I往另一个方向流动的(Kirchhoff定律)。
例如:假设在一条线路(L或N)上,测得一个由右至左流动的电流2μA。并在另一条线路上,测得一个由左至右流动的电流5μA。CM电流和DM电流是多少呢?就CM电路而言,假设它的E连接到一个大型的金属接地平面,因此无法测量出流过E的电流值(如果可以测得,那将是简单的Icm)。这和一般离线的(off-line)电源供应器具有3条(有接地线)或2条(没有接地线)电线不同,不过,在后续的例子中,我们将会发现对那些接地不明的设备而言,其实它们具有一些泄漏(返回)路径。
以图一为例,假设第一次测量的线路是L(若选择N为首次测量的线路,底下所计算出来的结果也是一样的)。由此可以导出:
IL = Icm/2 + Idm= 2μA
IN = Icm/2 - Idm= -5μA
求解上面的联立方程式,可以得出:
Icm = -3μA
Idm = 3.5μA
这表示有一个3μA的电流,流过E(这是共模的定义)。而且,有一个3.5μA的电流在L和N线路中来回流动。
再举一个例子:假设测得一个2μA的电流在一条线路中由右至左流动,而且在另一条线路中没有电流存在,此时,CM电流和DM电流为多少?
IL = Icm/2 + Idm= 2μA
IN = Icm/2 - Idm= 0μA
对上面的联立方程式求解,可得出:
Icm = 2μA
Idm = 1μA
这是「非对称模式」的例子。从此结果可以看出,「非对称模式」的一部分可以视为「不对称(CM)模式」,而它的另一部分可视为「对称(DM)模式」。
传导式EMI的测量
为了要测量EMI,我们必须使用一个「阻抗稳定网络(Impedance Stabilization Network;ISN)」。和ISN类似的LISN已被应用到离线的电源供应电路中,其全名是「线路阻抗稳定网络(Line Impedance Stabilization Network;LISN)」或「仿真的主要网络(Artificial Mains Network;AMN)」。如图三所示,那是一个简易的电路图。若产品想要通过「国际射频干扰特别委员会(International Special Committee on Radio Interference;CISPR)」所制定的「CISPR 22限制(limits)」规定,就必须采用符合CISPR 16规范所定义的LISN;CISPR 16是CISPR 22所参考的标准。

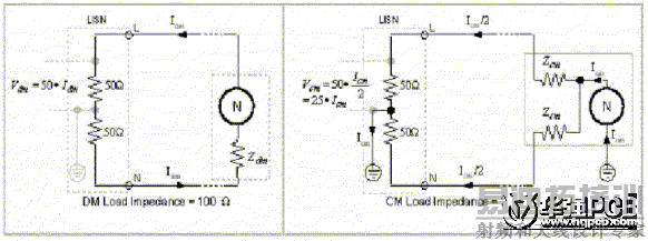
图三:一个CISPR LISN的简易电路图
使用LISN的目的是多重的。它是一个「干净的」交流电源,将电能供应给电源供应器。接收机或频谱分析仪可以利用它来读出测量值。它提供一个稳定的均衡阻抗,即使噪声是来自于电源供应器。最重要的是,它允许测量工作可以在任何地点重复进行。对噪声源而言,LISN就是它的负载。
假设在此LISN电路中,L和C的值是这样决定的:
电感L小到不会降低交流的电源电流(50/60Hz);但在期望的频率范围内(150 kHz to 30MHz),它大到可以被视为「开路(open)」。电容C小到可以阻隔交流的电源电压;但在期望的频率范围内,它大到变成「短路(short)」。
上面的叙述(几乎)是为真的。在图三中,主要的简化部分是,缆线或接收机的输入阻抗已经被包含进去了。将一条典型的同轴缆线连接到一台测量仪器(分析仪或接收机或示波器…等)时,对一个高频讯号而言,此缆线的输入阻抗是50奥姆(因为传输线效应)。所以,当接收机正在测量这个讯号时,假设在L和E之间,LISN使用一个「继电/切换(relay/switch)电路」,将实际的50奥姆电阻移往相反的配对线路上,也就是在N和E之间。如此就能使所有的线路在任何时候都能保持均衡,不管是测量VL或VN。
选择50奥姆是为了要仿真高频讯号的输入阻抗,因为高频讯号所使用的主要导线之阻抗值近似于50奥姆。此外,它可以让一般的测量工作,在任何地点、任何时间重复地进行。值得注意的是,电信设备的通讯端口是使用「阻抗稳定网络」,它是使用150奥姆,而不是50奥姆;这是因为一般的「数据线路(data line)」之输入阻抗值近似于150奥姆。

图四:对DM和CM噪 声源而言,LISN所代表的负载阻抗
为了了解VL和VN,请参考图四。共模电压是25Ω乘以流向E的电流值(或者是50Ω乘以Icm/2)。差模电压是100Ω乘以差模电流。因此,LISN提供下列的负载阻抗给噪声源(没有任何的输入滤波器存在):
CM负载阻抗是25Ω,DM负载阻抗是100Ω。
当LISN切换时,可以由下式得出噪声电压值:
VL=25ХIcm+50ХIdm 或 VN="25"ХIcm - 50ХIdm
这是否意味着只要在L-E和N-E上做测量,就可以知道CM和DM噪声的相对比例大小?
其实,许多人常有这样的错误观念:「如果来自于电源供应器的噪声大部分是属于DM的,则VL和VN的大小将会相等。如果噪声是属于CM的,则VL和VN的大小也会相等。但是,如果CM和DM的辐射大小几乎相等时,则VL和VN的测量值将不会相同。」
如果这样的观念正确的话,那就表示即使在一个离线的电源供应器中,L和N线路是对称的,但L和N线路上的辐射量还是不相等的。在某一个特殊的时间点,两线路上的个别噪声大小可能会不相等,但实际上,射频能量是以交流的电源频率,在两条线路之间「跳跃」着,如同工作电流一样。所以,任何侦测器测量此两条线路时,只要测量的时间超过数个电压周期,VL和VN的测量值差异将不会很大的。不过,极小的差异可能会存在,这是因为有各种不同的「不对称性」存在。当然,VL和VN的测量结果必须符合EMI的限制规定。
使用LISN后,就不需要分别测量CM和DM噪声值,它们是利用上述的代数公式求得的。但有时还是需要各别测量CM和DM噪声值,譬如:为了排除故障或诊断错误。幸好有一些聪明的方法可以达到各别测量的目的。我们举两个例子:
有一种装置称作「LISN MATE」,不过,目前已经很少被使用了。它会衰减DM噪声约50dB,但不会大幅衰减CM噪声(约仅衰减4dB)。它的电路如图五所示。
图六是一种以变压器为基础的装置,它是利用共模电压无法使变压器工作的原理;因为本质上需要差动的一次测电压,才能使变压器线圈内的磁通量「摆动(swing)」。它不像LISN MATE,此时CM和DM噪声是一起输出。
不过,上述的两种方法都需要修改LISN电路。因为一般的LISN只提供VL或VN,无法同时提供这两者。最好是购买CM和DM噪声有分离输出的LISN。此外,也应该要有总和检视的功能,以确定是否有遵守技术规范的限制。

图五:LISN MATE

图六:CM和DM分离器
*********************************************************************************
更多内容:
EMI/EMC设计讲座:传导式EMI的测量技术(下)
EMI/EMC设计讲座:印刷电路板的映像平面(上)
EMI/EMC设计讲座:印刷电路板的映像平面(下)
EMI/EMC设计讲座:映像平面的分割与隔离(上)
EMI/EMC设计讲座;映像平面的分割与隔离(下)
EMI/EMC设计讲座;多层通孔和分离平面的概念
射频工程师养成培训教程套装,助您快速成为一名优秀射频工程师...

