- 易迪拓培训,专注于微波、射频、天线设计工程师的培养
射频电路板布局布线原则与抗干扰设计分析
一、射频电路板设计
1、元器件的布局
由于SMT一般采用红外炉热流焊来实现元器件的焊接,因而元器件的布局影响到焊点的质量,进而影响到产品的成品率。而对于射频电路PCB设计而言,电磁兼容性要求每个电路模块尽量不产生电磁辐射,并且具有一定的抗电磁干扰能力,因此元器件的布局也影响到电路本身的干扰及抗干扰能力,直接关系到所设计电路的性能。故在进行射频电路PCB设计时除了要考虑普通PCB设计时的布局外,主要还须考虑如何减小射频电路中各部分之间的相互干扰、如何减小电路本身对其他电路的干扰以及电路本身的抗干扰能力。
根据经验,射频电路效果的好坏不仅取决于射频电路板本身的性能指标,很大部分还取决于与CPU处理板间的相互影响,因此在进行PCB设计时,合理布局显得尤为重要。布局的总原则是元器件应尽可能同一方向排列,通过选择PCB进入熔锡系统的方向来减少甚至避免焊接不良的现象;根据经验元器件间最少要有0.5mm的间距才能满足元器件的熔锡要求,若PCB板的空间允许,元器件的间距应尽可能宽。对于双面板一般应设计一面为SMD及SMC元件,另一面则为分立元件。
布局中应注意 :
1)首先确定与其他PCB 板或系统的接口元器件在PCB板上的位置,必须注意接口元器件间的配合问题(加元器件的方向等) ;
2)因为掌上用品的体积都很小,元器件间排列很紧凑,因此对于体积较大的元器件,必须优先考虑,确定出相应位置,并考虑相互间的配合问题;
3)认真分析电路结构,对电路进行分块处理(加高频放大电路、混频电路及解调电路等) ,尽可能将强电信号和弱电信号分开,将数字信号电路和模拟信号电路分开,完成同一功能的电路应尽量安排在一定的范围之内,从而减小信号环路面积;各部分电路的滤波网络必须就近连接,这样不仅可以减小辐射,而且可以减少被干扰的机率,提高电路的抗干扰能力;
4)根据单元电路在使用中对电磁兼容性敏感程度不同进行分组。对于电路中易受干扰部分的元器件在布局时还应尽量避开干扰源(比如来自数据处理板上CPU的干扰等) 。
2、布 线
在基本完成元器件的布局后,就可开始布线了。布线的基本原则为:在组装密度许可情况下,尽量选用低密度布线设计,并且信号走线尽量粗细一致,有利于阻抗匹配。
对于射频电路,信号线的走向、宽度、线间距的不合理设计,可能造成信号传输线之间的交叉干扰;另外,系统电源自身还存在噪声干扰,所以在设计时频电路PCB时一定要综合考虑,合理布线。布线时,所有走线应远离PCB板的边框2 mm左右,以免PCB板制作时造成断线或有断线的隐患。
电源线要尽可能宽,以减少环路电阻,同时使电源线、地线的走向和数据传递的方向一致,以提高抗干扰能力;所布信号线应尽可能短,并尽量减少过孔数目;各元器件间的连线越短越好,以减少分布参数和相互间的电磁干扰;对不相容的信号线应尽量相互远离,且尽量避免平行走线,而在正反两面的信号线应相互垂直;布线时在需要拐角的地方应以135°角为宜,避免拐直角。
布线时与焊盘直接相连的线条不宜太宽,走线应尽量离开不相连的元器件,以免短路;过孔不宜画在元器件上,且应尽量远离不相连的元器件,以免在生产中出现虚焊、连焊、短路等现象。在射频电路PCB设计中,电源线和地线的正确布线显得尤其重要,合理的设计是克服电磁干扰的最重要的手段。
PCB上相当多的干扰源是通过电源和地线产生的,其中地线引起的噪声干扰最大。地线容易形成电磁干扰的主要原因在于地线存在阻抗。当有电流流过地线时,就会在地线上产生电压,从而产生地线环路电流,形成地线的环路干扰。当多个电路共用一段地线时,就会形成公共阻抗耦合,从而产生所谓的地线噪声。
因此,在对射频电路PCB的地线进行布线时应该做到:
1)对电路进行分块处理时,射频电路基本上可分成高频放大、混频、解调、本振等部分,要为各个电路模块提供一个公共电位参考点,即各模块电路各自的地线,这样信号就可以在不同的电路模块之间传输。然后,汇总于射频电路PCB 接入地线的地方,即汇总于总地线。由于只存在一个参考点,因此没有公共阻抗耦合存在,从而也就没有相互干扰问题; 2)数字区与模拟区尽可能以地线进行隔离,并且数字地与模拟地要分离,最后接于电源地;
3)在各部分电路内部的地线也要注意单点接地原则,尽量减小信号环路面积,并与相应的滤波电路的地线就近相接;
4)在空间允许的情况下,各模块之间最好能以地线进行隔离,防止相互之间的信号耦合效应。
二、实验测试
下面几个实验测试事例,说明了不同原因带来的干扰及其实际的解决办法。
1、电源线和地线带来的干扰
图1取自某高压控制保护PCB的部分电路。图1a为原设计电路。由于电源线和地线的印制导线宽度太细,电路在工作时局受外界干扰;图1b是经过改进后的电路,其电源线和地线加粗至5 mm,解决了电路的干扰问题。

图1 某高压控制保护PCB的部分电路
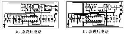
2、元器件布局不合理带来的干扰
图2取自某雷达发射机磁场控制保护PCB的部分电路。重新布局元器件后改进的PCB 电路(如图2b)较改进前的PCB 电路(如图2a)在抗干扰性能上有很大的改善。

图2 某雷达发射机磁场控制保护PCB的部分电路
3、布线不合理带来的干扰
图3取自某雷达CFA电源控制保护PCB的部分电路。图3a为原设计电路。由于布线时将高压取样信号线布于闭环取样回路中,使闭环取样电路在工作时易受外界的干扰,造成经常误报过压故障;而图3b是经过改进后的PCB电路,由于避开了高压取样信号线带来的干扰,改进后的PCB电路工作可靠稳定。

图3 某雷达CFA电源控制保护PCB的部分电路
射频工程师养成培训教程套装,助您快速成为一名优秀射频工程师...
天线设计工程师培训课程套装,资深专家授课,让天线设计不再难...
上一篇:湿膜的特点及其应用控制要点
下一篇:电路板维修的成功秘诀

