- 易迪拓培训,专注于微波、射频、天线设计工程师的培养
基准电压源的设计与选用(二)
另一类较常用的基准二极管如LM385-1.2、LM385-2.5、LM336-2.5、LM336-5具有更小的动态电阻(如LM385 仅1Ω、LM336-5仅0.6Ω、LM336-2.5仅0.2Ω),在很小的工作电流下即有很硬的特性、在10 uA电流下即可正常工作,而普通稳压管至少要在5~10mA下才能正常工作(严格讲并非不能工作,而是工作电流小时其击穿特性非常软、电流的微小变化即可引起端电压的明显变化);温度系数低,典型值仅20ppm/℃、约25uV/℃,比普通稳压管低百倍以上;工作电压分别为1.235V、2.5V、5V且工作电压的离散性很小、仅1-2%,一般情况下具有互换性;价格也不贵,因而得到广泛使用。
在要求稳定性极高的应用场合、可以考虑选用自恒温电压基准LM199/299/399系列,其稳定电压典型值为6.95V、动态电阻典型值0.5Ω、LM199/299温度系数<1ppm/℃。LM399温度系数<2ppm。其最大的优点是温度系数极小,可以说是几乎不受环境温度的影响。这是因为在其基片上除集成了一个能隙式电压基准外。还另外制造了一个加热、控温电路,工作时需单独对加热电路供电、即可自动将芯片加热并控温在90℃ ,因此只要环境温度的变化在85℃以下、可以认为芯片的环境温度没有变化.自然不会产生温度漂移。为保证恒温效果.在其金属壳外另加了一个由保温材料聚砜制造的隔热外壳.其管脚排列如图2所示.典型应用电路如图3所示。


使用LM399时应注意的是,因其温度系数是有保证的.决定基准电压精度的主要矛盾转移到动态电阻上。在要求基准精度极高时.为基准芯片供电的工作电流必须恒定。如果如图3所示,基准芯片工作电流是由电源通过电阻提供,则要求供电电源必须恒定。笔者在研制高精度控温设备时发现,仅由普通三端稳压器如LM7809等次稳压供电的电源.在市电波动较大时其稳定度是不够的。相关实验数据如附表所示:
市电 | 200V | 220V | 240V |
整流滤波直流电压 | 11.2V | 12.7V | 14.05V |
7809输出电压 | 9.0229V | 9.070V | 9.109V |
LM399输出电压 | 6.86361V | 6.86315V | 6.86283V |
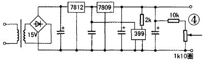
由附表测试数据可见,市电±10%波动时、因7809输出电压仍有约86mV的变化,致使LM399基准芯片的工作电流亦产生微小变化。由于LM339的动态电阻并不为零,市电±10%的波动已造成基准电压约78 uV的变化。在高精度控制系统中.基准电压几个uV的变化就可能使系统精度超差。因此,在要求高稳定度的应用场合,最好对LM399的供电电源进行二次稳压,电路如图4所示。

射频工程师养成培训教程套装,助您快速成为一名优秀射频工程师...
天线设计工程师培训课程套装,资深专家授课,让天线设计不再难...
上一篇:PCB丝印工艺(六)
下一篇:PCB微孔技术发展简史

