- 易迪拓培训,专注于微波、射频、天线设计工程师的培养
基于AT89C2051单片机的无线病房呼叫器设计
摘要:在传统的呼叫系统基础上,以80C51系列单片机为核心,设计了一种基于单片机的无线病房呼叫器。介绍了电路设计及软件实现方法,并给出了系统框图、硬件电路及部分程序设计。该呼叫系统使用了专用的高集成度射频无线收发芯片进行传输,不仅避免了传统的有线寻呼系统布线复杂和改建麻烦的问题,而且使整个系统电路简洁、性能稳定。
临床求助呼叫是传送临床信息的重要手段,病房呼叫器是病人请求值班医生或护士进行诊断或护理的紧急呼叫工具,可将病人的请求快速传送给值班医生或护士,并在值班室的监控中心电脑上留下准确完整的记录,是提高医院和病室护理水平的必备设备之一。呼叫系统的优劣直接关系到病员的安危,历来受到各大医院的普遍重视。
它要求及时、准确可靠、简便可行、利于推广。我国传统的病房呼叫系统采用的多是有线传输,存在着安装布线复杂,检查维修困难,抗干扰能力差,病房扩建不易及费用高,不雅观的缺陷。为克服以上的不足,本研究介绍一种无线的病房呼叫器,其使用专用的射频模块,并使用单片机控制。
这样不但解决了复杂布线等问题,更能提高医疗服务水平,适应现代社会需求。
1 硬件电路设计
本设计方案由呼叫器和主机构成,使用射频收发芯片,使系统工作在频段433 MHz附近。系统使用单片机编码/解码,每个呼叫器有一个唯一的识别码,并且识别码可以随时修改。当用户按发射键后,识别码被发射出去,等待接收器的响应,主机接收到服务申请后,根据识别码鉴别出是由哪一台呼叫器发出的申请,并给出声音提示和显示呼叫器的识别号。如果有几个呼叫器在短时间里同时呼叫,主机则按照先后顺序存储起来,再按顺序轮换显示。
呼叫分机和接收主机的连接组成框图如图1和图2所示。分机由拨码开关来控制地址位的设置,当扫描到呼叫按钮按下时,其地址被读入单片机,经过处理后再送至发射芯片发射。分机用来进行呼叫,使用单片机完成编码,分机的核心电路即是单片机与射频芯片的连接电路。主机负责接收分机发来的信号,并进行解码、显示和报警。
主机上还设有键盘用于翻查、删除记录,所以主机上应接有键盘、显示和报警电路。

图1 呼叫分机原理框图

图2 接收主机原理框图
1.1 分机电路设计
分机是由一个8位的拨码开关、单片机、无线收发芯片及相应外围电路构成。分机使用便携式设计,采用电池供电,在选用元件时除需要考虑到功耗和体积外,还需要考虑芯片工作的最低电压的问题,所以单片机选用AT89C2051,它在3V的电压下就能稳定工作,而且其具有AT89C51的内核,指令系统也一样,分机上所需要的I/O接口也很少,因此使用AT89C2051完全能满足要求。
1.1.1 分机号码设定电路的设计
分机采用8位拨码开关手动定位来确定分机的地址,如图3所示。
若需要将分机移至别的病床,则只需要改变拨盘开关的状态,即可改变分机的号码。

图3 分机号码设定电路
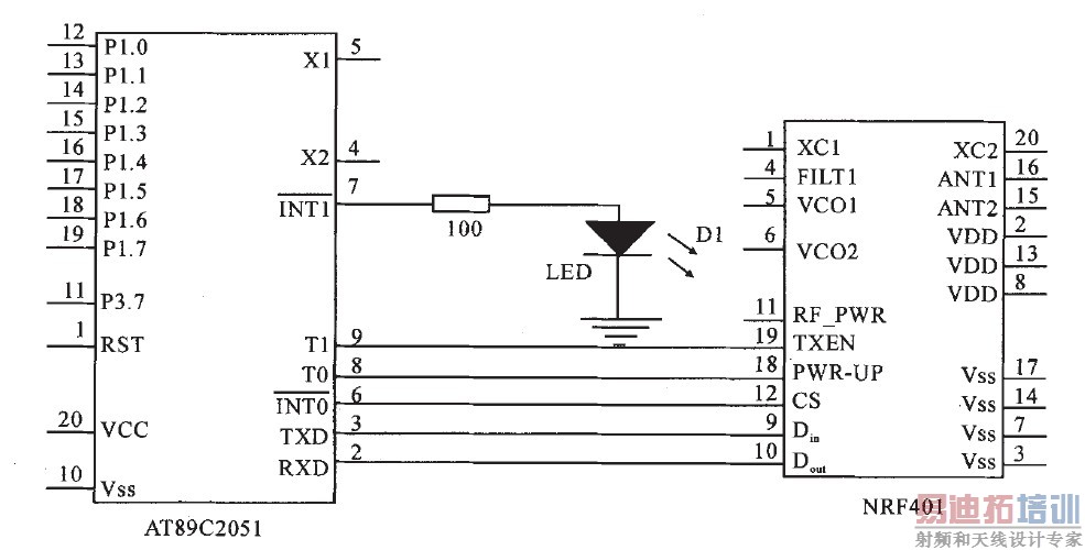
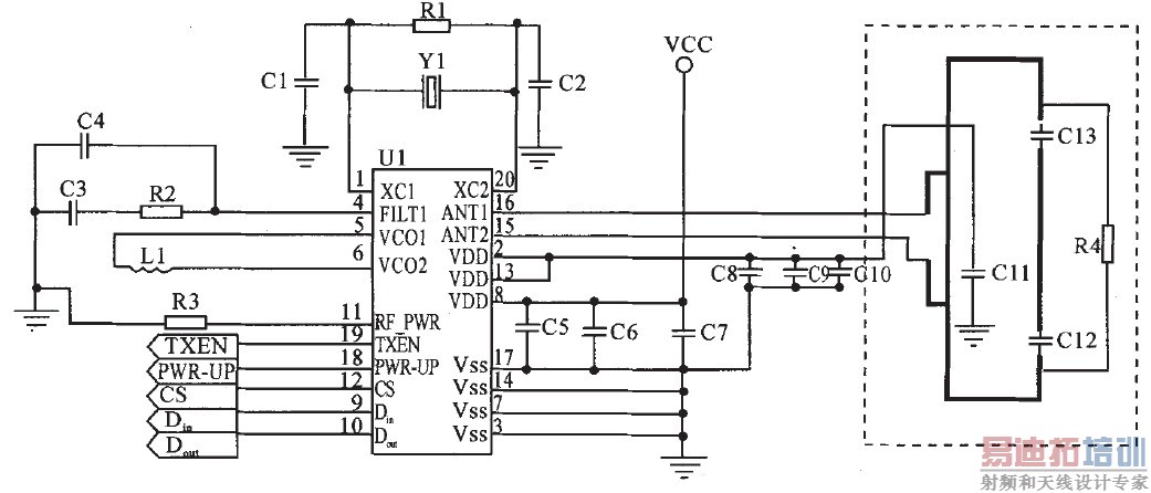
1.1.2 分机nRF401与AT89C2051主连接电路的设计 nRF401有休眠(Standby)、接收(RX)和发射(1x)3种工作状态。由nRF401的引脚功能可知,这3种状态问的切换由PWR-UP、TXEN的状态可以确定。DIN、Dout是串行通信El,分别与单片机的串行通信口相连。CS脚则选择工作频率。nRF401与单片机的连接电路如图4所示。在分机上有1个信息确认灯,在信息发送成功后确认灯闪亮1s,可以由单片机的I/O口直接点亮。限流电阻选用100Ω,工作电流即可以满足要求。 图4收发模块与单片机连接电路 1.2 主机电路设计 从系统的原理框图可知,主机硬件电路分为电源电路、显示电路、报警电路、键盘电路等部分。 1.2.1 nRF401与AT89C2051连接电路的设计 主机工作时也要进行状态切换、频率选择和串行通信,实现的方法与分机的一样,所以连接电路和分机的也一样,这里给出nRF401的连接图,如图5所示。 图5 nRF401的连接 1.2.2 显示电路的设计 P1.5,P1.6和P1.7端口分别控制数码管的个位、十位和百位的供电,当相应的端口变成低电平时,相应的三极管会导通,+5V的电源通过驱动三极管给数码管相应的位供电,这时只要锁存器口送出数字的显示代码,数码管就能正常显示数字。因为要显示几位不同的数字,所以必须用动态扫描的方法来实现。该系统的显示部分采用LED共阳极接法,采用动态显示。首先将显示的个十百位分别存放,然后逐个取出进行显示。为了防止闪烁,每位LED显示160 us.为了防止重影,当一位显示完毕后立刻将其关闭,然后进行下一位的显示。LED显示电路如图6所示。 图6 LED显示电路


射频工程师养成培训教程套装,助您快速成为一名优秀射频工程师...
天线设计工程师培训课程套装,资深专家授课,让天线设计不再难...
上一篇:衡量PCB布线三种境界的划分标准
下一篇:丝网印刷材料介绍

