- 易迪拓培训,专注于微波、射频、天线设计工程师的培养
基于DSP2407的多功能电源控制系统设计原理与应用
在进行车辆装备的检查、维护和修理过程中,由于现有的外部电源体积和重量较大且移动困难,给实际的检修和维护保养工作带来了不少困难。因此,研制一种功率大、重量轻的多功能车辆维修电源是装备保障的迫切要求。本文详细介绍了基于DSP2407芯片的多功能电源控制系统的设计。该系统主要是将焊接、焊割、充电、起动、稳压供电等功能设备的电源部分进行集成化设计,通过数据采集、脉宽调制和数字PID调节等技术实现对电源输出的实时控制。
电源总体方案
多功能电源集成了焊接、焊割、充电、起动、稳压供电五种供电功能。电源控制系统主要由功率主电路、DSP控制回路以及其他辅助电路组成。系统原理图如图1所示。

图1 多功能电源系统框图
控制系统的硬件设计
1功率主电路
功率主电路包括输入整流滤波电路、IGBT逆变电路、高频变压器、输出整流滤波电路,如图2所示。

图2 功率主电路原理图
输入整流滤波电路包括:熔断器SR、三相转换开关K、三相桥整流器D0、合闸浪涌限制电路(主回路软启动电路)及滤波电路。主回路软启动电路的作用是为了防止在合闸瞬间造成:(1)电源开关接点熔断;(2)输入保险丝熔断;(3)对其他相邻电路产生干扰;(4)恶化电容器和整流器的性能。
逆变电路采用桥式逆变式,三极管VT1、VT3和VT2、VT4构成前后导通桥臂,其交替导通将直流变成高频方波交流,通过高频变压器后整流输出低压直流。二极管D2、D3、D5、D6为钳位二极管,其作用为:(1)在开关管关断时将因变压器漏感引起的电压尖峰钳位于输入电压E;(2)把电压尖峰能量回输到输入电容C1、C3中,提高电能的利用。而开关管两端所并接的R-C-D电路为尖峰电压吸收网络,其与上述的钳位二极管共同作用,抑制尖峰电压的影响。R-C-D网络中二极管的接入,既可缩短电容的充电时间常数,又可减少其放电电流,有益于开关管的功能减少。
高频变压器在电路中起到功率变换和隔离的作用。
输出整流器件采用大功率超快恢复二极管,考虑到实际中二极管的容量,采用两组管子并联整流,经过电抗器滤波后维持电阻R7,建立焊接电压。在整流电路设计安装时,注意高频变压器绕组与两组整流二极管的接线,不要造成绕组短路。在整流二极管两端并联的R-C吸收回路,吸收导通与关断时二极管上所产生的尖峰电压。
2 DSP控制回路
DSP控制回路,如图3所示,是一个实时监测和控制系统,主要是对电源输出端电压/电流、IGBT逆变器温度进行监测,对采集的信息进行分析运算等。控制电路主要包括DSP最小系统、脉宽调制电路、驱动电路、数据采集电路和保护电路。控制回路的输出信号控制主回路的导通,即将采集到的电源相关参数输送到DSP芯片进行分析计算,得出相应的控制数据,再通过驱动电路进行功率放大,送到逆变器的控制端,从而控制输出电压和电流。

图3 DSP控制回路原理图
① DSP最小系统
DSP控制器是控制回路的核心,采用TI公司的TMS320LF2407芯片。TMS320LF2407是TI公司专为电机以及逆变器控制而设计的单片DSP控制器,具有高性能、低功耗、集成度高等特点。其16位定点的、处理速度为3×107条指令/s的C2xLP内核为模拟系统的设计者提供了一个不牺牲系统精度和性能的数字解决方案,通过把一个高性能的DSP内核和微处理器的片内外设集成为一个芯片的方案,使得它成为传统的微控制单元(MCU)和昂贵的多片设计的一种廉价的替代产品。DSP最小系统包括时钟电路、电源电路、复位电路、JTAG仿真接口、片外程序/数据存储器和电平转换电路。时钟电路包括了外接晶体和内部电路构成的晶体振荡器,频率在6~16MHz之间,这里选择15MHz晶振;TMS320LF2407的供电电压为+3.3V,而常用的TTL电路供电电压为+5V,因此,电源电路选用TPS7333QD芯片来提供稳定的+3.3V的工作电压和上电复位信号;复位电路采用手动复位方式,即在VCC(+3.3V)与复位(RS)引脚之间串联一个阻值≥10kΩ的上拉电阻。
② 脉宽调制电路
控制系统采用集成脉宽调制芯片SG3525构成的脉宽调制电路。输入SG3525的误差信号经过误差放大器放大后,与其内部振荡器产生的锯齿波进行比较,输出的脉宽信号再经分相器分成2路互不重叠的两相信号,由具有图腾柱结构的输出端11和14输出。控制信号越大,则输出的脉宽越宽,脉宽调制电路原理如图4所示。由于驱动模块M57959L需要的是低电平输入信号,SG3525输出的2路PWM 信号经过工作在饱和状态的三极管反相输出后加到M57959L的13脚。

图4 SG3525脉宽调制电路
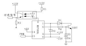
③ 驱动电路
驱动电路的作用是将SG3525输出的2路PWM 脉冲进行功率放大,以驱动IGBT。M57959L是日本三菱公司为驱动IGBT而设计的厚膜集成电路,具有封闭性短路保护功能,其实质是一个隔离型放大器,采用光耦合方法实现输入与输出的电气隔离,隔离电压高达2500V;配置了短路/过载保护电路。M57959L驱动电路如图5所示。电阻Rg为IGBT栅极限流电阻,二极管D1是过载/短路检测二极管,稳压二极管D2用以补偿D1反向恢复时间(在D1反向恢复时间偏长时使用),稳压二极管D3、D4用于保护IGBT的发射结。

图5 M57959L驱动电路
④ 数据采集电路
多功能电源要实现三种输出特性,即恒压、恒流、脉冲,需要进行恒值控制,因而必须设计精度高、采样速度快的恒值反馈采样电路。由于线性霍尔传感器体积小、外围电路简单、频带宽、动态特性好、寿命长,并具有电磁隔离的功能而被广泛应用于逆变电路中。
数据采集电路采用CHB-500S型霍尔电流传感器对电流采样,其额定电流为500A,输出电流100mA,响应时间小于1μs,采用±15V供电。电压采样采用的是CHV-25P型霍尔电压传感器,其最大量程为500V,输出电流25mA,线性度为0.2%,亦采用±15V供电。霍尔电流传感器输出的微小电流信号首先经过I/V电路转换成电压信号,然后经运算放大器放大缓冲后送入DSP芯片中进行A/D转换。
数据采集电路是DSP微处理器的前向通道,较易受到干扰,因此,在模拟输入端加上RC阻容电路,可以起到低通滤波的作用,减轻噪音的影响。
⑤ 保护电路
TMS320LF2407提供了PDPINTA输入信号,可保证系统中功率转换电路及逆变电路的安全可靠工作。保护电路结构框图如图6所示。过压/欠压检测信号、过流检测信号、过热检测信号经或门综合后,经过反相输入到PDPINTA引脚。若有故障时,或门输出为高电平,该引脚相应为低电平, DSP的PWM输出管脚全部成高阻状态,PWM输出被封锁。整个过程可由硬件实现。

图6 保护电路结构框图
控制系统的软件设计
控制系统的软件主要包括系统初始化程序、ADC采样程序、PWM波生成程序、PID控制算法程序等。软件总体设计流程如图7所示。

图7 主程序流程图

图8 增量式PID控制算法流程图
该系统软件设计采用增量式PID控制算法,根据采样时刻的偏差值计算控制量。采样电路将电压电流信号采集滤波后输入到DSP,经与输入值相比较后进行数字PID运算,从而实现对输出控制量的调节。增量式PID控制算法流程如图8所示。
射频工程师养成培训教程套装,助您快速成为一名优秀射频工程师...
天线设计工程师培训课程套装,资深专家授课,让天线设计不再难...
上一篇:受惠大陆手机市场拉动
小尺寸驱动IC市场竞争激烈
下一篇:电子产品设计

