- 易迪拓培训,专注于微波、射频、天线设计工程师的培养
PCB电路板设计之电源的重要性
无疑电源设计是整个电路板PCB设计最重要的一环。电源不稳定,其他啥都别谈。想必不用易迪拓培训(edatop.com)再赘述说它究竟有多么重要了。
在电源设计我们用得最多的场合是,从一个稳定的“高”电压得到一个稳定的“低”电压。这也就是经常说的DC-DC(直流-直流),而直流-直流
中用得最多的电源稳压芯片有两种,一种叫LDO(低压差线性稳压器,我们后面说的线性稳压电源,也是指它),另一种叫PWM(脉宽调制开关电源,我们在本文也称它开关电源)。我们常常听到PWM的效率高,但是LDO的响应快,这是为什么呢?别着急,先让我们看看它们的原理。
下面会涉及一些理论知识,但是依然非常浅显易懂,如果你不懂,嘿嘿,得检查一下自己的基础了。
一、线性稳压电源的工作原理

如图是线性稳压电源内部结构的简单示意图。我们的目的是从高电压Vs得到低电压Vo。在图中,Vo经过两个分压电阻分压得到V+,V+被送入放大器(我们把这个放大器叫做误差放大器)的正端,而放大器的负端Vref是电源内部的参考电平(这个参考电平是恒定的)。放大器的输出Va连接到MOSFET的栅极来控制MOSFET的阻抗。Va变大时,MOSFET的阻抗变大;Va变小时,MOSFET的阻抗变小。MOSFET上的压降将是Vs-Vo。
现在我们来看Vo是怎么稳定的,假设Vo变小,那么V+将变小,放大器的输出Va也将变小,这将导致MOSFET的阻抗变小,这样经过同样的电流,MOSFET的压差将变小,于是将Vo上抬来抑制Vo的变小。同理,Vo变大,V+变大,Va变大,MOSFET的阻抗变大,经过同样的电流,MOSFET的压差变大,于是抑制Vo变大。
二、开关电源的工作原理

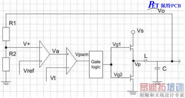
如上图,为了从高电压Vs得到Vo,开关电源采用了用一定占空比的方波Vg1,Vg2推动上下MOS管,Vg1和Vg2是反相的,Vg1为高,Vg2为低;上MOS管打开时,下MOS管关闭;下MOS管打开时,上MOS管关闭。由此在L左端形成了一定占空比的方波电压,电感L和电容C我们可以看作是低通滤波器,因此方波电压经过滤波后就得到了滤波后的稳定电压Vo。Vo经过R1、R2分压后送入第一个放大器(误差放大器)的负端V+,误差放大器的输出Va做为第二个放大器(PWM放大器)的正端,PWM放大器的输出Vpwm是一个有一定占空比的方波,经过门逻辑电路处理得到两个反相的方波Vg1、Vg2来控制MOSFET的开关。
误差放大器的正端Vref是一恒定的电压,而PWM放大器的负端Vt是一个三角波信号,一旦Va比三角波大时,Vpwm为高;Va比三角波小时,Vpwm为低,因此Va与三角波的关系,决定了方波信号Vpwm的占空比;Va高,占空比就低,Va低,占空比就高。经过处理,Vg1与Vpwm同相,Vg2与Vpwm反相;最终L左端的方波电压Vp与Vg1相同。如下图
当Vo上升时,V+将上升,Va下降,Vpwm占空比下降,经过们逻辑之后,Vg1的占空比下降,Vg2的占空比上升,Vp占空比下降,这又导致Vo降低,于是Vo的上升将被抑制。反之亦然。
三、线性稳压电源和开关电源的比较

懂得了线性稳压电源和开关电源的工作原理之后,我们就可以明白为什么线性稳压电源有较小的噪声,较快的瞬态响应,但是效率差;而开关电源噪声较大,瞬态响应较慢,但效率高了。
线性稳压电源内部结构简单,反馈环路短,因此噪声小,而且瞬态响应快(当输出电压变化时,补偿快)。但是因为输入和输出的压差全部落在了MOSFET上,所以它的效率低。因此,线性稳压一般用在小电流,对电压精度要求高的应用上。
而开关电源,内部结构复杂,影响输出电压噪声性能的因数很多,且其反馈环路长,因此其噪声性能低于线性稳压电源,且瞬态响应慢。但是根据开关电源的结构,MOSFET处于完全开和完全关两种状态,除了驱动MOSFET,和MOSFET自己内阻消耗的能量之外,其他能量被全部用在了输出(理论上L、C是不耗能量的,尽管实际并非如此,但这些消耗的能量很小)。
易迪拓培训(edatop.com)http://www.petpcb.com/有6年以上丰富的PCB生产、电子加工经验,是一家专业的一站式PCB供应商。易迪拓培训(edatop.com)在上海PCB生产、线路板加工等方面都有丰富经验,经过多年的发展,公司现已成为集“研发、生产、服务”为一体的专业化公司。
射频工程师养成培训教程套装,助您快速成为一名优秀射频工程师...
天线设计工程师培训课程套装,资深专家授课,让天线设计不再难...
上一篇:PCB布线的特殊技巧之直角走线
下一篇:PCB打样的说明事项

