- 易迪拓培训,专注于微波、射频、天线设计工程师的培养
电源与功率电路基板导线设计
a.面封装型线性调整器的散热图案
接着介绍输出电流1.0A 低饱和型线性调整器(linear regulator)散热图案设计技巧。三端子调整器构成组件非常少因此广被使用,图1 是由面封装型线性调整器NCP1117构成的降压电路;图2 是降压电路基板图案。
图1 线性调节器构成的降压电路 图2 降压电路基板图案
旁通电容器(bypass condenser) C1、C3 封装在半导体的输出入端子附近,NCP1117为面封装型半导体,使用电路基板图案作散热。图3 是NCP1117 的散热pattern 大小与容许电力-热阻抗的关系,例如输入8V,输出5V,输出电流400mA 时,半导体的损失利用输出、入的电压差(8V-5V=3V),乘上输出电流后等于3V×0.4A=1.2W,根据图3 可知NCP1117 需要7mm正方以上的散热pad。直接与散热pad连接时,如果输出平滑电解电容C4的电路基板图案太宽时,热量会经由图案传导至电容器造成电解电容温度上升,所以散热pad 与C4的基板图案必需案配合输出电流,尽量降低导线图案的宽度。
图3 NCP1117的散热pattern大小与容许电力-热阻抗的关系
同步整流step down converter BIC221C与控制电路,以及MOSFET驱动电路三者同时封装成一体,本电路的动作频率为300kHz,输入5V,输出2.5V/3A。图4(a)是step down converter电路图;图4(b)是BIC221C的内部方块图;图5(a)是电路基板组件面图案。如图4(b)所示,BIC221C内部方块图所示第4,6号脚架的GND,与第8 号脚架的P.GND1、第16 号脚架的P.GND2明确分隔,如果按照图4(a)电路图指示,直接描绘含盖上述脚架配线图案的话,可能会造成误动作与噪讯增加等后果,因此设计电路基板图案时,必需将第8号脚架的P.GND1、第16 号脚架的P,GND2 分开,避免第4,6 号脚架GND 大电流流动。具体方法如图5 所示,GND 的第4,6 号脚架在组件面连接,P.GND1 的第8 号脚架再与焊接面连接,大电流从C5 通过P.GND2 的第16 号脚架,再从Vout(11,12,13,14pin)通过L1 流入C5,P.GND1的第8号脚架从C1设置slit作连接,因此连接与第4,6 号脚架的GND 的图案不会有大电流流动。
(a) 电路图
(b) BIC221C的内部方块图
图4 同步整流式step down converter BIC221C构成的step down converter
(a) 组件面
(b)焊接图
图5 2.5V/3.3A输出的DC-DC converter 电路基板图案
b. 光学耦合器构成的gate驱动电路基板图案
为避免控制电路遭受破坏,因此图6 将光学耦合器TLP351 与二极管构成的控制电路,以及功率MOSFET分离。
图6 photo coupler 构成的gate驱动电路
图7 gate驱动电路的基板图案,光学耦合器的光学二极管单元属于电流驱动,光学晶体管与功率MOSFET 等gate 驱动单元则是电压驱动,所以光学耦合器封装在功率MOSFET 附近,此时必需避免光学二极管的正、负极的平行导线Ⓐ部位面积变大。
图7 gate驱动电路的基板图案
c. 专用IC构成的gate驱动电路基板图案
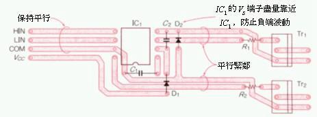
IR2011 8pin驱动IC内嵌high side与low side的gate驱动电路,属于D 级audio增幅器与DC-DC converter 的gate驱动器。图8是专用IC的构成的gate驱动器电路;图9 是驱动电路的基板图案。
虽然设计上要求gate驱动IC尽量靠近功率MOSFET设置,远离功率MOSFET设置的场合,为避免high side的source电位波动,造成IC1 第4 脚架V5 的负电位波动,所以需将二极管D2设在gate驱动IC附近。此外为防止Tr1、Tr2误动作,因此source与gate的导线尽量邻接,此外控制信号的输入图案与COM图案两者必需平行设置。
图8 专用IC的构成的gate驱动电路
图9 专用IC的构成的gate驱动电路的基板图案
射频工程师养成培训教程套装,助您快速成为一名优秀射频工程师...

