- 易迪拓培训,专注于微波、射频、天线设计工程师的培养
印刷电路板短路处的寻找方法
0 前言
印刷电路板元件全部焊上后,即需要加电进行测试或调试,以使该板成为合格部件,随后再流入总装。其中难免有些板卡有故障,例如短路故障。如果短路故障发生在非电源线条(铜箔)处,则技术人员可将该板接上电源(该板本身不带电源),进行必要的测试分析,最终找到短路处。但是如果电源线条之间(例如5V与地之间)短路,则根本无法正常加电,也就无法进行测量分析。肉眼观察只能发现明显的短路故障,复杂的印刷电路板,特别是双面板,短路点可能隐藏在某些元件之下,观察法很难奏效,于是随着生产量的扩大,该类故障板便越积越多,成了老大难问题。
本文介绍一种寻找该类短路的方法,检修人员甚至不需要专业知识,也可以迅速准确地找到短路点。
1 工作原理
在图1中,abcdefgh为印刷电路板上的正电源供电线条(+5伏),ABCDEFGH为板上地线,正常情况下两者不直接相通(无短路点),电源可正常加上去。
图1 印刷电路板上正负电源供电线条短路点示意图
现在假设S点发生短路,则电源无法加上,因为短路电源太大,可能烧坏印刷电路板上的线条(铜箔)如图1所示。5V电源通过50Ω电阻加上去,由于电阻的分流作用,I=5/50=0.1A,0.1A的电流对线条应该是安全的,该电流流经abcd……DCBA,会在导电线条上形成电压降。灵敏电压表负极固定在A端,正极自A点起向BCD……移动,由于短路点在S,所以直至F点电压表读数都是增加的,但向H点移动时不增加(电压表读数保持不变),说明FH段无电流流过,于是放弃H点以远方向,改向G方向寻找,这时发现F至S点电压表读数是增加的,但S点以远读数不再增加,且除G点以外再无其它方向线条,于是可以断定S点为短路点。
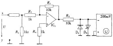
2 检测电路简介
由于印刷电路板上的线条由铜箔构成,电阻约为0.0005Ω/mm(视宽度及厚度而定),0.1A电流流过时,每毫米线条两端压降约为500uV其值很小。而20mV三位半数字电压表表头分辨率为100uV,为了寻找正确,检测电压必须加以放大(见图2)。
图2放大器原理图
图2为由运算放大器IC1(LM324)组成的反相放大器,其放大倍数为 -(R3/R2)=-10/1=-10(倍) 于是使200mV的数字电压表头满度的输入检
测电压U为20mV,检测分辨率为10uV,而实际输人的测量电压U一般小于15mV(相当于300mm长的铜箔线条的上压降),因而不会超量程。
R1保证测量电路开路时,运放输人为零,R3、D1、D2保护数字电压表免受过载冲击,R4可平衡掉运放的失调电流,减小零点漂移。
运放的调零不是必须的,根据实例,LM324的失调电压小于1mV,有的甚至只有O.1mV(可从其中4只独立运放中选一只失调电压小的使用),放大10倍后约为数毫伏,其失调电压的温度系数实测约为5uV/℃。由于测试时,观察的是电压读数的变化,而不是电压的绝对值,因而失调电压的影响不大,倒是失调电压的温度系数不能过大。总之,用一只无调零功能的LM324已可正常工作,如要求较高,可使用自动稳零的运放,此时效果更佳。
本检测电路也可用于非电源线条短路点的寻找,但限流电流R0应改为200Ω,使I=25mA,因为0.1A的电流可能使某些小功率的硅管发射结损坏,而25mA一般是安全的。I减小使得测试灵敏度降低,于是应增大放大倍数,将R3改为40kΩ,此时失调电压的影响增大,因此必须采用自动稳零的运放,但工作原理是一样的。
3 测试方法
按图1连接好电路,y端固定在A点,用测试棒的尖端x(用万用表测试棒磨尖改制,以便能刺穿阻焊膜),自A点起,逐步向远处测试,并观察数字表头的读数,如果测试棒尖在印刷电路板线条上移动至读数向所有方向均不再变化时,该点即为短路点,可加以消除,如果有多个短路点,可一个一个找出来,逐个加以消除。
最后需要加以说明的是,由于运放存在失调电压,测试棒的尖端x置于A点时,数字表头的读数可能为某一负数,x自A向远处移动时,读数的绝对值先减小至零值,然后再增大,但如前所述,这并不影响检测。
用本文介绍的方法,对某厂库存的近百块带有电源短路故障的印刷电路板进行检测,成功地找到了短路故障,并加以消除。
射频工程师养成培训教程套装,助您快速成为一名优秀射频工程师...

