- 易迪拓培训,专注于微波、射频、天线设计工程师的培养
几种典型的程序控制电压源及其电磁兼容性设计
摘要:介绍了几种典型的程序控制电压源及其电磁兼容性设计。
关键词:转换器;电压源;电磁兼容
Voltage Source for Program Control and Its Design of Electromagnetic Compatibility
LIN Zhan-jiang
Abstract:The typical voltage source for program control and its design of electromagnetic compatibility are introduced.
Keywords:Converter;Voltage source;Electromagnetic compatibility
1 引言
在一些电子仪器设备中,经常需要性能优良的可调整的电压源或电流源,以往大多采用运算放大器来完成。现在,随着集成A/D,D/A转换器精度的提高,已广泛地采用A/D,D/A转换器构成精密的程序控制的电压源或电流源。至于选择何种类型的转换器,输出量是电压还是电流,应根据实际情况决定。另外,转换器所处的系统充满了各种形式的噪声,有噪声必然产生测量误差,有误差必然降低测量精度。电磁干扰是影响测量精度的主要因素,因此,在设计含有转换器的系统时,要采取行之有效的措施加以消除。
2 典型的程序控制电压源
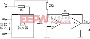
以下用D/A转换器为例阐述程序控制电压源的工作原理。D/A转换器的输出量为电压输出时,其本身就是一个较好的精密程序控制电压源。其中被控电压的精度依赖于D/A转换器的相对精度。图1是一个基本程控电压源电路。

图1 数 控 可 编 程 电 压 源
在这里需要指出,输出驱动能力够用时,放大器A2可以不用。根据D/A转换器的基本原理,该电路应满足如下传输函数:
UO=(UR/RR)RF
ai·2-i (1)
式中:ai——第i位的输入数字量,i=1,2,…,n,ai的值为“1”或“0”;
UR——参考电压;
RR——参考输入电阻;
RF——放大器的反馈电阻。
对于偏移二进制码,其传输函数为:
UO=(UR/RR)RF(
ai·2-i-1/2) (2)
从式(1)、(2)可知,输出电压是参考电流IR=VR/Rr、反馈电阻Rf和输入数字量的函数。改变参考电流IR和反馈电阻Rf,即改变最大输出幅度,改变输入数字代码即可控制输出电压的数值。也就是编程是通过改变D/A转换器的输入数字量来实现的。
如果所需要的一组电源各路输出都具有整数倍或乘幂关系时,可以直接用n个乘法型的D/A转换器构成程控系列电源,如图2所示。图中各路电源进行迭代相乘,其关系为:
U1=-URD

图2 数控系列电源
U2=-U1D=URD2
……
Un=-Un-1D=(-1)nURDn
式中:D——输入数字量。[p]
图3是一种实用的程序控制电压源,它应用在计算机辅助测试设备中的接口电路里。

图3 程序控制电压源
该电路能输出0~20V电压,共有1024个步长的程控电压源,每个步长20mV,稳压二极管作参考基准电压,晶体管V1-3作电压和电流放大,数字输入量源自计算机的输出总线。
整个电路调节程序是:先将数字输入置全“1”调节W,使VO=20V,然后将数字输入置全“0”,调节运算放大器,使VO=0。
3 程控电压源的电磁兼容性设计
选择合适的A/D、D/A转换器,只是设计工作的起点。对于任何转换器所处的具体系统往往需要综合考虑,尤其是在系统中存在电源电压波动和其它噪声时,必须确保转换器的正常运行。这是因为在电路中,噪声很容易淹没一位或多位数字信号,这在高速高精度的系统中危害特别巨大。因此,有效的合理的电磁兼容性设计是必不可少的。
在电磁兼容性设计时要遵循以下准则:
1)切断电磁辐射进入转换器内部产生互相干扰的通道,减少空间耦合。
2)防止外部设备产生的干扰,各种脉冲调制信号(雷达、无线电波、电视信号),电磁场的变化等因素的影响,必须对电磁效应敏感的器件和部件采取屏蔽保护,比如:外壳屏蔽,电缆滤波和内部的电缆屏蔽。
3)合理设计电路,正确地选择器件和电路,准确地计算器件和电路的各种参数,制定识别和隔离临界电路的措施以及采用抑制干扰的技术方案,尽量选择高的工作信号电平,符合器件和电路的实际载荷能力,注意“接口”设计。
4)采用高稳定度的稳压电源,提高电源电压灵敏度,减少因电源波动所引起的线性误差、增益误差和调整误差等,确保精度的稳定可靠。
5)正确接地与电路布局,考虑到不同频率段干扰的特点和电路的种类接地点可选择:
——浮动接地;
——一点接地;
——多点接地。
合理的电路布局应该是:
——正确布置元器件的位置和方向;
——不同用途,不同电平的连接线,如输入线与输出线,弱电线与强电线要远离,更不能平行,高频线要尽量短,传输线要加屏蔽,接地线要短而粗。
——对于一个复杂的工作系统(既包括不同频率的工作电路,也包括微电、弱电和强电的不同子系统),要合理布局。在EMC设备中,对不同电路的地线应分小信号、大信号,及继电和功率电路分别设置,连同机壳的地线应分三套或四套接地。
总之,电磁兼容性设计是多种多样的,有一点必须明确,那就是要有针对性,要行之有效。
4 结语
A/D、D/A转换器既处在自身所在系统内电子设备所产生的电磁环境中,又处在系统之外自然界和人为产生的电磁辐射环境之中,因此,电磁环境对转换器的性能产生潜在的不利影响,容易造成其性能劣化,甚至功能丧失,这就要求设计人员不但要高度重视电磁兼容性问题,而且还要采取有效的措施加以消除。
射频工程师养成培训教程套装,助您快速成为一名优秀射频工程师...
天线设计工程师培训课程套装,资深专家授课,让天线设计不再难...
上一篇:synopsys数字前后端设计流程
下一篇:Dracula
LVS介绍

