- 易迪拓培训,专注于微波、射频、天线设计工程师的培养
同一组合内模块电源和线性电源的电磁兼容性的主要措施介绍
摘要:介绍某雷达用低压电源的研制,着重介绍同一组合内模块电源和线性电源的电磁兼容性。此组合电源研制成功后,经使用表明,设计是可行的。
关键词:模块电源线性电源电磁兼容
Electromagnetic Compatibility of Modular and Linear Power Supply
in Same Assembly
Abstract: This paper introduces preparation of low voltage power supply for use in a certain radar,emphatically introduces electromagnetic compatibility of modular and linear Power Supply in same assembly. After the assembly power supply is developped,it′ s practical result testifies this design being feasible.
Keywords:Modular power supply,Linear power supply,Electromagnetic compatibility
中图法分类号:TN97文献标识码:A文章编号:02192713(2000)0838002
1引言
线性稳压电源具有纹波小、干扰小等优点,然而存在体积大、效率低、散热难等缺点。开关电源频率高,因而体积和重量大大减小。但是瞬态响应较差、干扰大,因此开关电源的应用受到一定限制。如果将两者结合起来,取其各自优点就可以满足特定的任务要求(即多路输出、体积小、指标高),但电磁兼容问题需要考虑。
2模块电源和线性电源在同一组合内电磁兼容的考虑
某雷达要求在一个较小的组合内提供7路电源,具体电气指标如下:
输入:单相400Hz,200V±5%;
输出:7路直流输出,如表1所示。
表1 7路电源的直流输出
| 序号 | 电压(V) | 电流(A) | 调整范围(V) | 稳定度(%) | 纹波(mV) | 用途 |
|---|---|---|---|---|---|---|
| 1 | +15.0 | 2.0 | ±0.75 | 0.1 | 2 | 接收机 |
| 2 | -15.0 | 0.15 | ±0.75 | 0.1 | 2 | 接收机 |
| 3 | +5.0 | 1.0 | ±0.25 | 0.1 | 2 | 接收机 |
| 4 | -5.0 | 1.0 | ±0.25 | 0.1 | 2 | 接收机 |
| 5 | +8.0 | 2.0 | ±0.25 | 0.1 | 2 | A/D |
| 6 | -8.0 | 2.4 | ±0.25 | 0.1 | 2 | A/D |
| 7 | +5.0 | 30 | ±0.25 | 0.5 | 80 | CPU |
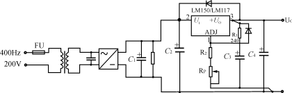
前6路稳定度指标要求高,要用线性电源。串联线性电源调整管与负载串联,利用负反馈原理,通过改变调整管集电极、发射极间电压来完成稳压。与分立器件稳压器相比,集成稳压器具有体积小、成本低、使用方便、性能指标高等优点。根据负载电流不同,选用性能优异的集成三端稳压器LM150、LM117,电路见图1,输出电压:

图1串联线性电源原理图
UO=1.25×[(R2+RP)/R1+1]
设计时注意以下几点:
(1)电阻R1直接焊接在集成稳压器的输出管脚和调整管脚上,否则,将影响集成稳压器的负载调整率;
(2)电阻R1和R2选择高稳定性的同种材料电阻,RP也要用高稳定性的电位器,以保证输出电压的稳定度;
(3)电容C1容量满足C1>2000×I0(μF),I0为负载电流。
5V/30A是用VICOR公司生产的模块电源实现
的,电路见图2。交流输入经整流模块整流为未稳直流电压,经直流/直流变换器变成所需的直流输出。VICOR模块电源具有体积小,其VI-200系列尺寸为11.68cm×6.1cm×1.27cm;效率高,超过80%;功率密度高达50瓦/立方英寸等优点。
VICOR模块电源的核心是零电流开关技术,其框图及工作波形见图3。
PWM开关电源,工作频率固定,通过改变脉宽来实现稳压,而VICOR模块电源脉宽固定,改变开关频率以实现稳压。PWM方式中,开关管工作电压、电流波形为方波,开、关时工作电流较大,而VICOR模块电源,当开关管导通时,流过开关管的电流为半波整流正弦波,功率开关管在打开或关断时的电流为零,大大地降低了开关损耗,这就是VICOR所谓的“零电流”开关技术。VICOR模块电源的诸多优点,就是得益于这一技术。
任何电源都会产生噪声或干扰,尤其是开关电源,功率器件工作在开关状态,存在较高的dv/dt和di/dt,容易形成干扰,VICOR模块电源工作频率随负载不同从几十千赫到几兆赫变动,干扰的频带宽。而接收机和A/D转换都是雷达中对噪声要求较高的单元,处理不好,会带来诸多不良影响,那么如何降低电源噪声,减小开关电源和线性电源的互相影响?
对于开关电源,随着每单位体积输出功率的增加,静电场dv/dt和电磁场di/dt强度也随之增加,干扰也就增大。VICOR电源模块采用“零电流”技术,di/dt小,主要是dv/dt静电场,属近场,强度随距离平方而减小。对此静电场屏蔽是很有效的,在模块上加了一个屏蔽罩,在与模块相对的印制板上设有大面积接地平面,同时结构设计上,在开关电源和线性电源之间加以金属板隔离,以减小干扰。

图2 开关稳压电源原理图

图3零电流开关电源原理及波形图
传导干扰分共模干扰和差模干扰两种。对VICOR模块电源来说,共模干扰电流指的是加在模块两个输入端的干扰同相分量,会产生磁场辐射。要在两输入端到模块板加一LESR、LESL的“Y”电容,且引线要尽可能短,以减小寄生电感。本组合中,线性电源和开关电源共用同一相交流电源,选用合适的电网滤波器并正确安装,可以防止射频能量沿电源线传播,污染电网。
差模干扰则是以反相或反向流进以上两端的干扰电流,在模块两输入端要加一“X”电容,该电容尽可能靠近模块,以减小耦合回路面积。
〖注〗有关“Y”电容及“X”电容,见本期P.375页。
线性电源中,变压器存在漏磁,低频磁场很难屏蔽,在组合中,变压器与印制板的最大距离不足3cm,是一个很大的干扰源。资料介绍,R型变压器因其独特的结构,而具有体积小、重量轻、损耗小、漏磁和分布电容小等优点,其漏磁约为EI型的1/10,经测试比较,在该电源中,选用了R型变压器。
线性电源采用桥式整流,在半导体二极管的反向恢复时间内,硅桥呈直通状态,平滑滤波电容器通过直通硅桥快速放电效应和变压器寄生分量结合,就会使整流部分成为较严重的干扰源。减小整流部分干扰的方法除减小变压器漏感外,可在整流桥两交流端加一小电容,电源输入线加电网滤波器,用双绞线减小平滑滤波电容和硅桥充电回路的面积,以减小耦合。
另外,在组合内部布线时,注意把携有噪声的器件和导线与干扰敏感布线隔开,用双绞线代替平行线,交流线、高电位线,尽量与低压直流线远离,不要扎在一个线束内。
3结语
抑制干扰的措施很多,本文只介绍了本组合所用到的主要措施。电源做出来后,满足了要求,用户使用到今,比较满意。
射频工程师养成培训教程套装,助您快速成为一名优秀射频工程师...
天线设计工程师培训课程套装,资深专家授课,让天线设计不再难...
上一篇:基于VB和VC++混合编程的EMI标准自动测试系统软件设计
下一篇:可将数据转换器IP成功集成到系统芯片的12种设计技术

