- 易迪拓培训,专注于微波、射频、天线设计工程师的培养
基于二端口网络理论的开关电源直流EMI滤波器的设计及实现
摘要:介绍了基于二端口网络理论的开关电源直流EMI滤波器设计的一般原理和方法。该原理适合于任何滤波器的设计,在实际应用中取得了良好的滤波效果。
关键词:EMI滤波器;输入导纳;输出阻抗
0 引言
电子技术的迅速发展,对电子仪器和设备提出了更高的要求:性能上,更加安全可靠;功能上,不断增加;使用上,自动化程度越来越高;体积上,要日趋小型化。这使得具有众多优点的开关电源在计算机、通信、航天、彩色电视等方面得到了日益广泛的应用。但是,在开关稳压电源中,开关管工作在开关状态,其交变电压和电流会通过电路的元器件产生很强的尖峰干扰和谐振干扰。这些干扰严重地污染了市电电网,影响了邻近电子仪器及设备的正常工作;同时,由于这一缺点,使得开关电源无法应用于一些精密的电子仪器中,因此,尽量降低开关电源的电磁干扰,提高其使用范围,是从事开关电源设计必须考虑的问题。
本文应用了二端口网络的原理,对开关电源中直流EMI滤波器进行了分析,给出了直流EMI滤波器设计的一般方法及相关参数的计算方法。
1 基于二端口网络直流EMI滤波器的设计
目前广泛使用的开关电源,无论单桥式、推挽式、半桥式、全桥式都可以归纳为图1所示的形式(以单相为例)。

图1 开关电源的一般性原理图
由图1可以看出,通过对直流EMI滤波器的配置,可以改变电路的等效阻抗,进而达到预期的滤波效果。
直流EMI滤波器双端口网络模型如图2所示。其混合参数方程为
(1)
式中:g11为输入导纳;
g22为输出阻抗;
g12为反向电流增益;
g21为正向电压增益。

图2 直流EMI滤波器双端口网络模型
由式(1)可以等效出如图3所示的原理图。

图3 直流EMI滤波器等效原理图
直流EMI滤波器设计必须满足以下几项要求:
1)要保证滤波器在滤波的同时,不影响电源的带负荷能力;
2)对于输入的直流分量,要求滤波器尽量不造成衰减;
3)对于谐波分量,滤波器要有良好的滤波效果。
结合混合参数方程及等效原理图,由要求1)知,滤波器的输入导纳和输出阻抗要尽可能小,即g11=g22=0
由要求2)知,低频时,反向电流增益g12和正向电压增益g21设计值要尽量为1,而输入导纳和输出阻抗要尽可能小,也即g12=g21=1,g11=g22=0;
由要求3)知,高频时,g11,g12,g21,g22都要尽可能地小。
以上的分析结论就是直流EMI滤波器设计的一般方法及滤波效果的评判标准。
2 实例分析
LC滤波器和四阶直流线路滤波器是工程实际中常用的滤波器,下面就以上面的结论分析其滤波效果。图4为LC滤波器原理图。

图4 LC滤波器原理图
其混合参数方程为
(2)
对于直流分量,由于f趋向于0,对应有ω=2πf趋向于0;显然g11=g22=0;g12=g21=1。
对于谐波分量,
|g11|=
;|g12|=
=|g21|;|g22|=
。
考虑到当ωL>10时,显然有g11=g12=g21=g22=0。分析系统的输入导纳和输出阻抗,要保证输入导纳g11趋向于0,必然使得L取值很大;要保证输出阻抗g22趋向于0,必然使得C取值同样很大,这给工程实际应用带来了局限性,这也正是LC滤波器的缺点。
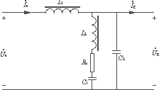
在工程实际中广泛应用的四阶直流线路滤波器其原理图如图5所示。

图5 四阶直流线路滤波器原理图
其混合参数方程为
(3)
式中:
g=
。
如果令z=
,则可以求得相应的参数如下:
g11=gz;g12=g21=z;g22=-L1sz。
下面分析此滤波器电压传递函数的幅频特性,滤波器的电压传递函数为
G(s)=
=
(4)
将参数g代入,应用MATLAB做出其对数幅频特性曲线如图6所示。

图6 系统的幅频特性曲线
显然,在低频段输出电压的衰减较小,高频段的滤波效果比较明显。
由以上分析可以看出,由于此电路元件参数的选择范围较宽,因此较容易设计出满足设计要求,且适用于工程实际的滤波器。作者已将此电路应用到了为长沙某公司所设计的开关电源中。
设计要求为:
1)输入1000V的尖峰电压,最大产生20A电流;
2)滤波器输出电流从0~25A变化时,造成513V电压波动不超过2%。
据此设计要求可得到设计允许值为:
g11=20/1000=0.02;
g22=U/I=(513*2%)/25=0.4。
最终选定的参数值为:
L1=500μH;L2=140μH;R0=0.3Ω;
C1=470μF;C2=40μF。
将这组参数值代入式(3)得到:
g=5;z=0.003;
g11=gz=0.015;g12=g21=0.003;g22=0.2。
加入此滤波器前后开关电源输出电压波形如下图7所示。

(a) 未加滤波器电源输出波形

(b) 加入滤波器后电源输出波形
图7 开关电源输出波形
3 结语
本文应用二端口网络原理,对开关电源EMI滤波器的设计要求进行了分析总结,得出了3条设计要求,它适合于任何滤波器的设计。从该设计要求出发,可以对现有的开关电源EMI滤波器性能进行分析。本文给出了一个应用该要求设计出的EMI滤波器,并用在了工程实际,运行结果表明该原理理论性与实践性均较好,具有通用性。
射频工程师养成培训教程套装,助您快速成为一名优秀射频工程师...
天线设计工程师培训课程套装,资深专家授课,让天线设计不再难...
上一篇:FPGA与DDR3
SDRAM的接口设计
下一篇:SIGLENT
SPD3000系列可编程线性直流电源之LabVIEW控制探索

(2)
(3)