- 易迪拓培训,专注于微波、射频、天线设计工程师的培养
开发板串口介绍(基于飞凌ok210)
开发板串口介绍(基于飞凌ok210)
OK210开发板是一款由保定飞凌嵌入式自主研发的产品,基于ARM Cortex-A8架构,采用了Cortex-A8家族里的三星S5PV210芯片作为主处理器,是一款高性能的的开发平台。
根据一般开发调试的需要,另外考虑到很多客户无论是用做学习板还是去做产品,对板卡的串口都会有要求,所以飞凌在做OK210开发板时已经为使用者预留了一部分串口使用。
S5PV210具备4个独立的UART,速率最大可达3Mbps,其中有2个UART为4线串口,另外两路为2线串口。每个UART包含接收缓存和发送缓存,通信速率和格式可通过S5PV210内部寄存器自由设置。在飞凌OK210开发板的核心板上已经将4路UART全部引出,具体引脚如下
信号名称 | 输入/输出 | 功能描述 | 类型 |
XUTXD[3:0] | 输出 | UART发送数据 | LVCOMS(3.3V) |
XURXD[3:0] | 输入 | UART接收数据 | LVCOMS(3.3V) |
XUCTSN[1:0] | 输入 | UART清除发送(低有效) | LVCOMS(3.3V) |
XURTSN[1:0] | 输出 | UART请求发送(低有效) | LVCOMS(3.3V) |
前边描述的是飞凌OK210对于串口(UART)在核心板方面的线路引出,有了这些接口引出,用户在使用核心板时可以依照自己产品的需求重新做PCB板,从而利用我们提供的核心板做出更适合自己产品的底板。
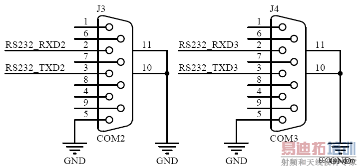
对于飞凌做好的OK210配套的底板,OK210开发板提供两路RS232电平的通用异步串行接口,J3对应的为COM2,为系统调试串口,对应S5PV210的UATR2;J4对应的为COM3,对应S5PV210的UART3,用于用户扩展功能。这两个串行接口采用标准的DB9连接器。电平转换芯片采用MAX232ESE。引脚连接关系图片如下图所示:

如上图所示,DB9接口的第二引脚为RS232数据接收信号,第三引脚为RS232的数据发送信号,第五引脚为信号地,J3、J4采用相同的引脚定义方式,如果将开发板和PC串口连接是需要使用双母头交叉数据线。
OK210开发板另外引出了两路3.3V电平的UART接口UART0、UART1,这两个接口带有CTS、RTS流控信号,该接口的引出是为了方便用户连接3.3V电平的串口设备,并且这两个接口都预留了中断引脚,方便用户功能的扩展。开发板的串口可以接一些通用的串口设备,也可以接飞凌公司生产的使用串口通信的GPS、GPRS等模块。下面详细介绍这两个接口的引脚定义。
UART0接口引脚定义:
引脚序号 | UART0接口信号名称 | 对应核心板引脚 | 功能描述 | 类型 |
1 | CTS | XUCTSN0 | UART0接口允许发送信号 | LVCMOS(3.3V) |
2 | RTS | XURTSN0 | UART0接口请求发送信号 | LVCMOS(3.3V) |
3 | TXD | XUTXD0 | UART0接口数据发送信号 | LVCMOS(3.3V) |
4 | GND | GND | 电源地 | POWER |
5 | VDD | VDDIN | DC5V电源 | POWER |
6 | VDD | VDDIN | DC5V电源 | POWER |
7 | GND | GND | 电源地 | POWER |
8 | RXD | XURXD0 | UART0接口数据接收信号 | LVCMOS(3.3V) |
9 | EN | XPWRRGTON | UART0接口预留使能信号 | LVCMOS(3.3V) |
10 | INT | AC97_SDI | UART0接口预留中断信号 | LVCMOS(3.3V) |
UART1接口引脚定义:
引脚序号 | UART1接口信号名称 | 对应核心板引脚 | 功能描述 | 类型 |
1 | CTS | XUCTSN1 | UART1接口允许发送信号 | LVCMOS(3.3V) |
2 | RTS | XURTSN1 | UART1接口请求发送信号 | LVCMOS(3.3V) |
3 | TXD | XUTXD1 | UART1接口数据发送信号 | LVCMOS(3.3V) |
4 | GND | GND | 电源地 | POWER |
5 | VDD | VDDIN | DC5V电源 | POWER |
6 | VDD | VDDIN | DC5V电源 | POWER |
7 | GND | GND | 电源地 | POWER |
8 | RXD | XURXD1 | UART1接口数据接收信号 | LVCMOS(3.3V) |
9 | EN | XPWRRGTON | UART1接口预留使能信号 | LVCMOS(3.3V) |
10 | INT | AC97_SDO | UART1接口预留中断信号 | LVCMOS(3.3V) |
在串口的使用方面,因为做的串口都是通用的,所以一般的串口只要接口定义相同都是可以外接串口设备的,包括飞凌配套生产的一些GPS、GPRS等模块都可以正常使用。
射频工程师养成培训教程套装,助您快速成为一名优秀射频工程师...

