- 易迪拓培训,专注于微波、射频、天线设计工程师的培养
小间距QFN封装PCB设计串扰抑制分析
录入:edatop.com 点击:
一、引言
随着电路设计高速高密的发展趋势,QFN封装已经有0.5mm pitch甚至更小pitch的应用。由小间距QFN封装的器件引入的PCB走线扇出区域的串扰问题也随着传输速率的升高而越来越突出。对于8Gbps及 以上的高速应用更应该注意避免此类问题,为高速数字传输链路提供更多裕量。本文针对PCB设计中由小间距QFN封装引入串扰的抑制方法进行了仿真分析,为此类设计提供参考。
二、问题分析
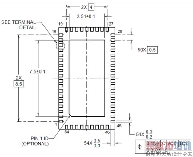
在PCB设计中,QFN封装的器件通常使用微带线从TOP或者BOTTOM层扇出。对于小间距的QFN封装,需要在扇出区域注意微带线之间的距离以及并行走线的长度。图一是一个0.5 pitch QFN封装的尺寸标注图。

图一:0.5 pitch QFN封装尺寸标注图
图二是一个使用0.5mm pitch QFN封装的典型的1.6mm 板厚的6层板PCB设计:

图二:QFN封装PCB设计TOP层走线
差分线走线线宽/线距为:8/10,走线距离参考层7mil,板材为FR4。

图三:PCB差分走线间距与叠层
从上述设计我们可以看出,在扇出区域差分对间间距和差分对内的线间距相当,会使差分 对间的串扰增大。
图四是上述设计的差分模式的近端串扰和远端串扰的仿真结果,图中D1~D6是差分端口。

图四:差分模式端口定义及串扰仿真结果
从仿真结果可以看出,即使在并行走线较短的情况下,差分端口D1对D2的近端串扰在5GHz超过了-40dB,在10GHz达到了-32dB,远端串扰在 15GHz达到了-40dB。对于10Gbps及以上的应用而言,需要对此处的串扰进行优化,将串扰控制到-40dB以下。
三、优化方案分析
对于PCB设计来说,比较直接的优化方法是采用紧耦合的差分走线,增加差分对间的走线间距,并减小差分对之间的并行走线距离。
图五是针对上述设计使用紧耦合差分线进行串扰优化的一个实例:

图五:紧耦合差分布线图
图六是上述设计的差分模式的近端串扰和远端串扰的仿真结果:

图六:紧耦合差分端口定义及串扰仿真结果
从优化后的仿真结果可以看出,使用紧耦合并增加差分对之间的间距可以使差分对间的近端串扰在0~20G的频率范围内减小4.8~6.95dB。远端串扰在5G~20G的频率范围内减小约1.7~5.9dB。

表一:近端串扰优化统计

表二:远端串扰优化统计
除了在布线时拉开差分对之间的间距并减小并行距离之外,我们还可以调整差分线走线层和参考平面的距离来抑制串扰。距离参考层越近,越有利于抑制串扰。在采用紧耦合走线方式的基础上,我们将TOP层与其参考层之间的距离由7mil调整到4mil。

图七:叠层调整示意图
根据上述优化进行仿真,仿真结果如下图:

图八:叠层调整后串扰仿真结果
值得注意的是,当我们调整了走线与参考平面的距离之后,差分线的阻抗也随之发生变化,需要调整差分走线满足目标阻抗的要求。芯片的SMT焊盘距离参考平面 距离变小之后阻抗也会变低,需要在SMT焊盘的参考平面上进行挖空处理来优化SMT焊盘的阻抗。具体挖空的尺寸需要根据叠层情况进行仿真来确定。

图九:叠层调整后QFN焊盘阻抗优化示意图
从仿真结果可以看出,调整走线与参考平面的距离后,使用紧耦合并增加差分对之间的间距可以使差分对间的近端串扰在0~20G的频率范围内减小8.8~12.3dB。远端串扰在0~20G范围内减小了2.8~9.3dB。

表三:近端串扰优化统计

表四:远端串扰优化统计
四、结论
通过仿真优化我们可以将由小间距QFN封装在PCB上引起的近端差分串扰减小8~12dB,远端串扰减小3~9dB,为高速数据传输通道提供更多裕量。本 文涉及的串扰抑制方法可以在制定PCB布线规则和叠层时综合考虑,在PCB设计初期避免由小间距QFN封装带来的串扰风险。
随着电路设计高速高密的发展趋势,QFN封装已经有0.5mm pitch甚至更小pitch的应用。由小间距QFN封装的器件引入的PCB走线扇出区域的串扰问题也随着传输速率的升高而越来越突出。对于8Gbps及 以上的高速应用更应该注意避免此类问题,为高速数字传输链路提供更多裕量。本文针对PCB设计中由小间距QFN封装引入串扰的抑制方法进行了仿真分析,为此类设计提供参考。
二、问题分析
在PCB设计中,QFN封装的器件通常使用微带线从TOP或者BOTTOM层扇出。对于小间距的QFN封装,需要在扇出区域注意微带线之间的距离以及并行走线的长度。图一是一个0.5 pitch QFN封装的尺寸标注图。

图一:0.5 pitch QFN封装尺寸标注图
图二是一个使用0.5mm pitch QFN封装的典型的1.6mm 板厚的6层板PCB设计:

图二:QFN封装PCB设计TOP层走线
差分线走线线宽/线距为:8/10,走线距离参考层7mil,板材为FR4。

图三:PCB差分走线间距与叠层
从上述设计我们可以看出,在扇出区域差分对间间距和差分对内的线间距相当,会使差分 对间的串扰增大。
图四是上述设计的差分模式的近端串扰和远端串扰的仿真结果,图中D1~D6是差分端口。

图四:差分模式端口定义及串扰仿真结果
从仿真结果可以看出,即使在并行走线较短的情况下,差分端口D1对D2的近端串扰在5GHz超过了-40dB,在10GHz达到了-32dB,远端串扰在 15GHz达到了-40dB。对于10Gbps及以上的应用而言,需要对此处的串扰进行优化,将串扰控制到-40dB以下。
三、优化方案分析
对于PCB设计来说,比较直接的优化方法是采用紧耦合的差分走线,增加差分对间的走线间距,并减小差分对之间的并行走线距离。
图五是针对上述设计使用紧耦合差分线进行串扰优化的一个实例:

图五:紧耦合差分布线图
图六是上述设计的差分模式的近端串扰和远端串扰的仿真结果:

图六:紧耦合差分端口定义及串扰仿真结果
从优化后的仿真结果可以看出,使用紧耦合并增加差分对之间的间距可以使差分对间的近端串扰在0~20G的频率范围内减小4.8~6.95dB。远端串扰在5G~20G的频率范围内减小约1.7~5.9dB。

表一:近端串扰优化统计

表二:远端串扰优化统计
除了在布线时拉开差分对之间的间距并减小并行距离之外,我们还可以调整差分线走线层和参考平面的距离来抑制串扰。距离参考层越近,越有利于抑制串扰。在采用紧耦合走线方式的基础上,我们将TOP层与其参考层之间的距离由7mil调整到4mil。

图七:叠层调整示意图
根据上述优化进行仿真,仿真结果如下图:

图八:叠层调整后串扰仿真结果
值得注意的是,当我们调整了走线与参考平面的距离之后,差分线的阻抗也随之发生变化,需要调整差分走线满足目标阻抗的要求。芯片的SMT焊盘距离参考平面 距离变小之后阻抗也会变低,需要在SMT焊盘的参考平面上进行挖空处理来优化SMT焊盘的阻抗。具体挖空的尺寸需要根据叠层情况进行仿真来确定。

图九:叠层调整后QFN焊盘阻抗优化示意图
从仿真结果可以看出,调整走线与参考平面的距离后,使用紧耦合并增加差分对之间的间距可以使差分对间的近端串扰在0~20G的频率范围内减小8.8~12.3dB。远端串扰在0~20G范围内减小了2.8~9.3dB。

表三:近端串扰优化统计

表四:远端串扰优化统计
四、结论
通过仿真优化我们可以将由小间距QFN封装在PCB上引起的近端差分串扰减小8~12dB,远端串扰减小3~9dB,为高速数据传输通道提供更多裕量。本 文涉及的串扰抑制方法可以在制定PCB布线规则和叠层时综合考虑,在PCB设计初期避免由小间距QFN封装带来的串扰风险。
射频工程师养成培训教程套装,助您快速成为一名优秀射频工程师...
天线设计工程师培训课程套装,资深专家授课,让天线设计不再难...
上一篇:获取大量正确、标准的原理
库和PCB库方法
下一篇:PCB布局经验谈
射频和天线工程师培训课程详情>>

