- 易迪拓培训,专注于微波、射频、天线设计工程师的培养
基于ARM Cortex A9核心Rayeager PX2开发板电路
录入:edatop.com 点击:
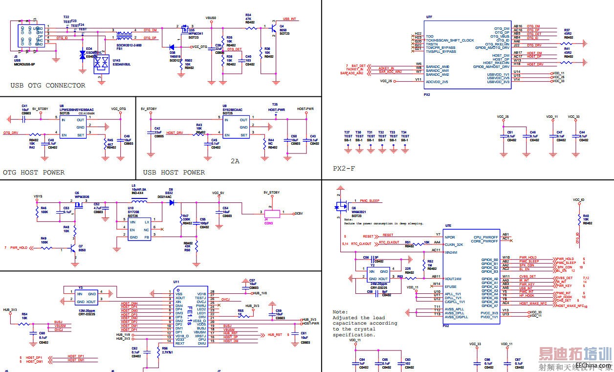
Rayeager PX2增强版采用Rockchip PX2处理器,内置双核ARM Cortex-A9核心,内存1GB DDR3@400MHz,最高运行频率1.4GHz,配备Mali-400 MP4 GPU,支持OpenGL ES 1.1/2.0和OpenVG 1.1,同时支持ARM DS-5 Streamline性能分析工具,支持XBMC以及最新Android 4.4.2,LCD、VGA、HDMI,拥有95个扩展引脚,包括GPIO、I2Cx3、SPI、CIF、RGB、SARADC、HSADC、UART、PWMx2、TS等常见接口。在安防、智能家居、导航仪、车载电子、点播系统等方面均可应用,领域广泛。


电路图:
PX2_V10_20140111.pdf(1.1 MB, 下载次数: 83)


电路图:
PX2_V10_20140111.pdf(1.1 MB, 下载次数: 83)
射频工程师养成培训教程套装,助您快速成为一名优秀射频工程师...
天线设计工程师培训课程套装,资深专家授课,让天线设计不再难...
上一篇:浅谈PCB多层板设计时的EMI的规避技巧
下一篇:TPS2377接口电路
射频和天线工程师培训课程详情>>

