- 易迪拓培训,专注于微波、射频、天线设计工程师的培养
浅谈简化便携式医疗设备原理及设计
医疗电器OEM厂商正在开发技术含量更高的、用于治疗和监控常见疾病的个人保健设备。这些产品价格合理,极大提高了医疗保健质量。MCU在家用血压计、肺活量计、脉搏血氧计及心率监测器等便携式医疗设备中起着重要作用。将高性能模拟外设嵌入超低功耗 MCU 中,不仅可以实现便携式医疗电子设备的片上系统化,而且还可延长电池使用寿命。本文将介绍简化便携式电池供电医疗设备的模拟前端设计的多种方法。将上述外设与 MCU 结合使用,不仅可以实现上述全部功能,而且还可通过关闭外设使其进入待机模式(电流消耗仅为几mA)来满足功耗要求。
MCU(Micro Control Unit)中文名称为微控制单元,又称单片微型计算机(Single Chip Microcomputer)或者单片机,是指随着大规模集成电路的出现及其发展,将计算机的CPU、RAM、ROM、定时计数器和多种I/O接口集成在一片芯片上,形成芯片级的计算机,为不同的应用场合做不同组合控制常见存储器件。MCU同温度传感器之间通过I2C总线连接。I2C总线占用2条MCU输入输出口线,二者之间的通信完全依靠软件完成。温度传感器的地址可以通过2根地址引脚设定,这使得一根I2C总线上可以同时连接8个这样的传感器。本方案中,传感器的7位地址已经设定为1001000。MCU需要访问传感器时,先要发出一个8位的寄存器指针,然后再发出传感器的地址(7位地址,低位是WR信号)。
MCU读取传感器的测量值后,接下来就要进行换算并将结果显示在LCD上。整个处理过程包括:判断显示结果的正负号,进行二进制码到BCD码的转换,将数据传到LCD的相关寄存器中。数据处理完毕并显示结果之后,MCU会向传感器发出一个单步指令。单步指令会让传感器启动一次温度测试,然后自动进入等待模式,直到模数转换完毕。MCU发出单步指令后,就进入LPM3模式,这时MCU系统时钟继续工作,产生定时中断唤醒CPU。定时的长短可以通过编程调整,以便适应具体应用的需要。
MSP430FG4619就是一个很好的例子,其16 位RISC CPU不仅能提供所需的信号处理能力,而且还具有超低的工作电流,使电池在此类应用中的寿命可达数年之久。该 MCU 集成了运算放大器、12位多通道ADC及双 12 位 DAC等外设,是模拟信号处理电路的一部分。除嵌入高性能模拟外设之外,该器件还具有 120KB的片上闪存及通用串行通信接口(USCI)。 以下为集成模拟外设实现医疗产品单芯片解决方案的具体介绍。
血压计
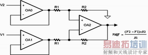
图1为血压计功能结构图。该应用通常使用桥式压力变送器作为传感器,与充气式袖袋相连。变送器可通过端口引脚激活,由于仅在压力测量时被激活,所以可以显着节省电能。传感器的mV级输出与压力成正比。此信号在数字化之前需要放大,然后由ADC进行测量。放大后的信号可检测科罗特科夫 (Korotkoff) 音并确定心脏收缩及舒张压读数。MCU中的3个运算放大器能够出色地完成这项工作。几个放大器共同组成的高增益差动放大器功能块可消除应用中的共模噪声。使用 3 个放大器的差动放大器功能块如图 2 所示。放大后的信号从内部输入至 12 位ADC。器件中的DMA外设可以进行高效的数据处理,能够快速执行Korotkoff音检测算法,并滤掉影响测量结果的噪声。

图1 血压计功能结构图
MCU 中PWM 输出控制的直流电马达对袖袋进行充/放气。这是该血压计唯一用到 6V 电源驱动马达的地方。如果不能满足电源需求,整个血压计可以用一节 3V 锂离子钮扣电池供电。不过,目前只有少数马达可以靠这种高阻抗钮扣电池驱动,所以,此例可以使用4节普通低成本AAA碱性电池及低压降稳压器 (LDO) 为MCU提供 3.3V电源。假设每天测量两次血压,这些电池可以使用两年。MCU可以长期工作在活动显示计时模式,原因是该模式的电流消耗非常小。另外,用户查看存储的血压读数时也不会增加电流消耗。此外,集成的双通道 DAC能够产生相移180°的正弦波,从而可以提高变送器性能。
肺活量计
肺活量计也称为肺功能测试 (PFT)设备,在医疗诊断中用于测试肺容量。在该应用中,测量参数是一定呼气时间内的气流量,单位为升/分钟。所用传感器是气动变送器,实际上是压差变送器。除了无需充气马达外,该肺活量计与血压计设计类似。3个MCU运算放大器用作测量气流的传感器放大器。肺活量计其他部分的设计比较简单,12 位 ADC的作用是测量气流并与存储的标准化数值进行比较。闪存有助于存储各种标准化数值,使设计适用于各种情况。图 1 可以作为该肺活量计的参考设计(系统所用的变送器比较相似)。请注意,肺活量计无需马达控制。另外,MCU的低功耗特性延长了电池使用时间,其高集成度降低了成本并提高了系统可靠性。

图2 差动放大器
脉搏血氧计及心率监测器
心率监视和脉搏血氧计采用的技术不止一种。本文着重介绍非侵入式光学体积描记技术。此类血氧计采用配有MCU的外部探头,能够显示血氧饱和度及脉搏率。在此应用中,同一个传感器可同时用作心率检测及脉搏血氧测量。该技术提供了估测动脉血氧饱和度和心率的简单而精确的办法。探头置于指尖、耳垂和鼻子等身体不同位置。探头包含两个发光二极管(LED),其中一个发射可见红光(660nm),另一个发射红外线(940nm)(见图 3)。光束通过人体组织到达光电检测器。在通过人体组织时,红血球中的血色素会吸收部分光线,吸收量因血氧饱和度的不同而不同。首先,通过测量对两个波长光线的吸收量,MCU能够精确计算出氧化的血色素比例。其次,通过人体组织的光线中含有因心跳造成动脉血量不同而产生的脉冲分量。

图3探头上配有两个LED
必须使用恒流源驱动这两个LED,以确保测量过程中保持稳定的亮度。具有自动增益控制(AGC) 反馈的恒流源可以通过采用内部 DAC及简单MCU算法而获得。MCU能够选择输出血液脉动部分的吸收量,动脉血液、非脉动静脉血液或毛细血管血液以及其它人体组织色素均会吸收光线。最新测量技术降低了测量血氧饱和度时的干扰效应。两个LED周期性打开,红光LED开启,然后红外线LED开启,最后两个都关闭,每秒钟重复几次,这种时分多路复用技术消除了背景噪声的干扰。这种更先进的技术有可能消除运动或电磁干扰产生的大气干扰,原因是两种LED信号在再组合时相位有差异 。5~20s可 以测出平均血样饱和度,通过连续脉动信号之间的LED周期数能够计算出脉搏率,得出脉搏率平均值大概与得出饱和度平均值的时间近似,这与具体的监控器有关。
MCU根据两种频率光线的吸收比例计算两个参数的比值。MCU 闪存中存储了一系列通过实验得到的血氧饱和值(志愿者在实验中呼吸气体的氧气含量逐渐增加)。MCU将测量到的两种光线波长吸收率的比值与存储值比较,然后以百分比显示血氧饱和度。通常情况下,血氧饱和值在70%~100%之间,低于70%的数据是估测得出的,因为无法获得人体血氧含量低于70%的数据。

图4 基于MSP430FG461x的脉搏血氧计
结语
在上述便携式医疗应用中,超低功率微控制器MSP430FG461x作为单芯片解决方案,具有多种优势。ADC的高精度很容易满足测量类应用的需求。片上运算放大器及 DAC非常有助于信号调节和自动增益控制。为测量类应用选择了合适 的MCU之后 ,系统设计师下一步就要进行软件开发。由于MCU能够提供片上仿真功能,所以设计人员可以通过JTAG端口进行实时调试。现有多种编译器及调试器可用,且调试器硬件很便宜。
射频工程师养成培训教程套装,助您快速成为一名优秀射频工程师...
天线设计工程师培训课程套装,资深专家授课,让天线设计不再难...
上一篇:便携式多媒体系统实现高质量音频方案介绍
下一篇:基于MCU的离线锂电池充电器设计

