- 易迪拓培训,专注于微波、射频、天线设计工程师的培养
电源设计到位需注意--固本问题
1. 开关电源这5V输出的问题
经常有人抱怨自己的设计的系统在实验室或生产车间里调试老化时一点问题都没有,可一到现查就不是频繁复位就是采样数据受干扰,真是干扰不断。后来打开机箱看了之后发现其供电系统直接是用开关电源的5V输出供电,正常情况下其输出纹波仅有几十毫伏,可到现场一看情况完全变了,压根是几倍的关系,而且串进来的噪音更是让人害怕。于是这给我们带来了好的机会,这5V开关电源如何用才能降低其噪音,最起码能在降到对整个系统工作的影响达到我们所要求的范围内。
那么目前我们怎么做才能达到这个要求的范围,很简单,充分利用LDO和开关电源上的电位器即可(图1-1)。

方法是在你的原始设计中电源上一定预留好LDO的位置,今天的LDO已经不是往日的78XX那样个头笨重,压降甚大的年代,哪怕你的系统开关电源质量足够好,别吝惜这该花的价钱,无非是不需要时我可以不焊接补上根短路线。
这其中涉及到一个LDO的选型问题,实际此时在LDO选取时无非要注意三个问题,一是你系统的最大耗电电流,二是想达到最低噪声等级,除此之外就是如果你是5V系统只有0.3V的压差空间对于一般的5V输出开关电源,这是因为开关电源的输出一般可以在±1%内可调,也就是±0.5V的范围,你总要给开关电源电压输出能力也留出点余量,这其中必须清楚一个概念就是LDO的压差定义是当输出电压从器稳定电压跌落2%时输入与输出之间的最小电压差。根据以上条件你可以在TI,ON,linear……等公司的网站上选取合适的LDO品种,品种极为丰富,在设计的时候一个关键点是必须通读人家提供的datasheets文件,特别是注意LDO输出电容的选择,到底可不可以用电解电容还是陶瓷电容或钽电容,这东西可要看清楚些,否则LDO的噪音也是压不住的。另一个关键点是看好人家LDO的PCB标准布线结构图,不要轻视这个,比你花更多时间去创新要好得多,毕竟是人家厂商的芯片设计的延伸。事实上以往有众多兄弟用TI的TPS系列低噪音LDO降不下来噪音,结果拿原厂DEMO板测试结果就是不一样,最后查到的原因还是布板问题。
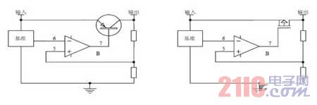
在LDO的选择上我们往往最好还要知道的工艺结构特点,当然这不是完全必须的。目前市面的LDO有双极工艺的和CMOS工艺的。图1-2所示的双极性LDO和CMOS LDO的基本拓扑结构,二者构成的区别说简单就是一个是晶体管构成,一个是MOS管构成;二者的共同点都是基准,运放,调整管闭环结构。对于PNP晶体管的双极性LDO其典型压差约为0.3V,实际可能略有差别,但总体比CMOS LDO的要高。另外CMOS LDO的压差取决与其内部的MOSFET的导通电阻,这种类型器件的一个特点是压差基本上与输出电流同方向变化,即输出电流越大压差越大。CMOS LDO的一个好处是输出电流加大只与MOSFET调整管有关,不会增加地线电流,而双极性LDO则不具备此类优势,当输入输出电压接近时,PNP管的基极电流要增加,如果时电池供电系统要发生此种情况恰好是电池电压最低的时候,实际上也是容易对电池造成损坏最大的时候。

图1-2
当然我们也不能否认双极性LDO落伍,实际不然,目前同功率等级的LDO中,双极性LDO往往比CMOS LDO具有更低的输出噪音,在一些噪声敏感的的电路和一些传感器激励电路中噪声的选择往往是关键因素之一,这时选择双极性LDO有相当的优势。试验过在某24位AD系统中由于合理利用双极性LDO替代原来的CMOS LDO,有效数位至少增加了半位,当时知识水平所限搞不懂原因,只是单纯认为双极性LDO的调整管是电流驱动型其抗干扰能力要优于MOSFET电压驱动,实际上这部分还要涉及到某些晶体管的频响特性要优于MOSFET的频响特性等原因。
射频工程师养成培训教程套装,助您快速成为一名优秀射频工程师...

