- 易迪拓培训,专注于微波、射频、天线设计工程师的培养
电流互感器及其应用
录入:edatop.com 点击:
一、关于电流互感器
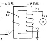
电流互感器是一种特殊变压器,其工作原理和变压器相似。所不同的是在变压器的铁芯内,产生交变主磁通是由一次绕组两端所加的交流电压的电流产生。铁芯内的交变主磁通在电流互感器的二次绕组内感应出相应的二次电动势和二次电流。

由于一次绕组和二次绕组绕制于同一个铁芯故被同一交变主磁通所交链,所以在数值上一次绕组和二次绕组的电流和匝数积应相等,即I1n1=I2n2,所以I1/I2=n2/n1=K,K称为电流互感器的变比。
电流互感器主要用于将电力系统中的高电压大电流按一定比例转换成低电压、小电流,即不管一次侧电流有多大,二次侧(一般)都是5A。供给仪表、仪器、继电器等作为测量,保护用。
二、电流互感器在使用中应注意事项:
1、运行中的电流互感器二次侧决不允许开路,在二次侧不能安装熔断器、刀开关。这是因为电流互感器二次侧绕组匝数远远大于一次侧匝数,在开路的状态下,电流互感器相当于一台升压变压器。根据有关资料显示,其电压值可达1000V左右。危及工作人员安全。故在一次侧有电流的情况下,二次侧除了采用相应短接措施外(电流互感器在工作时近似处于短路状态,故可将K1、K2直接短接并接地),不得施工。切记。
2、电流互感器安装时,应将电流互感器的二次侧的一端(一般是K2)、铁芯、外壳做可靠接地。以预防一、二侧绕组因绝缘损坏,一次侧电压串至二次侧,危及工作人员安全。
3、电流互感器安装时,应考虑精度等级。精度高的接测量仪表,精度低的用于保护。选择时应予注意。
4、电流互感器安装时,应注意极性(同名端),一次侧的端子为L1、L2(或P1、P2),一次侧电流由L1流入,由L2流出。而二次侧的端子为K1、K2(或S1、S2)即二次侧的端子由K1流出,由K2流入。L1与K1,L2与K2为同极性(同名端),不得弄错,否则若接电度表的话,电度表将反转。
5、电流互感器一次侧绕组有单匝和多匝之分,LQG型为单匝。而使用LMZ型(穿心式)时则要注意铭牌上是否有穿心数据,若有则应按要求穿出所需的匝数。注意:穿心匝数是以穿过空心中的根数为准,而不是以外围的匝数计算(否则将误差一匝)。
6、电流互感器的二次绕组有一个绕组和二个绕组之分,若有二个绕组的,其中一个绕组为高精度(误差值较小)的一般作为计量使用,另一个则为低精度(误差值较大)一般用于保护。
7、电流互感器的联接线必须采用2.5mm2的铜心绝缘线联接,有的电业部门规定必须采用4mm2的铜心绝缘线,但我的看法没必要。
三、电流互感器的应用
1、交流电流的测量
设备是否运行在额定电流值,设置电流测量装置是必要的技术措施。有关规定40KW以上的设备,必须装设电流表进行监控。
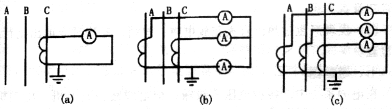
交流电流的测量有直接测量和经电流互感器扩大测量的方式。直接测量就是将适当的电流表串接电流回路上。而下图所示电路均为经电流互感器接入式测量。

(a)采用一台电流互感器测量三相平衡线路中的电流。电流互感器选择的是以电流表量程依据,而电流表的量程则是根据负载电流的实际值,应占电流表总量程的2/3至满度值之间。比如一台设备额定电流为100A,则选择满度值为150A的电流表。此时电流互感器的互感比则应选150/5A,电流表也相应选比值为150/5A的电流表。读数时则以表指示值直读。
(b)采用二台电流互感器,接成不完全星形,用以测量三相平衡或不平衡线路中的三相电流。
(c)采用三台电流互感器,接成完全星形接法,用以测量三相平衡或不平衡线路中的三相电流。
2、交流电度的测量
为了扩大交流电度表的量程,工厂最常用的是采用电流互感器的方法来扩大量程。


(1)、第一图是采用单相电度表加电流互感器的测量方法。可用于测量三相平衡或单相电度计量。
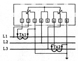
(2)、第二图是采用二元件三相三线有功电度表,加二个电流互感器的测量方法。可用于测量三相平衡或不平衡线路中的电度计量。
(3)、第三图是采用三相四线有功电度表,加三个电流互感器的测量方法。可测量三相平衡或不平衡线路中的电度计量。
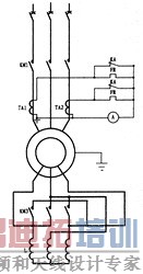
3、电力拖动线路中的保护
大功率电动机中的过载保护,往往由于电流大,而无法购到相应的热继电器,在这样的情况下,一般采用加装电流互感器的方法来解决。其实质是将大电流变换成小电流用5A以内的热继电器足可满足过载保护的要求。



(1)、图一:电流互感器用于大功率自耦降压启动,电动机中的过载保护。
(2)、图二:电流互感器用于大功率频敏变阻器启动,电动机中的过载保护。
(3)、图三:电流互感器用于大功率星-角降压启动,电动机中的过载保护。
电流互感器是一种特殊变压器,其工作原理和变压器相似。所不同的是在变压器的铁芯内,产生交变主磁通是由一次绕组两端所加的交流电压的电流产生。铁芯内的交变主磁通在电流互感器的二次绕组内感应出相应的二次电动势和二次电流。

由于一次绕组和二次绕组绕制于同一个铁芯故被同一交变主磁通所交链,所以在数值上一次绕组和二次绕组的电流和匝数积应相等,即I1n1=I2n2,所以I1/I2=n2/n1=K,K称为电流互感器的变比。
电流互感器主要用于将电力系统中的高电压大电流按一定比例转换成低电压、小电流,即不管一次侧电流有多大,二次侧(一般)都是5A。供给仪表、仪器、继电器等作为测量,保护用。
二、电流互感器在使用中应注意事项:
1、运行中的电流互感器二次侧决不允许开路,在二次侧不能安装熔断器、刀开关。这是因为电流互感器二次侧绕组匝数远远大于一次侧匝数,在开路的状态下,电流互感器相当于一台升压变压器。根据有关资料显示,其电压值可达1000V左右。危及工作人员安全。故在一次侧有电流的情况下,二次侧除了采用相应短接措施外(电流互感器在工作时近似处于短路状态,故可将K1、K2直接短接并接地),不得施工。切记。
2、电流互感器安装时,应将电流互感器的二次侧的一端(一般是K2)、铁芯、外壳做可靠接地。以预防一、二侧绕组因绝缘损坏,一次侧电压串至二次侧,危及工作人员安全。
3、电流互感器安装时,应考虑精度等级。精度高的接测量仪表,精度低的用于保护。选择时应予注意。
4、电流互感器安装时,应注意极性(同名端),一次侧的端子为L1、L2(或P1、P2),一次侧电流由L1流入,由L2流出。而二次侧的端子为K1、K2(或S1、S2)即二次侧的端子由K1流出,由K2流入。L1与K1,L2与K2为同极性(同名端),不得弄错,否则若接电度表的话,电度表将反转。
5、电流互感器一次侧绕组有单匝和多匝之分,LQG型为单匝。而使用LMZ型(穿心式)时则要注意铭牌上是否有穿心数据,若有则应按要求穿出所需的匝数。注意:穿心匝数是以穿过空心中的根数为准,而不是以外围的匝数计算(否则将误差一匝)。
6、电流互感器的二次绕组有一个绕组和二个绕组之分,若有二个绕组的,其中一个绕组为高精度(误差值较小)的一般作为计量使用,另一个则为低精度(误差值较大)一般用于保护。
7、电流互感器的联接线必须采用2.5mm2的铜心绝缘线联接,有的电业部门规定必须采用4mm2的铜心绝缘线,但我的看法没必要。
三、电流互感器的应用
1、交流电流的测量
设备是否运行在额定电流值,设置电流测量装置是必要的技术措施。有关规定40KW以上的设备,必须装设电流表进行监控。
交流电流的测量有直接测量和经电流互感器扩大测量的方式。直接测量就是将适当的电流表串接电流回路上。而下图所示电路均为经电流互感器接入式测量。

(a)采用一台电流互感器测量三相平衡线路中的电流。电流互感器选择的是以电流表量程依据,而电流表的量程则是根据负载电流的实际值,应占电流表总量程的2/3至满度值之间。比如一台设备额定电流为100A,则选择满度值为150A的电流表。此时电流互感器的互感比则应选150/5A,电流表也相应选比值为150/5A的电流表。读数时则以表指示值直读。
(b)采用二台电流互感器,接成不完全星形,用以测量三相平衡或不平衡线路中的三相电流。
(c)采用三台电流互感器,接成完全星形接法,用以测量三相平衡或不平衡线路中的三相电流。
2、交流电度的测量
为了扩大交流电度表的量程,工厂最常用的是采用电流互感器的方法来扩大量程。


(1)、第一图是采用单相电度表加电流互感器的测量方法。可用于测量三相平衡或单相电度计量。
(2)、第二图是采用二元件三相三线有功电度表,加二个电流互感器的测量方法。可用于测量三相平衡或不平衡线路中的电度计量。
(3)、第三图是采用三相四线有功电度表,加三个电流互感器的测量方法。可测量三相平衡或不平衡线路中的电度计量。
3、电力拖动线路中的保护
大功率电动机中的过载保护,往往由于电流大,而无法购到相应的热继电器,在这样的情况下,一般采用加装电流互感器的方法来解决。其实质是将大电流变换成小电流用5A以内的热继电器足可满足过载保护的要求。



(1)、图一:电流互感器用于大功率自耦降压启动,电动机中的过载保护。
(2)、图二:电流互感器用于大功率频敏变阻器启动,电动机中的过载保护。
(3)、图三:电流互感器用于大功率星-角降压启动,电动机中的过载保护。
射频工程师养成培训教程套装,助您快速成为一名优秀射频工程师...
天线设计工程师培训课程套装,资深专家授课,让天线设计不再难...
上一篇:为笔记本电脑选择电源管理IC
下一篇:浅谈防雷器在电源系统中的应用
射频和天线工程师培训课程详情>>

