- 易迪拓培训,专注于微波、射频、天线设计工程师的培养
轻松制作极品胆前级
近几年,胆机又逐渐被人们认可和接受,在发烧圈也掀起了一股胆机制作热潮。而在粗机中,胆前级因线路简单,调试容易,因而制作成功率相对较高。由于发烧友大多敷巳拥有性能不错的晶体管后圾,搭配—台极品胆前级,可以帮助你迅速进入发烧境界。"前胆后 石"组合成许更适合大多数发烧友的口味。这里推荐几款极前级电路供发烧友参考,以下电路均为双声道设计,仅给出一个声道的主体电路,另一声道图略。
1.马蹄斯胆前级:
原理图如图1所示。该电路仿英 国马蹄斯"Reference"电子管前级,马蹄斯胆前级是以其卓尔不群的设计观念,至纯至真一尘不染的透明音质闻名于世。其线路是胆前级中性价比较高,也是最易装配的一种。其用12AX7与12AT7作两级放大,具有输出电流大、全频表现平均、分析力高,音质感强等特点。
发烧友还可采用并连的方法来摩此电路(可参考后面介绍的JADIS电路),这时左右声道各用一只12AX7与12AT7放大(外围电阻稍作调整),其声道分离度更高,音色更美。

2.改进型马兰士7胆前级:
原理如图2所示。该线路 用12AX7作两级放大,后接12AU7阴极跟随器作为信号 缓冲。众所周知,马兰士7胆前级以其中频甜美而著称, 但其分析力及高低顿延伸度欠佳。针对传统马兰士7胆前级的不足,对耦合电容 容量的选取以及负反馈环路的选取作了一些调整。改 进后的马兰士7胆前级,高、低频重放有了一定的延伸度和力度感,但中频更佳,该胆前级最适合听人声与 弦乐。

3.和田茂氏胆前级:
原理图如图3所示,针对传统马兰士7电路的一些不足,日本人和田茂在马兰士7电路基础上进行改进,改进后的电路称之为和田茂氏 电路。其主要特点是用SRPP电路代替了马兰士7电路 的阴极跟随器。由于SRPP输出级并没有任何电压放大作用,只是作为一个缓冲器使用,比起普通的阴极输出器来说其驱动负载能力更强,在音色方面,它保 持了马兰士7线路中频甜润的特色,其分析力与高低频响应比马兰士7较佳,信噪比相对较高,该电路所用的电子管也可全部改用12AT7。

4.JADIS胆前级:
原理图如图4所示。该电路路取自法国"JADIS JP2000"旗舰前级经典电路。其采用12AT7作两级电压放大,并用12AT7作阴极输出。使前后级阻抗能很好地匹配,井提高负载能力。为了得到较 大的输出电流和较低的输出阻抗,该电路将双三极管并联使用,这也是其点之一,其音质醇和通透,比马 兰士7更具有浓烈的音乐味,高频与低顿也明显性于马 兰士7,最适合欣赏古典音乐。

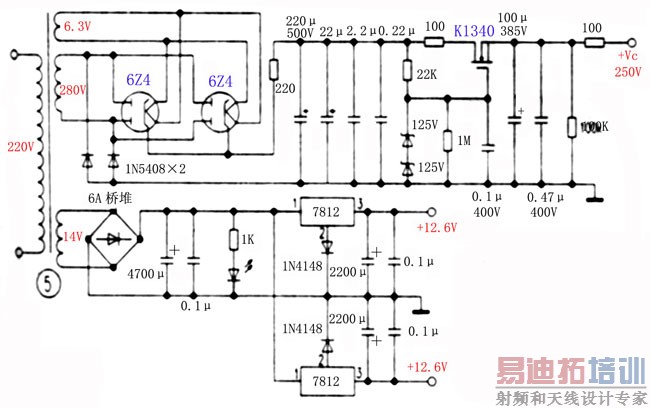
图5是一款简单易制、性能出众的胆机稳压电源。该电路结合了电子管与昌体管的特点,取长补短,同时也降低了电源变压器的工艺要求。高压采用日立场效应管 稳压,灯丝采用直流+12.6V供电可进一步降低整机噪声,以上胆前级除改进型马兰士7外(该板为胆整流,胆稳压、主板、电源一体化大板双面镀金设计)均可与该电源板搭配使用。

对胆机制作,一些发烧友特别推崇搭棚焊接法。但 对初学者而富,成功率不高,噪声较难处理,且纯手工制作,产量不大,不适合批量生产。笔者认为;胆机要想得到普及,应走与线路板装配生产相结合之路。笔者使 用的线路板由专业线路饭厂家制作,主板为加厚双面孔化镀金玻璃纤维板,而电源板为单面玻璃纤维板,便于摩机。板上印字清晰,只要稍懂无线电基础知识,哪怕你从未装配过胆机,按印板所标数值装配,确保你一次装配成功,所装整机的性噪比均达到或超过搭棚焊接的同类产品。夜深入静时把音量旋至最大,耳贴近音 箱仅听到轻微的胆管本底热噪声。
俗话说:"好马配金鞍"。胆机制作中,元器件的选取也至关重要,为确保质量,建议均采用全新器件制作。笔者使用厂家提供的套件,电子管为国产出口型产 品,电阻为2W、3W美国电阻,如DALE电阻。AB碳阻等。
而电容4.7μF/400V以下则选用音乐味浓的法国苏伦 大S MKP电窖,电解则选用ELNA、ERO,SAMWHA、Rubycon等品牌。变压器则有A级材料制作的100W E型 和R型两种规格可供发烧友选择。对于相关部件如音源选择。音量控制,也有多种方案可供选择,如继电器音源切换,手动音量控制板,顶极音量控控板(继电器切换不同阻值的光音电阻),镀金输入、输出端子,豪华机箱等,这样组装的整机,无论音质或外观都毫不逊色于一些高品机,改变了"土炮"产品登不了大雅之堂的 局面。
装配时,参考原理图,采用含银量较高的优质焊锡 丝把所有元件焊在线路板上(包括电子管管座)装好主板及电源板,用万用表测量电源饭输出 直流高压应在+250V左右,灯丝电压应 在12.6V,若电压正常,检查主板元件装配无误后,即可装好主板电子管,连接好电源线及输入输出插座即可试音。若试音正常后,即可把所有器件安装到胆前级机箱内。整机组装完成后,就可以慢慢品味发烧胆机的醉人音色!
射频工程师养成培训教程套装,助您快速成为一名优秀射频工程师...
天线设计工程师培训课程套装,资深专家授课,让天线设计不再难...
上一篇:高速应用中电流反馈运放电路设计分析
下一篇:凌力尔特新型灌封式6A至12A
DC/DC
μModule稳压器系列

