- 易迪拓培训,专注于微波、射频、天线设计工程师的培养
开关电源驱动保护电路
录入:edatop.com 点击:
1.引言
开关电源发展趋势是工作频率越来越高,实用频率已接近或超过1MHz,且超大功率器件的驱动也比较困难,随着使用频率的进一步提高,高速开关与大功率M0SFET的转换(过渡)过程就成为整个开关过程的重要因素。转换过程的快慢,不仅决定了工作频率的设计指标,而且对开关电源的效率、可靠性、寿命等带来了很大影响。保护线路是否灵敏、可靠与完善,与开关器件的安全运行至关重要。
2.常规驱动与保护电路
通常设计的驱动电路,多为采用脉冲变压器耦合,优点是:结构简单,适用中小变换设备上。缺点是:不适用大型设备上的大功率M0SFET或IGBT器件,而且存在波形失真,容易振荡,尤其是脉冲变压器耦合不良漏感偏大时更为严重,抗干扰与抑制误触能力低。这是一种无源驱动器,而高频大功率器件M0SFET与IGBT,宜采用有源驱动器。
通常保护电路,利用互感器实现电流--电压的比值转换,信号的电平高于稳压管稳压值输入PWM芯片的保护脚截止振荡工作的保护方式。这种电路的缺点是:响应速度慢,动作迟缓,对短路性电流增长过快下,可能来不及动作。
而采用电子高速检测保护电路,则过流动作响应速度极快,可靠性高,效果好,是一种理想的保护电路,克服了利用互感器的一些不足。
2.1 驱动电路(电压型):
如图1所示:图1(a)适合于低频小电流驱动。当控制信号Vi为高电平时,V1导通,输出Vo对应控制的开关管(IGBT)导通;当控制信号Vi为低电平时,V2导通,输出Vo对应控制的开关管(IGBT)被关断。
图1(b)采用场效应管组成推挽电路,其工作原理同图1(a),这种电路高频峰值驱动电流可达10A以上,适用于大功率M0SFET或IGBT。
2.2 电子高速检测保护电路:
如图2所示:在正常工作时,V2导通VDS处于低电平,A点电位通过D2回流至D点,因为漏极处于低电位,所以A点也处于低电位状态,不对V1产生偏置构成对V2的影响。
当M0SFET过流时,漏极电压VDS迅速上升,D2承受反向电压截止,由R1、C1的充电作用,A点电位开始升高,直到使V1导通,将G极电位下拉接近0V,从而使M0SFET可靠关断而处于截止状态,限制了过电流。R1、C1有两个作用,其一是当FET的栅极加速向偏置信号使其导通瞬间,C1瞬间短路,保持V1的截止状态,以至不影响FET的开通,当C1充电电压上升时,还没到V1开通,FET已经开通,由D2的作用,使A点箝位,V1始终不开通,FET正常工作。其二是当FET过流时,VDS迅速上升,D2立即反向截止,A点电位开始积分延时,当积分到V1开通时,FET截止,这段时间为保护动作时间,是由R1和C1的参数决定的。这种过电流保护电路可以在0.1μS级的时间内将过电流FET关断。图中D2选用高压超快恢复型二极管,D3选低压超快恢复型肖特基二植管,可消除D4稳压管存在较大结电容形成电荷位移电流对V1的影响。
3.驱动保护二合一电路
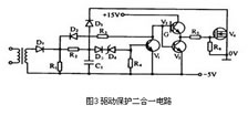
将上述的驱动电路与保护电路结合起来,两者功能将一体化,是本线路的独到之处。实用电路如图3所示:
3.1 实用驱动保护二合一电路

图3适用于低频小功率驱动,如果将双极型NPN与PNP三极管换成N沟道与P沟道大功率场管后就可形成高频大电流驱动器。
图中不采用光电耦合器作信号隔离而用磁环变压器耦合方波信号,简单而且不存在光电耦合器的上升下降波沿,光电管速度不可能过快,变压器传输可获得陡直上升下降波沿,几乎没有传输延时。使用高频大功率的MOSFET驱动器,无论使用何种器件(VMOS或IGBT),都能获得很好的效果。
本电路驱动速度快,过流保护动作关断快,是比较理想的驱动保护二合一实用电路。
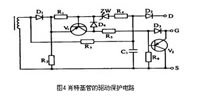
3.2采用肖特基管的驱动保护电路

如图4所示:图中D4选用高频低压降肖特基管,用于V1的抗过饱,减小存储时间提高关断速度。D2用超快恢复二极管。其工作原理:C1对开通瞬间不能突变,有两个作用:一是方波高于ZW稳压值使V1基极偏置而导通,经R5与D3对FET驱动导通后漏极处低电平D2导通箝位,V1的偏置回路维持导通,电容C1始终处于低电平。当发生过流时,VDS迅速上升,ZW低于稳压值将失去导通回路V1将截止。二是R3与C1形成积分延时,并且C1可通过R3在负半周的负电位而更加可靠地开通V1。
3.3 增加软关断技术的驱动保护电路
对于IGBT器件增加软关断技术的电路如图5所示:
本电路原理与图3类似,仅增加软关断功能。
4.结语
随着开关电源新技术的不断发展,如何进一提高开关电源的效率和可靠性,是主要考虑的问题,因而选择合适的驱动保护电路十分重要。
开关电源发展趋势是工作频率越来越高,实用频率已接近或超过1MHz,且超大功率器件的驱动也比较困难,随着使用频率的进一步提高,高速开关与大功率M0SFET的转换(过渡)过程就成为整个开关过程的重要因素。转换过程的快慢,不仅决定了工作频率的设计指标,而且对开关电源的效率、可靠性、寿命等带来了很大影响。保护线路是否灵敏、可靠与完善,与开关器件的安全运行至关重要。
2.常规驱动与保护电路
通常设计的驱动电路,多为采用脉冲变压器耦合,优点是:结构简单,适用中小变换设备上。缺点是:不适用大型设备上的大功率M0SFET或IGBT器件,而且存在波形失真,容易振荡,尤其是脉冲变压器耦合不良漏感偏大时更为严重,抗干扰与抑制误触能力低。这是一种无源驱动器,而高频大功率器件M0SFET与IGBT,宜采用有源驱动器。
通常保护电路,利用互感器实现电流--电压的比值转换,信号的电平高于稳压管稳压值输入PWM芯片的保护脚截止振荡工作的保护方式。这种电路的缺点是:响应速度慢,动作迟缓,对短路性电流增长过快下,可能来不及动作。
而采用电子高速检测保护电路,则过流动作响应速度极快,可靠性高,效果好,是一种理想的保护电路,克服了利用互感器的一些不足。
2.1 驱动电路(电压型):
如图1所示:图1(a)适合于低频小电流驱动。当控制信号Vi为高电平时,V1导通,输出Vo对应控制的开关管(IGBT)导通;当控制信号Vi为低电平时,V2导通,输出Vo对应控制的开关管(IGBT)被关断。
图1(b)采用场效应管组成推挽电路,其工作原理同图1(a),这种电路高频峰值驱动电流可达10A以上,适用于大功率M0SFET或IGBT。
2.2 电子高速检测保护电路:
如图2所示:在正常工作时,V2导通VDS处于低电平,A点电位通过D2回流至D点,因为漏极处于低电位,所以A点也处于低电位状态,不对V1产生偏置构成对V2的影响。
当M0SFET过流时,漏极电压VDS迅速上升,D2承受反向电压截止,由R1、C1的充电作用,A点电位开始升高,直到使V1导通,将G极电位下拉接近0V,从而使M0SFET可靠关断而处于截止状态,限制了过电流。R1、C1有两个作用,其一是当FET的栅极加速向偏置信号使其导通瞬间,C1瞬间短路,保持V1的截止状态,以至不影响FET的开通,当C1充电电压上升时,还没到V1开通,FET已经开通,由D2的作用,使A点箝位,V1始终不开通,FET正常工作。其二是当FET过流时,VDS迅速上升,D2立即反向截止,A点电位开始积分延时,当积分到V1开通时,FET截止,这段时间为保护动作时间,是由R1和C1的参数决定的。这种过电流保护电路可以在0.1μS级的时间内将过电流FET关断。图中D2选用高压超快恢复型二极管,D3选低压超快恢复型肖特基二植管,可消除D4稳压管存在较大结电容形成电荷位移电流对V1的影响。
3.驱动保护二合一电路
将上述的驱动电路与保护电路结合起来,两者功能将一体化,是本线路的独到之处。实用电路如图3所示:
3.1 实用驱动保护二合一电路

图3适用于低频小功率驱动,如果将双极型NPN与PNP三极管换成N沟道与P沟道大功率场管后就可形成高频大电流驱动器。
图中不采用光电耦合器作信号隔离而用磁环变压器耦合方波信号,简单而且不存在光电耦合器的上升下降波沿,光电管速度不可能过快,变压器传输可获得陡直上升下降波沿,几乎没有传输延时。使用高频大功率的MOSFET驱动器,无论使用何种器件(VMOS或IGBT),都能获得很好的效果。
本电路驱动速度快,过流保护动作关断快,是比较理想的驱动保护二合一实用电路。
3.2采用肖特基管的驱动保护电路

如图4所示:图中D4选用高频低压降肖特基管,用于V1的抗过饱,减小存储时间提高关断速度。D2用超快恢复二极管。其工作原理:C1对开通瞬间不能突变,有两个作用:一是方波高于ZW稳压值使V1基极偏置而导通,经R5与D3对FET驱动导通后漏极处低电平D2导通箝位,V1的偏置回路维持导通,电容C1始终处于低电平。当发生过流时,VDS迅速上升,ZW低于稳压值将失去导通回路V1将截止。二是R3与C1形成积分延时,并且C1可通过R3在负半周的负电位而更加可靠地开通V1。
3.3 增加软关断技术的驱动保护电路
对于IGBT器件增加软关断技术的电路如图5所示:
本电路原理与图3类似,仅增加软关断功能。
4.结语
随着开关电源新技术的不断发展,如何进一提高开关电源的效率和可靠性,是主要考虑的问题,因而选择合适的驱动保护电路十分重要。
射频工程师养成培训教程套装,助您快速成为一名优秀射频工程师...
天线设计工程师培训课程套装,资深专家授课,让天线设计不再难...
上一篇:浅谈防雷器在电源系统中的应用
下一篇:微处理器在开关电源中的应用
射频和天线工程师培训课程详情>>

