- 易迪拓培训,专注于微波、射频、天线设计工程师的培养
多功能充电器
录入:edatop.com 点击:
1 电路组成
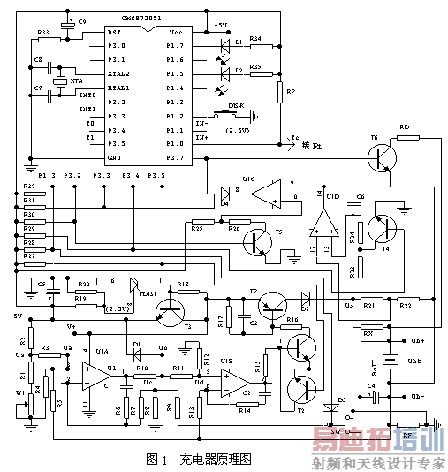
多功能充电器由基准电压源、恒压—恒流电路、电压检测电路、电池最高温度检测电路及放电电路等部分组成,电原理图如图1所示。

1.1 基准电压源
作为电池电压检测基准,同时作单片机电源。电路由TL431、T3、R18、R19、R20、C5组成。由电路可知,当R19=R20时,三极管T3的射极电压等于TL431内部基准电压(UR=2.5V)的两倍,即2UR=5V。
1.2 恒压—恒流电路
这是典型的双环反馈控制电路,图中U1A为电压控制的运放,U1B为电流控制的运放。由电路可知,电压控制的输出电压UO控制着电流控制的电流设定值,因此电压控制先于电流控制,这时电流控制电路是恒压控制的组成部分。下面分别介绍工作原理 。
恒压控制电路由运放U1A、电阻R1~R10、电位器W1、电容C1、二极管D1以及开关SW等组成。其作用是锂离子电池充电时,控制电池电压不超过设定值。恒压设定值US由R1、R2和W1对基准电压5V分压确定,当SW联接电池的正极后,反馈电压UC由R8、R9对Ub+分压引入,加上R6、R7、C1形成PI调节电路。由电路可知,设误差电压E=Ua-UC,那么有U1=Ua + E·(P + I·∫dt),式中比例系数P=R6/R7,常数I=1/ (R7·C1)。当反馈电压UC较小即E>0时,U1会不断增大直到消除误差(E=0),否则U1会达到最大值,但由于D1的钳位作用使UO=5.6V,从而使电流控制电路的设定电压Ud=UO·R12/(R11+ R12)不变,相应地电池以恒流方式充电。反之,当反馈电压UC较大即E Ubt=Ub+-Ub- (1)
(US-Ua)/R3=Ua/R4+(Ua-Ub-)/R5 (2)
当恒压控制电路处于平衡状态时,电容C1无电流,则有:
UC=R8·Ub+/(R8+R9) (3)
UC = Ua (4)
式中
Ub+ — 电池正极对地电压;
Ub- — 电池负极对地电压;
Ubt — 电池端电压;
US — 设定控制电压。
恒压控制的目标是电池端电压等于设定电压,即
Ubt = US (5)
另外,还隐含了一个约束条件就是恒压控制与Ub-的取值无关,这就是在方程组中消去Ub- 必须满足:
R3=R5 (6)
这里,US为确定量;其余Ubt,Ub+,Ub-,Ua,UC,R3,R4,R5,R8,R9等10个参变量应满足上述方程(1)~(6)。由于变量数比方程数多4个,因此需要确定的参数R3,R4,R5,R8,R9有无穷多组解。
为了求解只需要增加四个约束方程,不妨设:R3= R4=R5=R8=R(R取标称电阻值)将其代入上述方程组,不难解得:R9 =2R。取R=12kΩ,则有:R3= R4=R5=R8=12kΩ,R9=24kΩ。
当电压反馈开关SW接地(充镍电池时),或者电池端压小于设定电压即Ubt1.3 电压检测电路
通过电压检测电路,对电池电压检测,达到识别电池充电状态以便进行控制的目的。电路由两个运放U1C、U1D、三极管T4和T5以及电阻R21~R26、电容C6、二极管D4构成,其中U1D组成积分电路,U1C作上、下限电压比较器。这里,当三极管T5截止时上限电压为基准电压5V;当三极管T5饱和导通时下限电压由R25、R26分压确定,取R25= R26,则下限电压2.5V(电阻值较大T5的饱和压降很小),从而保证运放工作在线性区。
由电路可知,开关三极管T4控制积分电容的充电和放电,当其饱和导通时,电容C6充电。若忽略电阻RX的压降(因RX=RF其压降不大于160mV),取R21=R22则充电电流IC=0.5U bt/R24(略去管压降);而当T4截止时,使电容C6放电,则放电电流ID=0.5Ubt/(R23 +R24);取R23=470kΩ,R24=5.1kΩ,RX=RF=0.5Ω,则R23>>R24,放电比充电缓慢得多,且放电过程不受开关三极管T4的影响,因此,利用放电过程来检测电池电压可保证较高的精度。
运放U1D输出电压从5V降到2.5V,即电容C6的端电压因放电下降ΔU=5-2.5=2.5V时,所需时间T可由下式导出:
根据C6= dq/dU (dq——电容电荷增量,dU——电容电压增量)得
dq=C6dU 流经电容C6的电流 ID= dq/dt =C6dU/dt 也就是ID·dt=C6·dU
对两边定积分得
ID·T=C6ΔU 即
T = C6ΔU/ ID=C6·2.5(R23+R24)/(0.5Ubt)
将R23=470kΩ,R24= 5.1kΩ,C6=0.1μF代入上式可得
T = 237.55ms/Ubt(Ubt单位为伏时,T单位为ms)
可见放电时间T仅与电池电压成反比,1/T与Ubt是线性关系。
当Ubt=8V时,可得T8=29.69ms,这对于采用6MHz晶振的单片机而言,因其计时可精确到2μs,故可以做到很高的精度,很容易使电压检测电路的分辨率达到5mV。由于是积分检测,故对电池电压的高频干扰完全可以消除,因此工作稳定可靠。
1.4 电池最高温度检测电路
利用GMS97C2051内部比较器和手机电池内设置的热敏电阻就能实现电池最高温度检测控制。原理图中,内部比较器反相输入端接2.5V作为比较基准电压,电阻RP与电池内热敏电阻Rt(未画出)对5V基准电压的分压作为被检测电压, 接内部比较器同相输入端P1.0。由于Rt为负温度特性,当电池温度升高时,Rt的阻值相应减小,其分压即被检测电压也同时降低,当低于2.5V时,内部比较器输出(P3.6)低电平,这时即认为电池温度达到最高控制温度。
1.5 放电电路
放电电路由三极管T6和电阻RD组成,并受单片机P3.7控制,放电电流大约为IDIS=Ubt/RD。
2 编程控制实现方法
2.1 I/O口分配
P1.2输入检测放电请求键DIS-K的状态;P1.3输入检测恒压控制反馈开关SW的状态,以确定充电模式;P1.5和P1.7输出驱动LED作充电器状态显示;P3.2、P3.3和P3.4为电压检测(单积分A/D转换)专用,P3.4输出驱动T4用以控制积分电容C6的充电和放电;P3.2输出驱动T5用以选取比较基准电压5V或2.5V;P3.3输入检测电容C6从5V放电到2.5V时的时间T(与单片机定时器配合);P3.5输出驱动T2用以控制电池充电;P3.6输入检测电池最高温度;P3.7输出驱动T6用以控制电池放电。
2.2 程序功能及实现方法
程序采用模块结构,主要有定时中断及I/O刷新子程序,A/D转换及滤波子程序,锂离子电池充电方式控制及其状态识别子程序,镍镉/镍氢电池充电方式控制及其状态识别子程序,主控程序。各程序模块的功能如下:
⑴ 定时中断及I/O刷新子程序
提供时间基准;
输入刷新,即读入P1.2、P1.3、P3.6状态,并使相应的软标志置位或复位;
输出刷新,即根据输入刷新和程序状态识别处理结果,通过P1.5、P1.7、P3.5和P3.7进行输出控制。
⑵ A/D转换及滤波子程序
将模拟电压转换为数字量,通过数字滤波处理提高抗干扰能力和可靠性。它是识别电池充电状态的基础。
⑶ 锂离子电池充电方式控制及其状态识别子程序
锂离子电池充电方式是当电池电压低于4.2V时,以恒流方式充电;当电池电压达到4.2V时,以恒压方式充电。这由硬件保证。另外还有充电45秒停充电1秒的要求,这由软件实现。
锂离子电池充电状态是由充电电流进行识别的,一般认为当充电电流减小到最大充电电流(恒流)的10%时可认为电池充满。为了间接检测充电电流,在电流回路中窜入一电阻Rx,使流经Rx的电流变化转换成电压变化,再配合充电状态下的A/D 转换数值和停止充电状态下的A/D 转换数值的比较结果,就能识别是恒流方式充电还是恒压方式充电。因为锂离子电池在充满电以前早已进入恒压方式充电状态,所以电压A/D 转换数值的变化就是电阻Rx两端电压的变化,从而反映充电电流的变化。
⑷ 镍镉/镍氢电池充电方式控制及其状态识别子程序
镍镉/镍氢电池一般以恒流方式充电,也有以脉冲方式(恒流充电→停充→放电往复循环,当然放电量远小于充电量)充电。镍镉/镍氢电池充电状态由电池电压增量△U识别,根据有关资料和用本充电器进行的多次试验结果(见图2),证实电压增量△U为负时电池充满,此时电池的温度显著升高。
为了提高识别电池充满的灵敏度,根据电池电压检测的最大值估计电池节数N,设置相应的判别阀值△Us,一般取△Us=-6×N(mV)。为了提高电池充满识别的可靠性,要求连续三次满足电池充满条件(即△U<=△Us)才予以确认。
⑸ 主控程序
将各个子程序有机地结合在一起,此外还有识别有无电池和识别放电终止电压等功能。

图2 电池充电曲线
3 实验结果及结论
充电器品质的高低取决于电压A/D转换的精度和可靠性。为了检验本充电器的电压A/D转换的性能,在充电器控制程序中有及时将电池电压检测数据向外串行发送的功能,用仿真机可以接收电压数据通过串行口向PC机传递数据并显示电池充电曲线(见图2)。这样就能对整个充电过程实行监测,并有助于进一步的研究。经过对几种电池数十次的充电实验表明:
本充电器电压A/D转换的精度(很容易达到5mV)和可靠性(无失误)都很高,而且测量电压的范围也很宽。可以说,高性能低价位的电压A/D转换是充电器品质的根本保证。
多功能充电器由基准电压源、恒压—恒流电路、电压检测电路、电池最高温度检测电路及放电电路等部分组成,电原理图如图1所示。

1.1 基准电压源
作为电池电压检测基准,同时作单片机电源。电路由TL431、T3、R18、R19、R20、C5组成。由电路可知,当R19=R20时,三极管T3的射极电压等于TL431内部基准电压(UR=2.5V)的两倍,即2UR=5V。
1.2 恒压—恒流电路
这是典型的双环反馈控制电路,图中U1A为电压控制的运放,U1B为电流控制的运放。由电路可知,电压控制的输出电压UO控制着电流控制的电流设定值,因此电压控制先于电流控制,这时电流控制电路是恒压控制的组成部分。下面分别介绍工作原理 。
恒压控制电路由运放U1A、电阻R1~R10、电位器W1、电容C1、二极管D1以及开关SW等组成。其作用是锂离子电池充电时,控制电池电压不超过设定值。恒压设定值US由R1、R2和W1对基准电压5V分压确定,当SW联接电池的正极后,反馈电压UC由R8、R9对Ub+分压引入,加上R6、R7、C1形成PI调节电路。由电路可知,设误差电压E=Ua-UC,那么有U1=Ua + E·(P + I·∫dt),式中比例系数P=R6/R7,常数I=1/ (R7·C1)。当反馈电压UC较小即E>0时,U1会不断增大直到消除误差(E=0),否则U1会达到最大值,但由于D1的钳位作用使UO=5.6V,从而使电流控制电路的设定电压Ud=UO·R12/(R11+ R12)不变,相应地电池以恒流方式充电。反之,当反馈电压UC较大即E Ubt=Ub+-Ub- (1)
(US-Ua)/R3=Ua/R4+(Ua-Ub-)/R5 (2)
当恒压控制电路处于平衡状态时,电容C1无电流,则有:
UC=R8·Ub+/(R8+R9) (3)
UC = Ua (4)
式中
Ub+ — 电池正极对地电压;
Ub- — 电池负极对地电压;
Ubt — 电池端电压;
US — 设定控制电压。
恒压控制的目标是电池端电压等于设定电压,即
Ubt = US (5)
另外,还隐含了一个约束条件就是恒压控制与Ub-的取值无关,这就是在方程组中消去Ub- 必须满足:
R3=R5 (6)
这里,US为确定量;其余Ubt,Ub+,Ub-,Ua,UC,R3,R4,R5,R8,R9等10个参变量应满足上述方程(1)~(6)。由于变量数比方程数多4个,因此需要确定的参数R3,R4,R5,R8,R9有无穷多组解。
为了求解只需要增加四个约束方程,不妨设:R3= R4=R5=R8=R(R取标称电阻值)将其代入上述方程组,不难解得:R9 =2R。取R=12kΩ,则有:R3= R4=R5=R8=12kΩ,R9=24kΩ。
当电压反馈开关SW接地(充镍电池时),或者电池端压小于设定电压即Ubt1.3 电压检测电路
通过电压检测电路,对电池电压检测,达到识别电池充电状态以便进行控制的目的。电路由两个运放U1C、U1D、三极管T4和T5以及电阻R21~R26、电容C6、二极管D4构成,其中U1D组成积分电路,U1C作上、下限电压比较器。这里,当三极管T5截止时上限电压为基准电压5V;当三极管T5饱和导通时下限电压由R25、R26分压确定,取R25= R26,则下限电压2.5V(电阻值较大T5的饱和压降很小),从而保证运放工作在线性区。
由电路可知,开关三极管T4控制积分电容的充电和放电,当其饱和导通时,电容C6充电。若忽略电阻RX的压降(因RX=RF其压降不大于160mV),取R21=R22则充电电流IC=0.5U bt/R24(略去管压降);而当T4截止时,使电容C6放电,则放电电流ID=0.5Ubt/(R23 +R24);取R23=470kΩ,R24=5.1kΩ,RX=RF=0.5Ω,则R23>>R24,放电比充电缓慢得多,且放电过程不受开关三极管T4的影响,因此,利用放电过程来检测电池电压可保证较高的精度。
运放U1D输出电压从5V降到2.5V,即电容C6的端电压因放电下降ΔU=5-2.5=2.5V时,所需时间T可由下式导出:
根据C6= dq/dU (dq——电容电荷增量,dU——电容电压增量)得
dq=C6dU 流经电容C6的电流 ID= dq/dt =C6dU/dt 也就是ID·dt=C6·dU
对两边定积分得
ID·T=C6ΔU 即
T = C6ΔU/ ID=C6·2.5(R23+R24)/(0.5Ubt)
将R23=470kΩ,R24= 5.1kΩ,C6=0.1μF代入上式可得
T = 237.55ms/Ubt(Ubt单位为伏时,T单位为ms)
可见放电时间T仅与电池电压成反比,1/T与Ubt是线性关系。
当Ubt=8V时,可得T8=29.69ms,这对于采用6MHz晶振的单片机而言,因其计时可精确到2μs,故可以做到很高的精度,很容易使电压检测电路的分辨率达到5mV。由于是积分检测,故对电池电压的高频干扰完全可以消除,因此工作稳定可靠。
1.4 电池最高温度检测电路
利用GMS97C2051内部比较器和手机电池内设置的热敏电阻就能实现电池最高温度检测控制。原理图中,内部比较器反相输入端接2.5V作为比较基准电压,电阻RP与电池内热敏电阻Rt(未画出)对5V基准电压的分压作为被检测电压, 接内部比较器同相输入端P1.0。由于Rt为负温度特性,当电池温度升高时,Rt的阻值相应减小,其分压即被检测电压也同时降低,当低于2.5V时,内部比较器输出(P3.6)低电平,这时即认为电池温度达到最高控制温度。
1.5 放电电路
放电电路由三极管T6和电阻RD组成,并受单片机P3.7控制,放电电流大约为IDIS=Ubt/RD。
2 编程控制实现方法
2.1 I/O口分配
P1.2输入检测放电请求键DIS-K的状态;P1.3输入检测恒压控制反馈开关SW的状态,以确定充电模式;P1.5和P1.7输出驱动LED作充电器状态显示;P3.2、P3.3和P3.4为电压检测(单积分A/D转换)专用,P3.4输出驱动T4用以控制积分电容C6的充电和放电;P3.2输出驱动T5用以选取比较基准电压5V或2.5V;P3.3输入检测电容C6从5V放电到2.5V时的时间T(与单片机定时器配合);P3.5输出驱动T2用以控制电池充电;P3.6输入检测电池最高温度;P3.7输出驱动T6用以控制电池放电。
2.2 程序功能及实现方法
程序采用模块结构,主要有定时中断及I/O刷新子程序,A/D转换及滤波子程序,锂离子电池充电方式控制及其状态识别子程序,镍镉/镍氢电池充电方式控制及其状态识别子程序,主控程序。各程序模块的功能如下:
⑴ 定时中断及I/O刷新子程序
提供时间基准;
输入刷新,即读入P1.2、P1.3、P3.6状态,并使相应的软标志置位或复位;
输出刷新,即根据输入刷新和程序状态识别处理结果,通过P1.5、P1.7、P3.5和P3.7进行输出控制。
⑵ A/D转换及滤波子程序
将模拟电压转换为数字量,通过数字滤波处理提高抗干扰能力和可靠性。它是识别电池充电状态的基础。
⑶ 锂离子电池充电方式控制及其状态识别子程序
锂离子电池充电方式是当电池电压低于4.2V时,以恒流方式充电;当电池电压达到4.2V时,以恒压方式充电。这由硬件保证。另外还有充电45秒停充电1秒的要求,这由软件实现。
锂离子电池充电状态是由充电电流进行识别的,一般认为当充电电流减小到最大充电电流(恒流)的10%时可认为电池充满。为了间接检测充电电流,在电流回路中窜入一电阻Rx,使流经Rx的电流变化转换成电压变化,再配合充电状态下的A/D 转换数值和停止充电状态下的A/D 转换数值的比较结果,就能识别是恒流方式充电还是恒压方式充电。因为锂离子电池在充满电以前早已进入恒压方式充电状态,所以电压A/D 转换数值的变化就是电阻Rx两端电压的变化,从而反映充电电流的变化。
⑷ 镍镉/镍氢电池充电方式控制及其状态识别子程序
镍镉/镍氢电池一般以恒流方式充电,也有以脉冲方式(恒流充电→停充→放电往复循环,当然放电量远小于充电量)充电。镍镉/镍氢电池充电状态由电池电压增量△U识别,根据有关资料和用本充电器进行的多次试验结果(见图2),证实电压增量△U为负时电池充满,此时电池的温度显著升高。
为了提高识别电池充满的灵敏度,根据电池电压检测的最大值估计电池节数N,设置相应的判别阀值△Us,一般取△Us=-6×N(mV)。为了提高电池充满识别的可靠性,要求连续三次满足电池充满条件(即△U<=△Us)才予以确认。
⑸ 主控程序
将各个子程序有机地结合在一起,此外还有识别有无电池和识别放电终止电压等功能。

图2 电池充电曲线
3 实验结果及结论
充电器品质的高低取决于电压A/D转换的精度和可靠性。为了检验本充电器的电压A/D转换的性能,在充电器控制程序中有及时将电池电压检测数据向外串行发送的功能,用仿真机可以接收电压数据通过串行口向PC机传递数据并显示电池充电曲线(见图2)。这样就能对整个充电过程实行监测,并有助于进一步的研究。经过对几种电池数十次的充电实验表明:
本充电器电压A/D转换的精度(很容易达到5mV)和可靠性(无失误)都很高,而且测量电压的范围也很宽。可以说,高性能低价位的电压A/D转换是充电器品质的根本保证。
射频工程师养成培训教程套装,助您快速成为一名优秀射频工程师...
天线设计工程师培训课程套装,资深专家授课,让天线设计不再难...
上一篇:密封铅酸蓄电池充电器设计实例
下一篇:基于电力操作电源智能电池巡检系统的设计
射频和天线工程师培训课程详情>>

