- 易迪拓培训,专注于微波、射频、天线设计工程师的培养
一种用于航天工程的二次电源系统设计
录入:edatop.com 点击:
随着CMOS器件的普及,许多印制电路板需要+5V和12V或+24V等规格的直流电压,这意味着单机需要一个比较集中的电源以满足工作要求。CMOS器件的特点是仅在开关瞬间需要较大的功率,因此就近放置一个电源比用一个低电压集中电源长距离供电,可以降低配线电感和电阻所引起的压降,而分散供电的设计结构正可以满足这一设计要求。
分散供电设计总的原则简单明了,但是当电源从集中移到各应用点的时候,从变换器本身产生的传导和反射纹波需要测量和控制,系统各单机电磁兼容性问题在设计中也必须解决。
目前,DC/DC变换器在卫星等航天工程项目电源系统设计中的使用已经非常普遍,其可以不受输入电压和负载波动的影响而提供稳定的输出电压。同时,DC/DC变换器在变换过程中使用了变压器进行电隔离,可以保护整个系统免受隔离故障的影响。
本文所述电路就是基于INTERPOINT公司生产的DC/DC变换器和滤波器进行设计的一种用于航天器的二次电源系统。
电路设计
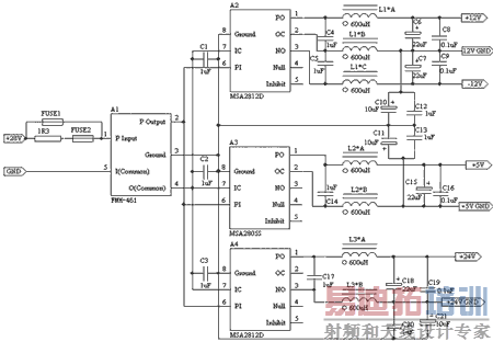
对于一个确定的工程系统,如果其电路中包含CMOS器件、运算放大器和电机驱动电路等部分,则+5V、12V和+24V电源一般来说是必须的。本设计基于INTERPOINT公司生产的DC/DC变换器和滤波器(见图1)。

图1 电路原理图
开关电源变换器是窄带频谱输入噪声电流的天然发生器,具有开关频率基波分量及其高次谐波分量。大部分INTERPOINT电源变换器内部都具有一级LC 输入线滤波器,将噪声成分减低到1mA RMS左右或更小。但是,在要求更小的噪声电流或者要求满足GJB151.3-86或其他EMI规范时,还需要附加外部电源线滤波器。只要不超过滤波器的额定线电流和布局不受限制,多个电源变换器可以共用一个滤波器。图1所示电路中的DC/DC变换器分别为MSA2805S和MSA2812D,三个DC/DC变换器共用一个FMH461滤波器。
图1中,L1*A、L1*B和L1*C为一个三绕组电感,L2*A、L2*B和L3*A、L3*B分别为两绕组电感。FUSE1和FUSE2为保险丝。
1 电源输入电路分析
在一次电源输入的+28V线上,增加了两个保险丝作为短路保护元件,在保证降额设计(如50%余量)的要求下,其熔值可视二次电源负载而定,如3A或5A。其中一个保险丝和电阻1R3串联,1R3阻值取0.15Ω,则两个保险丝为冗余设计。当负载异常而导致瞬间电流过大时,由于电流是从FUSE1保险丝流过,故FUSE1熔断。异常情况消失后,FUSE2仍然可以保证系统的正常工作。
2 电源输出电路分析
为了得到+5V、12V和+24V电源,电路中选用了MSA2805S和MSA2812D两种DC/DC变换器。在获取需要电源的同时,还需要注意噪声的滤除。
共模噪声主要是因为电感绕组间存在电容、电源器件内部存在寄生电容等原因而产生的。
各DC/DC变换器的输入回线上分别加旁路电容到DC/DC变换器外壳地,以滤除共模噪声。输入旁路电容可将机壳上的共模电流引回到输入回线上,减小辐射。
各DC/DC变换器的电源输出端,分别加了电感、旁路电容和极间电容,以滤除输出线对上的差模噪声和共模噪声。各电感的绕组的匝数和漏感分别相等,磁环为铁氧体软磁性材料。
3 电磁兼容性分析
+28V输入电源和DC/DC变换器之间通过FMH-461隔离,FMH-461是INTERPOINT公司生产的电磁干扰(EMI)滤波器,可以减小DC/DC变换器产生的高频反射纹波电流对公用输入母线+28V电源线的干扰,对电源线传导发射和电场辐射发射有效。同时,为减小电磁干扰,滤波器的外壳地必须与DC/DC变换器的外壳地低阻导通。图1所示电路中,直接将DC/DC变换器和滤波器的外壳短接。
测试结果分析
对于图1基于INTERPOINT公司生产的DC/DC变换器和滤波器进行设计的电路,在试验室中分别对电源系统的输出电压和输出纹波进行了测试,测试结果如表1所示。

测试结果表明,在文中设计的电路中,DC/DC变换器输出电压的纹波在全带宽情况下,最大为135.48mV,而在限定带宽60MHz时,纹波不超过20mV,完全满足电路元器件正常工作对电源的要求。
结语
本文所述的一种用于航天器的二次电源系统是基于INTERPOINT公司生产的DC/DC变换器和滤波器进行设计的,该电源系统已经成功用于航天器的有效载荷,并通过了电源线传导敏感度(CS101)、电源线传导发射(CE102)、电场辐射发射(RE102)和电场辐射敏感度(RS103)等EMC试验项目,满足航天产品的EMC试验要求。
文中设计的电源电路充分考虑了器件备份、母线电源的安全性、电磁干扰等因素,满足航天产品的可靠性、效率、浪涌和纹波、电磁兼容性的要求,获得了满意的结果。
分散供电设计总的原则简单明了,但是当电源从集中移到各应用点的时候,从变换器本身产生的传导和反射纹波需要测量和控制,系统各单机电磁兼容性问题在设计中也必须解决。
目前,DC/DC变换器在卫星等航天工程项目电源系统设计中的使用已经非常普遍,其可以不受输入电压和负载波动的影响而提供稳定的输出电压。同时,DC/DC变换器在变换过程中使用了变压器进行电隔离,可以保护整个系统免受隔离故障的影响。
本文所述电路就是基于INTERPOINT公司生产的DC/DC变换器和滤波器进行设计的一种用于航天器的二次电源系统。
电路设计
对于一个确定的工程系统,如果其电路中包含CMOS器件、运算放大器和电机驱动电路等部分,则+5V、12V和+24V电源一般来说是必须的。本设计基于INTERPOINT公司生产的DC/DC变换器和滤波器(见图1)。

图1 电路原理图
开关电源变换器是窄带频谱输入噪声电流的天然发生器,具有开关频率基波分量及其高次谐波分量。大部分INTERPOINT电源变换器内部都具有一级LC 输入线滤波器,将噪声成分减低到1mA RMS左右或更小。但是,在要求更小的噪声电流或者要求满足GJB151.3-86或其他EMI规范时,还需要附加外部电源线滤波器。只要不超过滤波器的额定线电流和布局不受限制,多个电源变换器可以共用一个滤波器。图1所示电路中的DC/DC变换器分别为MSA2805S和MSA2812D,三个DC/DC变换器共用一个FMH461滤波器。
图1中,L1*A、L1*B和L1*C为一个三绕组电感,L2*A、L2*B和L3*A、L3*B分别为两绕组电感。FUSE1和FUSE2为保险丝。
1 电源输入电路分析
在一次电源输入的+28V线上,增加了两个保险丝作为短路保护元件,在保证降额设计(如50%余量)的要求下,其熔值可视二次电源负载而定,如3A或5A。其中一个保险丝和电阻1R3串联,1R3阻值取0.15Ω,则两个保险丝为冗余设计。当负载异常而导致瞬间电流过大时,由于电流是从FUSE1保险丝流过,故FUSE1熔断。异常情况消失后,FUSE2仍然可以保证系统的正常工作。
2 电源输出电路分析
为了得到+5V、12V和+24V电源,电路中选用了MSA2805S和MSA2812D两种DC/DC变换器。在获取需要电源的同时,还需要注意噪声的滤除。
共模噪声主要是因为电感绕组间存在电容、电源器件内部存在寄生电容等原因而产生的。
各DC/DC变换器的输入回线上分别加旁路电容到DC/DC变换器外壳地,以滤除共模噪声。输入旁路电容可将机壳上的共模电流引回到输入回线上,减小辐射。
各DC/DC变换器的电源输出端,分别加了电感、旁路电容和极间电容,以滤除输出线对上的差模噪声和共模噪声。各电感的绕组的匝数和漏感分别相等,磁环为铁氧体软磁性材料。
3 电磁兼容性分析
+28V输入电源和DC/DC变换器之间通过FMH-461隔离,FMH-461是INTERPOINT公司生产的电磁干扰(EMI)滤波器,可以减小DC/DC变换器产生的高频反射纹波电流对公用输入母线+28V电源线的干扰,对电源线传导发射和电场辐射发射有效。同时,为减小电磁干扰,滤波器的外壳地必须与DC/DC变换器的外壳地低阻导通。图1所示电路中,直接将DC/DC变换器和滤波器的外壳短接。
测试结果分析
对于图1基于INTERPOINT公司生产的DC/DC变换器和滤波器进行设计的电路,在试验室中分别对电源系统的输出电压和输出纹波进行了测试,测试结果如表1所示。

测试结果表明,在文中设计的电路中,DC/DC变换器输出电压的纹波在全带宽情况下,最大为135.48mV,而在限定带宽60MHz时,纹波不超过20mV,完全满足电路元器件正常工作对电源的要求。
结语
本文所述的一种用于航天器的二次电源系统是基于INTERPOINT公司生产的DC/DC变换器和滤波器进行设计的,该电源系统已经成功用于航天器的有效载荷,并通过了电源线传导敏感度(CS101)、电源线传导发射(CE102)、电场辐射发射(RE102)和电场辐射敏感度(RS103)等EMC试验项目,满足航天产品的EMC试验要求。
文中设计的电源电路充分考虑了器件备份、母线电源的安全性、电磁干扰等因素,满足航天产品的可靠性、效率、浪涌和纹波、电磁兼容性的要求,获得了满意的结果。
射频工程师养成培训教程套装,助您快速成为一名优秀射频工程师...
天线设计工程师培训课程套装,资深专家授课,让天线设计不再难...
上一篇:开关电源的EMC设计
下一篇:电池设计基础
射频和天线工程师培训课程详情>>

