- 易迪拓培训,专注于微波、射频、天线设计工程师的培养
用于打印机AC适配器的高效开关电源设计
录入:edatop.com 点击:
由通用交流适配器供电的消费品和PC 外设的数量正在迅速增长。该适配器是指能插入频率在47 到 63 Hz间,提供电压有效值在90V 至 264V范围内的交流电插座上的适配器。这些AC适配器体积小巧且提供连续的超过 50W的输出功率,从而使许多设备不再需要内置电源。在打印机等应用中, 对峰值功率有较高的要求,它们在短时间的突发工作以外,要有相当长的一段时间都处于待机模式。这意味着这些应用中的AC适配器从满载到空载必须保持很高的转换效率,以维护其“绿色”标准。本文描述了一个打印机 AC 适配器的设计方案,它基于飞利浦 TEA1532 GreenChipTMII 开关模式电源 (SMPS) 控制器,提供 60W 持续输出功率和 90W 峰值输出功率。
这类电源标准规范要求输 出电压为:20V 4% , 其纹波和噪声要分别低于 350 mV 和200 mV 。所谓的“绿色”标准有三点要求:1)在满负载 (输出功率为60W时工作效率应该高于80%;2)在待机模式下(输出功率为500 mW时) ,其输入功率要低于1.25 W;3)在空载情况下(打印机与适配器断开,但仍与 AC 线连接) 输入功率要低于700 mW。
电源拓扑架构
TEA1532是一种变频开关电源 控制器,用于直接由整流AC 线供电的准谐振反激式转换器。虽然TEA1532可以工作在连续模式和非连续模式两种模式,但这款AC适配器选用了准谐振模式 (非连续模式的边界上) ,因为这种模式的电路拓扑架构容易理解且容易实现稳定。
TEA1532采用SO8 或 DIP8 封装,在准谐振模式下具有真正的谷底转换,以确保改善 EMI 性能。除具备标准的GreenChipTMII 功能外,它还有多功能保护引脚、欠压保护和用以防止连续模式中出现次谐波振荡的斜率补偿功能。 这些功能使设计更为简便,所需要的外部元器件数大大减少,保护功能也极大提高。
TEA1532有一项特殊的功能就是谷底锁定特性,在大多数操作环境下,它能锁定功率晶体管导通在准谐振波形中的特定谷底(谷底1、 2、 3 等)。这不仅降低了开关损耗,也 阻止了由于变压器电流调制在变压器中产生的可闻噪音,尤其当采用低质量胶合芯的低成本变压器时更是如此。
如图1所示,利用不同的谷底开通功率MOSFET,可以在各种工作频率下提供给定的功率。OCP线代表了过电流保护界限,在线的右边不可能工作。如果负载增加较慢,电路将继续在同一谷底中转换,直至到达过电流保护界限点。然后,TEA1532 将重新设定谷底计数器并探寻新的工作模式,采用序号较低的一条谷底及相应的新的开关频率和峰值电流。在此过程中,输出电压并不发生改变。

图1 针对所给功率,TEA1532能根据所选择的谷底序号,在一个以上的开关频率上工作。当对给定谷底的工作点达到最小开关频率或过电流保护(OCP)线,控制器自动转换到下一条最低序号的谷底。
在非连续模式中,变压器初级侧线圈的电流通常在新的循环开始前要回归零。TEA1532通过能提供Vcc 供电的辅助线圈感知变压器磁化。只有在变压器磁芯完全去磁和感知到适当的谷底值后才开始新的循环。
TEA1532 采用电流模式控制。电流模式控制本身具有良好的交流纹波抑制特性。TEA1532的控制环路通过比较变压器初级侧线圈上的电流与其“CTRL”引脚上的误差电压(该误差电压是通过光隔离器耦合过来的)以产生所需的初级侧线圈“导通” 时间。
在低负载的情况下,控制器进入减频模式, 此时初级侧线圈 “导通” 时间设置到最小值,输出功率由变化的开关频率控制, 降低工作频率使开关损耗减到最低。 针对更低的输出功率 (例如:在待机和空载条件下), TEA1532 进入跳周期模式。只要输出电压仍处于较高状态,功率开关晶体管就保持在截止状态。这个功能使“空载”功率耗散控制在 700mW以下,且无需额外的电路。在连续模式下,可实现空载功率耗散在300mW 以下。
元器件选择
这款设计中重要的元器件选择包括: 输入解耦电容、变压器(芯尺寸、匝数比和初级侧线圈电感)、MOSFET 功率开关、输出二极管和电容器。 详细设计方程可以从应用说明 AN10316_1 中找到,网页链接为:http://www.semiconductors.philips.com/pip/TEA1532P_N1.html。

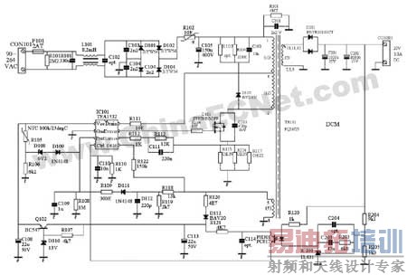
图2 完整的打印机AC适配器电路图
在满载且最小电压供电单周期情况下,为了维持变压器初级侧线圈上足够的电压,输入解耦电容器的容值必须足够高。在90V/50Hz AC线供电下,为了维持变压器初级线圈所需的最小77V的电压, 建议用139 F电容值。 因此在此设计中选择最接近标准的值: 150 F。
设计变压器的过程并不简单。首先要决定所需的匝数比。它的上限和下限由建议采用的功率MOSFET晶体管的最大漏源电压 (VDS)和次级整流二极管的反向电压限决定。功率 MOSFET要承受由于变压器漏感产生的电压尖峰,它在磁芯消磁开始时加到输入峰值上(265V 交流供电时峰值输入电压为373V)。 尖峰电压的幅值随着漏感及变压器输出的增加而增加,它确定了匝数比的上限。次级整流二极管的反向承受电压决定匝数比的下限。针对600V VDS 功率 MOSFET 和 100V VR 二次整流器二极管的选择,匝数比的上、下限分别为 5.22和 4.66, 因此选择匝数比为 5 。
变压器的初级侧线圈电感由最小输入电压下所达到的最大输出功率决定。在这样的前提下,适配器必须在接近最大频率和峰值电流的情况下工作,这意味着 TEA1532要在消磁后第一个振荡谷底处开启功率 MOSFET。为了计算所需的初级侧线圈电感,就必须确定振荡周期,它由 T-on + T-off + T-osc构成,详见图3。

图3 首个谷底开关条件(最小输入电压、最大输出负载)
由于 TEA1532在这些条件下的谷底检测的频率上限为700KHz,所以决定在功率MOSFET漏极上加一电容,使之与变压器初级侧线圈电感在450 KHz谐振。这样不仅提供了充足的设计余量而且限制了漏极上的 dV/dt 。 T-osc 因而设置在 1.11 s。最大的T-on由最大开关频率的最小值(50KHz)下的最大占空比决定,而最大占空比由匝数比(5)、初级侧线圈上的最小直流电压 (77V)、 输出电压 (20V) 和次级整流二极管的正向电压降(0.5V)决定。 在以上情况下,最大占空比为 0.57,对应的最大 T-on 时间为 10.7 s。
初级侧线圈电感要求在 57 KHz 时传送的最大功率为98W (标称90W 输出加损耗) ,计算得到电感197 H 和对应峰值电流4.15A。 从变压器磁芯参数可计算出初级侧线圈匝数 ( 磁芯Bmax = 220 mT 和 Ae = 109 mm2时为35匝)。 匝数比再决定次级线圈所需的匝数量。
一旦以上的参数确定之后,余下的大部分设计就相对比较简单了。通过最初计算出的初级侧线圈峰值电流可以决定电流感测电阻器的值。 变压器次级线圈上的伏特/匝可用于确定辅助线圈(为 TEA1532 提供最小值为13V Vcc 的供电)的匝数。 峰值钳位二极管 (D105)的选择主要有四个方面考虑:反向额定电压等于或高于MOSFET的VDS值,额定电流高于初级侧线圈峰值电流 ,具有非常低的正向恢复电压和短的反向恢复时间。还要检查漏-源电容 (MOSFET电容加外部谐振电容器)值,使MOSFET 关闭时的转换率(dV/dt) 限定在一个安全值 (只要次级输出电压的峰值低于100V,次级整流二极管就可以选肖特基二极管,因为其低的正向压降能使功率损失降到最低。选择次级平滑电容器以满足输出纹波电流要求,而且额定电压必须高于适配器出现开环故障情况下出现的电压。
此AC 适配器符合各项性能指标,其中包括在60 W 输出时转换效率在80%以上并且功率器件所需的散热器体积极小。
这类电源标准规范要求输 出电压为:20V 4% , 其纹波和噪声要分别低于 350 mV 和200 mV 。所谓的“绿色”标准有三点要求:1)在满负载 (输出功率为60W时工作效率应该高于80%;2)在待机模式下(输出功率为500 mW时) ,其输入功率要低于1.25 W;3)在空载情况下(打印机与适配器断开,但仍与 AC 线连接) 输入功率要低于700 mW。
电源拓扑架构
TEA1532是一种变频开关电源 控制器,用于直接由整流AC 线供电的准谐振反激式转换器。虽然TEA1532可以工作在连续模式和非连续模式两种模式,但这款AC适配器选用了准谐振模式 (非连续模式的边界上) ,因为这种模式的电路拓扑架构容易理解且容易实现稳定。
TEA1532采用SO8 或 DIP8 封装,在准谐振模式下具有真正的谷底转换,以确保改善 EMI 性能。除具备标准的GreenChipTMII 功能外,它还有多功能保护引脚、欠压保护和用以防止连续模式中出现次谐波振荡的斜率补偿功能。 这些功能使设计更为简便,所需要的外部元器件数大大减少,保护功能也极大提高。
TEA1532有一项特殊的功能就是谷底锁定特性,在大多数操作环境下,它能锁定功率晶体管导通在准谐振波形中的特定谷底(谷底1、 2、 3 等)。这不仅降低了开关损耗,也 阻止了由于变压器电流调制在变压器中产生的可闻噪音,尤其当采用低质量胶合芯的低成本变压器时更是如此。
如图1所示,利用不同的谷底开通功率MOSFET,可以在各种工作频率下提供给定的功率。OCP线代表了过电流保护界限,在线的右边不可能工作。如果负载增加较慢,电路将继续在同一谷底中转换,直至到达过电流保护界限点。然后,TEA1532 将重新设定谷底计数器并探寻新的工作模式,采用序号较低的一条谷底及相应的新的开关频率和峰值电流。在此过程中,输出电压并不发生改变。

图1 针对所给功率,TEA1532能根据所选择的谷底序号,在一个以上的开关频率上工作。当对给定谷底的工作点达到最小开关频率或过电流保护(OCP)线,控制器自动转换到下一条最低序号的谷底。
在非连续模式中,变压器初级侧线圈的电流通常在新的循环开始前要回归零。TEA1532通过能提供Vcc 供电的辅助线圈感知变压器磁化。只有在变压器磁芯完全去磁和感知到适当的谷底值后才开始新的循环。
TEA1532 采用电流模式控制。电流模式控制本身具有良好的交流纹波抑制特性。TEA1532的控制环路通过比较变压器初级侧线圈上的电流与其“CTRL”引脚上的误差电压(该误差电压是通过光隔离器耦合过来的)以产生所需的初级侧线圈“导通” 时间。
在低负载的情况下,控制器进入减频模式, 此时初级侧线圈 “导通” 时间设置到最小值,输出功率由变化的开关频率控制, 降低工作频率使开关损耗减到最低。 针对更低的输出功率 (例如:在待机和空载条件下), TEA1532 进入跳周期模式。只要输出电压仍处于较高状态,功率开关晶体管就保持在截止状态。这个功能使“空载”功率耗散控制在 700mW以下,且无需额外的电路。在连续模式下,可实现空载功率耗散在300mW 以下。
元器件选择
这款设计中重要的元器件选择包括: 输入解耦电容、变压器(芯尺寸、匝数比和初级侧线圈电感)、MOSFET 功率开关、输出二极管和电容器。 详细设计方程可以从应用说明 AN10316_1 中找到,网页链接为:http://www.semiconductors.philips.com/pip/TEA1532P_N1.html。

图2 完整的打印机AC适配器电路图
在满载且最小电压供电单周期情况下,为了维持变压器初级侧线圈上足够的电压,输入解耦电容器的容值必须足够高。在90V/50Hz AC线供电下,为了维持变压器初级线圈所需的最小77V的电压, 建议用139 F电容值。 因此在此设计中选择最接近标准的值: 150 F。
设计变压器的过程并不简单。首先要决定所需的匝数比。它的上限和下限由建议采用的功率MOSFET晶体管的最大漏源电压 (VDS)和次级整流二极管的反向电压限决定。功率 MOSFET要承受由于变压器漏感产生的电压尖峰,它在磁芯消磁开始时加到输入峰值上(265V 交流供电时峰值输入电压为373V)。 尖峰电压的幅值随着漏感及变压器输出的增加而增加,它确定了匝数比的上限。次级整流二极管的反向承受电压决定匝数比的下限。针对600V VDS 功率 MOSFET 和 100V VR 二次整流器二极管的选择,匝数比的上、下限分别为 5.22和 4.66, 因此选择匝数比为 5 。
变压器的初级侧线圈电感由最小输入电压下所达到的最大输出功率决定。在这样的前提下,适配器必须在接近最大频率和峰值电流的情况下工作,这意味着 TEA1532要在消磁后第一个振荡谷底处开启功率 MOSFET。为了计算所需的初级侧线圈电感,就必须确定振荡周期,它由 T-on + T-off + T-osc构成,详见图3。

图3 首个谷底开关条件(最小输入电压、最大输出负载)
由于 TEA1532在这些条件下的谷底检测的频率上限为700KHz,所以决定在功率MOSFET漏极上加一电容,使之与变压器初级侧线圈电感在450 KHz谐振。这样不仅提供了充足的设计余量而且限制了漏极上的 dV/dt 。 T-osc 因而设置在 1.11 s。最大的T-on由最大开关频率的最小值(50KHz)下的最大占空比决定,而最大占空比由匝数比(5)、初级侧线圈上的最小直流电压 (77V)、 输出电压 (20V) 和次级整流二极管的正向电压降(0.5V)决定。 在以上情况下,最大占空比为 0.57,对应的最大 T-on 时间为 10.7 s。
初级侧线圈电感要求在 57 KHz 时传送的最大功率为98W (标称90W 输出加损耗) ,计算得到电感197 H 和对应峰值电流4.15A。 从变压器磁芯参数可计算出初级侧线圈匝数 ( 磁芯Bmax = 220 mT 和 Ae = 109 mm2时为35匝)。 匝数比再决定次级线圈所需的匝数量。
一旦以上的参数确定之后,余下的大部分设计就相对比较简单了。通过最初计算出的初级侧线圈峰值电流可以决定电流感测电阻器的值。 变压器次级线圈上的伏特/匝可用于确定辅助线圈(为 TEA1532 提供最小值为13V Vcc 的供电)的匝数。 峰值钳位二极管 (D105)的选择主要有四个方面考虑:反向额定电压等于或高于MOSFET的VDS值,额定电流高于初级侧线圈峰值电流 ,具有非常低的正向恢复电压和短的反向恢复时间。还要检查漏-源电容 (MOSFET电容加外部谐振电容器)值,使MOSFET 关闭时的转换率(dV/dt) 限定在一个安全值 (只要次级输出电压的峰值低于100V,次级整流二极管就可以选肖特基二极管,因为其低的正向压降能使功率损失降到最低。选择次级平滑电容器以满足输出纹波电流要求,而且额定电压必须高于适配器出现开环故障情况下出现的电压。
此AC 适配器符合各项性能指标,其中包括在60 W 输出时转换效率在80%以上并且功率器件所需的散热器体积极小。
射频工程师养成培训教程套装,助您快速成为一名优秀射频工程师...
天线设计工程师培训课程套装,资深专家授课,让天线设计不再难...
上一篇:嵌入式
POL
DC/DC
转换器设计
下一篇:电源设备保护电路的优化设计
射频和天线工程师培训课程详情>>

