- 易迪拓培训,专注于微波、射频、天线设计工程师的培养
发展迅速的AC直接驱动LED光源技术
录入:edatop.com 点击:
LED光源作为绿色、节能、省电、长寿命的第四代照明灯具而异军突起、广受关注、如火如荼地迅速发展。目前的LED光源是低电压(VF=2→3.6V)、大电流(IF=200→1500mA)工作的半导体器件,必须提供合适的直流流才能正常发光。直流(DC)驱动LED光源发光的技术已经越来越成熟,由于我们日常照明使用的电源是高压交流(AC 100~220V),所以必须使用降压的技术来获得较低的电压,常用的是变压器或开关电源降压,然后将交流(AC)变换成直流(DC),再变换成直流恒流源,才能促使LED光源发光。因此直流驱动LED光源的系统应用方案必然是:变压器+整流(或开关电源)+恒流源(图1)。LED灯具里必然要有一定的空间来安置这个模块,但是对于E27标准螺口的灯具来说空间十分有限,很难安置。无论是经由变压器+整流或是开关电源降压,系统都会有一定量的损耗,DC LED在交流、直流之间转换时约15%~30%的电力被损耗,系统效率很难做到90%以上。如果能用交流(AC)直接驱动LED光源发光,系统应用方案将大大简化,系统效率将很轻松地达到90%以上。
韩国汉城半导体公司即今天的首尔半导体早在2005年已发明可以用交流直接驱动使其发光的AC LED,其次是美国 III-N Technology,3N技术开发MOCVD生长技术基础上的氮化镓衬底,可以增进照明和传感器的应用,并降低成本和提高生产效率。对大大小小的硅发光二极管提供6英寸生产技术。3N发明的单芯片交流发光二极管(AC LED) ,建立了全面的专利组合,以保护和改善技术,牢固地确立其专有的立场,是首屈一指的大规模商业化生产的交流发光二极管产品。我国台湾省“工业技术研究院”2008年也完成可产业化生产并有实际应用系统方案的AC LED产品,可直接插电于60Hz或更高频率的AC 110V 交流压使其交流发光,应用于指示灯、霓虹灯、低瓦数照明灯,能有效解决现有 LED 无法直接在交流源下使用,造成产品应用成本较高的缺点。台湾工研院的On Chip AC LED(片上AC LED)因此获得素有美国产业创新奥斯卡奖之称的2008年R&D 100 Award大奖。现在全世界只有美国、韩国与中国台湾有此技术,台湾工研院开发出白光、蓝光及绿光AC LED的制程技术,不仅与国际同步,也是全球领先者之一。
AC LED灯具的优点
与白炽灯、卤素灯、荧光日光灯、荧光节能灯、直流LED灯相比,AC LED灯具有更节能省电、更长寿、更有能效的高性价比。AC LED发光省去了成本不菲的AC/DC转换器和恒流源。交流LED与现有的照明灯具性能比较如表1所示。
AC LED光源超细晶粒采用特殊交错的矩阵排列
AC LED光源的重大技术突破是超细LED晶粒在封装时的特殊排列组合技术,同时利用LED PN结的二极管特性兼作整流,半导体制程在其中扮演着相当重要的角色。AC LED通过半导体制程整合成一堆微小晶粒,采用交错的矩阵式排列工艺,并加入桥式电路至芯片设计,使AC电流可双向导通,实现发光。 晶粒的排列如图2所示,左图是AC LED晶粒采用交错的矩阵式排列示意图,右小图是实际AC LED晶粒排列照片,AC LED晶粒在接上交流后通体发光,因此只需要二根引线导入交流源即能发光工作。
AC LED光源的工作原理
AC LED光源的工作原理如图3,将一堆LED微小晶粒采用交错的矩阵式排列工艺均分为五串,AC LED晶粒串组成类似一个整流桥,整流桥的两端分别联接交流源,另两端联接一串LED晶粒,交流的正半周沿蓝色通路流动,3串LED晶粒发光,负半周沿绿色通路流动,又有3串LED晶粒发光,四个桥臂上的LED晶粒轮番发光,相对桥臂上的LED晶粒同时发光,中间一串LED晶粒因共用而一直在发光。在60Hz的交流中会以每秒60次的频率轮替点亮。整流桥取得的直流是脉动直流,LED的发光也是闪动的,LED有断电余辉续光的特性,余辉可保持几十微秒,因人眼对流动光点记忆是有惰性的,结果人眼对LED光源的发光+余辉的工作模式解读是连续在发光。LED有一半时间在工作,有一半时间在休息,因而发热得以减少40%~20%。因此AC LED的使用寿命较DC LED长。
AC LED成熟的产品如首尔用于AC110V的AX3201、AX3211和用于220V的AX3221、AX3231。用于AC110V功率在3.3W~4W,工作电流40mA;用于AC220V功率在3.3W-4W,工作电流20mA(图4)。LED晶粒直接邦定在铜铝基板上。引脚如图5所示。
AC LED的典型应用技术
AC LED的典型应用电原理图如图6所示十分简单,在AC LED两端分别串入正温度系数热敏电阻PTC,和限流电阻R1、R2、R3,接上110V或220V交流即可进入照明工作。
LED在大批量生产时,其阻抗有一定的离散性,AC LED也如此,为便于下游厂家的大批量应用,LED光源生产厂商在出厂时对批量生产的产品按阻抗分档,客户在使用时可按LED光源厂家提供的VF分档表查用相应阻值的限流电阻,如表2所示是AX3221/AX3231的VF分档与限流电阻表。
AC LED的发展
AC LED在家用电力上的方便性,不需要像DC LED一样另外得帮灯具装上一个交流转直流的转换器,不但节省了这颗转换器的成本,也避免LED光源本身还没坏,但转换器却先坏掉的窘境。交直流转换器可说是一种随着时间会老化、坏掉的电子元器件,其寿命比LED光源本身更短,故目前很多LED灯具坏掉,并不是LED光源寿命已尽,而是LED灯具使用的交直流转换器先坏掉了。AC LED还有一个特性,就是因为其工艺采用交错的矩阵式排列,是轮流点亮的,在60Hz的交流中会以每秒60次的频率轮替点亮,也让AC LED的使用寿命较DC LED长。
不过,AC LED现阶段有两个缺点,其一是发光效率并没有DC LED高,这是因为DC LED发展目前是主流,AC LED刚刚起步,AC LED的发光效率是可以追上,甚至超过DC LED的。其二是AC LED有触电的风险。故AC LED如果要应用在LED照明灯具上,应避免金属鳍片的裸露,而应是间接地把热带走,这也就是发展新的充液LED固态照明灯具的设计核心概念。
AC LED刚刚步入成长期,目前在发光亮度、功率等方面还不够理想,但AC LED的应用简便、无需变压转换器和恒流源,以及低成本、高效率已显现强大的生命力。AC LED的技术在飞跃发展,要不了几年,高亮度、大功率、低成本的产品将大量面世。

图1 直流驱动LED光源的系统应用方案
韩国汉城半导体公司即今天的首尔半导体早在2005年已发明可以用交流直接驱动使其发光的AC LED,其次是美国 III-N Technology,3N技术开发MOCVD生长技术基础上的氮化镓衬底,可以增进照明和传感器的应用,并降低成本和提高生产效率。对大大小小的硅发光二极管提供6英寸生产技术。3N发明的单芯片交流发光二极管(AC LED) ,建立了全面的专利组合,以保护和改善技术,牢固地确立其专有的立场,是首屈一指的大规模商业化生产的交流发光二极管产品。我国台湾省“工业技术研究院”2008年也完成可产业化生产并有实际应用系统方案的AC LED产品,可直接插电于60Hz或更高频率的AC 110V 交流压使其交流发光,应用于指示灯、霓虹灯、低瓦数照明灯,能有效解决现有 LED 无法直接在交流源下使用,造成产品应用成本较高的缺点。台湾工研院的On Chip AC LED(片上AC LED)因此获得素有美国产业创新奥斯卡奖之称的2008年R&D 100 Award大奖。现在全世界只有美国、韩国与中国台湾有此技术,台湾工研院开发出白光、蓝光及绿光AC LED的制程技术,不仅与国际同步,也是全球领先者之一。
AC LED灯具的优点
与白炽灯、卤素灯、荧光日光灯、荧光节能灯、直流LED灯相比,AC LED灯具有更节能省电、更长寿、更有能效的高性价比。AC LED发光省去了成本不菲的AC/DC转换器和恒流源。交流LED与现有的照明灯具性能比较如表1所示。
表1 交流LED与现有的照明灯具性能比较
AC LED光源超细晶粒采用特殊交错的矩阵排列
AC LED光源的重大技术突破是超细LED晶粒在封装时的特殊排列组合技术,同时利用LED PN结的二极管特性兼作整流,半导体制程在其中扮演着相当重要的角色。AC LED通过半导体制程整合成一堆微小晶粒,采用交错的矩阵式排列工艺,并加入桥式电路至芯片设计,使AC电流可双向导通,实现发光。 晶粒的排列如图2所示,左图是AC LED晶粒采用交错的矩阵式排列示意图,右小图是实际AC LED晶粒排列照片,AC LED晶粒在接上交流后通体发光,因此只需要二根引线导入交流源即能发光工作。

图2 AC LED晶粒排列照片与示意图
AC LED光源的工作原理
AC LED光源的工作原理如图3,将一堆LED微小晶粒采用交错的矩阵式排列工艺均分为五串,AC LED晶粒串组成类似一个整流桥,整流桥的两端分别联接交流源,另两端联接一串LED晶粒,交流的正半周沿蓝色通路流动,3串LED晶粒发光,负半周沿绿色通路流动,又有3串LED晶粒发光,四个桥臂上的LED晶粒轮番发光,相对桥臂上的LED晶粒同时发光,中间一串LED晶粒因共用而一直在发光。在60Hz的交流中会以每秒60次的频率轮替点亮。整流桥取得的直流是脉动直流,LED的发光也是闪动的,LED有断电余辉续光的特性,余辉可保持几十微秒,因人眼对流动光点记忆是有惰性的,结果人眼对LED光源的发光+余辉的工作模式解读是连续在发光。LED有一半时间在工作,有一半时间在休息,因而发热得以减少40%~20%。因此AC LED的使用寿命较DC LED长。

图3 AC LED光源的工作原理
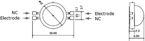
AC LED成熟的产品如首尔用于AC110V的AX3201、AX3211和用于220V的AX3221、AX3231。用于AC110V功率在3.3W~4W,工作电流40mA;用于AC220V功率在3.3W-4W,工作电流20mA(图4)。LED晶粒直接邦定在铜铝基板上。引脚如图5所示。

图4 首尔半导体的AC LED

图5 AC LED引脚图
AC LED的典型应用技术
AC LED的典型应用电原理图如图6所示十分简单,在AC LED两端分别串入正温度系数热敏电阻PTC,和限流电阻R1、R2、R3,接上110V或220V交流即可进入照明工作。
LED在大批量生产时,其阻抗有一定的离散性,AC LED也如此,为便于下游厂家的大批量应用,LED光源生产厂商在出厂时对批量生产的产品按阻抗分档,客户在使用时可按LED光源厂家提供的VF分档表查用相应阻值的限流电阻,如表2所示是AX3221/AX3231的VF分档与限流电阻表。

图6 AC LED的典型应用电原理图
表2 AX3221/AX3231的VF分档与限流电阻表
AC LED的发展
AC LED在家用电力上的方便性,不需要像DC LED一样另外得帮灯具装上一个交流转直流的转换器,不但节省了这颗转换器的成本,也避免LED光源本身还没坏,但转换器却先坏掉的窘境。交直流转换器可说是一种随着时间会老化、坏掉的电子元器件,其寿命比LED光源本身更短,故目前很多LED灯具坏掉,并不是LED光源寿命已尽,而是LED灯具使用的交直流转换器先坏掉了。AC LED还有一个特性,就是因为其工艺采用交错的矩阵式排列,是轮流点亮的,在60Hz的交流中会以每秒60次的频率轮替点亮,也让AC LED的使用寿命较DC LED长。
不过,AC LED现阶段有两个缺点,其一是发光效率并没有DC LED高,这是因为DC LED发展目前是主流,AC LED刚刚起步,AC LED的发光效率是可以追上,甚至超过DC LED的。其二是AC LED有触电的风险。故AC LED如果要应用在LED照明灯具上,应避免金属鳍片的裸露,而应是间接地把热带走,这也就是发展新的充液LED固态照明灯具的设计核心概念。
AC LED刚刚步入成长期,目前在发光亮度、功率等方面还不够理想,但AC LED的应用简便、无需变压转换器和恒流源,以及低成本、高效率已显现强大的生命力。AC LED的技术在飞跃发展,要不了几年,高亮度、大功率、低成本的产品将大量面世。
射频工程师养成培训教程套装,助您快速成为一名优秀射频工程师...
射频和天线工程师培训课程详情>>

