- 易迪拓培训,专注于微波、射频、天线设计工程师的培养
高可靠系统的电源电压监控和排序
录入:edatop.com 点击:
对于多数电子系统,用上电复位(POR)电路监控系统电压可以保证正确的上电初始化。此外,用POR监视电压跌落,能够尽可能避免代码运行中的问题(存储器不可靠或导致系统不能正确运行)。为了改善高端系统的可靠性,系统电源必须有正确的时序,以防止其微控制器、微处理器、DSP或ASIC闭锁,闭锁问题可能导致系统损坏或影响其长期稳定性。在大多数情况下,一个或多个微处理器监控IC可实现这些排序和监控功能。
利用检测器和上电复位电路监控电压
监控系统电源电压的一种简单方法是电压检测器,这种IC包括一个比较器和一个内部基准。当电源电压降到低于电压检测器的阈值时,输出报警信号通知系统微控制器即将发生电源故障。从而使微控制器能够以受控方式对存储器进行备份、接通或断开电源或使系统关断。
上电或断电期间,当电压检测器改变状态时,在很短的传输延迟后即可触发输出跳变。这有利于电源故障报警,而在大多数情况下,微控制器的复位输入需要较长的延迟时间(称作复位超时周期)。上电过程中,系统时钟和电源必须在微控制器解除复位状态之前稳定下来,而且,处理器的寄存器必须完成初始化。上电复位 (POR)是微处理器监控IC的功能之一,提供复位超时周期,使系统在微控制器开始工作之前完成初始化。同样,如果上电后电源电压瞬间跌落至POR阈值,在电源恢复到POR阈值以上后,会提供同样的超时延迟。上电复位具有不同的固定超时周期数和阈值电压,有些上电复位芯片还提供电容可调的超时周期。
监控多电压系统
大多数系统监控3.3V I/O逻辑电源。为了使系统具有较高可靠性,必须监控额外的电源,如核电压和存储器电源电压等。为数众多的多电压微处理器监控器能够胜任这项任务,但给定系统的特殊要求使芯片的选择余地大大减少。
大多数监控器能够监控标准电压(如5V、3.3V、2.5V和1.8V),实际应用中还会需要监控额外的电压,这是因为不同元件(例如存储器、PLD和 ASIC)具有不同的电源要求。因此,需要决定采用固定阈值器件(这种器件不需要外部电阻器)还是更灵活的可调阈值器件(这种器件可以根据需要改变门限,但需要外部电阻器)。具有固定和可调阈值的组合器件是最好的解决方案。在选择器件时,重要的是选择其基准电压低于所监控的系统最低电压。例如,在 0.8V,0.9V和1V电源系统中,1.2V基准器件就不能工作。
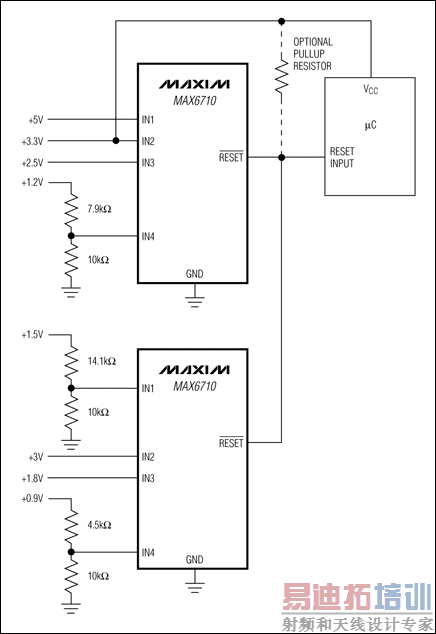
近年来,高可靠系统中的电源电压数量逐步增加,有些系统需要10个甚至更多的电源电压,针对这种应用可以选择多通道监控器件,特别是具有漏极开路输出的多电压监控器,这种器件的输出可以将输出通过逻辑“或”,合并为单一输出。所示将两个MAX6710连接在一起,可监控8路电压,提供一个复位输出信号。

图1. 利用两片漏极开路输出的多电压监控器监控8路电压,提供单个复位输出。
过压保护电路
某些电源不仅需要监视欠压条件,同时还需要监视过压条件。很多系统中,为了防止损坏昂贵的处理器和ASIC,过压监视已成为必不可少的条件。常用的过压保护电路有两种:一种是由两个电压检测器和一个基准构成的窗口检测器,同时监控过压条件和欠压条件,也可以选择专用的窗口检测器IC,如MAX6754。另外一种电压保护电路包括一个外部p沟道MOSFET,若电压超过指定电平,则外部p沟道MOSFET关闭电源(参见)。

图2. 当监控电路检测到过压情况时,p沟道MOSFET断开电源。
电源排序
利用DC-DC电源调节器的使能或关断引脚可以方便地对电源进行排序。在"菊花链"配置中,当电源首次上电时,电源要求其上电就绪(POK)信号(假若有此信号)告知其他电路其电压是否在余量内。POK输出连接第2个调节器的关断或使能引脚,并在有效时开启调节器,如所示。对于需要较长延迟的情况,某些调节器包括一个POR,允许在开通下一个电源前有较长的时间延迟。
没有POK信号时,可以用电压检测器或POR监控电源输出,把检测器或POR输出连接到第2个电源的关断或使能输入引脚。当监视电压超过特定阈值时,第2 个电源开启。存在电源干扰时,特别是监控电压接近于门限值时,检测器会频繁地接通、关闭调节器。为了避免这种情况,上电复位电路可在一定程度上改善这种状况——这也是POR超时周期带来的好处。当被监控电压低于监控器的阈值时,POR输出在监控电压恢复到阈值电压以前保持复位状态,并在电压恢复正常后继续保持最小超时周期的复位状态。在超时周期内,监控电压必须保持大于复位阈值,从而解除复位状态,避免重复复位操作。利用POR产生关断或使能信号还允许用户控制导通时间,POR提供几微秒"1秒以上的超时周期。另外,电容可调的POR允许改变指定器件的超时周期。

图3. 带有POK输出的电源为电源排序提供一种简便方法。
上电复位电路还可以控制其它电源的上电顺序。例如,在一个有3个电源供电的系统中,可以在第3个电源有效前使前两个电源有效。如果用不带POK输出的稳压器产生前两路电源,则可以用一个双电压POR监视它的两个电压。通过控制第三路电源的使能或关断引脚,使第三路电源顺序上电。为了对更多数量的电源进行顺序控制,可以采用多电压监控器件。例如,一个四电压检测器适合对4路电源排序。此外,可以采用具有不同延迟的多复位输出器件对多个电源进行顺序控制。
开关元件
使用"银盒" 或 "砖" 电源时,如果没有附加电路,有时无法以受控次序接通或断开每路电压。这种电源提供标准电压(如5V、3.3V、2.5V和1.8V),电压分布在整个系统中。例如,一个 "砖" 电源可为两片不同IC提供3.3V逻辑电源和1.8V核电源。有些情况下,这些IC需要不同的上电顺序;一个器件需要核电压先上电,而另一个器件则需要 I/O电源先上电。
这种情况下,电源排序可以通过一个外部开关元件控制电源的通/断。图4所示用一个电压检测器连接到MOSFET的栅极,此MOSFET用来控制VCC1的通/断。系统存在较高电压,能够提供足够的栅-源驱动时,可以选用n沟道MOSFET。但在上电过程中可能引发其它问题,上电期间,若VCC2先于VCC1达到足够高的电平,VCC2将驱动MOSFET使其导通,直到VCC1上升到足够高的电平,使电压检测器输出低电平。

图4. 系统存在较高电压时,电压检测器通过n沟道MOSFET可以控制低电压电源的上电顺序。
同种类型的电路可以用一个电压检测器和一个p沟道MOSFET实现,不需要第2个较高电压。但是,此电路不适合低压电源。另外,p沟道MOSFET较高的导通电阻,使其对大功率应用不合适。
在多电压电源的排序应用中,比较简单、可靠的方法是利用MAX6891等器件实现监控和排序双重功能(参见)。这类IC用复位电路监控第一个电压来确定该电压是否在规定的范围内;当该电压达到指标要求时,IC通过其MOSFET驱动器接通MOSFET。内部电荷泵为第2路电源增加了一个固定电压,用于控制MOSFET的栅极,这有助于确保栅一源电压足够高,驱动MOSFET完全导通。

图5. 主电源上电后,MAX6819接通第二路电源。板上电荷泵增强MOSFET驱动,使其导通电阻最小。
余量功能
很多电信、网络、存储和服务器设备在制造过程中往往采用余量测试规程,保证系统的可靠性。“余量”涉及系统(或处理器)的评估,使系统电源偏离标称电压进行评估。为了改变电压,通常用数字电位器或电流DAC调节DC-DC转换器的反馈回路。图6所示是电源余量控制的两种方法。另外,还可以通过一个数字接口编程电源输出。不同程度的余量控制包括 "合格/失效",对所有电源电压增加或减少±5%或±10%电平,和精细调节(电源以10mV或100mV步长增加或降低);后一种方法允许更详细地评估系统性能。

图6. 执行电压余量的两种简单技术包括增加一个数字电位器或电流DAC到DC-DC转换器的反馈回路。
可以用ADC更精确地测量这些电源电压,可以利用微控制器内部ADC实现该功能;然而,在微控制器供电电源降到规定电压以下时,内部基准可能超出容限范围,影响ADC精度。余量测试期间必须断开或禁止复位输出,这样系统可以继续工作。否则,系统将复位,无法检测到系统失效时的电源电压。大规模系统的余量测试过程可能需要相当长的时间。
单一芯片集成监控、排序和余量功能
尽管很多处理器只需要两路电源,一路核电源和一路I/O电源,而其它器件(如DSP、ASIC、网络处理器和视频处理器)可能需要5路电源。在一个完整的系统中,监控器电路可能需要监控并排序控制10路以上的电源。随着系统电源电压数量的增加,需要监控、排序和余量测试的IC数量也在增加。从而使成本增加,并占用更多的电路板空间。需要改变参量(如电压阈值,复位暂停周期)时,还要增加新的器件。此外,改变排序次序也是一个相当困难的任务。
为了降低电路复杂程度,可以采用可编程系统管理IC,这种IC将监控和排序功能集于一体。器件的可编程性简化了控制过程的修改。在样机和制造阶段不需要更换器件。大多数情况下,可以通过串行接口编程设置内部寄存器,设置阈值和延迟时间。板上EEPROM用来存储这些寄存器的内容。
所示为MAX6870系统管理器件监控和排序几个系统电源的框图。当+12V总线电压增加并超过其阈值(存储在MAX6870中)时, MAX6870的一路输出立即或经过一个延迟周期(也存储在MAX6870存储器中)后开启+5V稳压器。+5V稳压器上升,而且达到所对应的阈值时,+ 3.3V电源开启。随后,其余电源依次以相同的方时启动。

图7. 可编程系统管理器件为电压监控和排序提供一种灵活的方法。
通过编程系统管理器件还可以提供其它监控功能(如复位电路和看门狗定时器)。系统管理器件通过其模拟和数字输入,也可监控电源电压以外的参量。在图7电路中,AUXIN_ (模拟输入)和GPI_ (数字输入)监控一个温度读数和一个电流检测读数。MAX6870包括一个10位ADC,可量化读数。微控器监控这些量化数值的状态。温度传感器和电流检测监控器均包含一个比较器,指示已发生的失效(即温度或电流是否超过指定门限)。每个比较器输出连接到MAX6870通用输入(GPI),MAX6870 被配置成发生失效条件时,关闭一个或多个电源,从而减少+12V电源上的负载。
内部ADC简化了精确的余量测试。在余量测试过程中,可以从ADC寄存器读取每个电源的输出电压。同样,余量输入也可以禁止输出或编程到已知状态,因此,在此期间可避免系统复位。
结论
高端系统中,监控、排序和余量测试有多种方法。新一代系统管理器件可以解决当前系统设计人员面临的复杂问题。可以用新型、完全集成的器件替代传统方案,在单个芯片中提供更大的灵活性和更多的功能,从而节省电路板空间,降低成本,缩短设计时间。
利用检测器和上电复位电路监控电压
监控系统电源电压的一种简单方法是电压检测器,这种IC包括一个比较器和一个内部基准。当电源电压降到低于电压检测器的阈值时,输出报警信号通知系统微控制器即将发生电源故障。从而使微控制器能够以受控方式对存储器进行备份、接通或断开电源或使系统关断。
上电或断电期间,当电压检测器改变状态时,在很短的传输延迟后即可触发输出跳变。这有利于电源故障报警,而在大多数情况下,微控制器的复位输入需要较长的延迟时间(称作复位超时周期)。上电过程中,系统时钟和电源必须在微控制器解除复位状态之前稳定下来,而且,处理器的寄存器必须完成初始化。上电复位 (POR)是微处理器监控IC的功能之一,提供复位超时周期,使系统在微控制器开始工作之前完成初始化。同样,如果上电后电源电压瞬间跌落至POR阈值,在电源恢复到POR阈值以上后,会提供同样的超时延迟。上电复位具有不同的固定超时周期数和阈值电压,有些上电复位芯片还提供电容可调的超时周期。
监控多电压系统
大多数系统监控3.3V I/O逻辑电源。为了使系统具有较高可靠性,必须监控额外的电源,如核电压和存储器电源电压等。为数众多的多电压微处理器监控器能够胜任这项任务,但给定系统的特殊要求使芯片的选择余地大大减少。
大多数监控器能够监控标准电压(如5V、3.3V、2.5V和1.8V),实际应用中还会需要监控额外的电压,这是因为不同元件(例如存储器、PLD和 ASIC)具有不同的电源要求。因此,需要决定采用固定阈值器件(这种器件不需要外部电阻器)还是更灵活的可调阈值器件(这种器件可以根据需要改变门限,但需要外部电阻器)。具有固定和可调阈值的组合器件是最好的解决方案。在选择器件时,重要的是选择其基准电压低于所监控的系统最低电压。例如,在 0.8V,0.9V和1V电源系统中,1.2V基准器件就不能工作。
近年来,高可靠系统中的电源电压数量逐步增加,有些系统需要10个甚至更多的电源电压,针对这种应用可以选择多通道监控器件,特别是具有漏极开路输出的多电压监控器,这种器件的输出可以将输出通过逻辑“或”,合并为单一输出。所示将两个MAX6710连接在一起,可监控8路电压,提供一个复位输出信号。

图1. 利用两片漏极开路输出的多电压监控器监控8路电压,提供单个复位输出。
过压保护电路
某些电源不仅需要监视欠压条件,同时还需要监视过压条件。很多系统中,为了防止损坏昂贵的处理器和ASIC,过压监视已成为必不可少的条件。常用的过压保护电路有两种:一种是由两个电压检测器和一个基准构成的窗口检测器,同时监控过压条件和欠压条件,也可以选择专用的窗口检测器IC,如MAX6754。另外一种电压保护电路包括一个外部p沟道MOSFET,若电压超过指定电平,则外部p沟道MOSFET关闭电源(参见)。

图2. 当监控电路检测到过压情况时,p沟道MOSFET断开电源。
电源排序
利用DC-DC电源调节器的使能或关断引脚可以方便地对电源进行排序。在"菊花链"配置中,当电源首次上电时,电源要求其上电就绪(POK)信号(假若有此信号)告知其他电路其电压是否在余量内。POK输出连接第2个调节器的关断或使能引脚,并在有效时开启调节器,如所示。对于需要较长延迟的情况,某些调节器包括一个POR,允许在开通下一个电源前有较长的时间延迟。
没有POK信号时,可以用电压检测器或POR监控电源输出,把检测器或POR输出连接到第2个电源的关断或使能输入引脚。当监视电压超过特定阈值时,第2 个电源开启。存在电源干扰时,特别是监控电压接近于门限值时,检测器会频繁地接通、关闭调节器。为了避免这种情况,上电复位电路可在一定程度上改善这种状况——这也是POR超时周期带来的好处。当被监控电压低于监控器的阈值时,POR输出在监控电压恢复到阈值电压以前保持复位状态,并在电压恢复正常后继续保持最小超时周期的复位状态。在超时周期内,监控电压必须保持大于复位阈值,从而解除复位状态,避免重复复位操作。利用POR产生关断或使能信号还允许用户控制导通时间,POR提供几微秒"1秒以上的超时周期。另外,电容可调的POR允许改变指定器件的超时周期。

图3. 带有POK输出的电源为电源排序提供一种简便方法。
上电复位电路还可以控制其它电源的上电顺序。例如,在一个有3个电源供电的系统中,可以在第3个电源有效前使前两个电源有效。如果用不带POK输出的稳压器产生前两路电源,则可以用一个双电压POR监视它的两个电压。通过控制第三路电源的使能或关断引脚,使第三路电源顺序上电。为了对更多数量的电源进行顺序控制,可以采用多电压监控器件。例如,一个四电压检测器适合对4路电源排序。此外,可以采用具有不同延迟的多复位输出器件对多个电源进行顺序控制。
开关元件
使用"银盒" 或 "砖" 电源时,如果没有附加电路,有时无法以受控次序接通或断开每路电压。这种电源提供标准电压(如5V、3.3V、2.5V和1.8V),电压分布在整个系统中。例如,一个 "砖" 电源可为两片不同IC提供3.3V逻辑电源和1.8V核电源。有些情况下,这些IC需要不同的上电顺序;一个器件需要核电压先上电,而另一个器件则需要 I/O电源先上电。
这种情况下,电源排序可以通过一个外部开关元件控制电源的通/断。图4所示用一个电压检测器连接到MOSFET的栅极,此MOSFET用来控制VCC1的通/断。系统存在较高电压,能够提供足够的栅-源驱动时,可以选用n沟道MOSFET。但在上电过程中可能引发其它问题,上电期间,若VCC2先于VCC1达到足够高的电平,VCC2将驱动MOSFET使其导通,直到VCC1上升到足够高的电平,使电压检测器输出低电平。

图4. 系统存在较高电压时,电压检测器通过n沟道MOSFET可以控制低电压电源的上电顺序。
同种类型的电路可以用一个电压检测器和一个p沟道MOSFET实现,不需要第2个较高电压。但是,此电路不适合低压电源。另外,p沟道MOSFET较高的导通电阻,使其对大功率应用不合适。
在多电压电源的排序应用中,比较简单、可靠的方法是利用MAX6891等器件实现监控和排序双重功能(参见)。这类IC用复位电路监控第一个电压来确定该电压是否在规定的范围内;当该电压达到指标要求时,IC通过其MOSFET驱动器接通MOSFET。内部电荷泵为第2路电源增加了一个固定电压,用于控制MOSFET的栅极,这有助于确保栅一源电压足够高,驱动MOSFET完全导通。

图5. 主电源上电后,MAX6819接通第二路电源。板上电荷泵增强MOSFET驱动,使其导通电阻最小。
余量功能
很多电信、网络、存储和服务器设备在制造过程中往往采用余量测试规程,保证系统的可靠性。“余量”涉及系统(或处理器)的评估,使系统电源偏离标称电压进行评估。为了改变电压,通常用数字电位器或电流DAC调节DC-DC转换器的反馈回路。图6所示是电源余量控制的两种方法。另外,还可以通过一个数字接口编程电源输出。不同程度的余量控制包括 "合格/失效",对所有电源电压增加或减少±5%或±10%电平,和精细调节(电源以10mV或100mV步长增加或降低);后一种方法允许更详细地评估系统性能。

图6. 执行电压余量的两种简单技术包括增加一个数字电位器或电流DAC到DC-DC转换器的反馈回路。
可以用ADC更精确地测量这些电源电压,可以利用微控制器内部ADC实现该功能;然而,在微控制器供电电源降到规定电压以下时,内部基准可能超出容限范围,影响ADC精度。余量测试期间必须断开或禁止复位输出,这样系统可以继续工作。否则,系统将复位,无法检测到系统失效时的电源电压。大规模系统的余量测试过程可能需要相当长的时间。
单一芯片集成监控、排序和余量功能
尽管很多处理器只需要两路电源,一路核电源和一路I/O电源,而其它器件(如DSP、ASIC、网络处理器和视频处理器)可能需要5路电源。在一个完整的系统中,监控器电路可能需要监控并排序控制10路以上的电源。随着系统电源电压数量的增加,需要监控、排序和余量测试的IC数量也在增加。从而使成本增加,并占用更多的电路板空间。需要改变参量(如电压阈值,复位暂停周期)时,还要增加新的器件。此外,改变排序次序也是一个相当困难的任务。
为了降低电路复杂程度,可以采用可编程系统管理IC,这种IC将监控和排序功能集于一体。器件的可编程性简化了控制过程的修改。在样机和制造阶段不需要更换器件。大多数情况下,可以通过串行接口编程设置内部寄存器,设置阈值和延迟时间。板上EEPROM用来存储这些寄存器的内容。
所示为MAX6870系统管理器件监控和排序几个系统电源的框图。当+12V总线电压增加并超过其阈值(存储在MAX6870中)时, MAX6870的一路输出立即或经过一个延迟周期(也存储在MAX6870存储器中)后开启+5V稳压器。+5V稳压器上升,而且达到所对应的阈值时,+ 3.3V电源开启。随后,其余电源依次以相同的方时启动。

图7. 可编程系统管理器件为电压监控和排序提供一种灵活的方法。
通过编程系统管理器件还可以提供其它监控功能(如复位电路和看门狗定时器)。系统管理器件通过其模拟和数字输入,也可监控电源电压以外的参量。在图7电路中,AUXIN_ (模拟输入)和GPI_ (数字输入)监控一个温度读数和一个电流检测读数。MAX6870包括一个10位ADC,可量化读数。微控器监控这些量化数值的状态。温度传感器和电流检测监控器均包含一个比较器,指示已发生的失效(即温度或电流是否超过指定门限)。每个比较器输出连接到MAX6870通用输入(GPI),MAX6870 被配置成发生失效条件时,关闭一个或多个电源,从而减少+12V电源上的负载。
内部ADC简化了精确的余量测试。在余量测试过程中,可以从ADC寄存器读取每个电源的输出电压。同样,余量输入也可以禁止输出或编程到已知状态,因此,在此期间可避免系统复位。
结论
高端系统中,监控、排序和余量测试有多种方法。新一代系统管理器件可以解决当前系统设计人员面临的复杂问题。可以用新型、完全集成的器件替代传统方案,在单个芯片中提供更大的灵活性和更多的功能,从而节省电路板空间,降低成本,缩短设计时间。
射频工程师养成培训教程套装,助您快速成为一名优秀射频工程师...
天线设计工程师培训课程套装,资深专家授课,让天线设计不再难...
上一篇:基于MCU的风光互补独立电源系统
下一篇:直流电源现场检测系统的开发与应用
射频和天线工程师培训课程详情>>

