- 易迪拓培训,专注于微波、射频、天线设计工程师的培养
用MAX1672设计便携式设备电源
录入:edatop.com 点击:
MAX1672是升/降压DC-DC转换器,其输入电压范围特别宽(1.8-11V),输出电压也可以在1.25-5.55V之间调节(预设置为3.3、5.0V)。这样的设计非常适合应用在由电池供电的输入电压可能会随着使用时间产生巨大变化的便携式仪器的供电系统中。本文将以MAX1672为例,阐述这类电源器件的工作原理,并介绍用MAX1672设计的一个交/直流供电可切换的便携电源。
升/降压切换工作原理
图1所示是MAX1672的原理框图。MAX1672主要由3个相互关联的部分组成,从左到右依次是:由脉冲频率调制(PFM)原理组成的开关升压DC-DC变换器、用于降压和降低开关电源纹波的线性稳压器和用于监视电池状况的监视电路。而使MAX1672不同于以往电源电路的部分是使开关式升压电源和线性稳压器协调工作的输入监视放大器。图2是使用预制3.3V和5.0V的典型电路。上半部分是由少量的外围分立器件组成的升压电路,PS为开关升压电路的输出。下半部分是线性稳压器的输出及电池状况监视电路的各个引脚的连接方法。

图1 MAX1672的原理框图
当输入电压高于输出电压(图2中所示为3.3V或5V)约1V以上时,只有线性稳压器在工作,而开关升压电路处于省电的关断模式。随着电池的消耗,输出电压不断降低到比设定输出电压只高1V以下时,线性稳压器和开关升压变换器同时工作,升压变换器先将输入电压升高至设置输出电压约1V以上,为线性稳压器提供一定的工作裕量,再由线性稳压器将输出电压降低至设定的输出电压,同时减小输出电压纹波以提高整体稳定性。当电压降至设定输出电压以后,只有升压变换器在工作,它将输入电压象一般的升压开关稳压器件一样提升到设定输出电压,此种工作状态效率最高,可是输出纹波也最大。

图2 MAX1672典型电路
使用细节
输出电压的选择与预设定
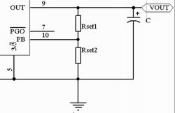
MAX1672有两种预设定工作电压:3.3V和5.0V。如果要使用这两个预设电压,只需如图2所示把控制输出电压的反馈引脚FB接地,而把控制引脚接到PS或者地即可。由图1可知,当FB引脚的电压低于70mV时,起不到控制输出电压的作用。如果预制的两种电压不能够满足实际应用的需要,可以在FB在70mV之上时改变FB及OUT之间的电压之比来实现1.25-5.5V的输出电压调节。使用方法与控制一般线性稳压模块(如7805,LM317等)方法近似,只是输出电压的基准是MAX1672内部集成的1.25V,计算方法为:。由于MAX1672为全MOS电路,输入阻抗非常大,所以可以将Rset1和Rset2取得很大(数百K 数量级),而不影响设置精度,以达到省电的目的。连接方法如图3所示。

图3 输出电压设定
元器件的选择和使用
MAX1672所需要的外围器件数量较少,主要包括一个仅100 H的电感,一个小体积的肖特基二极管(1N5817,1N5819等),较大的钽电容器(100 F)和铝电解电容各一个,输出端使用一个10 F左右的铝电解电容及若干电阻。其中两个100 F左右的电容较重要。一个连接在输入端,起去除输入纹波的作用。由于电池输出电阻较大,对于加大的开关式负载必将产生很大的输出纹波,电解电容就是起到缓解负载剧烈变化,减小输出波动的作用。另一个100 F的钽电容的输出电阻较小(漏电流小),作为开关升压器输出的滤波电容非常合适,可以有效地提高输出电流。
可实现自动关断和电池
示警的便携式仪器电源
图4是本文设计的便携仪器电源。这个便携式电源可以使用电池和交流电源两种方式供电。在没有插接交流输入的情况下,电源继电器JDP没有吸合它的常闭节点和MAX1672的输出闭合,使得MAX1672的输出作为系统的供电电源VCC。图中的MAX1672工作于图2所示的5V输出的工作模式。特别值得注意的是电池报警电路和MAX1672关断电路的设计,本文通过RPO0和RPO1的分压来产生检测电压VPGI,它是电池输入电压的一个真实反映,当输入电压下降到一定程度时(具体说就是下降到RPC1*VBATIN/(RPO1+RPO1) Vref),出于省电的考虑,RPO2取得非常小,这有可能使经过一个三极管放大的电流无法驱动一个发光二极管,所以本文采用了达林顿接法。当报警发光二极管亮时仍然不更换电池,则电池的输出将继续降低,当VPGI低于经过电位器RajPO分压Vref产生的电压时,开集电极端的比较器LM393的输出三极管将导通,使ONA的电压为0,此时MAX1672将被强制关闭。

图4 用MAX1672设计的便携式电源
当需要更换电池或者使用交流电源时,插接好交流电后,从LOWACIN插座得到交流输入,经过整流的电源吸合了电源继电器JDP,此时可以在不断电的情况下继续使用便携式仪器,为了防止继电器动作迟缓所带来的电路瞬间掉电情况的发生,必须在VCC和地之间接一个足够大的电解电容,使电源只产生微小的切换波动。
升/降压切换工作原理
图1所示是MAX1672的原理框图。MAX1672主要由3个相互关联的部分组成,从左到右依次是:由脉冲频率调制(PFM)原理组成的开关升压DC-DC变换器、用于降压和降低开关电源纹波的线性稳压器和用于监视电池状况的监视电路。而使MAX1672不同于以往电源电路的部分是使开关式升压电源和线性稳压器协调工作的输入监视放大器。图2是使用预制3.3V和5.0V的典型电路。上半部分是由少量的外围分立器件组成的升压电路,PS为开关升压电路的输出。下半部分是线性稳压器的输出及电池状况监视电路的各个引脚的连接方法。

图1 MAX1672的原理框图
当输入电压高于输出电压(图2中所示为3.3V或5V)约1V以上时,只有线性稳压器在工作,而开关升压电路处于省电的关断模式。随着电池的消耗,输出电压不断降低到比设定输出电压只高1V以下时,线性稳压器和开关升压变换器同时工作,升压变换器先将输入电压升高至设置输出电压约1V以上,为线性稳压器提供一定的工作裕量,再由线性稳压器将输出电压降低至设定的输出电压,同时减小输出电压纹波以提高整体稳定性。当电压降至设定输出电压以后,只有升压变换器在工作,它将输入电压象一般的升压开关稳压器件一样提升到设定输出电压,此种工作状态效率最高,可是输出纹波也最大。

图2 MAX1672典型电路
使用细节
输出电压的选择与预设定
MAX1672有两种预设定工作电压:3.3V和5.0V。如果要使用这两个预设电压,只需如图2所示把控制输出电压的反馈引脚FB接地,而把控制引脚接到PS或者地即可。由图1可知,当FB引脚的电压低于70mV时,起不到控制输出电压的作用。如果预制的两种电压不能够满足实际应用的需要,可以在FB在70mV之上时改变FB及OUT之间的电压之比来实现1.25-5.5V的输出电压调节。使用方法与控制一般线性稳压模块(如7805,LM317等)方法近似,只是输出电压的基准是MAX1672内部集成的1.25V,计算方法为:。由于MAX1672为全MOS电路,输入阻抗非常大,所以可以将Rset1和Rset2取得很大(数百K 数量级),而不影响设置精度,以达到省电的目的。连接方法如图3所示。

图3 输出电压设定
元器件的选择和使用
MAX1672所需要的外围器件数量较少,主要包括一个仅100 H的电感,一个小体积的肖特基二极管(1N5817,1N5819等),较大的钽电容器(100 F)和铝电解电容各一个,输出端使用一个10 F左右的铝电解电容及若干电阻。其中两个100 F左右的电容较重要。一个连接在输入端,起去除输入纹波的作用。由于电池输出电阻较大,对于加大的开关式负载必将产生很大的输出纹波,电解电容就是起到缓解负载剧烈变化,减小输出波动的作用。另一个100 F的钽电容的输出电阻较小(漏电流小),作为开关升压器输出的滤波电容非常合适,可以有效地提高输出电流。
可实现自动关断和电池
示警的便携式仪器电源
图4是本文设计的便携仪器电源。这个便携式电源可以使用电池和交流电源两种方式供电。在没有插接交流输入的情况下,电源继电器JDP没有吸合它的常闭节点和MAX1672的输出闭合,使得MAX1672的输出作为系统的供电电源VCC。图中的MAX1672工作于图2所示的5V输出的工作模式。特别值得注意的是电池报警电路和MAX1672关断电路的设计,本文通过RPO0和RPO1的分压来产生检测电压VPGI,它是电池输入电压的一个真实反映,当输入电压下降到一定程度时(具体说就是下降到RPC1*VBATIN/(RPO1+RPO1) Vref),出于省电的考虑,RPO2取得非常小,这有可能使经过一个三极管放大的电流无法驱动一个发光二极管,所以本文采用了达林顿接法。当报警发光二极管亮时仍然不更换电池,则电池的输出将继续降低,当VPGI低于经过电位器RajPO分压Vref产生的电压时,开集电极端的比较器LM393的输出三极管将导通,使ONA的电压为0,此时MAX1672将被强制关闭。

图4 用MAX1672设计的便携式电源
当需要更换电池或者使用交流电源时,插接好交流电后,从LOWACIN插座得到交流输入,经过整流的电源吸合了电源继电器JDP,此时可以在不断电的情况下继续使用便携式仪器,为了防止继电器动作迟缓所带来的电路瞬间掉电情况的发生,必须在VCC和地之间接一个足够大的电解电容,使电源只产生微小的切换波动。
射频工程师养成培训教程套装,助您快速成为一名优秀射频工程师...
天线设计工程师培训课程套装,资深专家授课,让天线设计不再难...
上一篇:电源电磁干扰分析及其抑制
下一篇:UPS输出功率因数的评价及测试方法
射频和天线工程师培训课程详情>>

