- 易迪拓培训,专注于微波、射频、天线设计工程师的培养
基于80C196KC的电子软起动器的软硬件实现
录入:edatop.com 点击:
全数字电子软起动器不仅能有效控制鼠笼式三相异步电动机起动电流,减缓电流对电动机和电网的冲击,还能在起动和运行过程检测电流、电压参数,对异常情况进行处理、显示及报警,实现对电动机的综合保护。
三相鼠笼式异步电动机以其结构简单、性价比高和工作特性好等诸多优点,在当今工业应用的各个领域都有广泛的应用,但它有一明显缺点,就是起动电流过大(一般起动电流为额定电流的5~7倍甚至更大),这样不论是对电动机本身,还是对电网以及其他电气设备,都会产生不利的影响。
电子软起动器的诞生,已经从很大程度上提供了解决这个技术难题的有效手段,而且近年来随着电力电子技术以及智能控制技术的不断发展,电子软起动器已经逐步取代了传统的起动方法,例如“Y-△”降压起动、自耦变压器降压起动以及磁性调压起动等。所谓电子软起动器,就是使用晶闸管调压技术,采用单片机控制的起动器,在用户规定的起动时间内自动地将起动电压连续平滑地上升,直到达到额定电压,从而达到有效控制起动电流的目的。
基本工作原理
软起动器的控制原理图如图1所示,它采用三相平衡调压式主回路,将3对反向并联的大功率晶闸管串接于电动机的三相电路上,通过控制其触发角的大小来改变晶闸管的导通程度,由此控制电动机输入电压的大小,以达到实现电动机软起动的过程。当电动机起动完成并达到额定电压时,闭合三相旁路接触器KC,短接晶闸管,使电动机直接投入电网运行,以避免晶闸管元件的持续损耗。其中,主回路的晶闸管和接触器随系统容量不同可以选用不同的器件。
从图1可以看出,主回路主要是晶闸管电子调压装置,由6个晶闸管V1~V6组成,另外,利用3个霍尔传感器来完成三相定子的电流检测。在起动过程中,晶闸管V1~V6的触发角由软件控制,从而使加在交流电动机三相定子绕组上的电压由零逐渐平滑地升至全电压。同时,电流检测装置检测三相定子电流送给单片机进行运算和判断,当起动电流超过设定值时,软件控制升压停止,直到起动电流下降到低于设定值之后,再使电动机继续升压起动。若三相起动电流不平衡并超过规定的范围,则停止起动。另外,由电动机理论可知,当电动机的输入电源频率不变时,电动机的输出转矩与输入电压的平方成正比。因此,软起动不仅使电动机定子电压连续平滑地增加,实现了升压限流起动,而且避免了电动机起动转矩的冲击和不平稳的现象。
图1 软起动器主回路示意图
软起动的控制器采用16位的Intel 80C196KC芯片,这种芯片比一般的8位单片机有更高的运算速度和较高的集成度,而对比DSP芯片来讲,虽然运算速度上稍微慢了点,但196芯片价格便宜这个特点又使其在性价比上占了一定优势,而且196芯片的CPU晶振频率现在也已达到了16MHz,再加上它自身具有乘除法运算指令,使其已经能够满足软起动过程中数据运算处理速度要求。另外,80C196KC芯片丰富的外围部件功能,以及具有10位A/D高分辨率转换的特点,可以在保证软起动器高可靠性的同时降低生产成本。
硬件设计
一个完整的软起动器一般由两部分组成,即控制单元和功率单元。控制单元是核心部分,软起动器大部分功能都是在这一单元实现的,其中含有三相电源的电压及工作电流的检测、键盘输入和液晶显示输出信号的接收和处理,实现远程通信和故障诊断及报警等;功率单元则担负着形成所需触发脉冲的职责。整个系统结构如图2所示,下文也将从系统核心部分——触发控制部分重点说明软起动器的硬件设计。
图2 软起动器总体系统结构图
电压同步信号检测电路
采用如图3所示的电路作为电压同步信号检测电路。从图中可以看出,这个电路的功能就是将由电源侧来的线电压正弦信号转为低压方波信号以供单片机进行处理分析。由于这里的信号是从高压转为低压送入单片机处理的,因此要利用一块光耦P521对高低压信号进行隔离,这样保证了这两种信号可以互不干扰地分离处理。整个工作过程大致是这样的:由电源侧来的线电压信号经过2个电阻和1个二极管,变成半波交流信号,这个交流信号在正半波时触发光耦导通,从而使得右侧输入到单片机的是高电平信号;而当光耦左侧交流信号处于低电平时,光耦则截止,那么右侧输入到单片机的信号也就是低电平。这样周而复始,单片机所得到的就是幅值为5V(VCC=5V)的方波信号,周期等同于电源的周期即工频50Hz,而高低电平持续的时间也基本与电源侧正负交流信号所持续的时间大致相同,虽然其间存在着一定的时延,但可以通过软件进行补偿,从而既简化了外围硬件电路的设计,又得到了与电源电压同步的信号,为下面给出晶闸管触发信号提供了工作电压零点的基准。
这个电路的优点就在于:一方面,在起动未开始或是开始瞬间,线路还没有负载电流时,这个电路仍可以检测到器件电压零点,这就比电流过零同步方式要优越得多;另外,由于输入的交流信号是直接从电源侧获取的,因此这就不需要像其他电路那样需要先利用变压器取得交流信号再进行处理,这样就既节省了线路板的空间,也节约了成本。
同时,可以利用图3这个电路(以下称为电路I)和另一套与电路I基本相同的电路(以下称为电路II)配合,进行电源的相序判断和缺相检测。在这里也大致介绍一下工作原理。电路II和电路I结构基本相同,存在的区别就是,假设电路I的输入侧U_1和U_2分别连接电源的A、B两相,而电路II输入侧U_1'和U_2'连接的就是电源的B、C两相,且输出信号是送到80C196KC芯片的另一个HSI(高速输入引脚)口的。这里利用到芯片HSI引脚,它特有的功能,一是这种引脚能够无需CPU干涉而快速响应事件,二是这种引脚不但可以设置事件发生产生中断,还可以记录事件发生时的时间和当时引脚的状态。这里我们假设电路I的U_1和U_2接的是电源的A、B相,而电路II的U_1'和U_2'接的是B、C相,这样在三相电源正常工作时,当AB线电压发生正跳变(即从负半波转为正半波)时,BC线电压为负,那么电路II送入CPU的信号就为低电平;当AB线电压发生负跳变时,BC线电压为正,那么电路II送入CPU的信号是高电平(如果电路II的U_1'和U_2'接的是C、B相,那么两次送入CPU的信号高低电平情况就相反)。
而当电源发生缺相故障时,AB线电压无论发生何种跳变时,BC线电压都同为正或同为负,这样电路II送入CPU的信号将同为高电平或低电平。设置电路I接入CPU的HSI0引脚在信号每次跳变时都产生中断,并在每次跳变中断时记录下电路II接入CPU的HSI1引脚的状态,通过两次对比HSI1引脚的电平情况,从而判断出所连入电路中三相电源的相序,为下一步产生正确的脉冲触发信号序列奠定基础。同时在电源缺相时,也能判断出故障状况,并封锁脉冲信号及给出报警信号和显示信息。
图3 电压同步信号检测电路
触发脉冲形成电路
软起动器的工作原理就是通过改变主回路中晶闸管的导通时间,从而调整电动机的起动电压来实现的,那么如何按照要求形成所需的触发脉冲信号就显得尤为重要。晶闸管的触发方式有很多种,在这个设计采用脉冲变压器来产生符合要求的具有一定规律的脉冲,主要为的就是使触发发生电路在同晶闸管相连接的同时,又可以使这两部分电路之间具有电气隔离。下面以单相触发脉冲形成电路为例,具体说明是如何利用这个电路形成所需的六路触发脉冲信号的。
如图4所示,电路中74LS02的2、3脚分别接Intel196KC芯片的PWM脚和HSO脚,而脉冲变压器二次侧输出端GA1、KA1和GA2、KA2分别接的是某一相正反1对晶闸管的触发极和阴极。这样根据电路可分析得,由于PWM引脚是由软件设置在不断地产生一定占空比的脉冲信号,因此如果想在某一时刻触发该相的晶闸管,只要在这个时刻通过软件设置将连接到该电路的HSO引脚置为低电平,并保持一定宽度时间就可以实现,而究竟是正向晶闸管还是反向晶闸管导通,那就取决于外部施加在该相晶闸管两端的电源正负了。同理,如果想不输出触发脉冲,只要将该HSO引脚置为高电平就可以了。同时,还可利用HSO引脚同时通过软件设置电平变化的特点,在软起动过程中如有检测到故障信号需停止软起动操作,就只要两条指令便可以令HSO引脚迅速置为高电平,即同步立即 封锁三相触发脉冲信号,做到及时反应外部故障。
图4 单相触发脉冲形成电路示意图
另外,电路中晶闸管控制用的脉冲变压器采用1∶1∶1三线圈型,这样在减少变压器个数的同时,也可以将原先可能需要的6根输出信号控制线减少至3根。同时在脉冲变压器二次侧串联1个电阻,这样既可以用来降低晶闸管的维持电流,还可在这种接有2个晶闸管的三线圈变压器的场合中用来平衡控制极电流,同时这个加接电阻还能够在存在高噪声电平的场合防止误触发。此外,在此电阻旁还串联1个二极管,这是为了在脉冲变压器输出电压瞬变或反向时防止反向控制极电流,并且二极管同样也可以降低晶闸管的维持电流。至于在接到晶闸管控制极和阴极两端的输出端并联1个RC回路,那则是为了在这种控制三相异步电动机感性负载情况下使晶闸管正确换流。
图5 斜坡电压起动方式程序流程图
软起动器整体软件设计主要分为主程序、起动程序以及中断服务程序等几个部分,主程序是完成各种参数的输入、设定以及电压、电流的检测、采样和计算,而起动程序则和中断服务程序一道完成按照外部所设定的参数和要求来实现软起动,下面就以斜波电压起动方式的程序设计流程图来简要说明整个过程的实现。
全数字电子软起动器不仅能有效控制鼠笼式三相异步电动机起动电流,减缓电流对电动机和电网的冲击,还能在起动和运行过程检测电流、电压参数,对异常情况进行处理、显示及报警,实现对电动机的综合保护。当务之急的就是开发国人产权自主型的产品,多吸收国外著名品牌的重要技术经验,不断更新改进,缩短差距,研制出性价比高的新型鼠笼式三相异步电动机电子软起动器。
三相鼠笼式异步电动机以其结构简单、性价比高和工作特性好等诸多优点,在当今工业应用的各个领域都有广泛的应用,但它有一明显缺点,就是起动电流过大(一般起动电流为额定电流的5~7倍甚至更大),这样不论是对电动机本身,还是对电网以及其他电气设备,都会产生不利的影响。
电子软起动器的诞生,已经从很大程度上提供了解决这个技术难题的有效手段,而且近年来随着电力电子技术以及智能控制技术的不断发展,电子软起动器已经逐步取代了传统的起动方法,例如“Y-△”降压起动、自耦变压器降压起动以及磁性调压起动等。所谓电子软起动器,就是使用晶闸管调压技术,采用单片机控制的起动器,在用户规定的起动时间内自动地将起动电压连续平滑地上升,直到达到额定电压,从而达到有效控制起动电流的目的。
基本工作原理
软起动器的控制原理图如图1所示,它采用三相平衡调压式主回路,将3对反向并联的大功率晶闸管串接于电动机的三相电路上,通过控制其触发角的大小来改变晶闸管的导通程度,由此控制电动机输入电压的大小,以达到实现电动机软起动的过程。当电动机起动完成并达到额定电压时,闭合三相旁路接触器KC,短接晶闸管,使电动机直接投入电网运行,以避免晶闸管元件的持续损耗。其中,主回路的晶闸管和接触器随系统容量不同可以选用不同的器件。
从图1可以看出,主回路主要是晶闸管电子调压装置,由6个晶闸管V1~V6组成,另外,利用3个霍尔传感器来完成三相定子的电流检测。在起动过程中,晶闸管V1~V6的触发角由软件控制,从而使加在交流电动机三相定子绕组上的电压由零逐渐平滑地升至全电压。同时,电流检测装置检测三相定子电流送给单片机进行运算和判断,当起动电流超过设定值时,软件控制升压停止,直到起动电流下降到低于设定值之后,再使电动机继续升压起动。若三相起动电流不平衡并超过规定的范围,则停止起动。另外,由电动机理论可知,当电动机的输入电源频率不变时,电动机的输出转矩与输入电压的平方成正比。因此,软起动不仅使电动机定子电压连续平滑地增加,实现了升压限流起动,而且避免了电动机起动转矩的冲击和不平稳的现象。
图1 软起动器主回路示意图
软起动的控制器采用16位的Intel 80C196KC芯片,这种芯片比一般的8位单片机有更高的运算速度和较高的集成度,而对比DSP芯片来讲,虽然运算速度上稍微慢了点,但196芯片价格便宜这个特点又使其在性价比上占了一定优势,而且196芯片的CPU晶振频率现在也已达到了16MHz,再加上它自身具有乘除法运算指令,使其已经能够满足软起动过程中数据运算处理速度要求。另外,80C196KC芯片丰富的外围部件功能,以及具有10位A/D高分辨率转换的特点,可以在保证软起动器高可靠性的同时降低生产成本。
硬件设计
一个完整的软起动器一般由两部分组成,即控制单元和功率单元。控制单元是核心部分,软起动器大部分功能都是在这一单元实现的,其中含有三相电源的电压及工作电流的检测、键盘输入和液晶显示输出信号的接收和处理,实现远程通信和故障诊断及报警等;功率单元则担负着形成所需触发脉冲的职责。整个系统结构如图2所示,下文也将从系统核心部分——触发控制部分重点说明软起动器的硬件设计。
图2 软起动器总体系统结构图
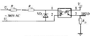
电压同步信号检测电路
采用如图3所示的电路作为电压同步信号检测电路。从图中可以看出,这个电路的功能就是将由电源侧来的线电压正弦信号转为低压方波信号以供单片机进行处理分析。由于这里的信号是从高压转为低压送入单片机处理的,因此要利用一块光耦P521对高低压信号进行隔离,这样保证了这两种信号可以互不干扰地分离处理。整个工作过程大致是这样的:由电源侧来的线电压信号经过2个电阻和1个二极管,变成半波交流信号,这个交流信号在正半波时触发光耦导通,从而使得右侧输入到单片机的是高电平信号;而当光耦左侧交流信号处于低电平时,光耦则截止,那么右侧输入到单片机的信号也就是低电平。这样周而复始,单片机所得到的就是幅值为5V(VCC=5V)的方波信号,周期等同于电源的周期即工频50Hz,而高低电平持续的时间也基本与电源侧正负交流信号所持续的时间大致相同,虽然其间存在着一定的时延,但可以通过软件进行补偿,从而既简化了外围硬件电路的设计,又得到了与电源电压同步的信号,为下面给出晶闸管触发信号提供了工作电压零点的基准。
这个电路的优点就在于:一方面,在起动未开始或是开始瞬间,线路还没有负载电流时,这个电路仍可以检测到器件电压零点,这就比电流过零同步方式要优越得多;另外,由于输入的交流信号是直接从电源侧获取的,因此这就不需要像其他电路那样需要先利用变压器取得交流信号再进行处理,这样就既节省了线路板的空间,也节约了成本。
同时,可以利用图3这个电路(以下称为电路I)和另一套与电路I基本相同的电路(以下称为电路II)配合,进行电源的相序判断和缺相检测。在这里也大致介绍一下工作原理。电路II和电路I结构基本相同,存在的区别就是,假设电路I的输入侧U_1和U_2分别连接电源的A、B两相,而电路II输入侧U_1'和U_2'连接的就是电源的B、C两相,且输出信号是送到80C196KC芯片的另一个HSI(高速输入引脚)口的。这里利用到芯片HSI引脚,它特有的功能,一是这种引脚能够无需CPU干涉而快速响应事件,二是这种引脚不但可以设置事件发生产生中断,还可以记录事件发生时的时间和当时引脚的状态。这里我们假设电路I的U_1和U_2接的是电源的A、B相,而电路II的U_1'和U_2'接的是B、C相,这样在三相电源正常工作时,当AB线电压发生正跳变(即从负半波转为正半波)时,BC线电压为负,那么电路II送入CPU的信号就为低电平;当AB线电压发生负跳变时,BC线电压为正,那么电路II送入CPU的信号是高电平(如果电路II的U_1'和U_2'接的是C、B相,那么两次送入CPU的信号高低电平情况就相反)。
而当电源发生缺相故障时,AB线电压无论发生何种跳变时,BC线电压都同为正或同为负,这样电路II送入CPU的信号将同为高电平或低电平。设置电路I接入CPU的HSI0引脚在信号每次跳变时都产生中断,并在每次跳变中断时记录下电路II接入CPU的HSI1引脚的状态,通过两次对比HSI1引脚的电平情况,从而判断出所连入电路中三相电源的相序,为下一步产生正确的脉冲触发信号序列奠定基础。同时在电源缺相时,也能判断出故障状况,并封锁脉冲信号及给出报警信号和显示信息。
图3 电压同步信号检测电路
触发脉冲形成电路
软起动器的工作原理就是通过改变主回路中晶闸管的导通时间,从而调整电动机的起动电压来实现的,那么如何按照要求形成所需的触发脉冲信号就显得尤为重要。晶闸管的触发方式有很多种,在这个设计采用脉冲变压器来产生符合要求的具有一定规律的脉冲,主要为的就是使触发发生电路在同晶闸管相连接的同时,又可以使这两部分电路之间具有电气隔离。下面以单相触发脉冲形成电路为例,具体说明是如何利用这个电路形成所需的六路触发脉冲信号的。
如图4所示,电路中74LS02的2、3脚分别接Intel196KC芯片的PWM脚和HSO脚,而脉冲变压器二次侧输出端GA1、KA1和GA2、KA2分别接的是某一相正反1对晶闸管的触发极和阴极。这样根据电路可分析得,由于PWM引脚是由软件设置在不断地产生一定占空比的脉冲信号,因此如果想在某一时刻触发该相的晶闸管,只要在这个时刻通过软件设置将连接到该电路的HSO引脚置为低电平,并保持一定宽度时间就可以实现,而究竟是正向晶闸管还是反向晶闸管导通,那就取决于外部施加在该相晶闸管两端的电源正负了。同理,如果想不输出触发脉冲,只要将该HSO引脚置为高电平就可以了。同时,还可利用HSO引脚同时通过软件设置电平变化的特点,在软起动过程中如有检测到故障信号需停止软起动操作,就只要两条指令便可以令HSO引脚迅速置为高电平,即同步立即 封锁三相触发脉冲信号,做到及时反应外部故障。
图4 单相触发脉冲形成电路示意图
另外,电路中晶闸管控制用的脉冲变压器采用1∶1∶1三线圈型,这样在减少变压器个数的同时,也可以将原先可能需要的6根输出信号控制线减少至3根。同时在脉冲变压器二次侧串联1个电阻,这样既可以用来降低晶闸管的维持电流,还可在这种接有2个晶闸管的三线圈变压器的场合中用来平衡控制极电流,同时这个加接电阻还能够在存在高噪声电平的场合防止误触发。此外,在此电阻旁还串联1个二极管,这是为了在脉冲变压器输出电压瞬变或反向时防止反向控制极电流,并且二极管同样也可以降低晶闸管的维持电流。至于在接到晶闸管控制极和阴极两端的输出端并联1个RC回路,那则是为了在这种控制三相异步电动机感性负载情况下使晶闸管正确换流。
图5 斜坡电压起动方式程序流程图
软起动器整体软件设计主要分为主程序、起动程序以及中断服务程序等几个部分,主程序是完成各种参数的输入、设定以及电压、电流的检测、采样和计算,而起动程序则和中断服务程序一道完成按照外部所设定的参数和要求来实现软起动,下面就以斜波电压起动方式的程序设计流程图来简要说明整个过程的实现。
全数字电子软起动器不仅能有效控制鼠笼式三相异步电动机起动电流,减缓电流对电动机和电网的冲击,还能在起动和运行过程检测电流、电压参数,对异常情况进行处理、显示及报警,实现对电动机的综合保护。当务之急的就是开发国人产权自主型的产品,多吸收国外著名品牌的重要技术经验,不断更新改进,缩短差距,研制出性价比高的新型鼠笼式三相异步电动机电子软起动器。
射频工程师养成培训教程套装,助您快速成为一名优秀射频工程师...
天线设计工程师培训课程套装,资深专家授课,让天线设计不再难...
上一篇:电力操作电源智能电池巡检系统的设计
下一篇:艾默生电信级12V电池在接入网上的应用
射频和天线工程师培训课程详情>>

