- 易迪拓培训,专注于微波、射频、天线设计工程师的培养
针对弧焊电源保护电路的设计
录入:edatop.com 点击:
在电气技术指标满足正常使用要求的条件下,为使电源的元器件在各种恶劣环境下能够安全可靠地工作,必须设计保护电路。设计保护电路的过程中,如何选择元件的参数是设计的关键。若参数选择不合理,保护电路将影响电源的性能,甚至损坏器件,因此对保护电路选择合理的参数对电源的可靠性起到至关重要的作用。
针对影响开关电源可靠性的环节,本文详细介绍了防浪涌软启动电路、瞬时过压抑制电路以及消除变压器直流偏磁电路的设计方案,并且对保护电路中元件的选型给出了计算方法。本文所介绍的保护电路专门针对输出空载电压70V,输出电流160A,频率20kHz,额定功率6kW的弧焊电源。
弧焊电源的电路结构
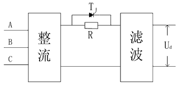
数字弧焊电源由主电路、控制电路两部分组成。其中,主电路由整流环节、滤波环节、逆变环节、变压整流滤波环节等部分组成。主回路的结构如图1所示。
图1 电源主回路结构图
整流部分采用三相全波整流模块,滤波部分采用两组并联和两组串联结构的工频滤波电容,滤波后的直流电送入逆变模块的输入端。逆变模块采用智能IPM模块。从电路形式上看,IPM与全桥逆变器结构相同,驱动器驱动两个对角元件同时导通,将输入电压交错叠加到高频变压器的初级,并且可以使用改变占空比的方法调整输出电压。高频变压器的输出经二极管和电抗器进行整流、滤波,输出稳定的直流。
工频整流后的直流输出电压Ud为537V。输出最大电流I0=160A。由于采用两个变压器串联的结构,每个变压器次级输出电流Id=Io/2,则变压器原边的输入电流I=N2/N1×Id≈1/5×80=16(A),变压器原边的输入电压V=Ud/2≈270V,整流桥交流侧电流为:
(1)
弧焊电源保护电路的设计
1 防浪涌软启动电路的设计
电源的输入为电容器输入型,即采用电容器对直流输入进行滤波,因此一旦附加有交流脉动时,电容中就有电流流过。电源的三相输入电流在合闸瞬间,由于电容器上的初始电压为零,电容器在充电瞬间会形成很大的浪涌电流。特别是大功率开关电源,采用容量较大的滤波电容器,浪涌电流会达100A以上。在电源接通瞬间产生如此大的浪涌电流,重者往往会导致输入熔断器烧断或合闸开关的触点烧坏,整流桥过流损坏;轻者也会使空气开关产生打火现象,合不上闸。为此,要设置防止浪涌电流的软启动电路,以保证电源正常而可靠运行。
浪涌电流的值随着输入电压的增大而增大,当交流侧的输入电压相位达到90o时为最大值。采用电容进行滤波通常导致输入电流的峰值Iacp约为Iac的3~4倍。如果能对浪涌电流进行有效的抑制,那么浪涌电流可以抑制到交流输入Iac的5倍以下。但是,如果过度抑制浪涌电流,则电容器充分充电的时间增长,充电尚未结束前就产生振荡,有2次性的冲击电流流通,因此浪涌抑制电路中电阻的选择非常重要。软启动电路如图2所示。

图2 输入冲击抑制电路
根据(1)式的计算得出交流输入电流Iac=14A,则浪涌电流可以按交流输入的4倍来抑制I’=1/4×Iac=3.5A,输入相电压为220V,则输入相电压的峰值Eip为311V。
需要的电阻值为
R=Eip/Iac=89Ω (2)
电阻的瞬间功率为
PR=(Eip)2/R=1087W (3)
电阻的瞬间过功率较大,为了保证电阻对浪涌电流能够起到有效的抑制作用,应选择绕线式水泥电阻,其耐瞬间过功率可高达额定功率的100~400倍。这里,可选择阻值为100Ω的限流电阻,功率为10W的水泥电阻。
2 直流偏磁消除电路
全桥逆变器的原理如图3所示。
图3 直流偏磁抑制电路
驱动器驱动两个对角元件同时导通,同相的开关管不能同时导通,否则电源将被短路。因此两组触发脉冲应有一段共同处于低电平的死区时间,死区时间必须要大于开关管的最长导通饱和延迟关断时间。图3中,T1、T4与T2、T3交替导通时,a、b两点的电位根据开关管的导通而浮动。如果开关管具有不同的开关特性,那么在相同的基极脉冲宽度作用下,将会对a,b接点处的电压波形产生影响,如图4所示。
图4 变压器串联耦合电容工作波形图
图4中,矩形A1中的反斜线代表了不平衡的工作特性。如果变压器原边的输入电压带有这种不平衡特性,将会发生偏磁现象,致使铁芯饱和并产生过大的集电极电流,从而降低了变换器的效率,使开关管失控。在变压器原边线圈的输入中串联一个耦合电容,则将直流偏磁滤掉。
耦合电容C与输出端的电抗器组成了一个串联谐振电路,其谐振频率为
(4)
其中,LR为折算到变压器原边的副边电感值。
为了使耦合电容充电为线性,要使谐振频率低于逆变器的开关频率。在设计中取谐振频率为逆变器开关频率的1/4。根据公式(4)可以算出电容值为
(5)
电容器在每半个周期充电或放电一次,充电电压为V,当电容的充电电压为反极性的V时,若电压过大则影响逆变器电压的调整率。
电容的充电电压
(6)
其中,I为变压器原边平均电流, Δt为电容充电时间间隔。
根据式(6)算得电容的充电电压VC>(10%~20%)V.通过计算可以看出VC的值过大,这将对逆变器产生不利的影响,因此要重新确定电容值。这里,我们确定耦合电容的值为4μF。
3 瞬 时过压抑制电路的设计
PWM调制的全桥电路的全波整流器如图5所示,D1、D2是快恢复二极管。
图5 缓冲电路原理图
变压器副边的输出电压为Vs,则二极管D1、D2在截止时承受2Vs的反向电压。由于高频变压器的漏电感及整流管的结间电容在截止时形成一个谐振电路,导致瞬时过压振荡将二极管击穿,造成电源的输出端短路。因此要在电源的输出部分设置RC缓冲电路以保护快恢复二极管,提高电路的可靠性。对于大电流输出的电源,缓冲器RC要设置在每个整流管的两端。缓冲器的设计既要对二极管起到保护作用,又要尽量减小损耗。
结论
本文对防浪涌软启动电路、瞬时过压抑制电路以及消除变压器直流偏磁电路等保护电路中元件的参数给出了详细的计算方法,但在计算中变压器与功率器件被视为理想器件将其损耗忽略。因此在实际的设计中,要对计算的理论值做一些修正,才能保证保护电路的可靠性。
针对影响开关电源可靠性的环节,本文详细介绍了防浪涌软启动电路、瞬时过压抑制电路以及消除变压器直流偏磁电路的设计方案,并且对保护电路中元件的选型给出了计算方法。本文所介绍的保护电路专门针对输出空载电压70V,输出电流160A,频率20kHz,额定功率6kW的弧焊电源。
弧焊电源的电路结构
数字弧焊电源由主电路、控制电路两部分组成。其中,主电路由整流环节、滤波环节、逆变环节、变压整流滤波环节等部分组成。主回路的结构如图1所示。
图1 电源主回路结构图
整流部分采用三相全波整流模块,滤波部分采用两组并联和两组串联结构的工频滤波电容,滤波后的直流电送入逆变模块的输入端。逆变模块采用智能IPM模块。从电路形式上看,IPM与全桥逆变器结构相同,驱动器驱动两个对角元件同时导通,将输入电压交错叠加到高频变压器的初级,并且可以使用改变占空比的方法调整输出电压。高频变压器的输出经二极管和电抗器进行整流、滤波,输出稳定的直流。
工频整流后的直流输出电压Ud为537V。输出最大电流I0=160A。由于采用两个变压器串联的结构,每个变压器次级输出电流Id=Io/2,则变压器原边的输入电流I=N2/N1×Id≈1/5×80=16(A),变压器原边的输入电压V=Ud/2≈270V,整流桥交流侧电流为:
(1) 弧焊电源保护电路的设计
1 防浪涌软启动电路的设计
电源的输入为电容器输入型,即采用电容器对直流输入进行滤波,因此一旦附加有交流脉动时,电容中就有电流流过。电源的三相输入电流在合闸瞬间,由于电容器上的初始电压为零,电容器在充电瞬间会形成很大的浪涌电流。特别是大功率开关电源,采用容量较大的滤波电容器,浪涌电流会达100A以上。在电源接通瞬间产生如此大的浪涌电流,重者往往会导致输入熔断器烧断或合闸开关的触点烧坏,整流桥过流损坏;轻者也会使空气开关产生打火现象,合不上闸。为此,要设置防止浪涌电流的软启动电路,以保证电源正常而可靠运行。
浪涌电流的值随着输入电压的增大而增大,当交流侧的输入电压相位达到90o时为最大值。采用电容进行滤波通常导致输入电流的峰值Iacp约为Iac的3~4倍。如果能对浪涌电流进行有效的抑制,那么浪涌电流可以抑制到交流输入Iac的5倍以下。但是,如果过度抑制浪涌电流,则电容器充分充电的时间增长,充电尚未结束前就产生振荡,有2次性的冲击电流流通,因此浪涌抑制电路中电阻的选择非常重要。软启动电路如图2所示。

图2 输入冲击抑制电路
根据(1)式的计算得出交流输入电流Iac=14A,则浪涌电流可以按交流输入的4倍来抑制I’=1/4×Iac=3.5A,输入相电压为220V,则输入相电压的峰值Eip为311V。
需要的电阻值为
R=Eip/Iac=89Ω (2)
电阻的瞬间功率为
PR=(Eip)2/R=1087W (3)
电阻的瞬间过功率较大,为了保证电阻对浪涌电流能够起到有效的抑制作用,应选择绕线式水泥电阻,其耐瞬间过功率可高达额定功率的100~400倍。这里,可选择阻值为100Ω的限流电阻,功率为10W的水泥电阻。
2 直流偏磁消除电路
全桥逆变器的原理如图3所示。
图3 直流偏磁抑制电路
驱动器驱动两个对角元件同时导通,同相的开关管不能同时导通,否则电源将被短路。因此两组触发脉冲应有一段共同处于低电平的死区时间,死区时间必须要大于开关管的最长导通饱和延迟关断时间。图3中,T1、T4与T2、T3交替导通时,a、b两点的电位根据开关管的导通而浮动。如果开关管具有不同的开关特性,那么在相同的基极脉冲宽度作用下,将会对a,b接点处的电压波形产生影响,如图4所示。
图4 变压器串联耦合电容工作波形图
图4中,矩形A1中的反斜线代表了不平衡的工作特性。如果变压器原边的输入电压带有这种不平衡特性,将会发生偏磁现象,致使铁芯饱和并产生过大的集电极电流,从而降低了变换器的效率,使开关管失控。在变压器原边线圈的输入中串联一个耦合电容,则将直流偏磁滤掉。
耦合电容C与输出端的电抗器组成了一个串联谐振电路,其谐振频率为
(4) 其中,LR为折算到变压器原边的副边电感值。
为了使耦合电容充电为线性,要使谐振频率低于逆变器的开关频率。在设计中取谐振频率为逆变器开关频率的1/4。根据公式(4)可以算出电容值为
(5) 电容器在每半个周期充电或放电一次,充电电压为V,当电容的充电电压为反极性的V时,若电压过大则影响逆变器电压的调整率。
电容的充电电压
(6) 其中,I为变压器原边平均电流, Δt为电容充电时间间隔。
根据式(6)算得电容的充电电压VC>(10%~20%)V.通过计算可以看出VC的值过大,这将对逆变器产生不利的影响,因此要重新确定电容值。这里,我们确定耦合电容的值为4μF。
3 瞬 时过压抑制电路的设计
PWM调制的全桥电路的全波整流器如图5所示,D1、D2是快恢复二极管。
图5 缓冲电路原理图
变压器副边的输出电压为Vs,则二极管D1、D2在截止时承受2Vs的反向电压。由于高频变压器的漏电感及整流管的结间电容在截止时形成一个谐振电路,导致瞬时过压振荡将二极管击穿,造成电源的输出端短路。因此要在电源的输出部分设置RC缓冲电路以保护快恢复二极管,提高电路的可靠性。对于大电流输出的电源,缓冲器RC要设置在每个整流管的两端。缓冲器的设计既要对二极管起到保护作用,又要尽量减小损耗。
结论
本文对防浪涌软启动电路、瞬时过压抑制电路以及消除变压器直流偏磁电路等保护电路中元件的参数给出了详细的计算方法,但在计算中变压器与功率器件被视为理想器件将其损耗忽略。因此在实际的设计中,要对计算的理论值做一些修正,才能保证保护电路的可靠性。
射频工程师养成培训教程套装,助您快速成为一名优秀射频工程师...
射频和天线工程师培训课程详情>>

