- 易迪拓培训,专注于微波、射频、天线设计工程师的培养
利用LM317制作简易电源设计电路
录入:edatop.com 点击:
一、LM317 简介
LM317是应用最为广泛的电源集成电路之一,它不仅具有固定式三端稳压电路的最简单形式,又具备输出电压可调的特点。此外,还具有调压范围宽、稳压性能好、噪声低、纹波抑制比高等优点。其主要性能参数如下。
输出电压:1.25-37V DC;输出电流:5mA-1.5A;芯片内部具有过热、过流、短路保护电路;最大输入-输出电压差:40V DC,最小输入-输出电压差:3V DC;使用环境温度:-10-+85℃ 。
图1给出了几种常用(不同封装形式)的LM317的外形及引脚排列图。

由于输出端(2脚)与调节输入端(3脚)之间的电压保持在1.25V,调整接在输出端与地之间的分压电阻R1和R2来改变ADJ端的电位,可以达到调节输出电压的目的,如图2所示,原理如下:
R1两端的1.25V恒定电压产生的恒定电流流过R1和R2,在R2上产生的电压加到ADJ端。此时,输出电压Vo取决于R1和R2的比值,当R2阻值增大时,输出电压升高,即:
Vo=1.25[(R1+R2)/R2]。

二、1.25-37V可调电源
原理图见图3。改变R1和R2的比值可使输出电压在1.25-37V之间连续可变。

V1和V2的作用是:当输出短路时,C2上的电压被V2泄放掉,从而达到反偏保护的目的。此外,当输入短路时,C3等元件上储存的电压会通过V1泄放,用于防止内部调整管反偏。C2用以提高IC的纹波抑制能力。C3用以改善IC的瞬态响应。C1用于输入整流滤波。在大电流输出时,IC会因温升过高而截止,必须加适当面积的散热器。R2应选用线性的电位器。
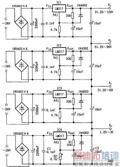
三、1.25-120V维修、实验电源
原理图见图4。电路由四块LM317组成,四组输出电势只通过R2进行调节。调节R2,IC4的输出电势在1.25-30V之间连续可变,同时,与之串联的IC1-IC3的输出电势也随之改变,从而得到1.25-120V间的四组直流稳定电压。

四、慢启动15V电源
原理图见图5。输出电压Vout通过R1、V1对C2充电。

开始时V1饱和导通,Vout最低(约1.5V)。随着C2上的电压升高,V1逐渐退出饱和并趋于截止,Vout逐渐升高至额定电压。改变R1、C2的常数可改变软启动的时间。D1用于关机后使C2上的电荷快速泄放。改变R2的值,可调整输出电压Vout的值,图示参数输出电压为15V。图中V1可用9012替换。
五、TTL电平控制的5V电源
原理图见图6。当外来的TTL控制信号使V1截止时,输出电压为5V。同样,改变R2使的值可获得不同的电压输出。V1可用9013等NPN管替换。

LM317是应用最为广泛的电源集成电路之一,它不仅具有固定式三端稳压电路的最简单形式,又具备输出电压可调的特点。此外,还具有调压范围宽、稳压性能好、噪声低、纹波抑制比高等优点。其主要性能参数如下。
输出电压:1.25-37V DC;输出电流:5mA-1.5A;芯片内部具有过热、过流、短路保护电路;最大输入-输出电压差:40V DC,最小输入-输出电压差:3V DC;使用环境温度:-10-+85℃ 。
图1给出了几种常用(不同封装形式)的LM317的外形及引脚排列图。

由于输出端(2脚)与调节输入端(3脚)之间的电压保持在1.25V,调整接在输出端与地之间的分压电阻R1和R2来改变ADJ端的电位,可以达到调节输出电压的目的,如图2所示,原理如下:
R1两端的1.25V恒定电压产生的恒定电流流过R1和R2,在R2上产生的电压加到ADJ端。此时,输出电压Vo取决于R1和R2的比值,当R2阻值增大时,输出电压升高,即:
Vo=1.25[(R1+R2)/R2]。

二、1.25-37V可调电源
原理图见图3。改变R1和R2的比值可使输出电压在1.25-37V之间连续可变。

V1和V2的作用是:当输出短路时,C2上的电压被V2泄放掉,从而达到反偏保护的目的。此外,当输入短路时,C3等元件上储存的电压会通过V1泄放,用于防止内部调整管反偏。C2用以提高IC的纹波抑制能力。C3用以改善IC的瞬态响应。C1用于输入整流滤波。在大电流输出时,IC会因温升过高而截止,必须加适当面积的散热器。R2应选用线性的电位器。
三、1.25-120V维修、实验电源
原理图见图4。电路由四块LM317组成,四组输出电势只通过R2进行调节。调节R2,IC4的输出电势在1.25-30V之间连续可变,同时,与之串联的IC1-IC3的输出电势也随之改变,从而得到1.25-120V间的四组直流稳定电压。

四、慢启动15V电源
原理图见图5。输出电压Vout通过R1、V1对C2充电。

开始时V1饱和导通,Vout最低(约1.5V)。随着C2上的电压升高,V1逐渐退出饱和并趋于截止,Vout逐渐升高至额定电压。改变R1、C2的常数可改变软启动的时间。D1用于关机后使C2上的电荷快速泄放。改变R2的值,可调整输出电压Vout的值,图示参数输出电压为15V。图中V1可用9012替换。
五、TTL电平控制的5V电源
原理图见图6。当外来的TTL控制信号使V1截止时,输出电压为5V。同样,改变R2使的值可获得不同的电压输出。V1可用9013等NPN管替换。

射频工程师养成培训教程套装,助您快速成为一名优秀射频工程师...
天线设计工程师培训课程套装,资深专家授课,让天线设计不再难...
上一篇:多功能随身电源系统方案
下一篇:高可靠的新型DC/DC变换器模块设计
射频和天线工程师培训课程详情>>

