- 易迪拓培训,专注于微波、射频、天线设计工程师的培养
硅功率MOSFET在电源转换领域的发展已经走到尽头了吗?
录入:edatop.com 点击:
在过去三十多年中,随着我们日常生活对电能需求的不断增加,功率MOSFET结构、技术和电路拓扑也紧跟着不断创新,电源管理效率和成本随之得到了稳步改善。然而在最近几年,随着硅功率MOSFET逐渐接近其理论极限,这种改善速度在不断减缓。
拥有30年发展史的硅功率MOSFET
功率MOSFET作为双极晶体管的替代品最早出现于1976年。与那些少数载流子器件相比,这些多数载流子器件速度更快、更坚固,并且具有更高的电流增益。因此开关型电源转换技术得以真正商用化。早期台式电脑的AC/DC开关电源是最早使用功率MOSFET的批量消费产品之一,随后出现了变速电机驱动、荧光灯、DC/DC转换器等数千种如今已经深入我们日常生活的其它应用。
国际整流器公司于1978年11月推出的IRF100是最早的功率MOSFET器件之一。这种器件具有100V的漏极-源极击穿电压和0.1Ω的导通电阻,树立了那个时代的基准。由于裸片尺寸超过40mm2,价格高达34美元,因此这种产品没有立即广泛地替代传统的双极晶体管。
多年来许多制造商持续推出了许多代功率MOSFET产品。30年多来,基准基本上每年都会更新。至写这篇文章时,100V基准公认为是英飞凌的IPB025N10N3G所保持。与IRF100的4Ω–mm2品质因数(FOM)相比(1),IPB025N10N3G的FOM不到0.1Ω–mm2。这个值几乎已经达到硅器件的理论极限(2)。
不过改进仍在持续。例如,CoolMOS器件和IGBT的导通性能已经超过了简单垂直型多数载流子MOSFET的理论极限。这些创新在相当长一段时间内可能还会继续,并且会充分利用功率MOSFET的低成本结构和训练有素的设计师,而这些设计师经过多年实践后已经学会如何有效发掘电源转换电路和系统的性能。
开启GaN新时代
HEMT(高电迁移率晶体管)GaN晶体管最早出现于2004年左右,当时日本的Eudyna公司推出了一种耗尽型射频晶体管。通过在碳化硅基板上使用GaN,Eudyna公司成功生产出为射频市场设计的晶体管(3)。HEMT结构基于的是1975年最先由T Mimura et al (4)描述,并且在1994年再次由M. A. Khan et al (5)描述的一种现象,这种现象展示了接近AlGaN和GaN异质结构界面之间接口处异常高的电迁移率。将这种现象应用于碳化硅上生长的氮化镓,Eudyna公司成功生产出在数兆赫兹频率范围内的基准功率增益。2005年,Nitronex公司推出第一种耗尽型射频HEMT晶体管,这种晶体管利用硅基上生成的GaN(6)晶圆制造,采用的是公司自己的SIGANTIC 技术(7)。
随着另外几家公司参与市场,GaN射频晶体管在射频应用领域继续阔步前进。但这个市场之外的接受性非常有限,主要原因是器件成本和耗尽型操作的不方便。
于2009年6月,宜普公司推出了首款增强型硅基GaN功率晶体管,这种晶体管专门设计用于替代功率MOSFET。这些产品可以使用标准硅制造技术和设备低成本地大批量生产, 其结构比较简单,见图1。

图1:硅基GaN器件具有与横向型DMOS器件类似的非常简单结构,可以在标准CMOS代工厂制造。
突破屏障
30年的硅功率MOSFET历史告诉我们,控制突破性技术的普及率有四大关键因素:
1.这种技术能否支持重大的新功能
2.这种技术是否容易使用
3.这种技术对用户来说是否极具成本效益
4.这种技术是否可靠
在接下来的章节中我们将根据上述四条准则展开讨论能够替代主流硅功率MOSFET的硅基板GaN功率晶体管之现状。然后我们会进一步了解GaN的近期开发计划,并预测它们对电源转换行业的影响。
GaN功率晶体管支持的新功能
增强型GaN HEMT器件(eHEMT) 能支持的最大新功能是开关性能和整个器件带宽的突破性改善(见图2)。GaN拥有比硅高得多的关键电场,因此这种新器件的漏极至源极之间可以承受高得多的电压,而对导通电阻的负面影响却很小。

图2:宜普公司增强型GaN功率晶体管的增益与频率关系曲线。
在功率MOSFET中,在器件从导通到关断(或从关断到导通状态)所需的器件传导率和电荷数量之间需要做一个基本的权衡。从这种权衡可以推导出称为RQ乘积的品质因数。这个指标被定义为器件的导通电阻乘以在正常工作电压和电流条件下开关器件所必需的向栅极提供的总电荷量。事实表明,这一指标的改善有助于提高高频DC/DC转换器的转换效率。RQ的绝对值一般也反映了实际电路中可以实现的最小脉宽。虽然过去几年中RQ乘积得到了很大的改善,但硅功率MOSFET的品质因数仍未真正接近市场上已经推出的第一代eHEMT器件。图3对额定电压为100V和200V的基准硅器件和GaN器件作了比较。


图3:100V和200V的基准硅功率MOSFET和GaN的RQ乘积比较。
DC/DC转换器
能够快速开关并且没有太多功率损失意味着用户在电源转换电路中可以采用更小的脉冲宽度。需要这种能力的一种重要新兴应用是非隔离型DC/DC转换器。硅功率MOSFET的基本极限性能限制了单级非隔离型降压转换器的指标,其实际的输入电压与输出电压之比最大值只能达到10:1。除了这个比值外,降压电路顶端晶体管要求的短脉宽也将导致不可接受的高开关损耗和由此引起的低转换效率。GaN晶体管完全打破了这一性能框架,如图4和图5所示。

图4:不同输入电压下降压转换器效率与电流的关系。这种转换器中的顶部和底部晶体管用的都是单路100V EPC1001。对于硅器件来说,输入输出电压比超过10:1通常被认为是不可能实现的。

图5a:在降压拓扑中使用EPC1001晶体管实现的300kHz 48V至1V转换波形。

图5b:开关频率为1.5MHz的48V至1V转换波形。

图5c:48V至0.5V转换波形。
GaN除了能增加VIN/VOUT比值范围外,还能显著降低降压转换器在任何VIN/VOUT比值时的开关损耗。比较12V至1V转换器就可以发现这种性能的显著改善,见图6。

图6:对三种流行的负载点转换器和采用EPC1014/EPC1015 GaN晶体管开发的转换器在VIN=12V和VOUT=1V、电流为5A和开关频率为600kHz时的功率损失比较。
随着新的GaN晶体管快速涵盖当前功率MOSFET和IGBT的电流和电压范围,AC/DC转换、同步整流和功率因素校正都将能实现明显的性能提高。
D类音频放大器
D类音频放大器经常面临着成本、体积和声音失真之间的折衷考虑。影响失真的最大因素是死区时间和输出滤波器的相移。
D类音频放大器有三种根据死区时间改变输出脉宽的独特操作模式。正向电感电流模式是基于高侧开关进行整流,反向电感电流模式是基于低侧开关进行整流,而双向电流则基于每个开关进行整流。这些模式将死区时间分别设置在上升沿、下降沿或既不是上升沿也不是下降沿的地方。死区时间长短决定了与这种现象有关的失真度。有限开关速度和体二极管前向电压将进一步增强这一效应。增强型GaN晶体管具有非常低的栅极电荷,因此具有非常短的延时和非常快的开关速度。高精度的开关允许更好地控制开关情况,进一步缩短死区时间,从而实现更低的失真。
输出滤波器的尺寸和反馈增益由开关频率决定。在低开关频率时,必须使用大的滤波电容和电感,以便从想要的信号中消除载波频率。大值的滤波元件不仅增加了放大器的成本和尺寸,还会造成相移,从而降低系统的稳定性,限制用于补偿许多元件失真的反馈增益,最终影响系统的保真度。采用传统硅MOSFET时开关频率非常有限,因为功耗会由于高开关损耗而迅速上升。
GaN晶体管能够同时提供低的RDS(ON)和低的栅极电荷(QG),因此在数MHz范围内都能提供出色的效率。这时放大器可以使用更小值的滤波元件,从而减少它们对成本、尺寸和失真的影响,并允许更高的增益反馈,减小开关放大器对失真的影响。是以增强型GaN晶体管可以给D类应用带来明显更高的保真度和更低的成本。
增强型GaN晶体管易于使用吗?
器件是否容易使用取决于多方面因素,包括使用者技能、待开发电路的难易程度、与用户熟悉的器件相比有多大的差异以及帮助用户使用器件的工具可用性等。
新一代增强型GaN晶体管的行为与现有功率MOSFET非常相似,因此用户可以充分利用已有的设计经验。有两个关键领域需要特别加以关注:较低的栅极电介强度(及在有限栅极漏电流于每毫米栅极宽度毫安数量级)和较高的频率响应。这两种差异中的第一种——较低栅极电介强度将随着技术的成熟而不断提高。同时,需要采取一定的措施消除工作区的静电放电现象,并且设计电路时要保持VGS低于数据手册中的最大值(8)。第二种差异——较高频率响应不仅是指阶跃函数性能比以前任何硅器件要高,而且用户在设计电路版图时需要多加考虑。例如,少量的杂散寄生电感可能导致栅极至源极电压发生较大的过冲现象,进而有可能损坏器件。
另一方面,也有几种特性使得这些器件比它们的前代硅器件更加容易使用。例如,阈值电压实际上在很宽范围内独立于温度(8),导通电阻的温度系数也比硅小得多(8,9)。
GaN晶体管也能够在高达300℃的温度下正常工作,但在125℃以上,PCB的焊接会影响实际应用。因此第一款商用增强型器件的工作温度最高为125℃。
表1从易用性的角度对硅功率MOSFET和EPC1001 GaN晶体管的基本特性作了较为完整的比较。
表1

易于使用的工具对新器件的易用性起了很大的作用。宜普公司已经开发出一整套TSPICE器件模型供用户下载使用(10)。图7显示了一个简单电路,并对实际器件性能和使用TSPICE模型仿真的结果作了比较。虽然还需要做多些使这些模型操作完善的工作,但第一代产品应提供相当可靠的电路性能预测,从而提高工程师的产能,缩短产品上市时间。

图7:电路图及EPC1001 TSPICE仿真结果与实际测量的电路性能的波形图比较。
多年来的应用手册和设计技巧汇集了工程师们的集体智慧和经验。描述于上百种使用功率MOSFET的应用, 已刊载于数千条的应用笔记。GaN用户可能要花几年时间才能理解如此大量的知识,但是因为增强型GaN晶体管和硅功率MOSFET之间的相似性,这些知识及经验将继续有效。是以指导用户使用具有非凡特性的GaN的应用笔记, 可从许多现有资料来源找到(11, 12)。
对用户而言是否极具成本效益?
基于不同技术而制成的产品, 其成本比较需要慎重进行。另外,如果供需失衡,产品价格就不能真实反映其成本。由于GaN功率晶体管市场还在发展的早期阶段,因此最有意义的信息是在硅功率MOSFET和市场上第一代增强型晶体管之间的成本比较。
影响产品成本的基本因素有:
为了便于分析,影响成本的其它因素如良率、工程成本、包装和运输成本以及一般开销成本,在不同的技术下被设定为相同。
初始材料
硅基GaN器件一般在150mm基板上生产(未来产品将移植到200mm),而这一领域中的许多制造商是在100mm至200mm的基板上生产功率MOSFET的。由于GaN器件使用标准的硅基板,因此与在相同直径的初始材料上制造功率MOSFET相比, 成本不变。事实上,在150mm和200mm硅晶圆之间, 每单位面积的成本差别是很少,因此我们可以得出的结论是GaN在每片晶圆之起始材料方面,就不存在真正的成本差异。如果考虑到具有相同电流承载能力的GaN器件面积比硅器件小,那么GaN每个功能的成本会更低。
外延生长
硅外延生长是一种成熟技术,许多公司都制造高效率和自动化的机器。MOCVD GaN设备至少有两个来源,即美国的Veeco (13)和德国的Aixtron (14)。这两家公司都制造功能强大且可靠的机器,这些机器的主要用途就是发光二极管制造中使用的GaN外延生长。没有一台机器针对硅基GaN外延优化过,也没有硅机器中常见的自动化水平。因此,硅基GaN外延要比目前的硅外延较为昂贵。
但这种情况不是一成不变的。由于没有像硅器件那样的极限值,工艺次数和温度、晶圆直径、材料成本和机器产能都在快速进步。在今后几年内,假如GaN作为硅功率MOSFET替代品而得到广泛采纳,那么GaN外延成本有望迅速接近硅外延的成本。
晶圆制造
图1所示的简单结构在标准硅晶圆代工厂那里制造并不复杂。加工温度与硅CMOS相似,而且交叉污染也很容易管理。目前宜普公司的所有晶圆都在Episil公司加工,这是一家著名的台湾代工厂。
在GaN功率器件和功率MOSFET的晶圆制造成本之间没有材料方面的差异。
测试与装配
硅基GaN器件的成本结构在装配工艺上有很大的区别,尤胜硅功率MOSFET,而测试成本是相同的。
硅功率MOSFET需要一个通常由铜引线框、一些铝、金或铜线组成的环绕封装,所有东西都在浇铸的环氧封套内。对垂直硅器件的顶部和底部需要做连接,并且需要通过塑料压模防止湿气进入有源器件,及将热量排出器件的方法。
诸如SO8、TO220或DPAK等传统功率MOSFET封装会增加成本、电阻和热阻,并增加影响产品可靠性和质量的风险。
硅基GaN可以用作“倒装芯片”,不会影响电气、散热或可靠性能。
从图8可以看出,有源器件区域是与硅基板隔离的,很像蓝宝石上硅器件。因此,有源GaN器件可以由钝化层完全密封。另外,硅基板可以直接连接到散热器,实现出色的散热性能。

图8:硅基GaN可以用作“倒装芯片”。有源器件与硅基板相隔离,因此可以在划片前实现完全密封。
总而言之,硅基GaN不需要封装,因此能去除与封装相关的一切成本、电路板面积、热阻、电阻及封装后功率器件经常遇到的可靠性问题。
表2罗列了2010年硅基GaN与硅功率晶体管的单位面积成本差异,并对2015年时的成本差异作了预测。由于相同功能的硅基GaN器件面积更小,总的结论是硅基GaN表现可以尤胜表2所列。
表2

GaN可靠吗?
在硅功率MOSFET方面累积的可靠性信息量是非常令人吃惊的。多年来许多人一直在埋头理解故障机制、控制和调整工艺,并设计出有别于其它产品的、作为任何电源转换系统中高可靠性的产品基准。
硅基GaN晶体管才刚开始这一旅程。然而,初步结果极其鼓舞人心。Nitronex公司已经发布了他们的质量鉴定试验结果(15),器件并已成功应用于许多射频方案,效果良好。
图9、10和11显示了器件的中期表现结果。从图中可以看到被测试器件在经过1000小时的栅极应力测试、漏极至源极应力测试和暴露在高湿环境且有偏置条件下的稳定性。
宜普公司还将器件用在48V至1V DC/DC转换器中,在最大应力条件下连续工作1000小时也没有发生故障。
我们理解与这种新技术有关的各种故障机制还需要做很多工作。所有进入这一个全新领域的工程人员员=都有望给这个知识库作出贡献。从目前我们拥有的数据来看,这种技术如今已经能够在商业应用中达至可接受的可靠水平。

图9:在125℃和+5Vgs条件下1000小时栅极应力能力。

图10:在125℃和100VDS条件下1000小时漏极至源极应力能力。

图11:在相对湿度85%、温度85℃、100VDS和没有underfill情况下1000小时湿度应力能力。

图12:在40℃环境温度和10A电流条件下使用两个EPC1001 GaN晶体管的DC/DC转换器, 于连续工作1000小时后的结果。
未来发展方向
GaN发展之路才刚刚开始。以品质因数RQ代表的基本器件性能将得到根本性的提升。随着人们对材料和工艺的进一步了解,在今后三年内性能极有希望提高2倍,在今后10年内有望提高10倍。
我们也有望看到在不远的将来GaN器件可以提供高得多的击穿电压,因为宜普公司计划在2010年下半年推出600V器件,而其它公司也在公开讨论这方面的计划(16)。
对GaN来说,影响电源转换系统性能的最大机会也许来自在相同基板上同时集成功率级和信号级器件的固有能力。硅基GaN非常像SOI,在元件之间没有显著的寄生交互,因此设计师能够很容易地在单个芯片上开发出单片电源系统。
图13、14和15显示了已经制造出来的各种集成器件。图13是松下公司制造的三相电机控制IC(17),内含用6个功率晶体管设计的板载IC驱动器。图14是宜普公司开发的全桥功率器件,图15则是宜普公司提供的板载驱动器的功率晶体管。

图13:带集成控制和增强型GaN功率器件的单片三相反相器IC。

图14:宜普公司的单片全桥器件。

图15:宜普公司提供的带集成式驱动器的GaN功率晶体管。
总结
在二十世纪七十年代晚期,功率MOSFET的开发先驱相信他们拥有了一种能够完全替代双极晶体管的技术。三十年后的今天,我们仍有大量应用选择了双极晶体管而不是功率MOSFET,但功率MOSFET市场规模要比双极晶体管市场大许多倍,因为所有新的应用和新的市场都是由这种突破性技术培育出来的。
今天,增强型硅基GaN站在同样的起跑线上。与1976年时的功率MOSFET一样,我们正在开始令人兴奋的旅程,几乎每个月都有新产品和突破性功能推出。
功率MOSFET不会被完全淘汰出局,但其性能和成本的重大改善行将结束。在将来的十年内,GaN由于在性能和成本方面的巨大优势而很可能成为主导技术。随着学习曲线的不断展开,这种优势将进一步扩大(18)。
拥有30年发展史的硅功率MOSFET
功率MOSFET作为双极晶体管的替代品最早出现于1976年。与那些少数载流子器件相比,这些多数载流子器件速度更快、更坚固,并且具有更高的电流增益。因此开关型电源转换技术得以真正商用化。早期台式电脑的AC/DC开关电源是最早使用功率MOSFET的批量消费产品之一,随后出现了变速电机驱动、荧光灯、DC/DC转换器等数千种如今已经深入我们日常生活的其它应用。
国际整流器公司于1978年11月推出的IRF100是最早的功率MOSFET器件之一。这种器件具有100V的漏极-源极击穿电压和0.1Ω的导通电阻,树立了那个时代的基准。由于裸片尺寸超过40mm2,价格高达34美元,因此这种产品没有立即广泛地替代传统的双极晶体管。
多年来许多制造商持续推出了许多代功率MOSFET产品。30年多来,基准基本上每年都会更新。至写这篇文章时,100V基准公认为是英飞凌的IPB025N10N3G所保持。与IRF100的4Ω–mm2品质因数(FOM)相比(1),IPB025N10N3G的FOM不到0.1Ω–mm2。这个值几乎已经达到硅器件的理论极限(2)。
不过改进仍在持续。例如,CoolMOS器件和IGBT的导通性能已经超过了简单垂直型多数载流子MOSFET的理论极限。这些创新在相当长一段时间内可能还会继续,并且会充分利用功率MOSFET的低成本结构和训练有素的设计师,而这些设计师经过多年实践后已经学会如何有效发掘电源转换电路和系统的性能。
开启GaN新时代
HEMT(高电迁移率晶体管)GaN晶体管最早出现于2004年左右,当时日本的Eudyna公司推出了一种耗尽型射频晶体管。通过在碳化硅基板上使用GaN,Eudyna公司成功生产出为射频市场设计的晶体管(3)。HEMT结构基于的是1975年最先由T Mimura et al (4)描述,并且在1994年再次由M. A. Khan et al (5)描述的一种现象,这种现象展示了接近AlGaN和GaN异质结构界面之间接口处异常高的电迁移率。将这种现象应用于碳化硅上生长的氮化镓,Eudyna公司成功生产出在数兆赫兹频率范围内的基准功率增益。2005年,Nitronex公司推出第一种耗尽型射频HEMT晶体管,这种晶体管利用硅基上生成的GaN(6)晶圆制造,采用的是公司自己的SIGANTIC 技术(7)。
随着另外几家公司参与市场,GaN射频晶体管在射频应用领域继续阔步前进。但这个市场之外的接受性非常有限,主要原因是器件成本和耗尽型操作的不方便。
于2009年6月,宜普公司推出了首款增强型硅基GaN功率晶体管,这种晶体管专门设计用于替代功率MOSFET。这些产品可以使用标准硅制造技术和设备低成本地大批量生产, 其结构比较简单,见图1。

图1:硅基GaN器件具有与横向型DMOS器件类似的非常简单结构,可以在标准CMOS代工厂制造。
突破屏障
30年的硅功率MOSFET历史告诉我们,控制突破性技术的普及率有四大关键因素:
1.这种技术能否支持重大的新功能
2.这种技术是否容易使用
3.这种技术对用户来说是否极具成本效益
4.这种技术是否可靠
在接下来的章节中我们将根据上述四条准则展开讨论能够替代主流硅功率MOSFET的硅基板GaN功率晶体管之现状。然后我们会进一步了解GaN的近期开发计划,并预测它们对电源转换行业的影响。
GaN功率晶体管支持的新功能
增强型GaN HEMT器件(eHEMT) 能支持的最大新功能是开关性能和整个器件带宽的突破性改善(见图2)。GaN拥有比硅高得多的关键电场,因此这种新器件的漏极至源极之间可以承受高得多的电压,而对导通电阻的负面影响却很小。

图2:宜普公司增强型GaN功率晶体管的增益与频率关系曲线。
在功率MOSFET中,在器件从导通到关断(或从关断到导通状态)所需的器件传导率和电荷数量之间需要做一个基本的权衡。从这种权衡可以推导出称为RQ乘积的品质因数。这个指标被定义为器件的导通电阻乘以在正常工作电压和电流条件下开关器件所必需的向栅极提供的总电荷量。事实表明,这一指标的改善有助于提高高频DC/DC转换器的转换效率。RQ的绝对值一般也反映了实际电路中可以实现的最小脉宽。虽然过去几年中RQ乘积得到了很大的改善,但硅功率MOSFET的品质因数仍未真正接近市场上已经推出的第一代eHEMT器件。图3对额定电压为100V和200V的基准硅器件和GaN器件作了比较。


图3:100V和200V的基准硅功率MOSFET和GaN的RQ乘积比较。
DC/DC转换器
能够快速开关并且没有太多功率损失意味着用户在电源转换电路中可以采用更小的脉冲宽度。需要这种能力的一种重要新兴应用是非隔离型DC/DC转换器。硅功率MOSFET的基本极限性能限制了单级非隔离型降压转换器的指标,其实际的输入电压与输出电压之比最大值只能达到10:1。除了这个比值外,降压电路顶端晶体管要求的短脉宽也将导致不可接受的高开关损耗和由此引起的低转换效率。GaN晶体管完全打破了这一性能框架,如图4和图5所示。

图4:不同输入电压下降压转换器效率与电流的关系。这种转换器中的顶部和底部晶体管用的都是单路100V EPC1001。对于硅器件来说,输入输出电压比超过10:1通常被认为是不可能实现的。

图5a:在降压拓扑中使用EPC1001晶体管实现的300kHz 48V至1V转换波形。

图5b:开关频率为1.5MHz的48V至1V转换波形。

图5c:48V至0.5V转换波形。
GaN除了能增加VIN/VOUT比值范围外,还能显著降低降压转换器在任何VIN/VOUT比值时的开关损耗。比较12V至1V转换器就可以发现这种性能的显著改善,见图6。

图6:对三种流行的负载点转换器和采用EPC1014/EPC1015 GaN晶体管开发的转换器在VIN=12V和VOUT=1V、电流为5A和开关频率为600kHz时的功率损失比较。
随着新的GaN晶体管快速涵盖当前功率MOSFET和IGBT的电流和电压范围,AC/DC转换、同步整流和功率因素校正都将能实现明显的性能提高。
D类音频放大器
D类音频放大器经常面临着成本、体积和声音失真之间的折衷考虑。影响失真的最大因素是死区时间和输出滤波器的相移。
D类音频放大器有三种根据死区时间改变输出脉宽的独特操作模式。正向电感电流模式是基于高侧开关进行整流,反向电感电流模式是基于低侧开关进行整流,而双向电流则基于每个开关进行整流。这些模式将死区时间分别设置在上升沿、下降沿或既不是上升沿也不是下降沿的地方。死区时间长短决定了与这种现象有关的失真度。有限开关速度和体二极管前向电压将进一步增强这一效应。增强型GaN晶体管具有非常低的栅极电荷,因此具有非常短的延时和非常快的开关速度。高精度的开关允许更好地控制开关情况,进一步缩短死区时间,从而实现更低的失真。
输出滤波器的尺寸和反馈增益由开关频率决定。在低开关频率时,必须使用大的滤波电容和电感,以便从想要的信号中消除载波频率。大值的滤波元件不仅增加了放大器的成本和尺寸,还会造成相移,从而降低系统的稳定性,限制用于补偿许多元件失真的反馈增益,最终影响系统的保真度。采用传统硅MOSFET时开关频率非常有限,因为功耗会由于高开关损耗而迅速上升。
GaN晶体管能够同时提供低的RDS(ON)和低的栅极电荷(QG),因此在数MHz范围内都能提供出色的效率。这时放大器可以使用更小值的滤波元件,从而减少它们对成本、尺寸和失真的影响,并允许更高的增益反馈,减小开关放大器对失真的影响。是以增强型GaN晶体管可以给D类应用带来明显更高的保真度和更低的成本。
增强型GaN晶体管易于使用吗?
器件是否容易使用取决于多方面因素,包括使用者技能、待开发电路的难易程度、与用户熟悉的器件相比有多大的差异以及帮助用户使用器件的工具可用性等。
新一代增强型GaN晶体管的行为与现有功率MOSFET非常相似,因此用户可以充分利用已有的设计经验。有两个关键领域需要特别加以关注:较低的栅极电介强度(及在有限栅极漏电流于每毫米栅极宽度毫安数量级)和较高的频率响应。这两种差异中的第一种——较低栅极电介强度将随着技术的成熟而不断提高。同时,需要采取一定的措施消除工作区的静电放电现象,并且设计电路时要保持VGS低于数据手册中的最大值(8)。第二种差异——较高频率响应不仅是指阶跃函数性能比以前任何硅器件要高,而且用户在设计电路版图时需要多加考虑。例如,少量的杂散寄生电感可能导致栅极至源极电压发生较大的过冲现象,进而有可能损坏器件。
另一方面,也有几种特性使得这些器件比它们的前代硅器件更加容易使用。例如,阈值电压实际上在很宽范围内独立于温度(8),导通电阻的温度系数也比硅小得多(8,9)。
GaN晶体管也能够在高达300℃的温度下正常工作,但在125℃以上,PCB的焊接会影响实际应用。因此第一款商用增强型器件的工作温度最高为125℃。
表1从易用性的角度对硅功率MOSFET和EPC1001 GaN晶体管的基本特性作了较为完整的比较。
表1

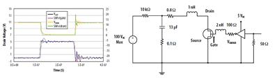
易于使用的工具对新器件的易用性起了很大的作用。宜普公司已经开发出一整套TSPICE器件模型供用户下载使用(10)。图7显示了一个简单电路,并对实际器件性能和使用TSPICE模型仿真的结果作了比较。虽然还需要做多些使这些模型操作完善的工作,但第一代产品应提供相当可靠的电路性能预测,从而提高工程师的产能,缩短产品上市时间。

图7:电路图及EPC1001 TSPICE仿真结果与实际测量的电路性能的波形图比较。
多年来的应用手册和设计技巧汇集了工程师们的集体智慧和经验。描述于上百种使用功率MOSFET的应用, 已刊载于数千条的应用笔记。GaN用户可能要花几年时间才能理解如此大量的知识,但是因为增强型GaN晶体管和硅功率MOSFET之间的相似性,这些知识及经验将继续有效。是以指导用户使用具有非凡特性的GaN的应用笔记, 可从许多现有资料来源找到(11, 12)。
对用户而言是否极具成本效益?
基于不同技术而制成的产品, 其成本比较需要慎重进行。另外,如果供需失衡,产品价格就不能真实反映其成本。由于GaN功率晶体管市场还在发展的早期阶段,因此最有意义的信息是在硅功率MOSFET和市场上第一代增强型晶体管之间的成本比较。
影响产品成本的基本因素有:
- 初始材料
- 外延生长
- 晶圆制造
- 测试与装配
为了便于分析,影响成本的其它因素如良率、工程成本、包装和运输成本以及一般开销成本,在不同的技术下被设定为相同。
初始材料
硅基GaN器件一般在150mm基板上生产(未来产品将移植到200mm),而这一领域中的许多制造商是在100mm至200mm的基板上生产功率MOSFET的。由于GaN器件使用标准的硅基板,因此与在相同直径的初始材料上制造功率MOSFET相比, 成本不变。事实上,在150mm和200mm硅晶圆之间, 每单位面积的成本差别是很少,因此我们可以得出的结论是GaN在每片晶圆之起始材料方面,就不存在真正的成本差异。如果考虑到具有相同电流承载能力的GaN器件面积比硅器件小,那么GaN每个功能的成本会更低。
外延生长
硅外延生长是一种成熟技术,许多公司都制造高效率和自动化的机器。MOCVD GaN设备至少有两个来源,即美国的Veeco (13)和德国的Aixtron (14)。这两家公司都制造功能强大且可靠的机器,这些机器的主要用途就是发光二极管制造中使用的GaN外延生长。没有一台机器针对硅基GaN外延优化过,也没有硅机器中常见的自动化水平。因此,硅基GaN外延要比目前的硅外延较为昂贵。
但这种情况不是一成不变的。由于没有像硅器件那样的极限值,工艺次数和温度、晶圆直径、材料成本和机器产能都在快速进步。在今后几年内,假如GaN作为硅功率MOSFET替代品而得到广泛采纳,那么GaN外延成本有望迅速接近硅外延的成本。
晶圆制造
图1所示的简单结构在标准硅晶圆代工厂那里制造并不复杂。加工温度与硅CMOS相似,而且交叉污染也很容易管理。目前宜普公司的所有晶圆都在Episil公司加工,这是一家著名的台湾代工厂。
在GaN功率器件和功率MOSFET的晶圆制造成本之间没有材料方面的差异。
测试与装配
硅基GaN器件的成本结构在装配工艺上有很大的区别,尤胜硅功率MOSFET,而测试成本是相同的。
硅功率MOSFET需要一个通常由铜引线框、一些铝、金或铜线组成的环绕封装,所有东西都在浇铸的环氧封套内。对垂直硅器件的顶部和底部需要做连接,并且需要通过塑料压模防止湿气进入有源器件,及将热量排出器件的方法。
诸如SO8、TO220或DPAK等传统功率MOSFET封装会增加成本、电阻和热阻,并增加影响产品可靠性和质量的风险。
硅基GaN可以用作“倒装芯片”,不会影响电气、散热或可靠性能。
从图8可以看出,有源器件区域是与硅基板隔离的,很像蓝宝石上硅器件。因此,有源GaN器件可以由钝化层完全密封。另外,硅基板可以直接连接到散热器,实现出色的散热性能。

图8:硅基GaN可以用作“倒装芯片”。有源器件与硅基板相隔离,因此可以在划片前实现完全密封。
总而言之,硅基GaN不需要封装,因此能去除与封装相关的一切成本、电路板面积、热阻、电阻及封装后功率器件经常遇到的可靠性问题。
表2罗列了2010年硅基GaN与硅功率晶体管的单位面积成本差异,并对2015年时的成本差异作了预测。由于相同功能的硅基GaN器件面积更小,总的结论是硅基GaN表现可以尤胜表2所列。
表2

GaN可靠吗?
在硅功率MOSFET方面累积的可靠性信息量是非常令人吃惊的。多年来许多人一直在埋头理解故障机制、控制和调整工艺,并设计出有别于其它产品的、作为任何电源转换系统中高可靠性的产品基准。
硅基GaN晶体管才刚开始这一旅程。然而,初步结果极其鼓舞人心。Nitronex公司已经发布了他们的质量鉴定试验结果(15),器件并已成功应用于许多射频方案,效果良好。
图9、10和11显示了器件的中期表现结果。从图中可以看到被测试器件在经过1000小时的栅极应力测试、漏极至源极应力测试和暴露在高湿环境且有偏置条件下的稳定性。
宜普公司还将器件用在48V至1V DC/DC转换器中,在最大应力条件下连续工作1000小时也没有发生故障。
我们理解与这种新技术有关的各种故障机制还需要做很多工作。所有进入这一个全新领域的工程人员员=都有望给这个知识库作出贡献。从目前我们拥有的数据来看,这种技术如今已经能够在商业应用中达至可接受的可靠水平。

图9:在125℃和+5Vgs条件下1000小时栅极应力能力。

图10:在125℃和100VDS条件下1000小时漏极至源极应力能力。

图11:在相对湿度85%、温度85℃、100VDS和没有underfill情况下1000小时湿度应力能力。

图12:在40℃环境温度和10A电流条件下使用两个EPC1001 GaN晶体管的DC/DC转换器, 于连续工作1000小时后的结果。
未来发展方向
GaN发展之路才刚刚开始。以品质因数RQ代表的基本器件性能将得到根本性的提升。随着人们对材料和工艺的进一步了解,在今后三年内性能极有希望提高2倍,在今后10年内有望提高10倍。
我们也有望看到在不远的将来GaN器件可以提供高得多的击穿电压,因为宜普公司计划在2010年下半年推出600V器件,而其它公司也在公开讨论这方面的计划(16)。
对GaN来说,影响电源转换系统性能的最大机会也许来自在相同基板上同时集成功率级和信号级器件的固有能力。硅基GaN非常像SOI,在元件之间没有显著的寄生交互,因此设计师能够很容易地在单个芯片上开发出单片电源系统。
图13、14和15显示了已经制造出来的各种集成器件。图13是松下公司制造的三相电机控制IC(17),内含用6个功率晶体管设计的板载IC驱动器。图14是宜普公司开发的全桥功率器件,图15则是宜普公司提供的板载驱动器的功率晶体管。

图13:带集成控制和增强型GaN功率器件的单片三相反相器IC。

图14:宜普公司的单片全桥器件。

图15:宜普公司提供的带集成式驱动器的GaN功率晶体管。
总结
在二十世纪七十年代晚期,功率MOSFET的开发先驱相信他们拥有了一种能够完全替代双极晶体管的技术。三十年后的今天,我们仍有大量应用选择了双极晶体管而不是功率MOSFET,但功率MOSFET市场规模要比双极晶体管市场大许多倍,因为所有新的应用和新的市场都是由这种突破性技术培育出来的。
今天,增强型硅基GaN站在同样的起跑线上。与1976年时的功率MOSFET一样,我们正在开始令人兴奋的旅程,几乎每个月都有新产品和突破性功能推出。
功率MOSFET不会被完全淘汰出局,但其性能和成本的重大改善行将结束。在将来的十年内,GaN由于在性能和成本方面的巨大优势而很可能成为主导技术。随着学习曲线的不断展开,这种优势将进一步扩大(18)。
射频工程师养成培训教程套装,助您快速成为一名优秀射频工程师...
射频和天线工程师培训课程详情>>

