- 易迪拓培训,专注于微波、射频、天线设计工程师的培养
面向系统的板级电源管理方法:CompactPCI电路板的电源管理案例研究
录入:edatop.com 点击:
电源管理的挑战
由于电路板组件集成了越来越多的子系统,他们的电源分配和管理系统的复杂性不断上升。由于这些系统变得越来越复杂,传统的固定功能的以硬件为中心的电源管理方案很快变得相当笨拙。另一种方法是用自上而下的,需求驱动的办法来解决设计问题。取代试图围绕一个或多个固定功能的集成电路来设计电路板的电源管理功能,设计人员用独立的物理和逻辑功能来定义系统,根据这些功能来推动设计。用这样的方法进行设计需要更新设计理念,系统的控制逻辑从硬件转移到固件或软件。而且,这些优点是减少了所需元器件的数量、降低了系统的成本,在适应无法预料的需求方面具有更大的灵活性。
本文介绍了这个面向系统的方法的实例,将其应用到CompactPCI(cPCI)板级电源管理,其中包括热插拔功能。
基本的CompactPCI电路板的电源管理
图1展示了一个支持热插拔的cPCI板的电源管理系统的顶层设计图。当这块电路板插到背板时,热插拔控制器必须完善地执行以下的操作:
1)测试cPCI总线电源处于稳定状态,且用/BRD_SEL信号使电路板就位。这些条件得到满足时,控制器可以连接电路板的电源系统到总线电源。对于电路板吸取大电流的电源线路,电源管理可能还需要控制电压上升率,以防止在系统中可能瞬态破坏其他电路板的运作。
2)监控cPCI总线的控制信号,尤其是/PCI_RST。电源管理器必须使本地复位信号/LOCAL_PCI_RST有效,在所有电路板级电压稳定之后,保持一定的时间,以确保电路板上的系统正确初始化。
3)监控板上的电源电压,电流和电路板上子系统的状态信号,以确定一切是否正常工作。如果是这样的情况,那么控制器可以使cPCI总线上的HEALTHY信号有效。在出现故障情况下,该控制器需要以尽量减少潜在损害的方式作出反应。

图1即使是一个简单的cPCI电源管理系统也有各种需求,专门功能的控制芯片可能不满足这些要求。例如,1.8V和1.2V的POL转换器的时序要求将需要额外的控制电路。
相反,当热插拔控制器检测到电路板正在从系统中拔出,在电源连接器断开之前,必须确保电路板边缘的电源已脱开。不这样做话就会在背板的电源上产生电弧和瞬变,可能会干扰其他正在运作的电路板。
在实际的热插拔控制系统中,即便是一个简单的系统,还有其他一些重要细节可能需要控制器进行处理,例如如果未能妥善处理过流检测的情况,可能影响系统中的其他电路板。如果对于cPCI系统使用专用功能的cPCI热插拔控制器,通常提供(但不总是)上面所述的基本时序和诊断功能。如果电路板能够在一个约束的专门功能的热插拔控制器内工作,这也许是最简单的解决办法。
CompactPCI的电路板电源管理不仅仅是热插拔控制
随着板级集成度的不断提升,对电源管理的作用和复杂性的要求也越来越高。多个器件可能需要遵循特殊的上电和断电时序。甚至使用多个电压支持核和I/O电路的单芯片可能需要专门的时序。通过使用DC-DC转换器及负载点(POL)稳压器,往往是在本地电路板上提供多个电源,并可能需要单独的监测和控制功能。
设计用于不间断计算和通信应用中的系统带来了额外的电源管理问题。例如,电路板上一个子系统中的一个元件失效时,它可能只需要能够关闭有故障的子系统,而允许电路板上的其它子系统继续工作。
实现设计的一种方式是开始用一个或多个'标准'的电源管理集成电路,支持所需的单个功能,然后再设计一个协调它们运作的系统。根据协调的复杂性,实现可能是简单的粘合逻辑,或复杂的微控制器和支持固件(图2)。

图2电源管理系统可以通过组合标准的电源管理集成电路与顶层控制功能来实现。虽然简单设计是可行的,当人们试图提供独立控制器的各种功能和接口需求时,这种方法很快变得无法控制。
虽然这种ad-hoc方式可能会形成一个有用的设计,但是可能由于未使用的功能和复制的功能,以及大的封装而造成不必要的费用。此外,即使最终能够与微控制器相协调,这种解决方案的硬连线的性质会使人难以逐步修改设计来解决问题,或支持产品的迁移。
面向系统的方法
取代从一个或多个预先定义的控制器集成电路实现电源管理系统的方法,更有效的方法是首先考虑需要那些基本功能,以支持电源管理系统。这些功能可以分为支持硬件测量和控制的资源,支持时序和组合处理创建的逻辑运算。表1列出了需要实现电源管理的最常见的部分功能。
表1 通用电源管理功能

分解电源管理系统的要求至上述功能可以更容易、简洁地定义设计。第一步是确定所需关键功能的类型和功能,如电压和电流监测点和数字I/O。下一步是确定对每个资源的具体要求。对于图1假设的cPCI电源系统,需要以下的资源(表2):
表2用于cPCI电源管理的资源

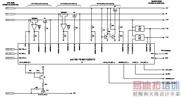
下面的设计实例将使用莱迪思半导体公司的ispPAC Power Manager II系列,ispPAC-POWER1220AT8。基于工业标准的基于宏单元的CPLD架构,这个器件针对电源管理应用进行了优化,集成了专门的I/O,如可编程电压监视输入和high-side MOSFET驱动器输出功能。图3展示了ispPAC-POWER1220AT8 (U1)的示意图,它和相关器件配置为用作cPCI的热插拔控制器,以及次级电源监控和时序控制器。
由于Power Manager II是可编程的,在分配功能至特定的I/O引脚方面有很大的灵活性。由于这个原因,出于明确起见,U1的脚被赋予相应的描述性的标签,在此特定应用中对应它们的编程功能。在其他应用中,该器件的引脚可通过使用莱迪思的PAC-Designer设计软件赋予不同的功能和相应的名称。

图3莱迪思半导体公司的ispPAC-POWER1220AT8支持cPCI电源管理系统所需的主要功能。对于电源开关,电流监测和高电压接口(+/- 12V)功能需要外部的有源器件。
对于这个设计,需要一些外部的有源器件,以支持电源开关,高电压(+/- 12V)接口,或电流测量功能。 MOSFET M1- M4处理实际的负载开关。对于M1和M2,Power Manager II的电荷泵MOSFET驱动器输出可以产生足够的电压对它们直接控制,通过MOSFET的栅极电压的斜率控制,也可以提供软启动功能。M3 和M4用来切换+/-12V 电压, 需要用外部的元器件来实施电平的转换。
U1的电压监控输入可直接检测0至5.75V的电压范围,可用于直接监测多个电源电压。但是在+12V电源供电的情况下,需要有一个外部电阻分压器,将12V电压降至一个合适的范围。使用电阻分压器转换到3.3V正电压,也可以检测-12V电源电压。外部电流传感电阻(RSENSE1,RSENSE2)和电流检测放大器(U2,U3)能够监测3.3V和5V电源线上的电流。
除了Power Manager II的通用数字和模拟I/O,器件还提供一个I2C数字接口,用独立的监控处理器可以进行控制和监测。在cPCI板上实施高级监测和诊断功能时,这个功能是很有用的。
cPCI 板的管理
除了硬件之外,cPCI电源控制器也需要一些协调操作的逻辑处理。适当处理的定义往往是比支持硬件的定义实施更为复杂的任务,特别表现在要求硬件和软件密切配合实现功能。例如,图3电路可以在3.3V和5V线上对浪涌电流进行限制,而不需要硬件电流调节器。当电路板插入背板时,控制器(U1)处于等待状态,直到电源电压趋于稳定,以及/BD_SEL信号变为激活状态。使用U1的软启动MOSFET驱动器,然后打开MOSFET M1和M2。不断监测流经M1和M2的电流,如果电流增加超过可编程的阈值,关闭M1和M2。然后电流开始迅速下降,当它低于阈值时,MOSFET再重新打开。这一过程不断持续,直到3.3V和5V电压达到正常的工作电压和电流值。在硬件和逻辑功能之间分割浪涌电流限制功能的话,就可以使硬件更简单,更便宜。
规范板级电源管理
使用可编程器件作为电源系统控制器的一个优点是可以直接对控制逻辑和I/O的分配做出修改,在产品开发过程中提供很大的益处。而且,这种灵活性还为企业提供了好处。使用ispPAC-POWER1220AT8这样的可编程电源管理芯片使设计人员和设计部门建立一个或多个公用平台,只需稍加修改就可以迅速地适用于各种项目。
总结
本文用具有辅助POL稳压器的CompactPCI热插拔控制器为例,介绍了面向系统的方法来设计电源管理系统。用硬件和逻辑基元设计定义设计要求简化了硬件设计,使很多复杂的设计转成用可编程逻辑实现。这种方法使得设计既降低了成本,还可以随时在特定的cPCI板上进行修改。
可选边栏:电源管理:微控制器对比ispPAC Power Manager
微控制器和基于CPLD的器件,如Lattice的Power Manager II器件显然是满足复杂电源管理需求的候选器件,尽管每个都代表了完全不同的基本设计理念。这两种类型的器件具有各自的优势,在特定的应用中,根据需求进行更适合的选择。
数据转换:微控制器通常会依赖有前端多路复用的模数转换器,以监控若干个电压输入,而Power Manager II对每个输入都设置了单独的阈值或窗口比较器。微控制器有着检测电源故障(毫秒)非常缓慢的缺点,而Power Manager II具有真正的同步监测的优点,大大加快了对电源故障的检测(微秒)。
逻辑模型:按序执行的程序指导着微
控制器的工作,通过任务切换必须'模拟'并行处理。基于同步状态机/组合逻辑模式, Power Manager II器件可以实现真正的并行处理。它能够对外部的事件做出快速的反应,也可能导致在设计中概念上比多任务处理更加简单。
错误恢复:在基于微控制器的实时系统中,看门狗定时器是一个关键的器件,如果代码执行过程中出错,它能够有效地重启控制器。但这取决于不同的看门狗定时器的周期,在错误得到纠正之前,代码可能已执行了数百毫秒。相反,当使用Power Manager II的基于同步状态机的模式,合适的定义未使用的状态,将在一个时钟周期内纠正错误状态。此外,正在执行的组合逻辑功能完全不可能跑飞。
在实际设计中,Power Manager II和微控制器可以成为互补的功能。Power Manager II最适合处理时间受限的功能,如电压和电流监测,热插拔和复位控制。在同一系统中,微控制器最好用来管理需复杂的算法和板外通信的任务,诸如背板故障诊断和监测。
由于电路板组件集成了越来越多的子系统,他们的电源分配和管理系统的复杂性不断上升。由于这些系统变得越来越复杂,传统的固定功能的以硬件为中心的电源管理方案很快变得相当笨拙。另一种方法是用自上而下的,需求驱动的办法来解决设计问题。取代试图围绕一个或多个固定功能的集成电路来设计电路板的电源管理功能,设计人员用独立的物理和逻辑功能来定义系统,根据这些功能来推动设计。用这样的方法进行设计需要更新设计理念,系统的控制逻辑从硬件转移到固件或软件。而且,这些优点是减少了所需元器件的数量、降低了系统的成本,在适应无法预料的需求方面具有更大的灵活性。
本文介绍了这个面向系统的方法的实例,将其应用到CompactPCI(cPCI)板级电源管理,其中包括热插拔功能。
基本的CompactPCI电路板的电源管理
图1展示了一个支持热插拔的cPCI板的电源管理系统的顶层设计图。当这块电路板插到背板时,热插拔控制器必须完善地执行以下的操作:
1)测试cPCI总线电源处于稳定状态,且用/BRD_SEL信号使电路板就位。这些条件得到满足时,控制器可以连接电路板的电源系统到总线电源。对于电路板吸取大电流的电源线路,电源管理可能还需要控制电压上升率,以防止在系统中可能瞬态破坏其他电路板的运作。
2)监控cPCI总线的控制信号,尤其是/PCI_RST。电源管理器必须使本地复位信号/LOCAL_PCI_RST有效,在所有电路板级电压稳定之后,保持一定的时间,以确保电路板上的系统正确初始化。
3)监控板上的电源电压,电流和电路板上子系统的状态信号,以确定一切是否正常工作。如果是这样的情况,那么控制器可以使cPCI总线上的HEALTHY信号有效。在出现故障情况下,该控制器需要以尽量减少潜在损害的方式作出反应。

图1即使是一个简单的cPCI电源管理系统也有各种需求,专门功能的控制芯片可能不满足这些要求。例如,1.8V和1.2V的POL转换器的时序要求将需要额外的控制电路。
相反,当热插拔控制器检测到电路板正在从系统中拔出,在电源连接器断开之前,必须确保电路板边缘的电源已脱开。不这样做话就会在背板的电源上产生电弧和瞬变,可能会干扰其他正在运作的电路板。
在实际的热插拔控制系统中,即便是一个简单的系统,还有其他一些重要细节可能需要控制器进行处理,例如如果未能妥善处理过流检测的情况,可能影响系统中的其他电路板。如果对于cPCI系统使用专用功能的cPCI热插拔控制器,通常提供(但不总是)上面所述的基本时序和诊断功能。如果电路板能够在一个约束的专门功能的热插拔控制器内工作,这也许是最简单的解决办法。
CompactPCI的电路板电源管理不仅仅是热插拔控制
随着板级集成度的不断提升,对电源管理的作用和复杂性的要求也越来越高。多个器件可能需要遵循特殊的上电和断电时序。甚至使用多个电压支持核和I/O电路的单芯片可能需要专门的时序。通过使用DC-DC转换器及负载点(POL)稳压器,往往是在本地电路板上提供多个电源,并可能需要单独的监测和控制功能。
设计用于不间断计算和通信应用中的系统带来了额外的电源管理问题。例如,电路板上一个子系统中的一个元件失效时,它可能只需要能够关闭有故障的子系统,而允许电路板上的其它子系统继续工作。
实现设计的一种方式是开始用一个或多个'标准'的电源管理集成电路,支持所需的单个功能,然后再设计一个协调它们运作的系统。根据协调的复杂性,实现可能是简单的粘合逻辑,或复杂的微控制器和支持固件(图2)。

图2电源管理系统可以通过组合标准的电源管理集成电路与顶层控制功能来实现。虽然简单设计是可行的,当人们试图提供独立控制器的各种功能和接口需求时,这种方法很快变得无法控制。
虽然这种ad-hoc方式可能会形成一个有用的设计,但是可能由于未使用的功能和复制的功能,以及大的封装而造成不必要的费用。此外,即使最终能够与微控制器相协调,这种解决方案的硬连线的性质会使人难以逐步修改设计来解决问题,或支持产品的迁移。
面向系统的方法
取代从一个或多个预先定义的控制器集成电路实现电源管理系统的方法,更有效的方法是首先考虑需要那些基本功能,以支持电源管理系统。这些功能可以分为支持硬件测量和控制的资源,支持时序和组合处理创建的逻辑运算。表1列出了需要实现电源管理的最常见的部分功能。
表1 通用电源管理功能

分解电源管理系统的要求至上述功能可以更容易、简洁地定义设计。第一步是确定所需关键功能的类型和功能,如电压和电流监测点和数字I/O。下一步是确定对每个资源的具体要求。对于图1假设的cPCI电源系统,需要以下的资源(表2):
表2用于cPCI电源管理的资源

下面的设计实例将使用莱迪思半导体公司的ispPAC Power Manager II系列,ispPAC-POWER1220AT8。基于工业标准的基于宏单元的CPLD架构,这个器件针对电源管理应用进行了优化,集成了专门的I/O,如可编程电压监视输入和high-side MOSFET驱动器输出功能。图3展示了ispPAC-POWER1220AT8 (U1)的示意图,它和相关器件配置为用作cPCI的热插拔控制器,以及次级电源监控和时序控制器。
由于Power Manager II是可编程的,在分配功能至特定的I/O引脚方面有很大的灵活性。由于这个原因,出于明确起见,U1的脚被赋予相应的描述性的标签,在此特定应用中对应它们的编程功能。在其他应用中,该器件的引脚可通过使用莱迪思的PAC-Designer设计软件赋予不同的功能和相应的名称。

图3莱迪思半导体公司的ispPAC-POWER1220AT8支持cPCI电源管理系统所需的主要功能。对于电源开关,电流监测和高电压接口(+/- 12V)功能需要外部的有源器件。
对于这个设计,需要一些外部的有源器件,以支持电源开关,高电压(+/- 12V)接口,或电流测量功能。 MOSFET M1- M4处理实际的负载开关。对于M1和M2,Power Manager II的电荷泵MOSFET驱动器输出可以产生足够的电压对它们直接控制,通过MOSFET的栅极电压的斜率控制,也可以提供软启动功能。M3 和M4用来切换+/-12V 电压, 需要用外部的元器件来实施电平的转换。
U1的电压监控输入可直接检测0至5.75V的电压范围,可用于直接监测多个电源电压。但是在+12V电源供电的情况下,需要有一个外部电阻分压器,将12V电压降至一个合适的范围。使用电阻分压器转换到3.3V正电压,也可以检测-12V电源电压。外部电流传感电阻(RSENSE1,RSENSE2)和电流检测放大器(U2,U3)能够监测3.3V和5V电源线上的电流。
除了Power Manager II的通用数字和模拟I/O,器件还提供一个I2C数字接口,用独立的监控处理器可以进行控制和监测。在cPCI板上实施高级监测和诊断功能时,这个功能是很有用的。
cPCI 板的管理
除了硬件之外,cPCI电源控制器也需要一些协调操作的逻辑处理。适当处理的定义往往是比支持硬件的定义实施更为复杂的任务,特别表现在要求硬件和软件密切配合实现功能。例如,图3电路可以在3.3V和5V线上对浪涌电流进行限制,而不需要硬件电流调节器。当电路板插入背板时,控制器(U1)处于等待状态,直到电源电压趋于稳定,以及/BD_SEL信号变为激活状态。使用U1的软启动MOSFET驱动器,然后打开MOSFET M1和M2。不断监测流经M1和M2的电流,如果电流增加超过可编程的阈值,关闭M1和M2。然后电流开始迅速下降,当它低于阈值时,MOSFET再重新打开。这一过程不断持续,直到3.3V和5V电压达到正常的工作电压和电流值。在硬件和逻辑功能之间分割浪涌电流限制功能的话,就可以使硬件更简单,更便宜。
规范板级电源管理
使用可编程器件作为电源系统控制器的一个优点是可以直接对控制逻辑和I/O的分配做出修改,在产品开发过程中提供很大的益处。而且,这种灵活性还为企业提供了好处。使用ispPAC-POWER1220AT8这样的可编程电源管理芯片使设计人员和设计部门建立一个或多个公用平台,只需稍加修改就可以迅速地适用于各种项目。
总结
本文用具有辅助POL稳压器的CompactPCI热插拔控制器为例,介绍了面向系统的方法来设计电源管理系统。用硬件和逻辑基元设计定义设计要求简化了硬件设计,使很多复杂的设计转成用可编程逻辑实现。这种方法使得设计既降低了成本,还可以随时在特定的cPCI板上进行修改。
可选边栏:电源管理:微控制器对比ispPAC Power Manager
微控制器和基于CPLD的器件,如Lattice的Power Manager II器件显然是满足复杂电源管理需求的候选器件,尽管每个都代表了完全不同的基本设计理念。这两种类型的器件具有各自的优势,在特定的应用中,根据需求进行更适合的选择。
数据转换:微控制器通常会依赖有前端多路复用的模数转换器,以监控若干个电压输入,而Power Manager II对每个输入都设置了单独的阈值或窗口比较器。微控制器有着检测电源故障(毫秒)非常缓慢的缺点,而Power Manager II具有真正的同步监测的优点,大大加快了对电源故障的检测(微秒)。
逻辑模型:按序执行的程序指导着微
控制器的工作,通过任务切换必须'模拟'并行处理。基于同步状态机/组合逻辑模式, Power Manager II器件可以实现真正的并行处理。它能够对外部的事件做出快速的反应,也可能导致在设计中概念上比多任务处理更加简单。
错误恢复:在基于微控制器的实时系统中,看门狗定时器是一个关键的器件,如果代码执行过程中出错,它能够有效地重启控制器。但这取决于不同的看门狗定时器的周期,在错误得到纠正之前,代码可能已执行了数百毫秒。相反,当使用Power Manager II的基于同步状态机的模式,合适的定义未使用的状态,将在一个时钟周期内纠正错误状态。此外,正在执行的组合逻辑功能完全不可能跑飞。
在实际设计中,Power Manager II和微控制器可以成为互补的功能。Power Manager II最适合处理时间受限的功能,如电压和电流监测,热插拔和复位控制。在同一系统中,微控制器最好用来管理需复杂的算法和板外通信的任务,诸如背板故障诊断和监测。
射频工程师养成培训教程套装,助您快速成为一名优秀射频工程师...
天线设计工程师培训课程套装,资深专家授课,让天线设计不再难...
上一篇:变频电源的应用
下一篇:针对电信和网络应用的安森美半导体DC-DC电源参考设计示例
射频和天线工程师培训课程详情>>

