- 易迪拓培训,专注于微波、射频、天线设计工程师的培养
完备的中等功率电源管理方案
录入:edatop.com 点击:
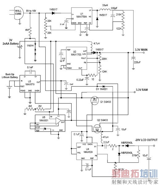
图一电路为一完备的电源管理方案,适用于PDA、手持式盘点机、POS 机等中等功率便携式设备。该方案中,输入为一不稳定的直流(墙上适配器或其它AC-DC 转换器)或2 节AA 电池,输出主电压3.3V/500mA。电路中还包括一节锂电池,当墙上适配器或主电池电压不起作用时,锂电池为RAM 提供3.3V 备用电源(3.3V RAM 点)。升压转换器U4 输出-20V/20mA, 为LCD 供电。

图一
图中,U1 为降压型开关转换器,具有较宽的输入电压范围(5V 至16V),可由墙上适配器或汽车电池提供电源;输出电压为3.4V,同时对输入电压进行检测,一旦输入电压无效时将自身控制器关断。U2 为升压型开关转换器,将两节AA 电池电压转换成3.3V 输出,输出电流500mA,转换效率达90%。U1、U2 的输出连接在一个点上(3.3V MAIN),当墙上适配器提供电源时,U2 检测到输出端电压为3.4V,高于调节电压,U2 将处于空闲模式,电源电流仅1μA。
稳压型电荷泵U3 能够将1.8V 到3.6V 范围内的输入电压转换成稳定的3.3V 输出,当系统没有加交流电和主电池时,U3 输出为RAM 提供备用电压。U3 采用μMAX 封装,一旦交流电源或主电池正常供电,U3 将保持关断模式,此时耗电仅1μA。
升压型控制器U4为LCD提供偏置电压,在该电路中被设置为负电压输出,内部电路由3.3V 主电源供电,将墙上适配器输出电压或主电池电压转换成-20V 输出,输出电流20mA,转换效率为75%。任何情况下,U4 均不采用锂电池供电。当墙上适配器有效时,Q2 断开,阻止电池电流流入电感L3;未接入墙上适配器时,Q2 导通,电池为L3 供电。
U5 为比较器,内置1.25V 基准电源。上电时,Q1 的体二极管允许U5 由3.3V MAIN 供电;启动后,U5 输出低电平,Q1导通,则3.3V RAM 由3.3V MAIN 提供,同时,U5 的低电平输出使U3 保持关端状态。当U5 检测到墙上适配器与主电池均被移掉时,产生一高电平输出唤醒U3,为3.3V RAM 提供稳定的3.3V 电压。在电源切换瞬间,U5 由V+端的旁路电容保持供电。此外,U5 的高电平输出使Q1 断开,避免3.3V RAM 馈送到3.3V MAIN.

图一
图中,U1 为降压型开关转换器,具有较宽的输入电压范围(5V 至16V),可由墙上适配器或汽车电池提供电源;输出电压为3.4V,同时对输入电压进行检测,一旦输入电压无效时将自身控制器关断。U2 为升压型开关转换器,将两节AA 电池电压转换成3.3V 输出,输出电流500mA,转换效率达90%。U1、U2 的输出连接在一个点上(3.3V MAIN),当墙上适配器提供电源时,U2 检测到输出端电压为3.4V,高于调节电压,U2 将处于空闲模式,电源电流仅1μA。
稳压型电荷泵U3 能够将1.8V 到3.6V 范围内的输入电压转换成稳定的3.3V 输出,当系统没有加交流电和主电池时,U3 输出为RAM 提供备用电压。U3 采用μMAX 封装,一旦交流电源或主电池正常供电,U3 将保持关断模式,此时耗电仅1μA。
升压型控制器U4为LCD提供偏置电压,在该电路中被设置为负电压输出,内部电路由3.3V 主电源供电,将墙上适配器输出电压或主电池电压转换成-20V 输出,输出电流20mA,转换效率为75%。任何情况下,U4 均不采用锂电池供电。当墙上适配器有效时,Q2 断开,阻止电池电流流入电感L3;未接入墙上适配器时,Q2 导通,电池为L3 供电。
U5 为比较器,内置1.25V 基准电源。上电时,Q1 的体二极管允许U5 由3.3V MAIN 供电;启动后,U5 输出低电平,Q1导通,则3.3V RAM 由3.3V MAIN 提供,同时,U5 的低电平输出使U3 保持关端状态。当U5 检测到墙上适配器与主电池均被移掉时,产生一高电平输出唤醒U3,为3.3V RAM 提供稳定的3.3V 电压。在电源切换瞬间,U5 由V+端的旁路电容保持供电。此外,U5 的高电平输出使Q1 断开,避免3.3V RAM 馈送到3.3V MAIN.
射频工程师养成培训教程套装,助您快速成为一名优秀射频工程师...
天线设计工程师培训课程套装,资深专家授课,让天线设计不再难...
上一篇:PFC
技术常见问题与解答
下一篇:基于IR2161的低压卤素灯电子变压器
射频和天线工程师培训课程详情>>

