- 易迪拓培训,专注于微波、射频、天线设计工程师的培养
轻松实现PC电源输入电压的转换方法
录入:edatop.com 点击:
一些进口设备的输入电压都是交流100V或115V,包括里面自带的UPS也是这种电压。一旦设备中的开关电源,尤其是PC电源出现问题。要购买替换品就会遇到一些困难。由于目前国内市场上绝大部分的电脑设备都是220V供电,因此带有115/230伏输入电压转换开关的PC电源已较难觅。即使有货,也是物以稀为贵,价格至少要翻一倍。 笔者发现,实际上只要添加一小段电线,就能轻松方便地将220V输入的PC电源改成110V输入。当然,为了设备的可靠运行起见,尽可能选购质量顶级的PC电源。改好以后就可放心地装入设备,替代原来的电源。
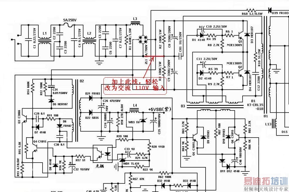
图一是典型的ATX电源输入及整流部分。图中已加上了一段标以红色的线,以适应110V的输入电压。 改动的原理实际上极为简单。

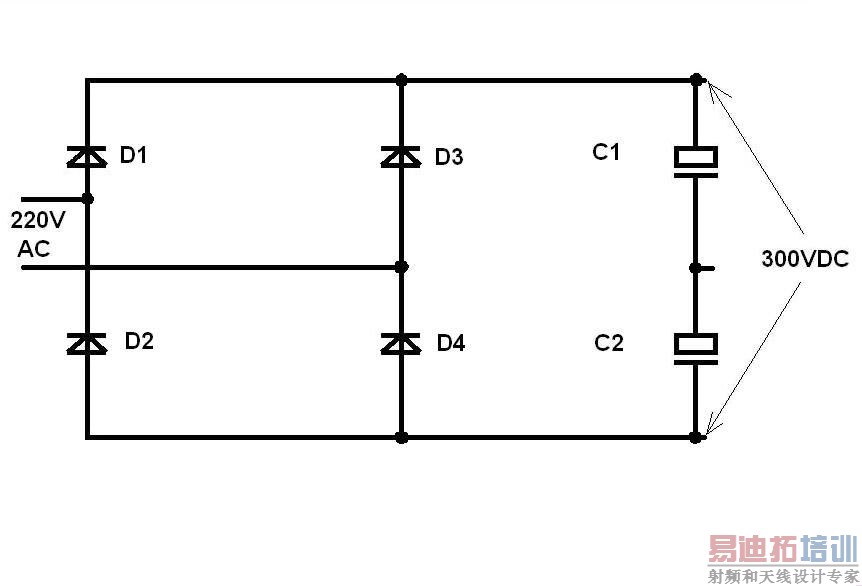
图二是原来未改动前的等效电路,这是一个普通的桥式整流加滤波的电路。正负周波的交流电经四个整流二极管,在串联的滤波电容C1C2两端得到约300V的直流电,供开关变压器初级回路以及待机电源工作。图三为改动后的等效电路。由于D3D4分别与C1C2反向并联,实际上已失去作用。因此D1D2与C1C2构成了一个倍压整流电路。正半周C1通过D1充电,而负半周C2通过D2充电。当输入电压为110V时,在串联的滤波电容C1C2两端也得到约300V的直流电压。 反过来,有些设备如微软的游戏机X-Box的开关电源输入是115V。

很多玩家时有插错 220V而烧坏的事情发生。按照本文所述原理,完全可以改为220V输入,永久免除插错电源的后顾之忧。
图一是典型的ATX电源输入及整流部分。图中已加上了一段标以红色的线,以适应110V的输入电压。 改动的原理实际上极为简单。

图二是原来未改动前的等效电路,这是一个普通的桥式整流加滤波的电路。正负周波的交流电经四个整流二极管,在串联的滤波电容C1C2两端得到约300V的直流电,供开关变压器初级回路以及待机电源工作。图三为改动后的等效电路。由于D3D4分别与C1C2反向并联,实际上已失去作用。因此D1D2与C1C2构成了一个倍压整流电路。正半周C1通过D1充电,而负半周C2通过D2充电。当输入电压为110V时,在串联的滤波电容C1C2两端也得到约300V的直流电压。 反过来,有些设备如微软的游戏机X-Box的开关电源输入是115V。

很多玩家时有插错 220V而烧坏的事情发生。按照本文所述原理,完全可以改为220V输入,永久免除插错电源的后顾之忧。
射频工程师养成培训教程套装,助您快速成为一名优秀射频工程师...
天线设计工程师培训课程套装,资深专家授课,让天线设计不再难...
上一篇:ULDO稳压器在上网本电源中的应用
下一篇:基于DDS芯片AD9852的基准源设计
射频和天线工程师培训课程详情>>

