- 易迪拓培训,专注于微波、射频、天线设计工程师的培养
准谐振、零电流开关DC-DC转换器的结构与原理
录入:edatop.com 点击:
为了减小体积和重量,60年代出现了开关频率高于市电工作频率的开关转换器。最初,开关转换器的工作频率在 20 kHz – 30 kHz 之间。70年代以后,随着先进器件(比如高速晶体管)的推广应用,开关频率可达到超过 100 kHz。但是,随开关频率升高而增大的开关损耗,严重影响开关转换器的性能。为了减小开关损耗,出现了开关频率高达 1 MHz 的准谐振、零电流开关 (ZCS) DC-DC 转换器。每个开关器件均在零电流时导通与关断,这样开关损耗只与导通电流有关而与开关频率无关。在每个开关周期内,转换器都向输出端传输高频能量。
目前,开关转换器通常都封装成高功率密度的砖式模块,如 图1 所示。电源系统设计师在选择 DC-DC转换器模块时,通常只考虑体积、效率和价格,但很少考虑电路结构。由于目前转换器采用的电路结构(基本的电源转换电路)有许多种,所以了解转换器的电路结构,有助于选择适当的转换器。

图1 - 高密度 DC-DC 转换器模块,根据输入电压、输出电压和输出功率不同,转换器模块有上千种组合。这里显示的是体积最小的模块;尺寸为 2.28 x 1.45 x 0.5 英寸 (57.9 x 36.8 x 12.7 mm),最大输出功率可达 150 W。
本文主要说明准谐振、零电流开关 DC-DC 转换器的电路结构和工作原理。还讨论各种电路结构的不同特点和某些优点。
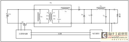
图2 是一个准谐振、零电流开关 DC-DC 转换器的简化电路图。由于单只固体开关导通时,能量由电源传输到负载,所以这种转换器称为单端正激转换器。该转换器为准谐振转换器,开关在零电流处转换,真正消除了开关损耗。但是,它又与谐振转换器不同,电容器 Cr 中贮存的能量不能返回到电感 Lr 中。

图2 - 准谐振、零电流开关 DC-DC 转换器简化电路图
该转换器主要由以下元器件组成:
准谐振、零电流开关 DC-DC 转换器通过能量传输循环完成功率变换。在给定输入电压的条件下,每次谐振都传输相同的力量,并且这些能量能够以不同的重复速率传输,因此可以改变传输到输出端的总功率(或电压)。这些能量又经 LO、Cr 输出滤波器平均或平滑后,输出稳定的功率(或电压)。需要输出更大功率时,重复速率将上升。
尽管现有许多转换器电路,但是 DC-DC 转换器作为模块式元件的出现,还必须考虑一些电路结构的问题。由于开关转换器的某些固有特性,比如功耗随着频率升高而增大,所以没有任何一种转换器结构在各个方面都优于其它转换器。
与谐振转换器不同,准谐振转换器只能单向从电源到负载传输能量,效率较高并且具有固有的稳定性。
通过电源主变压器的漏电感与变压器次级侧的谐振电容器耦合,可使零电流开关正常工作。主开关在电流流过零时导通与关断,因此可消除许多其它开关转换器具有的电流变化率 di/dt 高且开关噪声大等缺点。这种正弦波“软”开关也可减小方波“硬”开关产生的元件寄生噪声。
一种磁芯复位电路能够产生镜象磁化电流,使转换器能工作于 B-H 磁滞回线的 第1 和 第3 象限,如 图3 所示。这种磁化电流具有许多工作优点,比如变压器磁芯具有最大磁通量、主开关承受最低电压应力,因此可以选用额定电压较低的更便宜的主开关器件。这些优点有助于提高转换器的效率和功率密度,同时,还可以降低转换器的成本。其它的磁芯复位电路,只能使单端正激转换器工作于 第1 象限,因此转换器的占空比受到一定限制。

图3 - 采用镜象磁化电流的磁芯复位电路,磁芯可工作于第1和第3象限,磁芯面积得到完全利用。转换器可具有更高的占空比并且可采用较小的复位开关,减少功耗。
于最近的电路结构中,转换器功能包含了宽微调范围以及容错架构。这些转换器可以利用固定电阻,电位器或 DAC 电压来编程输出电压从正常电压的 10% 至 110%。例如,12 Vdc 输出可微调至超过 1.2 Vdc 至 13.2 Vdc 的范围。这些转换器同样有 N+M 专利的容错架构。并联阵列内其中一个模块会自动控制起动,其它模块会与它同步工作。阵列内的模块在输入那边的母线以高速的脉冲来通信。如果主导模块失效,另一个模块会自动被选为主导,系统仍然继续工作,不受影响。
目前,开关转换器通常都封装成高功率密度的砖式模块,如 图1 所示。电源系统设计师在选择 DC-DC转换器模块时,通常只考虑体积、效率和价格,但很少考虑电路结构。由于目前转换器采用的电路结构(基本的电源转换电路)有许多种,所以了解转换器的电路结构,有助于选择适当的转换器。

图1 - 高密度 DC-DC 转换器模块,根据输入电压、输出电压和输出功率不同,转换器模块有上千种组合。这里显示的是体积最小的模块;尺寸为 2.28 x 1.45 x 0.5 英寸 (57.9 x 36.8 x 12.7 mm),最大输出功率可达 150 W。
本文主要说明准谐振、零电流开关 DC-DC 转换器的电路结构和工作原理。还讨论各种电路结构的不同特点和某些优点。
图2 是一个准谐振、零电流开关 DC-DC 转换器的简化电路图。由于单只固体开关导通时,能量由电源传输到负载,所以这种转换器称为单端正激转换器。该转换器为准谐振转换器,开关在零电流处转换,真正消除了开关损耗。但是,它又与谐振转换器不同,电容器 Cr 中贮存的能量不能返回到电感 Lr 中。

图2 - 准谐振、零电流开关 DC-DC 转换器简化电路图
该转换器主要由以下元器件组成:
- 主开关 Q1:该开关导通时,流过开关的电流波形接近半正弦波,把输入电源的能量传输到 LC 电路。
- 变压器 T1:变压器实现初次级电压变换和初次级电气隔离,以及变压器漏电感中的贮能,在该功率架构中有重要作用。
- LC电路:变压器的漏电感 Lr,在 图2 中作为一只电感与变压器次级绕组串联,并且与电容器 Cr 组成 LC 电路。电流在电感中形成的贮能为 LrI2,电压在电容器中形成的贮能为 CrV2。
- 双二极管输出整流器:两只二极管 D1 和 D2 强迫能量从输入端传输到输出端。当主开关导通时,二极管 D1 导通,能量从漏电感传输到电容器 Cr。由于二极管的整流作用,可防止能量反向传输。需要时,二极管 D2 可为输出电感 LO 提供电流通路。能量由漏电感传输到 Cr 和LO 后,D2 也可防止反向电压加到 Cr。
- 磁芯复位电路:在实际应用中,每个周期内,都希望单端正激转换器的磁芯能够恢复原来状态。这样才能更有效地利用变压器磁芯材料的动态磁通摆幅。从而使给定尺寸的磁芯传输更大的功率。
- 低通滤波器:输出 LC 滤波器的主要作用是减小负载两端的输出纹波电压。LO 的电感量很大,满载电流在 LO 中贮存的能量大于电路中任何其它贮能元件中的贮能。在稳定工作状态下,传输到负载的能量必须与从 Cr 传输的能量脉冲相匹配。
准谐振、零电流开关 DC-DC 转换器通过能量传输循环完成功率变换。在给定输入电压的条件下,每次谐振都传输相同的力量,并且这些能量能够以不同的重复速率传输,因此可以改变传输到输出端的总功率(或电压)。这些能量又经 LO、Cr 输出滤波器平均或平滑后,输出稳定的功率(或电压)。需要输出更大功率时,重复速率将上升。
尽管现有许多转换器电路,但是 DC-DC 转换器作为模块式元件的出现,还必须考虑一些电路结构的问题。由于开关转换器的某些固有特性,比如功耗随着频率升高而增大,所以没有任何一种转换器结构在各个方面都优于其它转换器。
与谐振转换器不同,准谐振转换器只能单向从电源到负载传输能量,效率较高并且具有固有的稳定性。
通过电源主变压器的漏电感与变压器次级侧的谐振电容器耦合,可使零电流开关正常工作。主开关在电流流过零时导通与关断,因此可消除许多其它开关转换器具有的电流变化率 di/dt 高且开关噪声大等缺点。这种正弦波“软”开关也可减小方波“硬”开关产生的元件寄生噪声。
一种磁芯复位电路能够产生镜象磁化电流,使转换器能工作于 B-H 磁滞回线的 第1 和 第3 象限,如 图3 所示。这种磁化电流具有许多工作优点,比如变压器磁芯具有最大磁通量、主开关承受最低电压应力,因此可以选用额定电压较低的更便宜的主开关器件。这些优点有助于提高转换器的效率和功率密度,同时,还可以降低转换器的成本。其它的磁芯复位电路,只能使单端正激转换器工作于 第1 象限,因此转换器的占空比受到一定限制。

图3 - 采用镜象磁化电流的磁芯复位电路,磁芯可工作于第1和第3象限,磁芯面积得到完全利用。转换器可具有更高的占空比并且可采用较小的复位开关,减少功耗。
于最近的电路结构中,转换器功能包含了宽微调范围以及容错架构。这些转换器可以利用固定电阻,电位器或 DAC 电压来编程输出电压从正常电压的 10% 至 110%。例如,12 Vdc 输出可微调至超过 1.2 Vdc 至 13.2 Vdc 的范围。这些转换器同样有 N+M 专利的容错架构。并联阵列内其中一个模块会自动控制起动,其它模块会与它同步工作。阵列内的模块在输入那边的母线以高速的脉冲来通信。如果主导模块失效,另一个模块会自动被选为主导,系统仍然继续工作,不受影响。
射频工程师养成培训教程套装,助您快速成为一名优秀射频工程师...
射频和天线工程师培训课程详情>>

