- 易迪拓培训,专注于微波、射频、天线设计工程师的培养
套管井测井仪电源的实现
录入:edatop.com 点击:
套管井测井仪器一般采用单芯电缆传输,需要传输的数据量不是很大,且这种传输方法简单,操作性高,更主要的是测井成本低,电缆在传输数据的同时还要向井下供直流电,这就需要将地面上220V。的交流电先转换成直流电,通过电缆传到井下,再通过DC—DC电源转变成系统需要的各个电压。大量的试验结果表明,此种方式工作稳定,在传输距离为6000m时,也能可靠地实现数据的传输。
1 电源系统结构
套管井测井仪的电源系统结构如图1所示,该系统由地面变压器、直流稳压电路、DC—DC变压器、系列电压转换电路等四部分组成。其中地面变压器的作用是将220V的交流电变为90V的交流电,然后再经过直流稳压电路将90V的交流变为直流,再经过DC—DC变压器得到系列电压。

2 主要功能模块设计
1)直流稳压电路
本电源系统中的直流稳压电路如图2所示,图中90V的交流电压经过KC403单向桥式整流后,再由二阶II型网络滤波,输出90V的直流电压。值得一提的是,由于井下数据是通过90V直流电缆上传的,为了防止后续电路对前端电路产生干扰,在90V整流桥的每个二极管上都并联一个0.1μF的电容,这些电容能够很好吸收二极管的开关噪声。在电源滤波电路中,电容的耐压值一般为输入电压的2倍,且电容比较大,这样交流成分比较容易被滤掉,输出电压比较平滑。

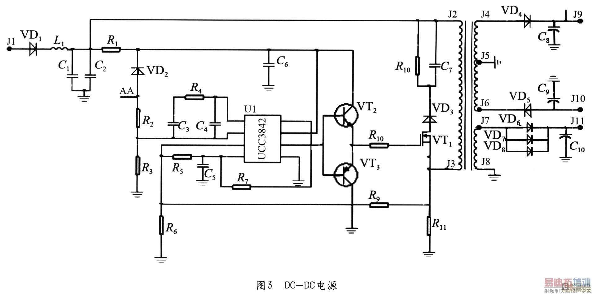
2)DC—DC电源
图3为DC—DC电源的实现电路,图中VD1、L1、C1和C2起隔离电路的作用,挡住传输信号。电源的主芯片UCC3842为单电源供电、带电流正向补偿、单路调制输出的集成芯片。其管脚①是误差放大器的输出端,外接阻容元件用于改善误差放大器的增益和频率特性;②脚是反馈电压输入端,此脚电压与误差放大器同相端的2.5V基准电压进行比较,产生误差电压,从而控制脉冲宽度;③脚为电流检测输入端,当检测电压超过1V时缩小脉冲宽度使电源处于间歇工作状态;④脚为定时端,内部振荡器的工作频率由外接的阻容时间常数决定,f=1.8/(RT×CT);⑤脚为公共地端;⑥脚为推挽输出端,内部为图腾柱式,上升、下降时间仅为50ns,驱动能力为±lA;⑦脚是直流电源供电端,具有欠、过压锁定功能,芯片功耗为15mW;⑧脚为5V基准电压输出端,有50mA的负载能力。图中R7和C5组成振荡网络,12V的输出电压通过R2、R3返回到U1的反馈电压输入端。电阻R11检测线圈中的电流,通过R6和R9分压后接入U1的电流检测输入端。UCC3842的⑥脚为PWM输出,通过对管VT2和VT3驱动开关管VT1的导通与截止。通过后端二级管的整流和电容滤波就产生了系统需要的±15V和5V。

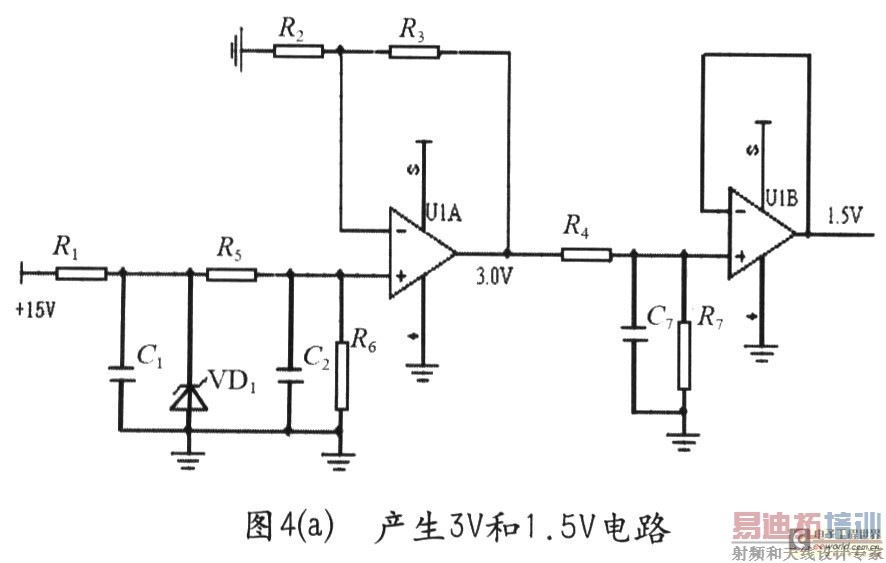
3)系列电压的产生
图4电路产生系统需要的3V、1.5V、1.25V和1.75V电压,图4(a)中,+15V电压通过稳压管VD1稳到6.2V,再通过R5、R6分压后经过运放产生3V电压,最后通过R4、R7分压后通过跟随器后产生1.5V电压。

图4(b)将产生的3V电压通过R12、R13和R14电阻分压后产生1.75V和1.25V电压,再分别经过一个跟随器后得到1.75V和1.25V便可以使用。

3 结束语
这套电源系统在现役很多套管井测井仪器中都有应用,其出色的性能保证井下仪器在高温高温的井况中能稳定的工作,且其测井成本低等一(系统优点使其在石油测井领域中得到越来越广泛的应用。
1 电源系统结构
套管井测井仪的电源系统结构如图1所示,该系统由地面变压器、直流稳压电路、DC—DC变压器、系列电压转换电路等四部分组成。其中地面变压器的作用是将220V的交流电变为90V的交流电,然后再经过直流稳压电路将90V的交流变为直流,再经过DC—DC变压器得到系列电压。

2 主要功能模块设计
1)直流稳压电路
本电源系统中的直流稳压电路如图2所示,图中90V的交流电压经过KC403单向桥式整流后,再由二阶II型网络滤波,输出90V的直流电压。值得一提的是,由于井下数据是通过90V直流电缆上传的,为了防止后续电路对前端电路产生干扰,在90V整流桥的每个二极管上都并联一个0.1μF的电容,这些电容能够很好吸收二极管的开关噪声。在电源滤波电路中,电容的耐压值一般为输入电压的2倍,且电容比较大,这样交流成分比较容易被滤掉,输出电压比较平滑。

2)DC—DC电源
图3为DC—DC电源的实现电路,图中VD1、L1、C1和C2起隔离电路的作用,挡住传输信号。电源的主芯片UCC3842为单电源供电、带电流正向补偿、单路调制输出的集成芯片。其管脚①是误差放大器的输出端,外接阻容元件用于改善误差放大器的增益和频率特性;②脚是反馈电压输入端,此脚电压与误差放大器同相端的2.5V基准电压进行比较,产生误差电压,从而控制脉冲宽度;③脚为电流检测输入端,当检测电压超过1V时缩小脉冲宽度使电源处于间歇工作状态;④脚为定时端,内部振荡器的工作频率由外接的阻容时间常数决定,f=1.8/(RT×CT);⑤脚为公共地端;⑥脚为推挽输出端,内部为图腾柱式,上升、下降时间仅为50ns,驱动能力为±lA;⑦脚是直流电源供电端,具有欠、过压锁定功能,芯片功耗为15mW;⑧脚为5V基准电压输出端,有50mA的负载能力。图中R7和C5组成振荡网络,12V的输出电压通过R2、R3返回到U1的反馈电压输入端。电阻R11检测线圈中的电流,通过R6和R9分压后接入U1的电流检测输入端。UCC3842的⑥脚为PWM输出,通过对管VT2和VT3驱动开关管VT1的导通与截止。通过后端二级管的整流和电容滤波就产生了系统需要的±15V和5V。

3)系列电压的产生
图4电路产生系统需要的3V、1.5V、1.25V和1.75V电压,图4(a)中,+15V电压通过稳压管VD1稳到6.2V,再通过R5、R6分压后经过运放产生3V电压,最后通过R4、R7分压后通过跟随器后产生1.5V电压。

图4(b)将产生的3V电压通过R12、R13和R14电阻分压后产生1.75V和1.25V电压,再分别经过一个跟随器后得到1.75V和1.25V便可以使用。

3 结束语
这套电源系统在现役很多套管井测井仪器中都有应用,其出色的性能保证井下仪器在高温高温的井况中能稳定的工作,且其测井成本低等一(系统优点使其在石油测井领域中得到越来越广泛的应用。
射频工程师养成培训教程套装,助您快速成为一名优秀射频工程师...
射频和天线工程师培训课程详情>>

